Generell beskrivelse av banestrømforsyning
Publisert: 26. januar 2015
Oppdatert: 4. februar 2025
1 Historisk tilbakeblikk på elektrifisering av jernbanen
- 31. mai 1879: Utstilling i Berlin, presentasjon av første elektriske jernbane med 150 V DC ved Werner von Siemens.
- 1903: Starten på 1-fase lavfrekvent AC-system utenfor Berlin. Vellykket design av 1-fase seriemotor i Sveits i 1905. Videre introduksjon av 1-fase systemet på jernbanelinjer i Tyskland, Sveits, Sverige og USA.
- 1910: På den VIII Internasjonale Jernbane Kongressen i Bern ble det diskutert hvilket system som var best ved elektrifisering av jernbanen. Frankrike foretrakk DC., Italia 3-fase og 1-fase lavfrekvent ble foretrukket av Tyskland, Sveits og Østerrike.
Etter første verdenskrig besluttet sentral Europa, Sverige og Norge å bygge ut med 1-fase AC med 15 kV og 16 2/3 Hz. På den tiden var det positive erfaringer med 1-fase lavfrekvent jernbanedrift i Sveits med tungt trafikkerte strekninger. Storbritannia, Frankrike og Nederland foretrakk 1,5 kV DC og Spania, Italia, Belgia og Russland 3 kV DC. USA brukte flere systemer.
I begynnelsen av 1920-årene begynte Ungarn med 50 Hz 1-fase 16 kV. Tyskland fulgte opp med 50 Hz utviklingen, men med 20 kV. Etter andre verdenskrig begynte Frankrike med 50 Hz 1-fase 20 kV utbygging, og i 1951 var en 78 km lang strekning elektrifisert med dette systemet.
På den XVI Internasjonale Jernbane Kongressen i London 1954 ble konklusjonen etter det vellykkete 50 Hz elektrifiseringene i Frankrike og fordelene ved AC var klare. Tyskland valgte å fortsette med 16 2/3 Hz 1-fase 15 kV på grunn av tidligere inngåtte avtaler, mens Storbritannia bestemte seg for at fremtidig elektrifisering skulle skje ved 50 Hz 1-fase 25 kV. Dette systemet blir også brukt i de land som elektrifiserer etter denne kongressen.
I tabellene under vises fordelingen av de forskjellige forsyningssystemene for jernbanedriften.
Tabell 1.1: Elektrifisering med 11–15 kV, 16 2/3 Hz
| Land | Strekning [km] |
|---|---|
| Tyskland | 15781 |
| Sverige | 7320 |
| Østerrike | 3162 |
| Sveits | 3134 |
| Norge | 2443 |
| Øvrige | 12 |
| Totalt | 31752 |
| USA (12 kV, 25 Hz) | 1720 |
Tabell 1.2: Elektrifisering med 20–25 kV, 1-fase 50–60 Hz
| Land | Strekning [km] |
|---|---|
| Russland (tidl. Sovjet) | 19300 |
| Kina | 7804 |
| Frankrike | 6645 |
| Japan | 5531 |
| India | 4654 |
| Storbritannia | 2952 |
| Romania | 2046 |
| Finland | 1710 |
| Øvrige | 16179 |
| Totalt | 66821 |
Tabell 1.3: Elektrifisering med ulike system i hele verden (ca. 1990)
| Systemtype | Strekning [km] | Andel total strekning [%] |
|---|---|---|
| Likestrøm | ||
| 1500 V DC | 19000 | 10,3 |
| 3000 V DC | 66842 | 36,3 |
| 1-fase vekselstrøm | ||
| 15 kV, 16 2/3 Hz | 31752 | 17,2 |
| 25 kV, 50/60 Hz | 66821 | 36,2 |
| Totalt | 184415 | 100 |
Som vist i tabell 1.1 er det flere land som bruker samme system som Norge. Tyskland og Sverige har størst andel av strekning med dette systemet. I tillegg har USA et lavfrekvent matesystem på østkysten der de benytter 25 Hz.
Tabell 1.2 viser en oversikt over de land som har elektrifiserte strekninger med nettfrekvens, 50/60 Hz. Blant «øvrige» er Danmark. Som summen viser er det dobbelt så lang strekning som er elektrifisert med nettfrekvens enn med lavfrekvens.
I tabell 1.3 er det en oversikt over de ulike systemene som finnes i verden og deres andel av elektrifisert strekning.
Flere av landene som benytter likestrømforsyning, bygger om til 25 kV, 50 Hz. Nye krav til høyhastighetstog gir behov for mer effekt. Ved å øke spenningen og gå over til vekselstrømforsyning kan dette oppnås uten å øke strømmene for mye.
2 Generell beskrivelse av banestrømforsyning i Norge
2.1 Elektrifisering i Norge
Til tross for at jernbanedrift var avhengig av importert kull fra utlandet, og dermed svært sårbar, var det vanskelig å få beslutning i Stortinget om elektrifisering. Stortingsmann Gunnar Knudsen var en av dem så de store fordelene for Norge i bruk av elektrisk energi. Allerede 13 år etter at Thomas Edison hadde fremstilt den første glødelampe, foreslo han i 1892 at staten skulle kjøpe opp vannfall til blant annet elektrifisering av jernbaner. Likevel skulle det ta lang tid før dette førte til utbygging.
Til å starte med ble elektrifisering av norske jernbaner gjennomført av private jernbaneselskaper. Den første strekningen var Thamshavnbanen ved Løkken verk i Trøndelag i 1908, utført av Orkla Grube-Aktiebolag. På denne banen ble det benyttet 6,6 kV og 25 Hz. Ved Rjukanbanen ble det valgt 10 kV og 16 2/3 Hz ved elektrifiseringen i 1911.
Elektrifisering ved NSB
Storting vedtok i 1912 at Drammenbanen skulle elektrifiseres. Bruk av utenlandske eksperter og uenighet om strømsystem betydde langvarige utredninger. Denne uenigheten førte til at Stortinget nedsatte en komite i 1916, bestående av sakkyndige koordinert og utvalgt av NSBs 2/3 Hz, en anbefaling NSB fulgte. Den vesentligste årsak til at denne frekvensen ble valgt, var hensynet til traksjonsmotorens driftsstabilitet. For å gi lokomotivet de riktige trekkegenskaper, er enfase seriekommutatormotoren velegnet. Denne motortype er det imidlertid vanskelig å få til Hz. Motoren får lett store gnistdannelser på kommutatorene med rundfyr og store skader til følge. Betinget av spesielle elektriske forhold er disse problemer vesentlig lettere å mestre ved 16 2/3 Hz. Fire år etter vedtaket, kom klarsignalet, og driften startet i november 1922. Altså ble Oslo–Drammen den andre strekningen som ble elektrifisert hos NSB, etter Oslo V–Brakerøya i 1922.
I NSB-elektrifiseringens første fase kunne man ikke ha frekvensomformere direkte mellom 3-fasenettet og kontaktledningsnettet, grunnet store spenningsvariasjoner og lastspenninger i 3-fasenettet. Kraften til Drammensbanen måtte produseres i eget kraftverk, dvs. Hakavik. Også banen Narvik–Kiruna fikk forsyning fra egne kraftverk. Strekningen Oslo–Lillestrøm fikk dog fra starten i 1927 en del av kraften fra 3-fasenettet gjennom omformere på Alnabru. Videre har koblinger av omformeraggregater til regionalnettet (50 Hz) istedenfor konsekvent bygging av egne kraftstasjoner for 16 2/3 Hz, vært et teknisk aspekt som skiller norsk fra kontinental jernbane. Elektrifisering av de eksisterende banestrekningene har pågått frem til elektrifiseringen av Nelaug–Arendal i 1995. Det foreligger planer om å elektrifisere delstrekninger nord for Trondheim, da disse er fortsatt ikke elektrifisert.
Banestrømforsyningen til jernbanen i Norge skjer også i dag ved 1-fase 15 kV og 16 2/3 Hz. Denne frekvensen og spenningsnivået blir brukt i de land som begynte å elektrifisere jernbanen starten av 1900-tallet. Det er utført en studie for å se om det ville lønne seg å bytte til 50 Hz 1-fase 25 kV, men dette var ikke lønnsomt i henhold til N/K-analyser som ble utført. Etter dette studiet ble det besluttet at det i Norge fortsatt skulle benyttes 16 2/3 Hz 1-fase 15 kV system for banestrømforsyningen.
En oversikt over oppbyggingen av strømforsyningen i Norge til jernbanen er vist i figur 1.1. Som vist i figuren består nettet av 3-fase forsyningsnettet fra kraftselskapene. Omformerstasjoner for omforming av frekvensen til 16 2/3 Hz 1-fase er tilkoblet 50 Hz 3-fase-nettet.

Figur 1.1: Strømmens vei fra kraftverk til lokomotiv. Strømmen går fra kraftverket gjennom sentral- og regionalnett til omformerstasjonen, der den omformes fra 3-fase 50 Hz til 1-fase 16 2/3 Hz. Derfra føres 16 000 volt via kontaktledning til lokomotivet, hvor strømmen går gjennom en transformator og motor. Returstrømmen går via returledning og skinner tilbake til omformerstasjonen.
2.2 Oppbygging av banestrømforsyningen i Norge
Kontaktledningsanlegget kan forsynes på flere måter fra omformerstasjonene. Omformerstasjonene kan mate på 15 kV nivå via mate/returkabler til koblingshus og ut på kontaktledningsanlegget. Fra noen koblingsanlegg skjer matingen via mateledninger som tilkobles kontaktledningsanlegget forskjellige steder på strekningen. Det finnes også fjernledninger på et høyere spenningsnivå som tilkobles kontaktledningsanlegget via transformatorstasjoner.

Figur 1.2: Koblingsbilde av kontaktledningsanlegget.
Figur 1.2 viser hvordan kontaktledningsanlegget er samkjørt. Samleskinnene, ssk i figuren, inngår i koblingsanlegg enten i koblingshus eller i matestasjoner. I vanlig drift, når anleggene er samkjørt, er kontaktledningsbryterne, bryterne utenfor seksjonsdelene, koblet ut. Dette gjør at anlegget er elektrisk sammenkoblet over samleskinnene. Det samme gjelder for stasjonsområder med koblingsanlegg. Dersom koblingsanlegget er ute av drift kan strekningen sammenkobles via kontaktledningsbryterne som legges inn.
Utenfor noen koblingsanlegg, særlig de i omformerstasjoner, er det ofte en dødseksjon mellom tilkoblingene fra samleskinnen. Dødseksjonen er beskrevet detaljert i kapittelet om sonegrensebrytere.
På stasjonsområder uten koblingsanlegg går det ofte en forbigangsledning fra den ene siden av seksjonsdele til den andre. Denne er koblet til kontaktledningsanlegget med kontaktledningsbrytere. Dette gjøres for å kunne ha trafikk på strekningen selv om stasjonsområdet er spenningsløst.
Parallellkoblingen av dobbeltspor foretas der hvor det er langt mellom matestasjonene. Dette gir en tettere elektrisk sammenkobling av sporene.
Mellom flere av omformerstasjonene er det sonegrensebrytere. Disse gir en mulighet for å dele opp nettet og kunne kjøre omformerstasjonene uten samkjøring.
2.3 Andre nyttige elementer
For å ha et entydig referanse system til hvor de forskjellige omformerstasjoner, koblingshus og alle andre enheter i jernbaneanleggene er plassert, benyttes kilometer angivelser. Disse er bygget opp etter hvor langt fra Oslo gjenstanden står. Dette gjelder for alle baner i sør-Norge. Nord for Trondheim, banestrekningene Nordlandsbanen og banen mot Storlien, er referert i kilometer fra Trondheim. For Ofotbanen er kilometreringen referert fra Narvik. Et problem med kilometerangivelsen er at banen til tider rettes ut, og dette gir andre kilometertall. Dette blir referert til som kjedebrudd, og gir seg utslag i at ting blir referert til den gamle kilometerangivelsen, men i tillegg oppgis det hvor kjedebruddet er, og hvor langt dette er.
Når det snakkes som høyre og venstre spor på dobbeltsporet strekning og på stasjonsområder, er høyre spor referert til den siden som er til høyre i kilometer retningen. Står man med ryggen til Oslo, er høyre spor til høyre.
3 Matestasjoner
3.1 Funksjon
En matestasjon er et tilkoblingspunkt til kontaktledningsanlegget hvor det blir tilført effekt. I det norske jernbanenettet leverer omformerstasjoner og kraftverk elektrisitet til kontaktledningsanlegget. En del av overføringen skjer via matekabler og ledninger til koblingshus.
Andre steder går det høyspente fjernledninger fra omformerstasjoner og til transformatorstasjoner som forsyner kontaktledningsanlegget. I dette kapittelet skal det gis en kort beskrivelse av omformerstasjoner og transformatorstasjoner.
I Norge er det to kraftverk som produserer med 16 2/3 Hz. Det resterende energibehovet blir dekket av omformerstasjoner som omformer fra 50 Hz til 16 2/3 Hz. Det finnes både roterende og statiske omformerstasjoner. Innkommende spenning til omformerstasjonene er vanligvis 60 kV eller 47 kV nettet. Noen omformerstasjoner er også koblet til 130 kV, 110 kV, 22 kV og 11 kV nett. Spenningen ut fra omformerstasjonene skal normalt være 16,2 kV. Koblingsanlegget i omformerstasjonene er beskrevet i kaptitlet om koblingshus.
Fra noen omformerstasjoner går det fjernledning på et høyere spenningsnivå 50 kV. Disse fjernledningene er koblet til kontaktledningsanlegget ved hjelp av transformatorstasjoner.
3.2 Roterende omformerstasjoner
3.2.1 Oppbygging av motor og generator
De roterende omformerne består av en 3-fase, 12 polet motor med innkommende spenning 6,3 kV. Til motorens aksling er det koblet en 1-fase, 4 polet generator. Spenningen ut fra generatoren er vist i tabell 1.4. Forskjellen i poltall mellom motoren og generatoren gir frekvens 16 2/3 Hz ut fra generatoren. Fra generatoren transformeres spenningen opp til 16–16,5 kV før den kobles til kontaktledningsanlegget via koblingsanlegg.
Det finnes flere størrelser av de roterende omformerne, se tabell 4. Noen er transportable, mens andre er stasjonære. Hver transportabel omformerutrustning består av 3 vogner; omformer-, apparat- og tranformatorvogn, sett fra venstre mot høyre i figur 1.3.

Figur 1.3 Transportabel roterende omformer.
I de fleste av omformerstasjonene står det to aggregater. Dette er ikke bare fordi energibehovet nødvendigvis er så stort at det trengs to, men også på grunn av krav til redundans i systemet. Imidlertid, kan omformere kortvarig sterkt overbelastes. Eksempelvis kan det nevnes at 10 MVA omformere kan belastes med 19 MVA i 1 minutt.
Tabell 1.4: Data for noen omformeraggregater
| Størrelse | Spenning generator |
|---|---|
| 3,1 MVA | 3,0 kV |
| 5,8 MVA | 4,0 kV |
| 7,0 MVA | 4,5 kV |
| 10 MVA | 5,2 kV |
Ved de roterende omformerne overføres spenningsvinkelen fra 50 Hz 3-fase nettet til 16 2/3 Hz 1-fase nettet med forhold 3:1. Dette gjør at dersom 3-fasenettet ikke er samkjørt vil man få vinkelforskjeller i 1-fasenettet, og omformerstasjonene kan ikke samkjøres. Eksempelvis vil en forskjell i spenningsvinkel på 9 på 3-fase siden gi en forskjell i spenningsvinkel på 3 på 1-fase siden.
3.2.2 Start av roterende omformeraggregat
Ved start av omformeren anvendes såkalt asynkron start. Motoren har massive rotorpoler hvor virvelstrømmen genereres under oppstart. Disse virvelstrømmene gir opphav til det vridende momentet som kreves for å starte. Når rotoren etter akselerasjonsforløpet, ca. ett minutter, kommer i nærheten av synkront turtall rykker motoren automatisk inn i synkron drift.
Strømmen under start begrenses av et starttransformator. Dette gjør at startstrømmen ligger på samme nivå som strømmen ved fullast.
Etter kontroll av fasen på generatorspenningen, kan motoren tilkobles full driftsspenning (6,3 kV) på 50 Hz nettet.
3.2.3 Innfasing
Innfasing av generatoren er komplisert fordi det er 6 ulike koblingsmåter mellom motor og generator med hensyn på overføring av vinkel. For å treffe det rette vinkeloverføringen snus retningen på motorens feltstrøm og motoren faller 180 grader i fase på 50 Hz siden. Dette tilsvarer 60 grader på 16 2/3 Hz siden. Ved å snu feltstrømmen flere ganger, med dertil hørende faseforskyvning på 180 og 60 grader, blir motoren synkronisert til nettet med riktig fase.
Denne prosedyren må alltid utføres med magnetisert generator og før starttransformatoren kobles bort.
Når man ha oppnådd riktig fase for motoren, kan dennes startkretser kobles bort og generatoren kan til slutt kobles til 1-fase nettet.
Normalt benyttes automatisk start med automatisk innfasing.
3.2.4 Regulering av generatorer i parallelldrift
For å hindre at ett aggregat tar på seg for stor andel av lasten i omformerstasjonen, blir aggregatene regulert ved hjelp av spenningsregulatorer. Dette gjelder særlig den reaktive delen av lasten. En måte å unngå at en generator tar på seg all reaktiv effekt fra de andre, er å la alle generatorene senke spenningen ved økning av utmatet reaktiv effekt fra omformerstasjonen. Spenningen til spenningsregulatoren måles på 15 kV samleskinnen i stasjonen.
Med såkalt motkompoundering oppstår denne spenningssenkingen og den tilsvarer ca 5 % av merkespenningen for en økning av den reaktive belastningen fra 0 til merkestrøm.
For at man på tross av motkompounderingen skal få en konstant eller stigende 15 kV spenning for stasjonen med økende belastning, blir stasjonsspenningen korrigert som funksjon av sum strøm fra omformerstasjonen.
3.2.5 Belastning av omformeren
Ved belastning av omformerne vris fasevinkelen på den genererte 16 2/3 Hz spenningen relativ til tomgangsspenningen, man får en såkalt lastvinkel. Man kan sammenligne omformeraggregatet med to roterende masser forbundet med en fjær med en viss lav demping. I denne fjæren legges frekvenstransformeringen sammen.
Dersom generatoren plutselig får lastavslag, for eksempel hvis bryteren løser ut med last, oppstår det en svingning og en effektpendling til 3-fase nettet. Hele aggregatet vil svinge.
Fasevridningen ved belastning kan være årsak til store vinkelforskjeller som gir bekymring ved innfasing. Derfor må man tillate store spenningsforskjeller mellom generator og linjespenning ved innfasing (opp til 10 kV). Med tilbakematende tog forverres problemet ettersom vinkelforskjellen da øker ytterligere.
Ved tilbakemating av togets bremseenergi snus effektretningen i omformeren og motoren fungerer som generator mot 3-fase systemet. Spesielle vern er innført for å klare problemene som kan oppstå hvis man mister tilkoblingen med 50 Hz nettet. Man er først og fremst bekymret over øket påkjenning i motoren ved automatisk gjeninnkobling etter spenningsbortfall på 3-fase matingen.
3.3 Samkjøring av omformerstasjoner
Hele Jernbaneverkets kontaktledningsnett er sammenkoblet på 1-fase siden. Resistivt og reaktivt spenningsfall i kontaktledningsanlegget gjør det mulig å drive stasjonene med samkjøring, til tross for vinkelforskjeller i 1-fase spenningen. Det foregår også samkjøring mellom Norge og Sverige.
3.4 Statiske omformerstasjoner
Den første statiske omformerstasjonen i Norge var Sarpsborg og den ble satt i drift i 1994.
Det finnes to typer statiske frekvensomformere, direkteomformere og mellomleddsomformere. Det siste kalles også pulsomformer (PWM-omformer). Forskjellen mellom de to omformertypene er at direkteomformeren omformer 50 Hz 3-fase direkte til 16 2/3 Hz 1-fase gjennom tenning av tyristorene i hovedkretsen. Med pulsomformer likerettes først 3-fase spenningen til en likespenning (mellomleddet), som deretter gjøres om til vekselspenning. Ved pulsomforming blir det en penere kurveform på 16 2/3 Hz. I Norge er det bare bygget mellomleddsomformere, men direkteomformere blir også behandlet i dette kapittelet.
For direkteomformeren benyttes nettkomuterte tyrisoter i effektomformingen og for pulsomformeren benyttes i dag GTO-tyristorer (slukkbare tyristorer). Begge halvledertypene tåler begrenset spenningspåkjenning, derfor benyttes transformatorer på 3-fase siden så vel som på 1-fase siden.
3.4.1 Direkteomformer
Ved en brokobling med tyristorer kan man gjennom å gi tyristorene tennpulser lage en variabel likespenning. For å vende strømretningen i lasten kreves ytterligere en likeretterbro. Man har da en såkalt dobbelt strømretterbro. Vær oppmerksom på at strømmen ikke kan gå motsatt vei gjennom en tyristor. Derimot kan tyristorene tennes på en sånn måte at strømmen over lasten blir negativ.

Figur 1.4: Direkteomformer.
Som vist i figuren under er strømmen som kommer ut fra omformeren sagtagget og hakket. Dette krever filter på 1-fasesiden for å få en penere sinusformet strøm.

Figur 1.5: Strømkurve fra en direkteomformer.
For å redusere tilbakevirkningen på nettet med overharmoniske og for å øke uteffekten, benyttes det tolvpulskoblinger i direkteomformerstasjonene for banestrømforsyning.
Direkteomformeren trenger et raskt og sikkert blokkeringssystem for å unngå kortslutning av matetransformatoren ved feilaktig tennpuls.
Direkteomformeren kan mate energi tilbake til 3-fase nettet uten ekstra utrustning.
Ulempene ved direkteomformeren er den generer reaktiv effekt og derfor krever reaktiv kompensering. Normalt kan dette løses ved at den filterutrustning som man må ha, dimensjoneres slik at det oppnås en tilstrekkelig kompensering. Direkteomformeren genererer også forholdsvis mye elektrisk støy, både på 3-fase siden og 1-fase siden.
3-fase nettets kortslutningseffekt er avgjørende for hvor vidt det er mulig å benytte en direkteomformer. En vanlig regel er at omformerens merkeeffekt ikke må overstige 0,8 % av høyspenningsnettets kortslutningseffekt (130 kV-nett).
Filter
For å redusere de harmoniske strømmene plasseres det filter både på 3-fase siden og 1-fase siden. På 1-fase siden er den dominerende frekvensen 600 Hz, men avhengig av strømretterens varierende styring «glir» frekvensen mellom 500 Hz og 700 Hz. Et bredbåndfilter plasseres derfor direkte på 1-fase-transfomatorens sekundærside. Filteret er en serieresonanskrets med demperesistans parallelt med induktansen.
Regulering
For å regulere omformeren og samkjøre den med de roterende omformerne, gir reguleringen den en karakteristikk som er lik de roterende. En langsom strømgrense sørger for å vern mot overlast, og den raske strømgrensereguleringen begrenser feilstrømmen i forbindelse med kortslutning. En spesiell reguleringssløyfe finnes på 1-fase siden med formål å forhindre likestrømskomponenter i 1-fasestrømmen. Disse kan nemlig gi metningsproblem i 1-fase transformatoren.
3.4.2 Omformer med mellomledd
Ved denne omformeren skilles 3-fase nettet og 1-fase nettet fra hverandre ved hjelp av et mellomliggende likespenningssystem. Dette gir fordeler blant annet når det gjelder tilbakevirkning på 3-fase nettet og overtonestrømmer.

Figur 1.6: Omformer med mellomledd.
Med en mellomleddsomformer blir strømmen på 1-fase siden helt uavhengig av 3-fase strømmen. Dette kommer frem i kurven under, hvor man ser at sinusen blir bygget opp av firkantpulser med ulik varighet. Spenningsnivået på toppen i firkantspenningen er gitt av spenningen på mellomleddet.

Figur 1.7: Kurveforløp fra en omformer med mellomledd.
For å klare å overføre ønsket effekt med tilgjengelige slukkbare tyristorer, GTOer, må man parallellkoble vekselretteren. Det utnyttes også for å bedre kurveformen på 1-fase siden.
Omformere med mellomledd setter ingen spesielle krav til kortslutningseffekt i 3-fase nettet. Den generer en reaktiv effekt i størrelsesorden 30 % av omformereffekten avhengig av nettspenningen og likeretterens regulering.
Ulempen med denne omformertypen er at den er følsom for overstrømmer og dermed vanskelig å verne.
For å kunne mate tilbake på 3-fase nettet må denne omformeren i tillegg ha en vekselretter på 3-fase siden.
Filter
For å redusere de harmoniske plasseres det filter på 3-fase siden, mellomleddet og 1-fase siden.
For mellomleddet er det et filter for 33 1/3 Hz. 1-fase effektuttaket på 16 2/3 Hz generer effektpulser med denne frekvensen. Det kan også være filter for høyere frekvenser på mellomleddet.
På 1-fase siden består filterutrustningen av et shuntfilter og en seriespole. Shuntfilteret har en motstand i parallell med spolen. Dette gir filteret en høypasskarakter for høyere frekvenser, som dermed i stor grad filtreres bort. Seriespolens oppgave er å skille mellom parallellarbeidene omformere.
Regulering
Reguleringen av denne omformere med mellomledd er lik reguleringen for direkteomformeren, se over.
3.5 Transformatorstasjoner
Transformatorstasjonene står mellom fjernledninger med 16 2/3 Hz og en høyere spenning enn 15 kV. Disse transformerer spenningen til 15 kV og mater ut på kontaktledningen. Formålet med fjernledninger og transformatorstasjoner, er å kunne overføre større effekter over lengre strekninger uten for store tap.
I forbindelse med transformatorene står det også brytere for tilkobling til kontaktledningen og vern. Vernet som benyttes på 15 kV siden av transformatorstasjonene er tilsvarende det som benyttes i koblingshusene. I tillegg har transformatorstasjonene vern av transformatoren.
Høyspenningslinjen spenningssettes ved at transformatorene magnetiseres fra 15 kV siden og innfasing på høyspenningssiden skjer ved hjelp av fasevernet. Vernet må, som det fremgår i kapittelet om roterende omformere, akseptere stor faseforskjell mellom linjen og en stasjon som skal fases inn mot denne.

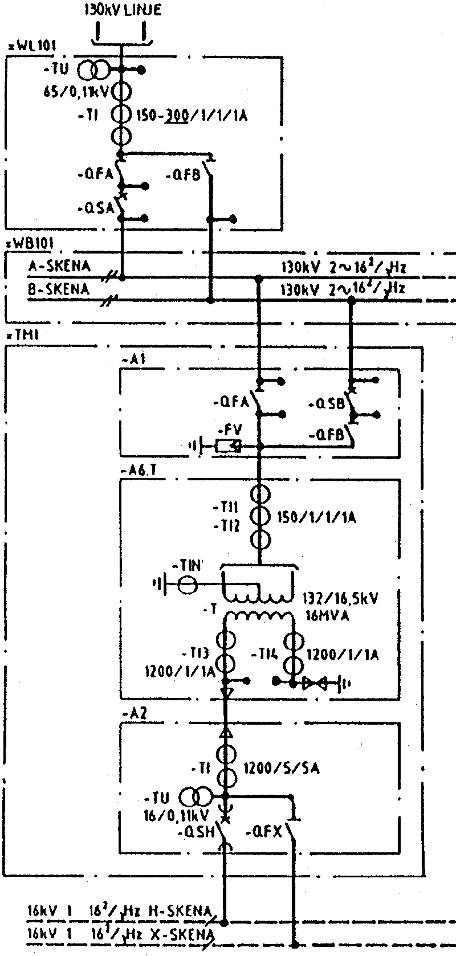
Figur 1.8: Eksempel på en 130 kV transformatorstasjon.
4 Litteraturhenvisninger
- CCIT – Directives, volume I, Design, construction and operational principles of telecommunication, power and electrified railway facilities, International telecommunication union, (1989).
- Bjerke, Hjort-Johansen, Kristoffersen, Nilsen. Banedata ’94, Norsk Jernbaneklubb, Forskningsgruppen, (1994).
- Gustafsson. Kurs stationära utrustningar, Banmatning, NSB Gardermobanen A/S, ABB Kraft AS, (1997).
- R. Lundberg. Lærebok i elektroteknikk, del 4 – omformerstasjoner, Svenska Tryckeriactiebolaget, Stockholm, (1959).
- Sture, Per. Lærebok for Kontaktledningsingeniører, del 2, NSB Baneteknisk kontor, 1993.
- NSB-teknikk. Teknisk informasjon for Norges Statsbaner, Nummer 1, 1985.