Sporstoppere
Publisert: 18. mars 2015
Oppdatert: 4. februar 2025
1 Innledning
Inneholder en beskrivelse av komponenter som inngår i sikringen av buttspor på stasjonsområder.
1.1 Sporstoppere
Sporstopperens formål er å bremse opp rullende materiell ved sporets ende, uten å skade personer og materiale. Den har ikke vært dimensjonert til å ta tunge tog i store hastigheter, men heller rullende vogner som går veldig sakte, eller som et signal på at sporet slutter her og toget må stoppe.
Noen av de første typene var enkelt og greit en diger stokk lagt på tvers over skinnene. Det var en økonomisk og lettvinn løsning, men den måtte oppgraderes. Man har også benyttet selve togskinnene som sporstoppere der man bøyer enden av de i en bratt kurve.
Herfra har man tatt veien til å sette opp stokken på stylter, og så senere satt noen buffere på dem.
Kravene til sikkerhet blir større og mer nøyaktig ettersom kunnskapen øker på området, så nye dimensjoner må til.

Figur 1: Togskinner som er bøyd opp for å stoppe tog.
Grogleyjunction, 2012
Figur 2: En pen, men for enkel variant av en sporstopper.
Sporskiftet.dk, 2010Det finnes i dag mange ulike sporstoppere, der vi skiller mellom 3 ulike grunnkonstruksjoner:
- Faste sporstoppere; disse kan ikke flytte seg og ved påkjørsel skjer stoppet tilnærmet momentant. Disse blir det brukt lite av i dag, unntak er de som har stått siden før dimensjoneringskravene kom, eller der det ikke er noen plass til bremsevei bak.
- Glidende sporstoppere; disse forflytter seg ved påkjørsel. Bremsearbeidet tilsvarer friksjonen mellom stopper og skinne, samt bremseveien.
- Sporstoppere med hydrauliske buffere; ved påkjørsel tar bufferen opp bremsearbeidet. Sporstoppere med hydrauliske buffere kan også monteres som glidbar sporstopper hvor bremsearbeidet blir tatt opp, dels av de hydrauliske bufferne og dels av forskyvning langs sporet.
Nå brukes det som oftest glidende sporstopper med buffere der det er plass til det, ettersom støtet da blir elastisk.
Som pilene viser på figur 6, gjør friksjonen den største motkraften i de fleste tilfeller. Buffermotstanden holdes konstant, mens summen av friksjonskreftene går parallelt med kraften fra toget. Ved små hastigheter kan bufferne ta opp større deler av bevegelsesenergien til toget, enn friksjonen.
De glidbare stoppbukkene er festet på skinnene, slik at friksjonen virker inn fra tre forskjellige steder. Vil man ha større friksjon kan man stramme inn skruene, slik at foten til sporstopperen klemmer hardere om skinnene. Men om man strammer for hardt begynner ikke sporstopperen å gli, og sannsynligvis blir sporstopperen ødelagt, hvis ikke det blir en bråstopp. Men har den først begynt å gli, kommer den ikke til å bli stoppet, ettersom hvilefriksjonen er dobbelt så stor som den bevegelige friksjonen, erfaringsmessig sett. (Veritas, 1997,vedlegg A).

Figur 1: Sporstopper i Kristiansand, som er festet rett på en betongvegg. Den befinner seg på den delen av stasjonen som er lite i bruk.
Bane NOR



1.2 Sporsperre
Sporsperrer plasseres som oftest ved utkjøring av hensettingsspor og skal hindre utilsiktet bevegelse ut fra sporet.
Januar 2010 reiste en vognstamme fra Alnabru og fortsatte ferden ned mot Oslo S, toget ble ledet ned mot Sjursøya 3 og endte sine dager der. l henhold til SH var det mange faktorer som førte til ulykken. Det var både menneskelige og maskinelle feil. En av feilene som ble avdekket var at den installerte sporsperren på Alnabru stasjon ikke var i drift. Den var utdatert og fungerte derfor ikke på det gitte tidspunkt (SHT, 2011). l etterkant av denne ulykken er det montert sporsperrer i det aktuelle området.
Sporsperrene utformes slik at de alltid står i «lukket» posisjon. Når et tog kommer, åpner denne seg og toget triller forbi. Når toget har kjørt forbi, lukkes sperren igjen. Disse er styrt automatisk via kontaktledningsnettet og ATC5. Det kan oppstå problemer i forhold til dette, men disse gis til å være små, og derfor nesten neglisjerbart. Ofte kan disse også styres manuelt. En sporsperre egner seg ikke på vanlige togspor der hastighetene er store, men derimot veldig bra på hensettingspor, skiftespor og inne på stasjoner.

1.3 Avsporingsveksel
En avsporingsveksel, er i hovedsak en vanlig sporveksel. Forskjellen mellom disse to er at det ene sporet på en avsporingsveksel ikke fører til en destinasjon eller et nytt spor. Sporet går istedenfor noen meter vekk fra hovedspor og fører ut mot et område som er avsatt til dette formålet. Området kan gjerne være en grushaug, betongvegg eller parkeringsplass. Det viktigste er at toget ledes bort fra hovedsporet og stoppes effektivt. Der fallet er stort er dette en bra løsning med tanke på løpske tog/togsett. Problemet med denne måten er at skadene på togsettet er store, og dermed er også muligheter for eventuelle passasjerskader store.
Disse settes som oftest inn mot stasjoner, men også ut fra stasjoner som ligger på en ås eller har fall ut. Disse blir brukt som sikkerhet dersom det skal komme løpske tog eller vogner.
l etterkant av ulykken på Sjursøya er det montert avsporingsveksel på strekningen Alnabru–Oslo S. Utformingen av denne er som nevnt ovenfor, der avsporingsvekselen leder mot en grushaug ved siden av sporet.
1.4 Baliser
En balise er en elektronisk enhet som settes mellom sporene som automatisk gir beskjed om at noe skjer, beskjeden gis til eventuelt rullende materiell. Vi har fokusert på hastighetsbaliser i denne oppgaven. En hastighetsbalise settes ofte inn mot stasjoner for å være sikker på at farten nedjusteres. Denne kobles inn mot bremsene på lokomotivet. Dette fungerer også via ATC. Disse kan også brukes de, telehiv har gjort sporene så vanskelig å kjøre på at man ikke kan kjøre ved normale hastigheter. Baliser er mye brukt og kan ikke erstatte sporstoppere, sporsperrer og sporavvekslere.
En balise plasseres midt mellom to spor og festes til svillene. Baliser kommuniserer med toget når det kjører forbi. Det er viktig at en balise monteres midt mellom to skinner, med en feilmargin på 20 mm. Baliser brukes også mye når et tog kommer mot et område med mye svinger, der fare for velt er tilstede. Baliser er et viktig verktøy i dagens jernbane, dette for å ha mulighet for å overstyre togene,og fjerne de menneskelige feilene.
Et eksempel rundt dette med nødvendigheten av hastighetsbaliser, er når tog 12926 6 kjørte ut ved Nykirke på Vestfoldsbanen. Toget kjørte i en hastighet som i ettertid er bestemt til å være 135 km/t i en 70-sone. Det var på bakgrunn av denne store hastigheten at toget sporet av, og som førte til store materielle skader. Fartsgrensen der toget sporet av var 70 km/t, og fartsendringen skulle skjedd rett i forkant av ulykkesområdet. Dersom det hadde vært satt inn en hastighetsbalise i forkant, som hadde en satt fartsgrense, kunne ulykken vært unngått. SHT har ikke kommet med sin endelige rapport fra ulykken, derfor er opplysningene hentet fra den foreløpige rapporten (SHT, 2012). l henhold til den rapporten er det konkludert med menneskelig feil.

1.5 Ulykker
l de neste avsnittene vil vi belyse noen ulykker som har forekommet, der tog har kollidert med sporstopper. Dette har vi gjort for å belyse nødvendighetene med sporstoppere, og at sporstopper skal være dimensjonert for høyere hastigheter. Ved flere av disse ulykkene er det små sporstoppere som har ført til at toget har «løftet» seg over og fortsatt ferden videre. Dette fører til at skade på boggien ofte blir mer omfattende. Heldigvis har de fleste ulykkene på norske jernbaner, ikke ført til store personskader. Ulykken i Buenos Aires februar 2012 er eksempel på hvor store konsekvensene kan bli.
1.5.1 Nasjonalt
Bodø stasjon 26.11.98
En av de mest dramatiske ulykkene med sporstopper i Norge var en kollisjon ved Bodø stasjon 26.11.1998. Godstoget kjørte i en hastighet på 25 km/t når det traff sporstopper. Sporstopper i dette tilfellet var en liten buffer plassert foran en betongstopper. Lokomotivet ble presset over sporstopperen og ble stående 10 m, opp i luften. Ulykken skjedde som en hendelse av lokomotivførers uoppmerksomhet. Lokomotivfører ble sendt til sykehus med mindre kuttskader. (Uhellskommisjonen, 1998, vedlegg B).

Bodø 17.9.2003
Skinnetraktor med en last med fiberoptiske kabler på 140 tonn. Når toget ankom Bodø stasjon, fant lokfører ut at det ikke var bremsekraft. Bakgrunnen for dette var at bremsen på lokomotivet hadde blitt slitt ut gjennom ferden, og at bremsene på boggiene bak ikke var koblet til. Dette førte til at toget traff sporstopper med hastighet på 51 km/t. Fører hadde på dette tidspunktet gått bakover i toget og hoppet ut fra toget. Lokfører ble påført små kuttskader. Når toget traff sporstopper, ble skinnetraktor dyttet over og ble hengende i løse luften, skadene på denne ble så store at det ikke ble fikset igjen. Skyldspørsmålet står delt mellom, NSB og privataktør (HSLB, 2004).

Dalane 31.1.2010
Godstoget stoppet foran et signal som viste kjøring forbudt. Utkjøringssignal på stasjonen er felles for alle 4 spor, som førte til at godstog på spor 3 kjørte fremover, selv om signalet var ment for persontog som skulle passere på spor 1. Godstoget passerte siste sporveksel, og fører skjønte at toget hadde kommet inn på feil spor. Fører satte på nødbrems, men sammenstøt med sporstopper kunne ikke unngås, lokomotivet kjørte ned sporstopper og toget sporet av. Toget stoppet mot gjerdet til riksvei 9. Avsporingen kunne vært unngått med større sporstopper, og ATC-hastighetsbalise på spor 3 (SHT, 2010a). Vi har tatt utgangspunkt i denne stasjonen og denne ulykken når vi har dimensjonert en sporstopper som er godkjent innenfor regelverket for hastighet på skiftespor.
Det skal også nevnes at to år tidligere, 23.1.2008, var det en nesten identisk ulykke (SHT, 2009).


1.5.2 Internasjonalt
Dette er et felt som ikke skal berøres nevneverdig, men vi ønsker å nevne dette da det viser hvor store skader som kan forekomme. Det finnes ikke mange kjente ulykker med sporstoppere, men de som har vært i nyere tid har ført til store skader.
1902 Frankfurt am Main
Et tog kolliderer med sporstopper. Har ingen informasjon rundt denne ulykken, men ulykken inspirerte Rawie til å begynne med konstruksjon av en rekke energiabsorberende sporstoppere (Wikipedia, 2012a).
London, Cannon Street 8.1.1991
Årsaken var førerfeil, og mulig at lokfører var beruset. Toget kolliderte med sporstopper i en fart på rundt 16 km/tog det førte til 2 dødsfall og 524 skadde. Det var store skader på togsettet, så det ble «kassert». Bakgrunnen for at konsekvensene var så store var at toget stammet fra 1934–1958. Store deler var fra konstruksjonsåret 1934, men ble restaurert i 1958 (Railwayarchive, 1992).
Buenos Aires 22.2.2012
Toget fikk problemer med bremsene, og dette førte til at toget kolliderte med sporstopper, 51personer omkom og 703 personer ble skadet. Toget skal ha holdt mellom 20 km/t og 30 km/t frem til kollisjonen. Første og andre vogn fikk størst skader da disse ble presset sammen, de fleste omkomne befant seg i denne vognen. Hva slags sporstoppere som ble brukt på dette sporet har vi ikke funnet ut. Men vi antar at det har vært en fast buffer eller en glidende med liten mulighet til å gli langt på gjeldende spor (Wikipedia, 2012b).

2 Regelverk rundt sporstoppere
2.1 Formål og krav
Sporstopperen skal bremse opp rullende materiell ved sporets ende. Sporstopperen skal fungere slik at rullende materiell ikke blir skadet ved påkjøring. Sporstopperen skal dessuten beskytte mennesker, bygninger og installasjoner.
2.2 Konstruksjon
Vi skiller mellom 3 ulike grunnkonstruksjoner av sporstoppere:
- Fast sporstopper
- Glidende sporstopper
- Sporstopper med hydrauliske buffere
Sporstoppere for persontog skal både kunne ta opp krefter fra sidebuffere og fra sentralkoppelet.
2.2.1 Fast sporstopper
Faste sporstoppere kan ikke forskyves langs sporet. Ved påkjørsel stopper det rullende materiell tilnærmet momentant. Faste sporstoppere finnes som både betong- og stålkonstruksjoner.
2.2.2 Glidende sporstopper
Glidbare sporstoppere kan forskyves langs sporet. Ved påkjørsel bremses toget ved at sporstopperen utretter et bremsearbeid når den forskyves langs sporet. Bremsearbeidet er avhengig av friksjonen i bremseelementene og bremsestrekningens lengde.
Bremseelementene er forbundet med skrueforbindelser. Bremsekraften bestemmes av tiltrekkingsmoment og forspenningskraft i skrueforbindelsene.
2.2.3 Sporstopper med hydrauliske buffere
I denne typen sporstoppere opptar hydrauliske buffere bremsearbeidet ved påkjørsel. Sporstopper med hydrauliske buffere kan også monteres som glidbar sporstopper hvor bremsearbeidet blir tatt opp dels av de hydrauliske bufferene og dels av forskyvning langs sporet.
3 Valg av sporstopper
Sporstopper skal dimensjoneres slik at den kan ta opp bevegelsesenergien fra rullende materiell med dimensjonerende togvekt og hastighet for det aktuelle sporet uten at det rullende materiell eller bakenforliggende konstruksjoner blir skadet.
3.1 Dimensjonerende parametere
3.1.1 Hastighet
Nedenstående hastigheter gjelder ved dimensjonering av sporstoppere
- Togspor: 15 km/h
- Skiftespor: 10 km/h
På steder hvor sporet har fall før sporstopperen skal dimensjonerende hastighet velges lik den hastighet løpske vogner eller tog uten virksomme bremser kan oppnå ved påkjøring av sporstopper, dersom denne er høyere enn hastighetene nevnt ovenfor.
3.1.2 Togvekt
Sporstoppere skal dimensjoneres for den maksimale togvekt som kan forventes å trafikkere sporet.
3.1.3 Maksimal reaksjonskraft
For å unngå skade på det rullende materiell ved sammenstøt, skal reaksjonskraft fra sporstopper begrenses til maks. 1500 kN.
3.1.4 Akselerasjon
For å unngå skade på passasjerer ved sammenstøt skal sporstopperen dimensjoneres slik at avbremsingsakselerasjonen for de letteste togsettene ikke overstiger 1,5 m/s2.
3.2 Sporstandard
Ved sporstoppere som festes til skinnene, er det viktig at sporet er i stand til å ta opp langsgående krefter ved sammenstøt. Det stilles følgende krav til sporkonstruksjonen:
- Skinneprofil skal være 49E1 eller større.
- Det tillates ingen sveiste eller laskede skjøter i sporstopperens glidestrekning.
- Sporet skal være helsveist i min. 40 m eller mot nærmeste sporveksel foran sporstopperen.
- Befestigelsen skal være av fjærende type.
- Det tillates ingen isolerte skjøter nærmere enn 2 m fra sporstopperen.
Ved dimensjonerende togvekt over 200 tonn skal sporet forsterkes med 2 skinnestrenger som festes innenfor kjøreskinnene. Skinnene festes med svilleskruer til tresviller eller med Pandrol-fjærer til brusviller av betong. Sporet skal forsterkes i hele sporstopperens glidestrekning samt min. 2 m foran sporstopperen.
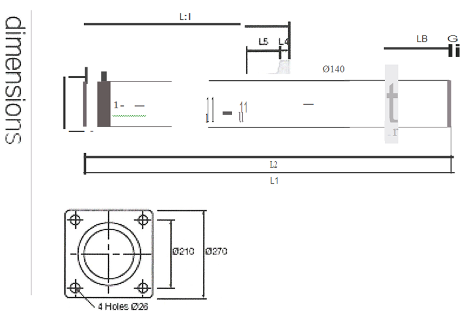
4 Resultater
l dette kapitelet vil vi fremvise resultater, utregning og problemløsning. Vi har foretatt generelle utregninger på sporstopper samtidig som vi har gått inn på konsise emner innenfor dette. Vi ønsket å bruke noen stasjoner som eksempler, når vi skulle lage utregninger. Bakgrunnen for det, var at det er lettere å danne seg et godt bilde, hvis man har faste holdepunkter.
4.1 Dimensjonering av sporstopper
Som oftest har sporstopperne blitt dimensjonert på en risikoanalytisk metodikk, der de er dimensjonert for de mest sannsynlige hendelser, og ekskluderte hendelser med lav sannsynlighet. Vi tenkte å være føre var, enn etter snar, og har også tatt med noen eksempler som er lite sannsynlige, men som har en høy risiko.
Sporstopperne skal dimensjoneres slik at støtet blir elastisk, så vi fokuserer mest på glidbare sporstoppere. Bremselengden og gjennomsnittlig motkraft er det som bidrar til å stoppe toget. Her går vi også ut ifra at sporstopperen ikke ødelegges ved sammenstøt når kreftene blir store.
Vi bruker dimensjoneringskravene fra regelverket som vi har skrevet om tidligere. De vi trenger å ta med her er som følgende:
- Dimensjonerende hastighet er maks fart et tog kan ha på det gjeldende spor.
- Maks støtkraft er 1500 kNm.
- Maks akselerasjon er 10 m/s2.
- Dimensjonerende togvekt er det største toget som kjører på gjeldende spor.
Fra her av vil det bli noen forkortelser:
- v = hastighet
- a = akselerasjon
- s = strekning
- F = kraft
- m = masse
- va = starthastighet
- v1 = slutthastighet
- E = bevegelsesenergi
Ved eventuelt sammenstøt mellom tog og sporstopper vil bufferne fremst på toget og bufferne på sporstopperen ta opp noen av kreftene.
Antar bruk av buffer OLEO Type 9:
Forskyvningslengde buffer: 400mm
Energiopptak buffer i tog: 150 kNm
Energiopptak buffer i stopper: (2x225) 450 kNm
Energiopptak i buffere tog og sporbuffere = 600 kNm
Vi kunne valgt en buffer som tar mer krefter, som for eksempel OLEO Type 24 eller Type 700, men vi vet ikke om de er i bruk i Norge den dag i dag. Vi valgte denne bufferen fordi vi vet det er den typen som ble brukt i Veritas Rapport (Veritas, 1997, vedlegg A).

4.1.1 Rullende tog 5 km/t
l et vanlig tilfelle vil toget som regel ikke overstige 5 km/t, så vi skal først se på det scenarioet.
Toghastighet: (5:3,6) 1,40 m/s
Massen av tog: 400 000 kg
Bevegelsesenergi til tog (Ek=0,5*m*v2) = 392 kNm
Restenergi som må tas av sporstopper = 392–600kNm < 0 kNm
Her ser vi at bufferne tar opp all bevegelsesenergi, altså trenger vi ingen bremselengde som tar resten av energien. Akselerasjonskravet blir tilfredsstilt ved at bufferne presses inn 400 mm.
4.1.2 Ikke glidbar sporstopper
Her bruker vi en fast sporstopper fra Rawie, som finner sted i Audi, Tyskland. Denne har to hydrauliske buffere som kan forskyve seg til maks 400 mm.

Den har en nominell bremsekraft på 1560 kN. Vi skal da finne maks fart et 400 tonns tog kan ha uten å få skader på passasjerer eller materiell. Energiopptak buffer i tog setter vi fortsatt lik 150 kNm.
Utregningen blir som følgende:
(Ek=0,5*m*v2)
Ek-(1560-150)kNm = 0 kNm
Ek = 1560-150 kNm = 1710 kNm
gir:
Nå skal vi se om vi holder oss innenfor akselerasjonskravet på 10m/s2 .
21,0 m/s2 > 10,0 m/s2
Dette gir for høy akselerasjon i forhold til kravet. Så det går ikke å kollidere med sporstopperen i 10,5 km/tuten å få skader på personer. Vi må da finne farten som gir en akselerasjon på 10 m/s2.
- a = 10 m/s2
- s = 0,4 m
- t = s/v
- a = v/t
Her har vi et ligningssett med to ukjente, og vi løser det på vanlig måte.
- Formel 1: a=v/t = 10 m/s2
- Formel 2: s=t*v=0,4 m
Da kan vi snu den andre formelen t =0,4 m/v, og sette verdien for t i den første.
7,2 km/t er altså den høyeste farten et tog kan ha uten å skade personell, når vi bruker den faste sporstopperen fra Rawie (RAWIE, 2012a).
Bevegelsesenergien til toget blir nå: Ek = 0,5*400 000 kg*(2m/s)2 = 800 kNm
Energi som tas opp av buffer tog og stopper: 1710 kNm
Restenergi: 800-1710 >O kNm
Da har den klart retardasjonskravet på 10 m/s2, og maksimum motkraft på 1500 kN.
4.1.3 Godstog 15 km/t
Et fullastet godstog kan veie opptil 1200 tonn. Nå skal vi dimensjonere en sporstopper til å stoppe et rullende godstog med fart 15 km/t. Vi bruker nå en sporstopper med buffertype OLEO 700 (OLEO, 2012, vedlegg C).
Energiopptak buffer OLEO Type 700: 1344 kNm
Energiopptak buffer tog: + 150 kNm
Samlet energiopptak: = 1494 kNm
Ek=0,5*m*v2
Bevegelsesenergi tog:
Restenergi etter bufferopptak: 10416-1494kNm = 8922kNm
Den bremses opp 1500 kNm av sporstopperen på en meter strekning, før tilleggskinnene inntrer.
Energi etter 1 meter:
Bremselengde etter tilleggsskinner:
Sum bremselengde = 3,71m + 1,0m = 4,71m
4.1.4 Løpsk tog 127 km/t
Skal vi dimensjonere for verste tilfelle, antar at vi et fall på 100 m inn til stasjonen, da kan toget komme opp i 127 km/t. Vi dimensjonerer for et vanlig persontog, dette veier opp mot 450 tonn.
Toghastighet: (127 km/t: 3,6): 35,3 m/s
Massen av tog: 450 000 kg
Bevegelsesenergi til tog ( Ek=0,5*m*v2 ): 280 000 kNm
Ved så stor bevegelsesenergi kan vi se bort fra energiopptak av buffere ettersom det er en liten brøkdel av hele energien.
Maks motkraft fra sporstopper settes lik 1500 kNm, for å unngå materielle skader.
Forskyvningslengde av sporstopper (280 000/1500) = 187m
l et slikt tilfelle blir bremsestrekningen veldig lang. Vi antar at stoppbukken har muligheter til å etablere tilleggsfriksjon med ekstra skinner mellom hovedskinnene. Tilleggsskinnene må kunne gli mot underlaget og samtidig holdes på plass i horisontalplanet ved befestigelse. Ekstraskinnene glir bortover til det treffer et mothold. Dette gjør at reaksjonskraften holder seg innenfor 1500 kN, og at den blir konstant en del av veien. Det antas bremsevei på 2,0 m før tilleggsskinnene opptrer.
Energi ved støt: 280 000 kNm
Motkraft: 1500 kNm
Bremsevei: 2,0 m
For å finne retardasjonsakselerasjon, snur vi på Newtons andre lov, F = m*a
a=F/m = 150^0*103 N/450*103 = 3,33 m/s2
3,33 m/s2 er mindre enn maks tillatte akselerasjon på 10,0 m/s2
Hastighet ved sammenstøt: v =35,3 m/s
Vi bruker følgende formel for beregning.
Dette gir:
v12=1232 m2/s2 v1=35,2 m/s
Restenergi etter 2,0 m blir da:
Ek=0,5*m*v2=0,5*450*103kg*(35,1m/s)2 = 277202 kNm
Etter bremseveien på 2 m settes hjelpeskinnene i bruk og motkraften øker til 2000 kNm.
Resterende bremsevei blir:
- Samlet bremsevei: 138 m + 2 m = 140
- Differansen med og uten hjelpeskinner: 187m–140m = 47 m
Denne strekningen kan også bli vanskelig å få til ved de aller fleste endestasjoner, så ved å øke motkraften etter støt, ved for eksempel bremseklosser som tar mer og mer krefter, kan vi få redusert bremseveien.
Etter samtale med vår veileder har vi funnet ut at vi kan sette maks motstand til 4500 kN, for et 450 tonns tog. Mens maks støtkraft er på 1500 kNm, kan vi øke motkraften opp til 4500 kN etter støtet. 4500 kN er grensa ettersom da blir akselerasjonen 10 m/s2. Dette er mulig da vi kan bruke friksjonsklosser, som tar mer og mer krefter etter hvor mange som virker inn.

Hvis leddene på bildet over blir stivere og stivere, vil den kunne ta mer og mer krefter. Det er uklart hvor lett dette vil bli i praksis, da det ikke er lett å dimensjonere bremseklosser til å ta så store krefter.
Da antar vi at friksjonskreftene grunnet bremseklossene øker med 500 kNm per 0,75 meter, opp til maks reaksjonskraft på 4500 kN.
- S= sum bremselengde i meter
- m= massen til toget i tonn
- V= starthastighet km/t
- v= hastighet m/s
- E= bevegelsesenergi kNm
- Eb= opptakskrefter i buffer kNm
- F= motkraft kN
- s= lengde mellom bremseklossene i meter
- Er= restenergi etter hver bremsekloss kNm
- E=0,5*m*v2
- Er=E-Eb-(F*s)

Tabell 1: Nødvendig bremsevei for å stoppe toget, regnet ut ved hjelp av Excel ark (vedlegg 0)
| s | m | V | v | E | Eb | E-Eb | F | s | Er |
|---|---|---|---|---|---|---|---|---|---|
| 0 | 450 | 127 | 35,278 | 280017600 | 600 | 279417 | 1500 | 1 | 277917 |
| 1 | 450 | 35,145 | 277917 | 0 | 277917 | 2000 | 0,75 | 276417 | |
| 1,75 | 450 | 35,050 | 276417 | 0 | 276417 | 2500 | 0,75 | 274542 | |
| 2,5 | 450 | 34,931 | 274542 | 0 | 274542 | 3000 | 0,75 | 272292 | |
| 3,25 | 450 | 34,788 | 272292 | 0 | 272292 | 3500 | 0,75 | 269667 | |
| 4 | 450 | 34,620 | 269667 | 0 | 269667 | 4000 | 0,75 | 266667 | |
| 4,75 | 450 | 34,427 | 266667 | 0 | 266667 | 4500 | 0,75 | 263292 | |
| 59,50 | 450 | 9,497 | 20292 | 0 | 20292 | 4500 | 0,75 | 16917 | |
| 60,25 | 450 | 8,671 | 16917 | 0 | 16917 | 4500 | 0,75 | 13542 | |
| 61,00 | 450 | 7,758 | 13542 | 0 | 13542 | 4500 | 0,75 | 10167 | |
| 61,75 | 450 | 6,722 | 10167 | 0 | 10167 | 4500 | 0,75 | 6792 | |
| 62,5 | 450 | 5,494 | 6792 | 0 | 6792 | 4500 | 0,75 | 3417 | |
| 63,25 | 450 | 3,897 | 3417 | 0 | 3417 | 4500 | 0,75 | 42 | |
| 64,00 | 450 | 0,434 | 42 | 0 | 42 | 4500 | 0,75 | –3333 |
Klarer vi dette i praksis, vil bremselengden for et løpsk tog på 450 tonn som kjører i 127 km/t, bli redusert ned til underkant av 64 m.
Grafen over viser toget med en startfart på 127 km/t, der farten avtar etter jo flere bremseklosser som kommer inn i spill. Man ser at farten avtar mye fortere på slutten enn den gjør på starten, akkurat som en invers eksponentiell graf.
4.1.5 Hastigheter og bremselengder
For å gjøre det hele mer oversiktlig kommer nå to tabeller som viser økende hastigheter og den tilsvarende bremseveien man trenger for å stoppe toget. En tabell for persontog og en tabell for godstog. Sporstopperen for persontog bruker buffer OLEO type 9, mens for det tunge godstoget har vi brukt OLEO type 700.
Tabell 2: Bremselengdene ved forskjellige hastigheter for et persontog med vekt lik 450 tonn. Tall hentet fra vedlegg D
| Hastighet (km/t) | Vekt (tonn) | Energi (kNm) | Kraft buffer (kNm) | Kraft start (kN) | Ekstra kraft (kN) | Bremselengde (m) | Kommentar |
|---|---|---|---|---|---|---|---|
| 5 | 450 | 434 | 600 | 1500 | 500 | 0 | Q19 type 9 |
| 10 | 450 | 1736 | 600 | 1500 | 500 | 0 | " |
| 15 | 450 | 3966 | 600 | 1500 | 500 | 1,9 | " |
| 20 | 450 | 6944 | 600 | 1500 | 500 | 3,4 | " |
| 25 | 450 | 10850 | 600 | 1500 | 500 | 5,37 | " |
| 30 | 450 | 15625 | 600 | 1500 | 500 | 7,76 | " |
| 40 | 450 | 27777 | 600 | 1500 | 500 | 13,84 | " |
| 50 | 450 | 43402 | 600 | 1500 | 500 | 21,65 | " |
| 60 | 450 | 62500 | 600 | 1500 | 500 | 31,20 | |
| 70 | 450 | 85069 | 600 | 1500 | 500 | 42,49 | " |
| 80 | 450 | 111111 | 600 | 1500 | 500 | 55,51 | " |
| 90 | 450 | 140625 | 600 | 1500 | 500 | 70,26 | |
| 100 | 450 | 173611 | 600 | 1500 | 500 | 86,76 | " |
| 120 | 450 | 250000 | 600 | 1500 | 500 | 124,95 | " |
| 130 | 450 | 293402 | 600 | 1500 | 500 | 146,65 | " |
Tabell 3: Bremselengden et godstog trenger ved forskjellige hastigheter. Tall hentet fra vedlegg O.
| Hastighet (km/t) | Vekt (tonn) | Energi (kNm) | Kraft buffer (kNm) | Kraft start (kN) | Ekstra kraft (kN) | Bremselengde (m) | Kommentar |
|---|---|---|---|---|---|---|---|
| 5 | 1200 | 434 | 1494 | 1500 | 500 | 0 | Q)>ype 700 |
| 10 | 1200 | 1736 | 1494 | 1500 | 500 | 1,82 | " |
| 15 | 1200 | 3906 | 1494 | 1500 | 500 | 4,71 | " |
| 20 | 1200 | 6944 | 1494 | 1500 | 500 | 8,76 | |
| 25 | 1200 | 10850 | 1494 | 1500 | 500 | 13,97 | " |
| 30 | 1200 | 15625 | 1494 | 1500 | 500 | 20,34 | |
| 40 | 1200 | 27777 | 1494 | 1500 | 500 | 36,54 | " |
| 50 | 1200 | 43402 | 1494 | 1500 | 500 | 57,37 | " |
| 60 | 1200 | 62500 | 1494 | 1500 | 500 | 82,84 | |
| 70 | 1200 | 85069 | 1494 | 1500 | 500 | 112,93 | " |
| 80 | 1200 | 111111 | 1494 | 1500 | 500 | 147,65 | " |
Man ser fra de to forrige tabellene at hastigheten har mer å si enn tyngden til toget. Et godstog i 80 km/t, har cirka like stor bremsevei som et persontog i 130 km/t. Dette kommer av at i formlene, er hastigheten opphøyd i andre og tyngden er ikke det. Dette kan man også få øye på når man ser forandringen i bremsevei fra 10 km/t til 20 km/t, og sammenligner med den tilsvarende bremseveien for 70 km/t til 80 km/t.
4.2 Dimensjonering av sporstopper på Dalene stasjon
l dette kapittelet tar vi for oss skiftespor på Dalane stasjon og problematikken rundt sporstoppere. l motsetning til vanlig togspor holder det å dimensjonere sporstoppere etter en maksimal hastighet på 10 km/t. Dette er fordi hastighetene på skiftespor er lavere.
l forbindelse med ulykkene på Dalane Stasjonen 23.1.2008 (SHT, 2009) og 31.1.2010 (SHT, 2010a). Det har også skjedd tilsvarende ulykker på samme sted, to ganger tidligere i 2000 og i 2001. Bakgrunnen for disse ulykkene er at Dalane stasjon har gått fra å være betjent til ubetjent i slutten av 90-tallet. Dette har medført noen problemer rundt utkjøringssignal, på spor 3 og 4.
Ved hjelp av kalkulert gjetning vil vi si at sporstoppere som er på bildet under ikke har noen som helst mulighet til å stoppe et tog på 1200 tonn som kjører i 10 km/t. l alle ovennevnte ulykker har toget kjørt over oppsatt sporstopper og fortsatt ferden videre mot riksveien som går på venstre side. Dermed er denne ikke dimensjonert i henhold til teknisk regelverk (Jernbaneverket, 2012).


Som man ser på figur 19 er plassen der man kan sette inn en sporstopper begrenset og dermed vil valget rundt dette være enkelt. Man må sette inn en sporstopper med hydrauliske buffere, denne kan være fast eller glidende.
Fra regelverket hentet vi disse parametrene:
- Dimensjonerende hastighet 10 km/t
- Dimensjonerende togvekt 450 tonn
- Maks reaksjonskraft 1500 kN
- Maks akselerasjon 10 m/s
Vi har tatt utgangspunkt i sporstoppere som er godkjent av jernbaneverket. l dette eksempelet har vi tatt for oss Vossloh Nordic Switch Systems AB sin modell 82. Det fordi denne typen står på Kristiansand stasjon (cogifer, 2008, vedlegg E).
4.2.1 Persontog
- Buffer Tog =150kNm
- Buffer OLEO type9 = 450kNm
- Sum = 600kNm
- 1736–600 kNm = 1136kNm
- Motkraft 1500 kN
Bremselengde:
Akselerasjon:
Stoppetid:
4.2.2 Godstog
Vi gjør de samme beregningene, men bytter vekten til 1200 tonn. Det er dimensjonert vekt for et godstog. l dette tilfellet på Åsane er det godstrafikk i begge retninger, så det er naturlig at det skal dimensjoneres for godstog.
Buffer Tog = 150kNm
Buffer OLEO type9 = 450kNm
4629–600 = 4029kNm
- Buffer Tog = 150kNm
- Buffer OLEO type9 = 450 kNm
- Fb = 600 kNm
Bremselengde:
Akselerasjon:
Stoppetid:
I dette tilfellet er det ikke plass til 2,6 meter bak sporstopperen. Et alternativ er å sette stopperen nærmere stasjonen, som fører til at det er plass til den glidningen som vil skje etter en kollisjon.
Det går også an å sette inn tilleggskinner for å øke motkraften. Disse settes inn etter l meter og motkraften økes da til 2000 kN istedenfor 1500 kN. Dermed vil bremselengden minke, og det vil bli mer plass.
Vi bruker samme tall som i punktet ovenfor. Her har vi 1 meter bremsevei:
Bremselengde
Sum bremselengde blir derfor 2,25 meter, som er 34 cm mindre enn sporstopper uten tilleggsskinner.