Enkel innføring i boggikonstruksjon
Publisert: 28. januar 2015
Oppdatert: 4. februar 2025
1 Jernbanens tekniske system
Læreboken ble opprinnelig skrevet av Hallstein Gåsemyr, JBV Teknologi til faget «Enkel innføring i boggikonstruksjon» ved NTNU.
For framføring av det rullende materiell på skinnebundet spor er det en rekke aspekter som må bli tatt hensyn til og respekteres. Ulike uønskede hendelser som har funnet sted, belyser dette:
- Sideforskyvning av spor på grunn av traksjon (og kanskje bremsing).
- Brudd på fjærer i befestigelse for skinner på sviller ved høyfrekvente bevegelser.
- Avsporing av lett lastet godsvogn i overgangskurve i lav hastighet.
- Akselbrudd på motorvogn under førerkabin i Signatur krengetog.
- Velting av vogner (gods) og tog (STADLER FLIRT).
- Instabilitet av motorvognsett ved framføring i moderate hastigheter.
Årsakssammenhenger er kartlagt for alle hendelsene bortsatt for den siste hvor undersøkelser pågår.
Men det har også skjedd positive aspekter:
- Utvikling av optimalt hjulprofil for Flytogene hvor riktig tilpasset ekvivalent konisitet er utviklet.
Det eksisterer et omfangsrikt regime av standarder/normer i CEN og UIC for konstruksjon, bygging og vedlikehold av rullende av rullende materiell og spor med komponenter:
- Vognkasser
- Boggirammer
- Hjulsats (EN 13103, EN 13104)
- Hjul
- Forbindelseselementer i rullende materiell
- Hjul/skinne kontakt
- Sporgeometri og sporkvalitet (EN 13803 serie og EN 13848 serie)
- Skinner
- Befestigelser
- Sviller
- Ballast
Overordnet er at materiellet skal framføres på et spor med anerkjent sporgeometri. Normalt finnes tre sporgeometriske elementer som er den rette linje, overgangskurve i form av klotoide eller tredje grads parabel og endelig sirkelkurve. Det eksisterer overgangskurver som i matematisk henseende er mer kompliserte.
Det rullende materiell består av flere hovedkomponenter. Disse er hjulaksel med hjul som er påkrympet hjulakselen. Videre finnes boggiramme og vognkasse. Et regime av standarder gir føringer for statisk dimensjonering og beregning av hovedkomponentene til vognmateriellet under dynamisk innflytelse. Hver av komponentene er et bygningsstatisk system. I tillegg må det tas hensyn til vertikal- og lateraldynamikk hvor anvendelse av differensialligninger for beskrivelse av bevegelsene til komponentene er nødvendig. Det blir vurdert tilstander av frie og påtvungne svingninger. Dette er nødvendig da komponentene utsettes for frekvensbevegelser. Det må tas hensyn til opptreden av elastiske vognkasser hvor ulike former for deformasjoner inntreffer. Materiellet har flere resonansfrekvenser.
Videre er det av betydning å sikre god løpedynamikk og stabilt løp horisontalt i samvirke med sporet.
I ovennevnte aspekter kan de anvendte algoritmer bli meget betydelige og omfangsrike.
Men også kvasistatiske forhold i forbindelse med framføring av materiell i lavere hastigheter i for eksempel overgangskurver er av betydning i den forstand at avsporing skal forhindres.
Kontaktmekanikken i hjul/skinne er meget viktig. Aspektet beror på at det opptrer meget høye spenninger i kontaktflaten.
Riktig sporkonstruksjon er av betydning. Sporet har hovedkomponentene skinne, befestigelse med mellomleggsplate mellom skinne og sville, sville og ballast. Eventuelt kan også svillematter og ballastmatter i gummi benyttes. Sporkonstruksjonen vil også utsettes for deformasjoner vertikalt og horisontalt når det rullende materiell framføres. Sporet reagerer med amplitudebevegelser samt tilhørende akselerasjoner. Sporet har minst en resonansfrekvens; som oftest flere.
Komponentene kan ha feil som gir økte belastninger. Eksempelvis vil ikke runde hjul (polygonale hjul) og rifler og bølger på skinnehodet føre til store tilleggsbelastninger. Et annet aspekt er knyttet til differanse i hjuldiameter for hjulene på en hjulaksel. Det hersker på dette område strenge toleransegrenser. For store avvik vil føre til betydelig større belastning på komponentene.
Videre er det begrensninger på konstruksjons- og lasteprofilet til materiellet som må være tilpasset frittromsprofilet.
Det kreves overvåkingssystemer av ulik karakter i forbindelse med samvirke rullende materiell/spor.
En vogn utfører ultralydkontroll på skinnene for å avdekke tendenser til sprekkdannelser i det indre av skinneprofilet. Det er av betydning å avdekke slike feil før deler eller biter løsner fra skinneprofilet.

Måling av sporets kvalitet med målevogn er meget viktig. Men likeså viktig som selve målingen er også den matematiske evalueringsmetodikk basert på måleresultatene som anvendes for beskrivelse av sporets kvalitet. Det er utviklet en rekke metoder. Den enkleste metoden består i å beregne standardavvik for de isolerte feil vertikalt og horisontalt over en bestemt lengde av sporet med utgangspunkt i de såkalte glidende middelverdier. Metoden er mye benyttet hos infrastrukturforvaltningene, men er til liten nytte for beregning av det rullende materiells reaksjoner ved framføring i spor med sporfeil. Den beste metoden på dette området er å benytte såkalte tetthetsspektre (PSD metode = Power Spectral Denisity).
I sammenheng med ovennevnte aspekt er også registrering av riflenes og bølgenes lengde på skinnehodet nødvendig.
Det må også gjennomføres kontroll av tilgjengelig frittromsprofil for å sikre nok plass til togenes last- og konstruksjonsprofil.
Et annet overvåkingssystem er å finne i metoder for måling av sporkrefter i instrumentert målehjulsats i en boggi samt akselerasjoner med amplitudebevegelser for vognmateriellets hovedkomponenter. Det er i særlig grad de vertikale krefter og horisontale føringskrefter som er i fokus. Men også langsgående krypkrefter er av interesse. Den ekvivalente konisitet er også av betydning. Utførlig detaljert beskrivelse finnes i EN 14363. Det er også mulig å installere utstyr i skinnegangen. Systemet ARGOS har omfattende utstyr til å måle flere sensitive påkjenninger.
Algoritmene for beregning av det rullende materiells og sporets dynamikk kan bli meget omfattende. Det eksisterer computeralgebrasystemer som benyttes for beregning av dynamiske bevegelser til komponenter på det rullende materiell både vertikalt og lateralt. Videre kartlegges tilhørende resonansfrekvenser. Likeledes kan sporets dynamiske bevegelser beregnes. Slike programmer er MATLAB, Maple og Mathematica med flere.
Omfattende simuleringsprogrammer med store algoritmesystemer (underprogrammer bestående av computeralgebrasystemer) er blitt utviklet i de senere år for anvendelse av beregninger av dimensjonerende parametere knyttet til det rullende materiell. Programmene håndterer systemer med flere frihetsgrader og har omfattende strukturer. Programmene som leveres, er bl. annet GENSYS, SIMPACK, VAMPIRE, MEDYNA med flere.
Fysikkens lover gjelder. De viktigste lovene er Newtons 2. lov om at kraft er masse ganger akselerasjon og likeledes Newtons 3. lov om at aksjon er lik reaksjon. Lovene benyttes for oppsetting av differensialligninger for bevegelsene til komponenter på det rullende materiell og til dels også relatert til avanserte beregninger knyttet til spordynamikk. Andre lover har utgangspunkt i friksjon.
Det er nødvendig med anvendelse av matematikk hvor fysikkens lover implementeres i differensialligningene for beskrivelse av bevegelsene til komponenter i vognmateriell og spor.
I algebra benyttes ligninger av 2. grad og høyere grader. For eksempel benyttes 4. grads ligning i forbindelse med vurderinger av lateral stabilitet til materiellet.
Bevegelsene til hovedkomponentene for rullende materiell og også sporet fører til differensialligninger av annen orden på grunn av massenes akselerasjonsbevegelser. Det legges til grunn harmoniske svingninger og dette forholdet fører til løsningshypotese med anvendelse av det naturlige tallet e i kombinasjon med det imaginære tallet i = √-1.
For å oppnå best mulig oversikt over systemene benyttes i stor grad oppsett av matrisealgebra.
Universalligningen i forbindelse med oppsetting av differensialligningene for bevegelsene som gjelder for rullende materiell og for sporet, kan uttrykkes ved:
Termen M er en matrise og representerer massene i et dynamisk system. Et enkelt system med en frihetsgrad vil bare ha en masse. Jo flere masser det er ønskelig å ta med i systemet, jo større blir matrisen og jo flere komponenter finnes i akselerasjonsbevegelsene ẍ. Dette har sammenheng med at hver masse blir tilordnet en akselerasjon.
Termen C blir også en matrise som definerer en eller flere dempere i det samme systemet. Dermed beskrives også de ulike demperhastighetene ved ẋ.
K beskriver ulike stivheter som er tilordnet de ulike massene i fjærsystemene. Dermed er x fjærveiene.
F er en matrise som tilordnes de uregelmessigheter og ujevnheter som finnes i grensesnittet for systemet ved bevegelse mot et annet system; som for eksempel når hjulsatsen beveger på et spor med sporfeil. F blir dermed opphav til påtvungne bevegelser til de enkelte komponenter. Forholdet har sammenheng med at demperne ikke klarer å filtrere bort alle bevegelsene.
Løsningshypotesen er alltid harmoniske svingninger:
Her representerer Ω vinkelfrekvensen for den påtvungne bevegelse uttrykt ved
Den 1. deriverte gir imaginær demperbevegelse; mens den andre deriverte gir reell akselerasjonsbevegelse.
Strukturene gir dermed matematisk komplekse løsninger som kjennetegner visse typer imaginære reaksjoner og som må tilbakeføres til reelle reaksjoner.
Numerisk matematikk er ofte nødvendig å ta i bruk.
I sammenheng med bruk av computeralgebrasystemer for dimensjonering av bevegelsene til systemene er anvendelse av såkalte overføringsfunksjoner av stor betydning.
Overføringsfunksjonene benyttes i:
- Rullende materiells dynamikk
- Hjul/skinne kontakt mekanikk
- Spordynamikk
- Evaluering av sporets kvalitet i forbindelse med målevognkjøring



Overføringsfunksjonene beskriver sammenhengen mellom en parameter som injiserer en bevegelse og selve bevegelsen. Funksjonene tar utgangspunkt i opptredende variasjoner i frekvenser og vil som regel ha en meget omfangsrik matematisk struktur. Algoritmene i funksjonene blir om så mer omfattende jo flere frihetsgrader et flerdimensjonalt system har. Eksempelvis vil en vertikal irregularitet i sporet forårsake en akselerasjonsbevegelse i vognkasse. I figur b er vist et endimensjonalt system med 2 frihetsgrader.
I figur c er gitt overføringsfunksjonen for akselerasjonsforsterkningen ẑk i vognkasse i forhold til den vertikale bevegelse zp til hjulet som funksjon av hastighetsavhengige frekvenser i framføring av materiellet relatert til bølgelengde til den vertikale sporfeil.
Abscissen i figur c inneholder vinkelfrekvens i rad/s som er en hastighetsavhengig funksjon for bølgelengde av sporfeil. Ordinaten er gitt ved uttrykket |Hz pẑ k| . Bokstaven H indikerer at det dreier seg om en overføringsfunksjon; zp beskriver den vertikale bevegelse til hjulet som er forutsatt å være lik sporfeilen; ẑk er akselerasjonsbevegelsen til vognkasse. Det opptrer 2 resonansfrekvenser; en frekvens ved en vinkelfrekvens på ca. 7 rad/s og en annen frekvens ved en vinkelfrekvens på ca. 70 rad/s. Dersom den vertikale sporfeil er 5 mm, vil akselerasjonen være ca. 120 x 5 = 600 mm/s2 eller ca. 0,60 m/s2. Det er ikke særlig mye.
Det er selvfølgelig også mulig å beregne vognkassens vertikale bevegelse.
De samme parametere kan også beregnes for boggi.
For sporet framstiller figur d en endimensjonal modell med 2 frihetsgrader. Massene i systemet er skinne og sville. Opphengene med fjær- og demperegenskaper illustreres ved mellomlegget i gummi mellom skinne og sville samt ballastsengen med medvirkning fra undergrunnen. Før sporkreftene tas i betraktning, må det dynamiske ballastsifferet beregnes. I en slik modell er svilleavstand og svilletype av betydning da svillen representerer en diskontinuitet i sporet.
Resultatet av modelleringen er vist i figur e. Det er den såkalte reseptans i dimensjon (m/N) som framstilles som funksjon av frekvensen av materiellet for passering av diskontinuiteter i sporet og ujevnheter i skinnene.
Det er tydelig at det framkommer 2 typiske resonansfrekvenser. Den første frekvensen inntreffer ved ca. 120 Hz og den andre ved ca. 550–600 Hz. Ved den første resonansen svinger skinne og sville i fase og ved den andre høyere resonansen svinger komponentene i motfase.
I forbindelse med anvendelse av tetthetsspektre for vurdering av materiellets egenskaper ved framføring på skinnebundet spor med sporfeil er det nødvendig å ty til Fourier rekker.
I forbindelse med filterteknikk hvor signaler med definerte egenskaper i måleteknikken skal anvendes til evalueringsformål, kreves matematikk som behandler filterteori.
Endelig benyttes også statistiske metoder for vurdering av ulike aspekter knyttet til gjennomføring av sporkraftmålinger.


For å unngå uønskede fenomen relatert til egenfrekvenser settes det krav til stivheten til en vognkasse. En for slank, dvs. lang vognkasse kan lett komme i vibrasjoner. Om vognkassen utsettes for svingninger med samme eller nesten samme frekvens som dens egenfrekvens, vil det oppstå egensvingninger. Figur f gir 4 eksempler på tilstand av egensvingninger for en vognkasse.
2 Generelt
I bildene på de to neste sidene er en moderne løpeboggi med tekniske grunndata og beskrivelse for passasjertrafikk vist (bilde og designtegning).
De fleste komponenter i et rullende materiell som i særlig grad kan være boggiramme, hjulsett og hjul, blir utsatt for varierende dynamiske belastninger ved framføring på skinnebundet spor. Disse dynamiske belastningene kommer i tillegg til laster for egenvekt og last. Dynamiske belastninger kan føre til tretthetsbrudd dersom de ikke tas tilstrekkelig hensyn til.
Rullende materiell og komponenter til materiellet legges ut for en relativ lang levetid; det tas sikte på levetider på over 30 år. Det kan derfor være vanskelig å forutsi framtidige belastningsmønstre ved utleggingen av materiellet; dvs. på konstruksjonsstadiet å fastsette riktig belastning. Belastningene vil være avhengige av flere faktorer. Opplysninger mht. sporfeil, en prosentuell framstilling av hastighetsnivå og av størrelsen på kurveradier samt hyppighet av isolerte feil i sporet lateralt og vertikalt er av betydning. Ikke minst vil også passering av sporveksler være av interesse. Hele prosessen må ende opp i et såkalt belastningskollektiv.
En boggi har mange funksjoner. De viktigste oppgavene er å sørge for at vognkassen (i passasjertrafikk) kan framføres på skinnebundet spor med så gode komfortegenskaper som mulig og at bremsing og eventuelt traksjon (motorvognsett) kan foregå som forutsatt.
I komfortmessig henseende er det viktig at boggisystemet effektivt hindrer at støy, vibrasjoner og uønskede bevegelser (for eksempel rykkbevegelser) føres opp i vognkassen. Hjulsatsene må derfor i utgangspunktet få anledning til å oppføre seg mest mulig elastisk med bevegelsesmuligheter i 3 retninger (longitudinelt, lateralt og vertikalt). Dette gjelder for bevegelser som skyldes sporfeil vertikalt og horisontalt og for hjulsatsens mulighet til å innstille seg radielt i sirkelkurvene. Hjulsatsene er derfor forbundet med boggirammen ved fjærer (primærfjærer) i alle 3 bevegelsesretninger. Primærfjærer er de første fjæringssystemene målt fra sporet. Mellom boggiramme og vognkasse finnes sekundærfjærsystemene.
Selve konstruksjonen av primærfjæren blir et kompromiss med andre faktorer som må vektlegges. Boggiene skal ha tilfredsstillende løpestabilitet under alle forekommende forhold. Blant annet bør de ikke slenge sideveis eller i minst mulig grad påføres rykkbevegelser. Disse forholdene betyr i grove trekk at primærfjærene ikke kan gjøres så myke som ønskelig og at bevegelsesmulighetene ikke kan bli for store.
For å oppnå tilstrekkelig behagelig komfort i selve vognen hviler vognkassen på et nytt sett med fjærer som på en eller annen måte er opplagret på boggirammen. Denne fjæringen kalles sekundærfjæringen fordi den i systemet er det andre fjæringsleddet sett fra sporet.
Dersom fjærsystemenes parametre (fjærstivheter, demperkonstanter og fjærveier) er riktig valgt, vil vognen få utmerkede løpeegenskaper.
Lyd og andre former for høyfrekvente vibrasjoner skal ikke forekomme i store mengder fra en god boggikonstruksjon. Det er mulig å oppnå stor effekt i så henseende ved å bruke gummiforinger og gummimellomlegg i alle kontaktflater på veien mellom hjulsats og vognkasse. I denne sammenheng må endrede egenskaper til materialet gummi på grunn av aldringen bli tatt hensyn til. Utskiftning av disse komponentene må derfor gjennomføres ved behov.
Figur 1 gir en prinsippskisse av en vogn med hjul og hjulsett i en boggiramme samt vognkasse. Videre er antydet primær- og sekundærfjæringen.

Typiske karakteristikker kan være boggivekt på 7,10 tonn (inklusive bremseskiver), kan framføres i kurveradier ned mot 150 m og har hjul med diameter på 920 mm.
Det kan nevnes noen typiske egenskaper.
For det første er boggiramma formet som en såkalt åpen H – formet ramme i en høysofistikert konstruksjon. De to langsgående bjelkene er forbundet med to tversgående bjelker hvor det er påmontert bremseskiver. Aspektet sikrer meget gode torsjonsegenskaper.
Den sekundære demping består av luftfjærer som er koplet i serie til en nødfjær i gummi. Gummifjæra skal fungere som en nødfjær ved lekkasje i luftfjæren. Dermed opprettholdes komfortaspektet dersom lufta forsvinner i luftfjæren.
Det kan også nevnes at for dempingen, så er det installert hydrauliske dempere.


I det etterfølgende skal de viktigste komponenter og funksjoner kort beskrives.
I figur 4 under er noen viktige komponenter til en moderne boggi anskueliggjort. Komponentene er nummerert.

Viktige komponenter som er vist, er:
- Luftfjærer som vognkassen hviler på
- Boggirammeverk som vanligvis er formet som en åpen H for å oppnå gode torsjonsegenskaper
- Dragstang eller medbringerstang
- Vertikaldemper
- Demper på grunn av nikke- og dukkebevegelser som forekommer i spor med sporfeil/demper for å ta opp sporfeil (nikkebevegelse)
- Dreiehemmer
- Hjulsats med bremseskiver
- Primærfjærer (spiralfjær og gummifjær i kombinasjon)
- Lagerboksdemper
- Skivebrems
- Traksjonsmotor
- Kuggväxel – gir overføring, koppling mellom traksjonsmotor og drivaksel
3 Boggiramme
Boggirammen tjener som fundament for de fleste deler i en boggi. En moderne boggiramme består som regel av to langbjelker med tverrforbindelse (to tverrbjelker). Boggirammen får dermed et åpent H – formet utseende fordi langbjelkene blir tilnærmet splittet.

Opplagring og avfjæring av boggirammen skjer ved at rammens langbjelker hviler på primærfjæringen. Primærfjæringen hviler igjen på lagerboksene til hjulsettene. I ovennevnte konstruksjon hviler primærfjæringen på konsoll som er opplagret på lagerboksen.
Rammene på personvognboggier er som regel en sveiset stålkonstruksjon.
Det er en nødvendighet å gjøre boggirammen så fleksibel som mulig mht. torsjonsegenskapene. Med dette menes at boggirammen skal ha liten torsjonsstivhet. For å oppnå slike egenskaper blir boggirammen bygget som en åpen H, dvs. utførelse med hel tverrbjelke midt på langbjelkene unngås. På ovennevnte boggiramme finnes derimot to tverrforbindelser med konsoller som opplegg for innretninger til skivebremsene (3 stykker på hver tverrforbindelse).
Selv med enkle og også litt stive primærfjærer karakteriseres boggirammen ved:
- Nødvendig fleksibilitet i torsjonsegenskapene som motvirker avlasting i vindskjevt spor, særlig ved utgangen av sirkelkurvene.
- Nødvendig filtrering av vertikale ujevnheter i sporet. Fjærene opptrer i dette tilfellet overkritisk i den forstand at fjærenes egenfrekvens er høyere enn boggienes nikkefrekvenser (nikke) og dukkefrekvenser. Boggienes frekvenser mht. demping blir underkritisk; aspektet innebærer at en tilfeldig amplitudebevegelse dempes gjennom en oscillerende bevegelse.
Det er meget viktig at egenfrekvensene ikke kommer for nær hverandre. Aspektet innebærer at det er nødvendig med korrekt avstemming av fjærkonstanter og demperkonstanter i boggiene og av egenfrekvensene i vognkassen, og at muligheten for å overføre svingninger fra boggi til vognkasse må søkes i forhindret i størst mulig grad.
4 Hjulsatser
En normal hjulsats består av aksling og to hjul. Hjulsatsen er å betrakte som én del da hjulene er påkrympet akselen. Dermed blir det en stiv forbindelse mellom hjulene.


5 Hjul
Det benyttes stort sett bare helhjul, det vil si hjul som er støpt i ett stykke (ikke løse hjulringer). Det vises til figur 8.

Det finnes hjultyper hvor hjulet er delt slik at hjulringen til en viss grad er elastisk lagret i forhold til hjulnavet. Dette medfører at en rekke spesielle gummielementer lagrer hjulringen fleksibelt i forhold til hjulnavet. Konstruksjonen har to fordeler. For det første reduseres støyen og for det andre fører konstruksjonen til redusert hjulslitasje. Eksempel er vist i figur 9.

6 Akselboks
Lagrene er normalt anbrakt på akseltappen ved utvendig lagring.
Det finnes imidlertid materiell med innvendig lagring, det vil si at lagrene er plassert mellom hjulene.
Utvendig lagring betyr et vesentlig enklere vedlikehold fordi det ikke er nødvendig å ta hjulene av akslingen for å få demontert lagrene.
Det benyttes sylindriske og koniske rullelagre. Et rullelager er en maskindel mellom aksling og lagerhus som ved hjelp av ruller opptar belastningen (trykket) og som på grunn av sin lette bevegelighet utøver liten motstand mot roterende bevegelser.
Et konisk rullelager av bestemt type er en komplett lagerenhet med indre ring, ytre ring, ruller, smøring og tettinger som har liten total tykkelse.
Koniske rullelagre benyttes dersom det er nødvendig å ta opp belastning vinkelrett på lageret (radialtrykk) og aksialtrykk.
Utenpå lageret settes en slags kappe som er lagerboksen. Denne kappen beskytter lageret mot blant annet vann og forurensing. Samtidig benyttes lagerboksen som opplegg for eller som forbindelseselement mellom primærfjær og aksling.

7 Fjærer
7.1 Generelt
I et moderne vognmateriell med boggier finnes primær- og sekundærfjærer. Primærfjæringen relateres til boggiramma, mens sekundærfjæringen tar hensyn til vognkasse.
Figur 11 viser ulike typer av fjærer.

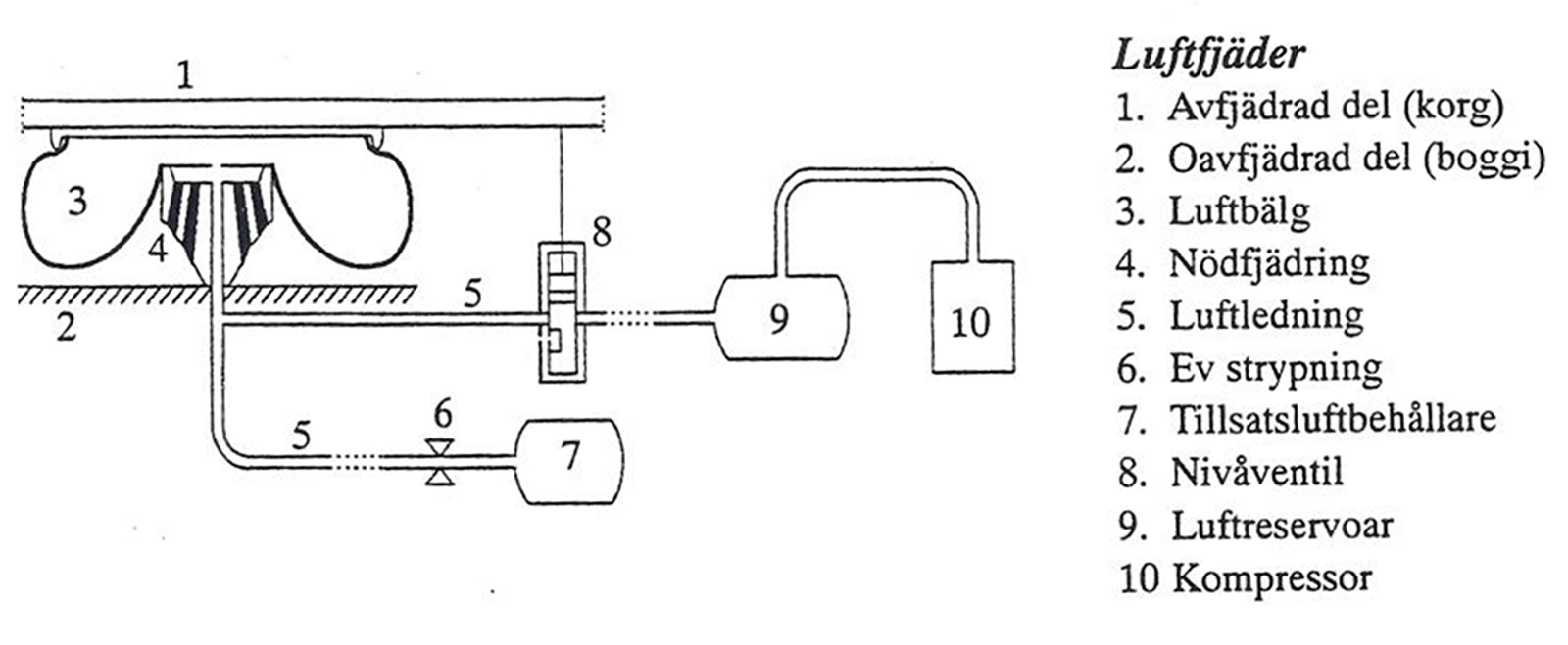
Figurene viser prinsippet for oppbygging av luftfjærer. Betegnelsene 1. og 2. i figur for luftfjærer avgir omrisset ved å beskrive henholdsvis avfjæret vognkasse og uavfjæret boggi. Det er vist luftbelgen (3.) og nødfjæren (4.) som kan være et element i gummi. Som allerede nevnt, opprettholdes for en stor del komforten ved punktering av luftfjæren ved at nødfjæren overtar funksjonene. 8. angir nivåventil relatert til belastning i vognkasse, 9. er luftreservoar og 10. er kompressor.
7.2 Primærfjærer
Primærfjæringens hovedoppgave er å filtrere bort så mye som mulig av akslingenes bevegelser som følge av forskjellige typer sporfeil. På den måten vil vibrasjonene og rystelsene i boggiene reduseres, og som følge av dette vil slitasjen og støynivået i boggiene svekkes. Derved oppnås også en forbedring av komforten i vognkassen.
På boggier med torsjonsstiv boggiramme skal primærfjæringen bidra til å fordele vekten av vogn og boggier mest mulig jevnt på alle hjul og å minimalisere hjulavlastninger i vindskjevt spor.
7.2.1 Primærfjær type 1: Spiralfjærer

Som fjærelement i primærfjæringen har spiralfjærer, dvs. stålfjærer vært mest utbredt. For slike fjærer er fjærkarakteristikken lineær. Stålfjærene er enkle elementer som kan tilpasses et stort spekter av vertikale fjærveier og fjærkonstanter i vertikalretning. I horisontalretningen blir imidlertid karakteristikken både sideveis og longitudinelt lik. Dette forholdet innebærer en viss begrensning i mulighetene for optimal tilpassing.
Bruk av stålfjærer vil nesten uten unntak medføre samtidig behov for støtdemper da den indre dempingen i en stålfjær er liten (den er «spretten») og derfor kommer lett i egenfrekvens. Egenfrekvens kan lett medføre reduksjon i komfort samt økt slitasje og også avsporingsfare.
7.2.2 Primærfjær type 2: Gummifjærer
Gummifjærer er i de senere år blitt mer vanlige i bruk som primærfjærelementer. Ved valg av bestemte gummikvaliteter, geometriske former og innvulkanisering av stålplater, eksisterer det langt bedre muligheter til å konstruere en fjær med ulike karakteristikker i vertikalretning og i horisontalretning samt longitudinelt enn tilfellet er for spiralfjærer. Det må imidlertid påpekes at gummiens kvalitet har vært et usikkerhetsmoment mht. aldring. Ved aldring blir gummien gjerne hard og sprø og gummien kan av den grunn sette seg (miste dempingsegenskapene).
I motsetning til spiralfjærer har gummifjærene stor indre demping og det er derfor sjelden nødvendig med støtdemping.
7.2.3 Primærfjær type 3: Stålsjikt og gummisjikt i kombinasjon

En kombinasjon av stålsjikt og gummisjikt har vist seg å være gunstig. Konstruksjonen medfører at det er mulig å nyttiggjøre seg materialenes egenskaper på gunstig vis.
Fjæren kan bygges opp på mange forskjellige måter som gjør at fjærkonstantene longitudinelt, vertikalt og lateralt kan varieres uavhengig av hverandre innenfor relativt store grenser (dette forholdet har nok størst verdi for primærfjæringen).
Støy og vibrasjoner dempes svært godt.
Men også for disse fjærene er det ulemper.
Vulkingen (sammenbindingen) av gummien til stålplatene kan være vanskelig å få til slik at effekten blir varig. At gummien slipper fra metallet er da også en vedvarende problemstilling.
Gummien har dårlige aldringsegenskaper. Gummien vil over tid forvitre eller sprekke. Dette medfører dårligere fjæregenskaper.
Dårlige gummiblandinger gir utilfredsstillende stabilitet ved endringer i temperaturen. Fjærkonstantene endrer seg med temperaturen.
7.3 Luftfjærer
Så vidt vites benyttes ikke primærfjærer basert på luftfjærer.
7.4 Fjærveier
Hjulsatsenes bevegelser i horisontalplanet begrenses normalt ved anslag eller føringer.
Lateralt ligger fjærveiene fra nær null til ca. 20 mm i bevegelsesmulighet hver vei. Stor fjærvei gir god mulighet til filtrering av sideveis sporfeil.
Longitudinelt kan fjærveien være nær null på stive akselboksføringer, mens en boggi som skal ha tilnærmet radialstyring i kurveradier ned mot 300 m må teoretisk ha fjærvei på 5–6 mm framover og bakover. Ved bremsing og ved pådrag reduseres mulighetene for radialinnstilling seg noe fordi hele akslingen vil trekkes noe bakover eller forover.
Vertikalt overstiger nok fjærveiene sjelden ca. 10–15 mm.
7.5 Akselboksføring
Det skal beskrives noen typer av akselboksføringer.
7.6 Stiv akselboksføring

Med stiv akselboksføring menes at akslingenes bevegelsesmulighet i horisontalplanet er nær null. Forholdet medfører at sideveis sporfeil ikke filtreres bort og at hjulsatsene ikke kan innstille seg radielt i kurvene. Eksempel på stiv hjulsatsstyring er vist i figuren under. Derimot kjennetegnes boggiene at de gir meget god stabilitet i høy hastighet på rette strekninger og i kurver med meget store radier.
7.7 Myk akselboksføring og radialstyring

Med myk akselboksføring oppnås en tilnærmet god radiell innstilling av hjulsatsene i kurveradier ned mot 400 m. Det er den effektive konisitet og slippkreftene mellom hjul og skinne som sørger for denne innstillingen. Disse parametere blir dermed avgjørende for tilfredsstillende funksjonen i en kurve. Da reduseres flenseslitasjen betraktelig som følge av at angrepsvinkelen mellom hjul og skinne blir mindre. Derimot er konstruksjonen ikke tilstrekkelig stabil ved høye hastigheter.

Med akselkopling kan det oppnås radialinnstilling av hjulsatsen i kurveradier ned mot 300 m. Akslingene er da gitt mulighet til å dreie relativt mye. Ved hjelp av innbyrdes kopling vil den fremste hjulsatsen i boggien svinge motsatt vei av den bakerste. De to akslingene vil derved hjelpe hverandre til å oppnå radiell innstilling gjennom kurvene.
En slik boggi får tilnærmet uendelig høy kritisk hastighet, det vil si at boggien blir svært stabil selv ved høye hastigheter.
Det er innført flere mekaniske deler eller komponenter i en boggi med koplede aksler. Dette aspektet virker naturlig nok fordyrende mht. anskaffelse.
7.8 Lenkestyring
Ved lenkestyring utnyttes vinkelen mellom boggi og vognkasse gjennom kurveforløpet til å frambringe de koplede akslingene inn i radiell innstilling. Stag eller lenker overfører dreiebevegelsen til akselkoplingen.
Styringen av hjulsatsen reagerer på dreiningsbevegelsen mellom boggi og vognkasse. Denne dreiningen bevirker en radiell innstilling av hjulsettene ved kvasistatisk løp i kurver. Dermed blir for en stor del kryp i lengde- og tverretningen eliminert. Samtidig dempes de dynamiske bevegelsene i forbindelse med dreiningen mellom vognkasse og boggi i sinusløpet i følge sporspillet på rett strekning. Riktige innstillingsmuligheter er uavhengige av kryp og profilgeometri i hjul/skinne forholdet.
Det framgår av figur 17 at det oppnås en reduksjon i anløpsvinkel, i føringskraft, og i slitasje på hjul og skinner. Dessuten blir kjørekomforten vesentlig forbedret.

7.9 Spesiell konstruksjon

Figur 18 viser konstruksjonsprinsippet av en såkalt three-piece boggi til vogner for tunge aksellaster. I denne konstruksjonen er de to kryssede stengene forbundet med sidebjelkene og dessuten er de forbundet med hverandre. Elastiske hylser er benyttet på forbindelsesstedene.

I figur 19 er vist en protype av LEILA – boggi. Boggien har gode radielle løpeegenskaper og reduserer støy i kurver. Det er montert bremseskiver på utvendig side av hjulskiven. Den store ulempen er imidlertid innvendig lagring av akselboks; noe som gjør at vedlikehold blir omstendelig.
8 Sekundærfjæring
Sekundærfjæringens oppgave er å filtrere bort mest mulig av vibrasjoner, rystelser og støy fra boggien. Videre skal vognens vekt fordeles mest mulig jevnt på boggiene. Dette gjelder også i vindskjevt spor.
I det etterfølgende omtales ulike typer av sekundærfjærer.
8.1 Stålfjærer

Stålfjærer (spiralfjærer) er enkle og solide komponenter. På grunn av at en stålfjær har svært liten indre friksjon, må fjæren nesten alltid kombineres med en støtdemper. Uten støtdemper ville de vertikale svingningene bli svært store og ubehagelige, og svingesystemet ville lett kunne komme i egensvingninger. Dette ville igjen kunne føre til en høy forsterkningsfaktor i den vertikale forskyvning av stålfjæren som kunne medføre at vognen «løfter» seg fra sporet.
Under forutsetning av riktig dimensjonering og tilfredsstillende materialkvalitet er stålfjærer et svært driftssikkert element.
8.2 Luftfjærer


Det er blitt vanlig å levere boggier med luftfjærer som sekundærfjær. Det finnes flere fordeler med luftfjærer.
Ved hjelp av et enkelt reguleringssystem kan vognkassen holdes på samme nivå over boggirammen enten vognen er tom eller fullastet. Dette skjer ved at et stag påvirker en luftfjærventil som slipper inn eller ut så mye luft som det er nødvendig for at vognen skal beholde samme høyde. Det er altså trykket i luftfjærbelgen som reguleres. I så henseende er det derfor fordelaktig å bruke luftfjærer på boggier i vognmateriell hvor lasten kan variere mye (i passasjertrafikk).
I motsetning til stålfjærer er luftfjærens egenfrekvens i praksis uavhengig lasten. Dette forholdet gjør at fjærsystemet er godt definert når det gjelder avstemming av frekvenser med tanke på å unngå egenfrekvenser.
Luftfjærene gir gode løpeegenskaper fordi tendenser til støt og rykk fra boggirammer blir svært godt filtrert bort.
Den indre dempingen i luftfjæren er så høy at støtdemper i utgangspunktet ikke er nødvendig. Imidlertid vil en luftfjær kreve en nødfjæring som kan betinge støtdemper. I praksis er det derfor allikevel ikke til å unngå bruk av støtdemper.
Støy og vibrasjoner dempes svært godt.
Det eksisterer naturligvis også ulemper med luftfjærer. Det komplette system er komplisert og består av mange nødvendige komponenter som luftfjærventil, stag, rørledninger og ekstra luftbeholder. Den ekstra luftbeholderen for hver fjær er nødvendig for å få stort nok volum av luft til fjæringen. Beholderen bør lokaliseres tett inntil luftfjæren. Et for langt eller tynt rør mellom luftbeholderen og luftfjæren kan medføre at beholderen i praksis ikke klarer å følge med i trykkvariasjonene i fjæren. Dette kan gi en for hard fjær og dermed dårligere demping av vibrasjoner og støt.
Det er selvfølgelig nødvendig med lufttilførsel. Vognen må kunne transporteres selv om lufttilførselen skulle falle ut eller om luftfjæren skulle være punktert eller lekk. Under slike forhold er det derfor nødvendig med nødfjærer i serie for å sikre noenlunde akseptable løpeegenskaper ved framføring i normale hastigheter.
Det blir benyttet både spiralfjærer og gummisjikt-fjærer som nødfjærer. Dersom spiralfjærer benyttes, er støtdemper nødvendig.
8.3 Gummisjikt-fjærer
Gummisjikt-fjærer er vekselvis bygget opp av gummi- og stålsjikt.
Det finnes fordeler ved bruk av slike fjærer.
Fjærene er relativt enkle i konstruksjon og er relativt driftssikre.
Stor indre demping gjør at støtdemper ofte ikke er nødvendig.
Fjæren kan bygges opp på mange forskjellige måter som gjør at fjærkonstantene longitudinelt, vertikalt og lateralt kan varieres uavhengig av hverandre innenfor relativt store grenser (dette forholdet har nok størst verdi for primærfjæringen).
Støy og vibrasjoner dempes svært godt.
Men også for disse fjærene er det ulemper.
Vulkingen (sammenbindingen) av gummien til stålplatene kan være vanskelig å få til slik at effekten blir varig. At gummien slipper fra metallet er da også en vedvarende problemstilling.
Gummien har dårlige aldringsegenskaper. Gummien vil over tid forvitre eller sprekke. Dette medfører dårligere fjæregenskaper.
Dårlige gummiblandinger gir utilfredsstillende stabilitet ved endringer i temperaturen.
Fjærkonstantene endrer seg med temperaturen.
9 Støtdempere
En hydraulisk støtdemper utnytter den viskøse motstanden som oppstår når et element føres gjennom olje. I prinsippet er demperelementet (demperstempelet) en plate med hull i. Når stempelstangen skyver eller trekker demperelementet gjennom olje inne i den lukkede sylinderen, må oljen passere gjennom de små hullene i elementet fordi elementet tetter inn mot sylinderveggen. Det oppstår da en hydraulisk motstand som er overproporsjonal med hastigheten på demperelementet eller med oljens hastighet gjennom hullene. Ved å variere hullenes størrelse kan ulike demperkrefter oppnås, og ved hjelp av ventilsystemer er det mulig å bygge dempere med forskjellig demping i trykk og strekk. Bildet under i figur 23 viser funksjonen hos en hydraulisk demper.

9.1 Vertikaldempere
En vertikaldemper vil ofte ha større demperkraft i trykk enn i strekk fordi det er i trykkretningen de største dempingene må tas. Dette fører følgelig til at motstanden gjennom demperelementet må være forskjellig i trykk og strekk. Dette løses ved ventiler som åpner seg ved strekk og dermed gjør gjennomstrømmingsarealet større.
9.2 Horisontaldempere
En horisontaldemper demper de laterale bevegelsene mellom boggi og vognkasse og har naturlig nok samme verdi i trykk og strekk.
10 Rulldemping
Vognkassen har opplegg på boggiene med fjærsystemer. Ved større hastigheter i sirkelkurver (hastighet > likevektshastighet) vil vognkassen på grunn av sentrifugalkraften rulle utover i kurven. Dermed inntar vognkassen en helning i forhold til horisontalplanet slik at vognkassens overhøyde blir mindre enn sirkelkurvens overhøyde. De reisende vil føle en større sideakselerasjon i vognkassen enn den sideakselerasjon som er tilstede i sporplanet.
En slik rulling er naturlig nok ikke ønskelig og det finnes virkemidler for å motvirke den. Ved å innføre rullstabilisator kan fjærsystemet konstrueres stivere mot rullbevegelsen. Den vertikale fjæringen er helt frikoplet fra dette og påvirkes derfor ikke.
Dersom tyngdepunktet i vognkassen senkes, reduseres rullvinkelen. Dette fordi tyngdepunktet blir liggende nærmere rullsenteret.
Dersom komponenten , vil vognkassen rulle utover i kurven.

11 Dreiehemming
En vanlig boggi med faste hjulsatser vil ha en kritisk hastighet. På rett linje eller i kurver med store radier inntar hjulsatsen en sinusformet bevegelse (sinusgang) på grunn av konisitet og sporspill. Denne sinusformede gangdynamiske bevegelse er uavhengig av hastigheten. Imidlertid ved framføring i en bestemt hastighet vil hjulsatsens sinusgang stemme overens med resten av boggiens egenfrekvens lateralt og boggien vil slingre fra side til side i sporet med stor kraft. Denne hastigheten kalles den kritiske hastighet. Svingningene kan fort bli så store at komforten reduseres betydelig.
Blant de forhold som påvirker den kritiske hastighet, er primærfjæringens stivhet i lengderetningen. For gjennomløp i sirkelkurver er det naturlig nok ønskelig å introdusere mykere fjærer i lengderetningen og derved å få til en radiell innstilling av hjulsatsen for å redusere slitasje på hjulflens og skinnehode. Ved høye hastigheter fører de mykere fjærene (longitudinelt) til instabilitet i gangdynamikken. Dette er motstridende interesser. Forholdet er anskueliggjort i figur 25.

For å motvirke instabilitet er det mulig å innføre en dreiehemming. Denne vil motsette seg at boggien dreier seg. På denne måten kan den kritiske hastighet økes helt til kreftene fra sinusløpet kommer så høyt at det allikevel oppstår instabilt løp.
Dreiehemming vil imidlertid nødvendigvis føre med seg økt tilleggsmoment og dermed større tendens til slitasje på hjulflens og kjørekanten på skinnehodet (ytre skinne i en sirkelkurve). Siden instabilt løp i praksis opptrer på rettstrekninger og i kurver med store radier, er det både ønskelig og tilstrekkelig at dreiehemmingen er virksom bare når boggien peker rett fram Den desidert mest utbredte form for dreiehemming er bruk av hydrauliske dempere. Disse er oversiktlige og relativt pålitelige elementer som kan konstrueres for bare å virke innenfor et begrenset område av slaglengden, og slik bare virke på rettspor.
12 Bremser og glidevern
Eldre vognmateriell har bremseklosser av støpejern som virker direkte på hjulbanen. Dette har den fordelen at hjulbanen alltid holdes ren, men har samtidig den ulempe at støynivået er høyt. Ved høyere hastigheter vil bremseeffekten bli betydelig mindre enn ved lave hastigheter. Dessuten blir det høy varmeutvikling i hjulbanen ved lange bremsinger samt tendenser til fastfrysing i streng kulde etter stasjonsopphold.
Moderne materiell bygges utelukkende med skivebremser. I tillegg til den langt høyere bremseeffekten i større hastigheter oppnås en myk og støyfri nedbremsing. Videre avverges den store overflateoppvarmingen på hjulbanen som de vanlige bremseklosser forårsaker.

Kraftige nedbremsinger generelt eller nedbremsinger under forhold med svært lav friksjonskoeffisient mellom hjul og skinne (glatt skinnehodet) kan føre til at et hjul fastbremses med den følge at hjulslag oppstår. En bremsesylinder pr hjul eller aksling er med på å bygge inn et moderne mikroprosessorstyrt glidevern. Et slikt glidevern vil i praksis hindre risikoen for fastlåsing av hjulene. Glidevernet overvåker hver akslings rotasjonshastighet. Dersom en aksling sakker betydelig akterut i forhold til de andre akslingene, vil bremsekraften til denne akslingen reduseres til denne akslingen igjen har samme hastighet som de andre.
13 Medbringerkonsept
Forbindelsen mellom boggi og vognkasse må være slik at bremsekrefter og traksjonskrefter kan overføres. Dette er medbringerens oppgave. På boggier med sentertapp er nettopp sentertappen medbringeren. Sentertappen må være formet og festet til underliggende konstruksjon på en slik måte at det oppnås en fjærende kraftoverføringsmekanisme.

I figur 27 er vist boggien på lokomotiv IORE – 2000 med 30 tonns aksellast for anvendelse på Ofotbanen. Det er lett erkjennelig at lokomotivet ikke har en sentertapp. Forbindelsen mellom boggiramme og vognkasse utgjøres av sekundærfjæringen som består av 4 spiralfjærer. Denne konstruksjonen er for svak for overføring av bremse- og traksjonskrefter samt å trekke alle vognene som har feste til vognramme gjennom bufferne. Det er derfor nødvendig med en medbringer. Denne medbringeren har en helning som gir føring mot midtakslene. Det vises til figur 28.
Det bemerkes at de ytre akslene for boggiene er bevegelige sideveis innenfor toleransegrenser. Dette er gjort for å hindre for store føringskrefter i lateral retning. Konstruksjonen gir også forbedrede forhold for løpeegenskaper i den hensikt å hindre spissgang i kurver med små radier.

Figur 28 viser medbringeren.

Figur 29 viser et oversiktsbilde av lokomotivet med plassering av medbringer.
14 Uavfjærede masser
Uavfjærede masser omfatter en komplett hjulsats med lagre, lagerbokser og bremseskiver. På drivaksler må også tannhjul på akslingen medtas. På en drivboggi må tannhjul og en viss del av drivanordningen medtas (en del av vekten på drivanordningen er på moderne boggier lagret på boggirammen).
Ved at disse massene ikke er avfjærende, virker massene med store, men kortvarige krefter på sporet. Ved å holde de uavfjærede massene så lave som mulig, reduseres kreftene mot sporet. Dette får i sin tur positiv effekt for sporkrefter, vedlikehold og komfort.
14.1 Prinsipp for oppheng av vognkasse til hjulsett
Prinsippet er vist for et hjulsett med spormedfølgende ramme i figur 30.

Det erkjennes at det finnes fjærsystemer og demperinnretninger i de 3 hovedretningene; dvs. i langsgående, tversgående og vertikal retning. Innretningene skal tjene til å stabilisere systemet.
15 Boggier på vognmateriell
15.1 Boggier i godsvogner
Boggiene i bruk på godsvogner er av type Y25. Boggiene finnes i flere varianter. Boggiene kjennetegnes ved relativ enkel utførelse og stiv akselføring. Dette aspektet kommer til uttrykk at dreiehemmingen blir virksom allerede etter et lengdespill av den langsgående fjæring på ± 1 mm. Det erkjennes at vertikalspillet for boggien er 12 mm. Boggien har gode løpeegenskaper i sirkelkurver med radier > 600 m.

15.2 Hjulsett i toakslede godsvogner
I den toakslede godsvognen med bladfjærer er det installert i sammenheng med bladfjærene et dobbelt oppheng; et såkalt UIC double link suspension. Konstruksjonen påvirker torsjonsegenskapene i positiv retning.
Noen boggityper i bruk på vognmateriell til NSB BA (utdrag fra Norske lok og motorvogner 1.1.1997). Det kommenteres noen alminnelige særtrekk mht. boggiene.
Avstanden mellom hjulsatsene er ca. 2,4–2,5 m. Hjuldiameter for uslitte hjul er 920 mm. Boggivekt ligger på rundt ca. 6 tonn for løpeboggier; motorboggi har vekt på ca. 11 tonn. De eldste boggiene har rullelager; mens de nyeste har påmontert koniske rullelagre for å bedre kunne ta hånd om radial- og akseltrykk.
SIG boggiene er av nyere dato; første byggeår er 1991.
Oversikten er ikke fullstendig.


15.3 Det nye nærtrafikktoget BM72
Det nye nærtrafikktoget BM72 ble satt i drift for noen år siden og framføres med relativt høye frekvenser på deler av banenettet i Oslo området. BM72 har relativt høye aksellaster, opptil 20,00 til 22,00 tonn.

Nærtrafikktoget har for de midtre vognene en type akselkonstruksjon som kalles FEBA. Systemet består av to enkle aksler som er forbundet med horisontale stenger. Stengene har elastisk opplegg til de to akslenes rammer. Konstruksjonen bidrar til lave horisontale sporkrefter og gode løpeegenskaper. Dette er verifisert ved målinger og simuleringer med avanserte programmer. Anløpsvinklene er meget små; dvs. at hjulene innstiller seg tilnærmet radielt i sirkelkurvene.


15.3.1 Jakob boggi
De framtidige nye togsettene til NSB får Jakob boggier. Dette er boggier som gir opplegg for tilsluttende vognender fra 2 vogner. Figur 37 viser en Jakob boggi.

Det er gitt noen karakteristikker for Jakob boggien.
Godslokomotiv Under er det nye elektriske lokomotivet TRAAX F140 til CargoNet vist.





16 Framstilling av lastkollektiv for BM72, eksempel

Figur 39 viser lastkollektivet for det nyeste nærtrafikktoget BM72 på strekningene Oslo S–Asker og Ski–Oslo S. Ordinaten i aksesystemet viser målte belastninger på hjulakselen og abscissen viser hyppigheten av forekomst av belastningene. Naturlig nok vil de største belastningene forekomme meget sjeldent, fra 1 til ca. 10–15 ganger på strekningene. De største belastningene ved 1, 2a, 2b og 3 stammer fra tunge uregelmessigheter i sporet. Området for midlere kurveradier opptrer med en hyppighet i intervallet 100–1000 (1.E+03) og gir spenninger i det midlere området. For de største hyppigheter av forekomst av belastningene er spenningene moderate.
For strekningen Ski–Oslo S angir rød linje belastningene på hjulakselen med full last og for det tilfellet at skinnene er tørre. Gul prikket linje angir tilfellet for kun egenvekt. Det bemerkes at belastningene fra egenvekt utgjør en relativt stor andel.
Strekningen Oslo S–Asker viser lavere spenninger enn strekningen Ski–Oslo S. Forholdet har sammenheng med at Oslo S–Asker har en bedre geometri enn Ski–Oslo S relatert til størrelsen på kurveradier. For denne strekningen er det vist 2 tilfeller med full last; grønn linje gjelder for tørre skinner mens blå prikket linje viser forholdene for våte skinner på grunn av regn. Belastningen på hjulakselen er størst for tørre skinner.
17 Anløpsvinkler
Under er vist et eksempel fra målinger av anløpsvinkler til hjulsettene eller boggiene for lokomotiv El14 og ulike godsvogner. Målingene ble gjennomført på Sørlandsbanen. Informasjonen er gitt under.

For lokomotiv El14 kan det avleses at anløpsvinkelen for det ytre hjul på førende aksel for begge boggier er ca. 29 minutter (ca. 0,5 grader eller radianer). Da hjulene er krympet akselen, blir også anløpsvinkelen for det indre hjulet den samme.
Den midtre aksel er tilnærmet radielt innstilt i kurven for begge boggiene. Den bakre aksel har en anløpsvinkel på ca. 14 minutter (ca. 0,25 grader eller radianer).
Verdiene er normale for en boggi med relativt stiv akselføring.
Figur under gir en billedlig framstilling på hvordan diagrammet for anløpsvinklene skal forstås. Bildet (a) viser en underradial innstilling som er tilfellet for førende aksel til lokomotivet. Akselen blir dreid litt tilbake i forhold til radiell innstilling relatert til framføringsretningen. På grunn av at hjulet er krympet hjulakselen, vil hjulflensen på ytre hjul berøre kjørekanten på skinnehodet foran. Dette er en normal situasjon for en hjulaksel med stiv akselføring.
Midtre hjulaksel inntar en radiell innstilling som er vist i bilde (b).
Bakre aksel inntar en overradial innstilling som er vist i bilde (c). Aspektet medfører at hjulakselen blir dreid litt framover i forhold til radiell innstilling relatert til framføringsretningen. Hjulflensen på ytre hjul vil berøre skinnehodets kjørekant i bakkant.



Det er et interessant spørsmål om bakre aksel gir spissgang; dvs. om hjulflensen på indre hjul berører skinnehodets kjørekant. Anløpsvinkelen er målt til 14 minutter. Figur under viser situasjonen ved fritt løp (over) og ved spissgang (under).

Da hjulet er krympet hjulakselen og dersom verdier på parametere som sporvidde, sporspill, konisitetsforhold, diameter på hjulskive, karakteristikker for stivhet i akselføring og friksjonsforhold er kjent i tillegg til målt anløpsvinkel, er det fullt mulig å beregne om spissgang vil oppstå. I det foreliggende tilfellet oppstår trolig ikke spissgang for boggiene til El14 da anløpsvinkelen for den bakre akselen er meget liten.
For øvrig viser de to akslede vognene meget gode løpeegenskaper med så å si fullstendig radiell innstilling av hjulakslene. Forholdet har sammenheng med at akslene er dreibare. Derimot oppfører vognene med boggier seg aggressivt i sirkelkurven. Forholdet har sammenheng med at vognene har Y25 boggier som har dårlige løpeegenskaper i kurver med radier under 600 m. Som allerede påpekt, inntreffer dreiehemming allerede etter ± 1 mm lengdespill.
18 25 tonns aksellast i tømmertrafikk på jernbanenettet til JBV
Det er gjort en mulighetsstudie for innføring av 25 tonns aksellast for toakslede vogner (ikke boggivogner) på deler av jernbanenettet til JBV. Maksimal aksellast er ordinært 22,50 tonn som gjelder både for toakslede vogner og boggivogner. Bildet under viser vognen som er en artikulert konstruksjon (leddvogn).

19 Konklusjon
Boggier er et komplisert og høyteknologisk instrument for framføring på skinnebundet spor. Det er belyst de oppgaver som boggiene har.
Løpedynamikken er et meget viktig aspekt relatert til komfort og til forhold knyttet til egenskaper for framføring på spor. Det samme gjelder også stabilitetsbetraktninger.
Et tredje aspekt er vedlikeholdet. Vedlikeholdet blir om så viktigere da boggien med dens komponenter blir utsatt for store dynamiske påkjenninger.
20 Litteratur
Det vesentligste er hentet fra:
- Schienenfahrzeugdynamik (Springer Verlag; 2003); Klaus Knothe, Sebastian Stichel.
- Fordonsdynamik (JÄRNVÄGSGRUPPEN KTH; 2002); Evert Andersson, Mats Berg, Sebastian Stichel.
- ZEVGlasers Analen (flere utgaver).
- Brosjyrer fra SIEMENS og SIG.