Togvarme
Publisert: 17. februar 2012
Oppdatert: 4. februar 2025
1 Innledning
Kapittelet omfatter togvarmeanlegg slik det fremkommer i krav satt i Regelverk for lavspenningsanlegg JD543. Det er enda ikke bygd togvarmeanlegg etter JD543. Kapittel 2.1.2 tar for seg togvarmeanlegg slik de er bygd før JD543 ble gjeldende.
For å få tilstrekkelig strømtilførsel til belysning, varme og aggregater etc. i passasjervogner og visse godsvogner på skifteområder og lignende benyttes det togvarmeanlegg. Tilførselen til dette skjer ved kjøring gjennom strømavtakeren på lokomotivet. På skifteområder blir vogner eller togstammer imidlertid hensatt uten tilkobling til lokomotivet, og må derfor få tilførsel fra ekstern strømforsyning.
Togvarmeanlegg er 1000 V enfaset strømforsyning til togmateriellet med returstrøm i hjul og skinnegang. Det stasjonære anlegget fra fordelingstavle til togmateriellet utføres som et 1-fase anlegg med nominell spenning på 1000 V mellom fase og jord.
Togvarmeanlegg består normalt av:
- Transformator (15/1 kV, 22 (12)/1,73 kV eller 22 (12)/1kV)
- Inntaksmodul
- Fordelingsmodul
- Togvarmepost
2 Strømforsyning
Togvarmeanlegg har et spenningsnivå normalt på 1000 V fase – jord (skinnegang). Dette tilsier anleggene har en hovedspenning på 1730 V ved 3-fase anlegg (se formel 1).
Det vil si at anleggene må dimensjoneres som høyspenningsanlegg så lenge fasene er samlet.
(1)
Togvarmeanlegg kan også ha 1000 V 3-fase med den ene fasen jordet.
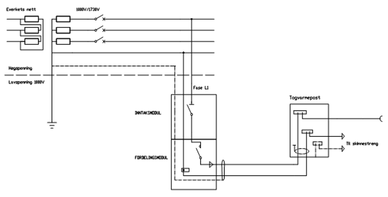
Strømkretsen for et togvarmeanlegg er som følger: Fra transformatoren til fordelingsskap, til varmepost, gjennom tilkoblingskabel og inn i apparatur i vognen, deretter videre gjennom vognkasse/hjul til skinnegangen og tilbake til transformatoren, se figur 1.

2.1 Systemløsninger
I følge Teknisk regelverk for lavspenningsanlegg (JD543) skal togvarmeanlegg forsynes fra lokalt e-verk. Grunnen til dette er å minske biforbruk fra kontaktledningsanlegget og det økonomiske aspektet ved energileveransen gjennom kontaktledningsanlegget. Beregniger som som er utført viser at energiprisen ved forsyning fra kontaktledningsanlegget blir på ca. 1 kr kWh. Ved forsyning fra lokale e-verk ligger prisen på ca. 50 øre kWh. Ett annet viktig aspekt ved forsyning fra kontaktledningsanlegget er redusering av omformerkapasitet. Ett togvarmeanlegg dimensjonert for noen MW kan bety at man må øke omformerkapasiteten. I verste fall kan det medføre et behov for en ny omformer.
De fleste togvarmeanlegg er bygd før Teknisk regelverk for lavspennings-anlegg (JD543) ble gjeldende. Det finnes derfor en rekke anlegg som er forsynt fra kontaktledningsanlegget. Dette omtales i kapittel 2.1.2.
2.1.1 Strømforsyning fra e-verk
Ved strømforsyning fra e-verk benyttes det en 22 (12)/1,73 kV transformator. Transformatoren plasseres innendørs i nettstasjon eller lignende.
Transformatorens nøytralpunkt tilkobles skinne. N-leder føres frem til hver togvarmepost og tilkobles skinnegangen (se figur 2). Når nøytralpunktet på transformatoren tilkobles skinnegang samtidig som N-leder er tilkoblet skinnegang ved togvarmepost vil det flyte kontaktledningsstrøm i N-leder. Dette betyr at N-leder må dimensjoneres deretter.
Fasene holdes adskilt etter transformatorens sekundærskinne. Dette betyr at høyeste driftsspenning vil være 1000 V og defineres da som et lavspennings-anlegg.


2.1.2 Strømforsyning fra kontaktledningsanlegget
Ved strømforsyning fra kontaktledningsanlegget benyttes det en 15/1 kV 1-fase transformator (se figur 4 og 5). Transformatorens primærside er tilkoblet kontaktledningen 16 kV/16 2/3 Hz. Sikring av utgående kabler på transformatorens sekundærside gjøres med en effektbryter plassert i isolert skap (bryterkiosk) plassert ved transformatoren. Fra bryterkiosken går det kabler til togvarmepostene.


2.1.2.1 Togvarmepost, benyttet før JD543 ble gjeldende
I togvarmeposten er det montert en låsbar lastskillebryter, bryteren er låsbar i både inne og ute stilling. Fra posten går det en bevegelig ledning til togstammen, kabelen er utstyrt med stikker for tilkobling i togstammen. På varmeposten er det montert en blindkontakt for plassering av stikker når denne ikke er i bruk. Det er meget viktig at stikkabel ikke tilkobles/frakobles med spenning (lastskillebryter i inne stilling). Togvarmeposten har ingen innebygd sikkerhet for feilmanøvrering, der foreligger kun skriftlige rutiner på hvordan den skal manøvreres. Se figur 6.

3 Fordelinger
3.1 Høyspenningsfordeling
Transformatoren (22 (12)/1,73 kV og 22 (12)/1 kV) har forankoblete vern for kortslutningsbeskyttelse av transformatoren. I tillegg er det vern på transformatorens sekundærside for overbelastningsbeskyttelse av transformatoren og etterfølgende anlegg.
Anlegget skal utføres i henhold til FEA-F.
3.2 1000 V fordeling
1000 V fordeling plasseres i eget rom innendørs. Fordelingen oppdeles i en inntaksmodul og en fordelingsmodul per togvarmepost, se figur 7.

Inntaksmodulene plasseres sammen med tilhørende fordelingsmoduler, fysisk adskilt fra øvrige inntaksmoduler. Dette er meget viktig for at anlegget skal kunne defineres som et lavspenningsanlegg.
De ulike modulene inneholder:
Inntaksmodul
- Skillebryter på innkommende kabel i 1000 V-skapet, alternativt benyttes det effektbryter dersom ikke trefase effektbryter er montert i høyspennningsfordeling
- Jordingsbryter (skillebryter med jordslutning)
- Utstyr for måling av strøm og spenning
- Returstrømskinne
- Jordskinne
- Utstyr for tilkobling av jording-/kortslutningsutstyr på faseleder, returstrømskinne og jordskinne
Fordelingsmodul
- Skillebryter
- Kontaktor for inn/utkobling av belastningsstrøm
- Innstillbart relévern for kortslutning- og overstrømsvern av utgående kabel
- Utstyr for strømmåling
- Forberedt for kWh-måling (opplegg fram til måleromkobler og plass for kWh-måler)
- Lamper for tilstandsindikasjon, det skal monteres:
- blå indikasjonslampe for indikasjon på at kabel mellom togvarmeposten og vognsettet er tilkoblet og spenningssatt
- hvit indikasjonslampe for indikasjon på at kabelen mellom togvarmepost og vognsett er spenningsløs
- rød indikasjonslampe for indikasjon på at bryteren er utkoblet manuelt
- rød indikasjonslampe for indikasjon på at bryteren er utkoblet/blokkert av forriglingsmessige årsaker (feilstrøm, feilbetjening etc.)
- Returstrømskinne
- Jordskinne
- Godkjent utstyr for tilkobling av jordingsutstyr i skapet på faseleder, returstrømskinne og jordskinne
- Merking med togvarmepostens nummer, spenning og frekvens
- Lampene med tilkoblingsenhet og instrumenter for strøm- og spenningsavlesning skal monteres i tavlefront
3.3 Kontrolltavle
Tavle for 230 V forsyning og styring av anlegget monteres der det er mulig i samme bygning/kiosk som 1000 V fordeling. Kontrolltavlen er ikke plassert i samme rom som 1000V fordelingstavler.
Kontrolltavlen skal være bestykket med:
- Kurser for lys, stikk og varme i fordelingsrom/kiosk
- Kurser for styrestrøm for togvarmeanlegg
- Overvåknings- eller kontrollenheter for togvarmeanlegget (PLS, releer etc.)
4 Togvarmepost
Togvarmepostene plasseres så tett opptil det sporet den skal forsyne. Hver post plasseres slik at det ikke er mulig å koble til materiell i andre spor enn sporet posten er ment for. Dette er meget viktig med tanke på å ikke sammenkoble forskjellige faser (fra forskjellige togvarmeposter).
For togvarmeposter stilles det krav i Teknisk regelverk for lavspenningsanlegg (JD 543) at det monteres lamper for indikering av driftsstatus. Blå lampe viser om togvarmeposten er spenningssatt og hvit lampe gir indikasjon på om togvarmeposten er spenningsløs. En av lampene skal alltid være tent. Dersom det ikke er lys i noen av lampene må posten av sikkerhetsmessige hensyn betraktes som spenningssatt.

Kabel fra togvarmepost skal være en vær- og oljebestandig mangetrådet bevegelig kabel. Kravet til tverrsnittet på kabelen er minimum 1 x 185 mm2 Cu, og skjermen skal ha et tverrsnitt på minimum 25 mm2. Kabelen har integrerte signalledere.
Stikker for tilkobling til rullende materiell har sikkerhetsbryter som forhindrer til- og frakobling av stikkeren ved spenningssatt post. Det er ikke mulig å frakoble/tilkoble stikkeren med spenning påsatt. Se figur 9.

På togvarmepost er det oppheng og blindkobling for oppheng av stikker. Se figur 10.

5 Sikkerhet
I henhold til Teknisk regelverk for lavspenningsanlegg (JD 543) tar togvarmeanlegget hensyn til følgende forhold for å opprettholde en sikker drift og betjening:
- Det er ikke være mulig å sammenkoble strømforsyning fra togvarmepost og strømforsyning fra kontaktledningsanlegget.
- Det er ikke være mulig å spenningssette togvarmepost før stikkeren er tilkoblet rullende materiell.
- Det er ikke mulig å frakoble stikker med spenningssatt post.
6 Dimensjonering
For dimensjonering av strømforsyning til togvarmeanlegget anslås det som en regel ca. 50 kW per vogn. For nærmere detaljer henvises det til NSB BA Trykk 413.3. Anleggets størrelse (transformatorytelse og antall motposter) vurderes opp mot trafikkoperatørens trafikkprognoser for de neste 5–10 årene.
7 Litteraturhenvisninger
- Teknisk rapport fra InterConsult Group: 1000V togvarmeforsyning – Elektrotekniske forhold. (1998).
- Teknisk Regelverk for lavspenningsanlegg JD 543 (1999).