Sporvekselvarme
Publisert: 17. februar 2012
Oppdatert: 4. februar 2025
1 Historikk/innledning
Jernbaneverket benytter elektrisk sporvekseloppvarming for å hindre at kulde, is, snø og nedfall av snø-/isklumper fra lokomotiv og vogner skal hindre eller forstyrre betjening av sporvekslene. Sporvekselvarmeanleggene er derfor av vital betydning for å opprettholde normal togdrift vinterstid.
En gang på 1950 tallet fikk de første sporvekslene på Oslo Østbanestasjon elektrisk oppvarming. På den tiden var det ikke overskudd på elektrisk kraft, det var bare noen få sporveklser som kunne forsynes med kraft fra Oslo Lysverker. Enkelte sporvekselvarmeanlegg fikk 220 V 16 2/3 Hz fra transformator tilknyttet kontaktledningsanlegget.
De første varmeelementene var montert utvendig på stokkskinnen og dessuten isolert utvendig med asbestplater og blikkplater. På denne måten ble varme rettet inn mot skinnelivet og man minsket varmetapet. Selve varmeelemtet besto av to koblingsbokser av messing som passet inn i skinnelivet. Boksene var forbundet med to jernrør (ca. 5 m lange). I jernrørene ble det trukket inn en motstandstråd med porselensperler som isolasjon. I den ene koblingsboksen koblet man til tilførselskabelen, mens det i den andre ble montert et koblingsstykke for å forbinde de to hetetrådene. Spenningen ut til varmeelementene var 60 V og effekten var på 1200 W. Denne type varmeelementer holdt stand til langt utpå 1980-tallet.
I 1963 gikk NSB over til å benytte runde varmeelementer med en effekt på 300 W/m, driftspenningen var 60 V, elementene ble poppet eller skrudd fast i skinnen. I 1994 kom det første anlegget med flate varmeelementer, det er disse varmeelementene som hovedsak blir benyttet på nyanlegg i dag. Varmeelementene har en effekt på 300 W/m, driftspenningen er på 60 V. Elementene blir festet med klips til skinnegangen.
Det har vært gjort forsøk med sporvekseloppvarming med propan. Utvendig langs stokkskinnen ble det plassert et rør med en rekke brendyser. Varmen var svært effektiv, men flammen hadde en tendens til å blåse ut når togene passerte, sporvekslene ble dessuten fort tørre og måtte smøres ofte.
Vinteren 1997–98 ble det montert selvregulerende varmekabler på to sporveksler i Oslo området, anlegget har fungert tilfredsstillende i to vintere, men det gjenstår en del tilpasninger før anlegget kan bli godkjent for videre bruk.
I november 1995 ble det montert et anlegg med 230 V driftsspenning på elementene på Voss stasjon det er montert en skilletransformator for hvert varmeelement. Et sporvekselvarmeanlegg består normalt av:
- Et fordelingskap plassert langs banen ved de aktuelle sporvekslene som skal varmes. Sporvekselvarmeanlegget inneholder vern og regulering av varmeelementene.
- Varmeelementer: På skinnene er elementene klipset fast mens i rådegraven ligger elementet normalt løst.
- Transformator: Er benyttet når det er behov for skilletransformator eller når det velges varmeelementer med lavere spenninger (f.eks. 60 V).

2 Strømforsyning
Dagens praksis er å forsyne sporvekselvarmeanlegg fra lokalt E-verk, noe som er et krav i teknisk regelverk for lavspenningsanlegg (JD543), men det er en rekke anlegg som er forsynt fra kontaktledningsanlegget. Forsyning fra kontaktledningsanlegget fører til økte kostnader til transformator samt økte monteringskostnader ved at denne og andre anleggsdeler må monteres i kontaktledningsmast. En slik løsning medfører også en høyere energikostnad.
2.1 Fordelingsskap
Fordelingsskapet monteres som regel på fundament, ved bruk av 230/60 V transformator ved skapet brukes det egne fundamenter. Skapet inneholder inntak fra e-verk eller eltekniskhus, reguleringngsenhet, overvåkning og vern. I følge JD543 skal skapet ha en kapslingsgrad på IP 54, det skal ha 20 % utvidelse mulighet og det skal være låsbart. Kravet til kapslingsgrad på IP 54 er satt pga. å unngå at støv fra toggangen (bremsestøv) kommer inn i skapet. Støvet begrenser komponentenes levetid og øker risikoen for feil på komponentene.
3 Regulering
Alle sporveksler styrt via CTC anlegget (fra togleder/TXP) er utstyrt med elektriske varmeelementer. I Norge er i alt 1560 sporveksler styrt via CTC anlegget. Dessuten er en del andre sporveksler også oppvarmet. Samlet installert effekt er i dag på ca. 10 500 kW. Dette utgjør et forbruk på 30.9 millioner kWh med gjennomsnittlig driftstid på 3000 t per år (ca. 4 mnd.). Med en kraftpris på 0,40 kr/kWh utgjør dette ca. 12,4 millioner kr per år i energikostnader for drift av sporvekselvarmeanlegg. Dette tilsier at det er meget å spare ved å regulere sporvekselvarmeanleggene, men det er ytterst viktig å påse at ikke reguleringen går utover driftsikkerheten for sporvekselen. Gamle anlegg (før ca. 1994) er ikke utført med regulering, nyere anlegg er i hovedsak utført med regulering. Det er ettermontert regulering i noen anlegg, det er benyttet alt fra enkle reguleringsmetoder til triacstyrte reguleringer.
3.1 Reguleringstyper
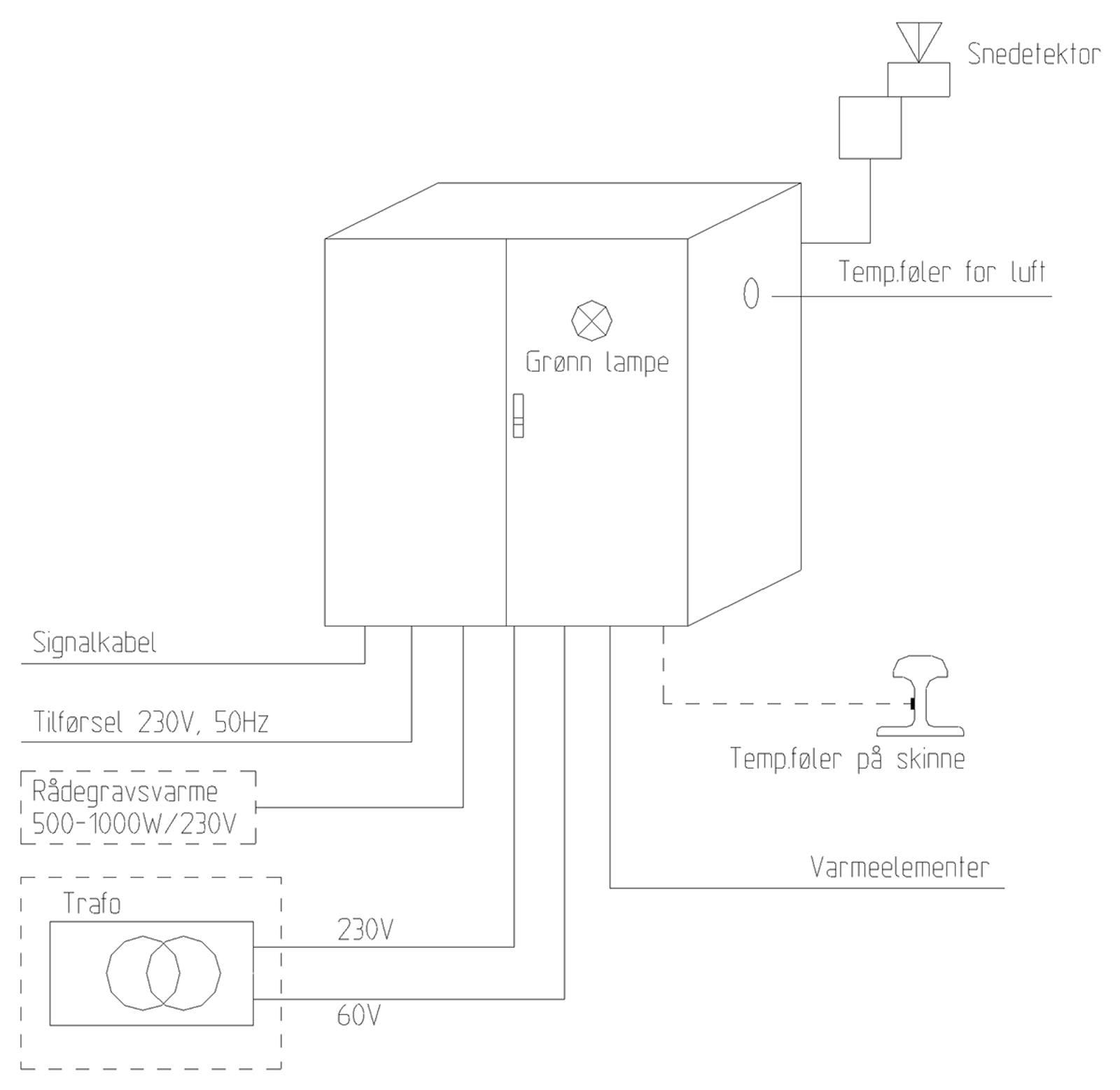
Det finnes i dag en rekke forskjellige typer regulering alt fra enkle relebaserte systemer til avanserte PLS-utgaver. Det er i hovedsak ettermontert enkle løsninger i liten utstrekning i eksisterende sporvekselvarmeanlegg. Ved nye anlegg er det som regel montert komplette anlegg med PLS-basert styring. Felles for reguleringene er at de benytter en eller flere temperaturfølere/vakter og snefølere/fuktighetsfølere som gir signaler til den logiske enheten eller releene.
3.1.1 PLS-baserte reguleringer
Hoveddelen i styringen er en PLS (programmerbar logisk styring) med full kommunikasjonsmulighet mot overordnede systemer. Lokalt kan systemet tilkobles et operatørpanel for å bestemme driftsdata og kontrollere funksjon og verdier under drift.
Ved å benytte slaveskap kan reguleringen styre varmen på inntil 8 andre sporveksler. Slaveskapene plasseres ved sporvekslen som skal varmes og det legges styrekabel fra skapet der reguleringen er plassert til slaveskapet.
Til systemet er koblet temperaturgivere ved tunge og midt på sporvekselen som begge inngår i styringen av effektpådraget. Det er den kaldeste av disse som inngår som prosessverdi til PLS-en. Føler for lufttemperatur er tilkoblet og gir mulighet for kompensering på ønsket temperatur. En snøføler er også koblet til systemet, ved signal fra denne vil PLS-en teste på lufttemperatur om nedbøren skal detekteres som snø. Dersom dette er tilfellet vil PLS-en øke settpunktet til regulatoren med en ønsket verdi. I PLS-en foretar en programbasert vanlig PI-regulator (proporsjonal/integral) styringen av effektpådraget til varmeelementene. Syklustiden er 100 sekunder. Styresignalet går til SSR-enheter (solid state relay) som kobler strømtilførselen på primærsiden på transformatoren (230/60 V).
Varmeelementet i rådegraven styres via lufttemperaturføleren.
Systemet omfatter også kontroll av strømmen i alle kurser til varmeelementene og et reservesystem for full innkobling ved feil. Dersom det detekteres feil på en av giverne vil dette reservesystemet tre inn. Reservesystemet er basert på kontaktorer som også vil tre inn ved feil på styresystemet av enhver art.
Togleder styrer av/på drift av sporvekselvarmeanlegget (kun autokjøring) ved å påtrykke spenningssignal til styreskapet. Det er mulig å tvangsstyre sporvekselvarmeanlegget fra en vender montert i styreskapet uavhengig av signal fra togleder.

3.1.2 Selvregulerende varmekabel
Det har i senere tid (fra 1997) blitt montert selvregulerende varmekabel på 2 sporveksler, noe som minsker antall komponenter og gjør anlegget enklere og billigere. Det er kun en temperaturgiver som slår på anlegget ved en temperatur (ca. 4 °C) deretter regulerer kabelen seg selv. Se figur 3. Figuren viser at kabelen øker effektpådraget når temperaturen synker, d.v.s. enten at skinnen blir kjølt ned av snø eller vanlige temperatur svingninger.

Systemet har vist seg å holde sporvekselen fri for is og snø, men klipsene som fester varmeelementene til skinnen har en tendens til å falle av. Produsenten monterer denne sommeren (1999) nye klips som går rundt hele skinnefoten.
4 Varmeelementer
Varmeelementene skal ha tilstrekkelig varme til å hindre at kulde, is og snø forstyrrer driftsikkerheten av sporvekselen. Det er meget viktig at elementene har god varmeoverføringsevne til skinnen. Elementene bør være solide og tåle å ligge i sporet, slik at de sikrer en lang levetid. Det er frem til i dag benyttet varmeelementer med driftsspenning på 60 V. Dette kommer av forskriftkravet: UL < 50 V, ved bruk av 60 V driftsspenning vil faren for berøringsspenning over 50 V mellom utsatt ledende del og en fase være betydelig redusert.
I Regelverk for lavspenningsanlegg (JD543) som kom ut 01.01.98 ble det gitt åpning for bruk av 230 V varmeelementer. Ved bruk av 230 V elementer skal de imidlertid være dobbeltisolerte alternativt kan de brukes skilletransformator. Grunnen til at disse tiltakene kreves ved bruk av 230 V varmeelementer er for å tilfredsstille forskriftenes krav (FEL 99) til beskyttelse mot elektrisk støt ved feil (NEK 400 kap 413.2 og 413.5).
Geografisk beliggenhet og sporvekseltype bestemmer hvor stor effekt som man bør installere. Varmeelemetene bør monteres slik at de dekker hele sporvekselens bevegelige del.
Varmeelementene klipses fast til skinnegangen, dette gjøres fordi boring ikke er tillatt.
4.1 Typer varmeelementer
Det er i hovedsak benyttet elementer med fast resistans som regel med en ytelse på 300 W/m. Nye elementer som blir montert er flatovale. Det ble montert runde elementer ble frem til 1994. Grunnen til at det benyttes flatovale elementer er at de gir bedre varmeoverføring enn runde elementer, det er fordi de har en større «flate» mot skinnelivet.
4.1.1 Runde varmeelementer
Runde varmeelementer ble montert frem 1994, dette tilsier at det er en rekke anlegg med slike varmeelementer i drift i dag. Varmeelementene er av enleder type og har en ytre kappe av rustfritt stål. De har en effekt på 300 W/m, driftspenning 60 V og er poppet eller skrudd fast til skinnen. Se figur 4.

De runde varmeelementene har en tendens til bøye seg ut fra skinnelivet, dette gir en veldig dårlig varmeoverføringsevne. Utbøyingen kommer av at elementene utvider seg når de blir varme og at klipset sitter fast slik at elementet ikke har mulighet til å vandre.
4.1.2 Flate varmeelementer
Flate varmeelementer har blitt montert siden 1994. Elementene har en ytre kappe av rustfritt stål med en innvendig varmespiral av Nikke krom, isolasjonsmaterialet er høykomprimert magnesium oksid. De har en effekt på 300 W/m, driftsspenning 60 V. Varmeelementene er klipset fast til skinnen. Se figur 5.

Varmeelementene leveres i 6 forskjellige lengder som er avpasset stokkskinne, tungeskinne og forskjellige sporvekseltyper.
4.1.3 Selvregulerende varmeelement
Det har i senere tid (fra 1997) blitt montert selvregulerende varmekabel på 3 sporveksler, elementene er dobbeltisolerte. Varmeelementene festes til skinnegangen med klips og mekanisk beskyttet med en kanal av rustfritt stål. Varmeelementene kan leveres i alle ønskelige lengder begrenset oppad av effekten. (Se figur 6). Varmekabelen har en maksimal effekt på ca. 200 W/m, driftsspenning 230 V.

4.1.4 Rådegravsvarme
I rådegraven monteres det et varmeelement på 500 W eller 1000 W dette er igjen avhengig av sporvekselens geografiske beliggenhet. En annen vesentlig del i rådegraven er drenering av vannet som danner seg der ved smelting av sne og is, dette må få mulighet til å renne vekk. Eldre rådegravsvarmeelementer består av rustfrie stålrør hvor det er trekt inn varmekabel, driftsspenningen er 230 V. Se figur 7. I dag brukes det tilsvarende varmeelement som til skinnen, disse festes til en plate av rustfritt stål. Driftspenningen er enten 60 V eller 230 V.

4.2 Forlegning
Varmeelementer må monteres både på tunge- og stokkskinne. De festes ved hjelp av klips, som bør gå rundt skinnefoten. Varmeelementet bør festes fast i en av endene, mens de andre klipsene bør sitte slik at elementet har mulighet til å vandre (p.g.a. utvidelse ved oppvarming). Grunnen til at elementet må sitte fast i en ende er at de ikke skal forskyve seg på skinnen.
Det er en rekke problemer med å feste varmeelementene med klips, se eksempler i figur 8 og 9.


Varmeelementene kan forlegges både på inn og utsiden av både stokk- og tungeskinne, det har visst seg at det ikke spiller noen rolle hvor man plasserer elementene med hensyn på snøsmeltingen. Det som avgjør plassering av varmeelementene er hvordan skinnene ser ut, altså hvor mange hindringer det er for varmeelementene.
På grunn av pakkmaskiner, renseverk, ballastfordelere og trafikk med anleggsmaskiner i sporet bør varmeelementene plasseres slik at minst mulig konflikt oppstår.
5 Transformator
Frem til 01.01.98 var det kun lov til å benytte varmeelementer med driftsspenning på 60 V. I Teknisk regelverk: Lavspenning og 22 kV/Prosjektering(åpnes i ny fane) er det gitt åpning for bruk av varmeelementer med 230 V driftsspenning. (Se kapittel 4 for utfylling). Per dags dato er det enda ikke godkjent noen sporvekselvarmeanlegg med 230 V driftsspenning på varmeelementene, derfor er det monteres det fremdeles 230 V/60 V transformatorer for forsyning til varmeelementer med driftspenning på 60 V.
Det monteres i hovedsak to forskjellige typer transformatorer for sporvekselvarmeanlegg.
Den ene typen er en liten tørr isolert transformator som plasseres enten i trafosville (se figur 10 og 11) eller i kum rett ved tilkoblingspunktene til varmeelementene. Dette gjør at det benyttes en tilførsel fra fordelingsskapet til transformatoren, videre fra transformatoren til hvert enkelt varmeelement.


Den andre typen er en olje isolert transformator som plasseres ved fordelingsskapet, det benyttes da en egen 60 V modul i fordelingsskapet. (Se figur 12). Hvert enkelt element har egen tilførsel fra fordelingsskapet, dette tilsier at kvadratet på kablene blir store i og med at driftsspenningen er 60 V. Hvis vi tar for oss ett element på 2500 W vil strømmen bli 42 A (se formel 1). I følge tabell i NEK 400 må det da benyttes en kabel med tverrsnitt på minimum 10 mm2 Cu uten koreksjonsfaktorer. Det er da ikke tatt hensyn til spenningsfallet som er avhengig av hvor lang kabelen er.

(1)
6 Styring/Overvåkning
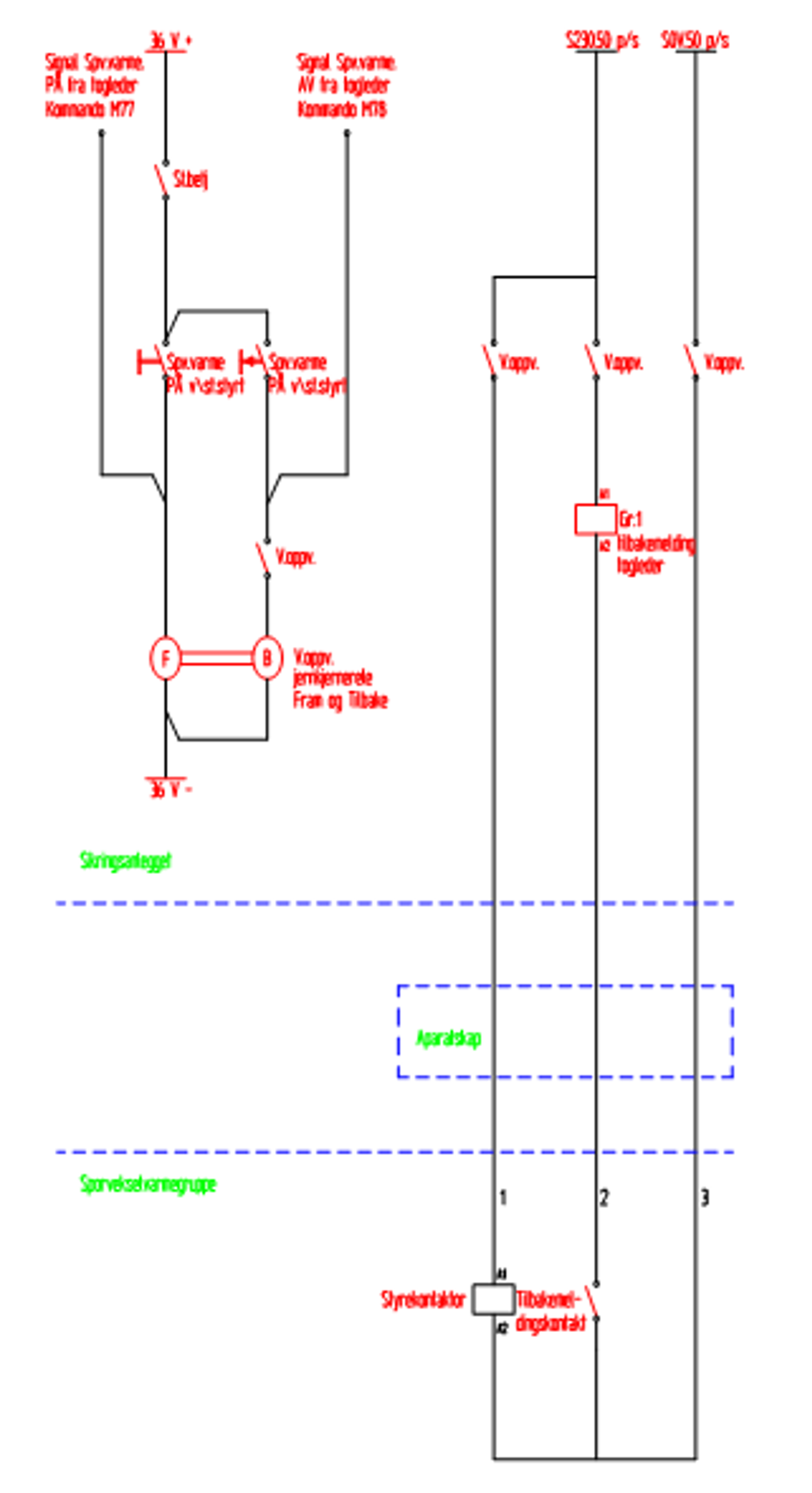
Det finnes i dag to typer overvåkningssystemer av sporvekselvarmeanlegg. Den eldste typen gir kun indikering til togleder om hovedkontaktoren ligger ute eller inne, d.v.s hvis et vern ligger ute eller et varmeelement er ødelagt får togleder ikke indikering. Overvåkningen av nyere anlegg er basert på strømreleer for hvert varmeelement dette gir indikering til togleder ved sikringsutfall og ødelagte varmeelementer. Se figur 13, tilbakemeldingskontakt.
6.1 Inn- og utkobling
Sporvekselvarmeanlegget inn- og utkobles ved hjelp av kontaktorer som styres av stålkjernerele (i signalanlegget). Releet styres av en stiller i stillerapparatet, eller ved at togleder sender en ordre.
For å indikere at sporvekselvarmeanlegget er påsatt, benyttes kontaktorer for hver sporveksel som skal oppvarmes. Disse kontaktorene, merket Gr., styres av en kontrollkontakt på styrekontaktorene ute i sporvekselvarmeanlegget. Kontrollampen, som styres av Gr.-kontaktorene, viser ikke hvit lys før alle Gr.-kontaktorene har trukket til. Det samme gjelder for indikering til togleder.
Når stasjonens sikringsanlegg er fjernstyrt, er den sorte stillerne på stillerapparatet gjort uvirksom, fordi «F»-kontakt på 2 St.betj.-releet er avfalt. For å få inn- og utkobling må henholdsvis kommandoene M77 og M78 sendes fra togledersentralen. For ytterligere informasjon se lærebok L 551 og figur 13.

7 Litteraturhenvisninger
- Jernbaneverket Ingeniørtjenesten – Evaluering av sporvekselvarme (1997).
- Jernbaneverket Region Øst v/ Ø. Melby – Testanlegg Sand st (1995).
- Jernbaneverket Ingeniørtjenesten – FoU sporvekselvarme (1993).
- NSB – Teknisk FoU – Sporveksler vinterproblemer (1986).
- Jernbaneverket Ingeniørtjenesten – Evaluering av sporvekselvarme Sørumsand st. (1998).