Returkrets og berøringsspenning
Publisert: 3. mars 2021
Oppdatert: 2. april 2025
1 Hensikt og omfang
Dette dokumentet beskriver håndtering av spenningsstigning i returkrets ved elektrisk jernbane.
2 Returkretsen og returpotensialet
Returkretsen omfatter kjøreskinner og øvrige elektriske ledere som leder returstrøm for tog, mellom en kilde (for eksempel matestasjon) og en belastning (for eksempel et tog eller en kortslutning).

Enkelt tilfelle med en kilde og en belastning.
På grunn av seriemotstanden i skinnene oppstår det en spenningsgradient i returkretsen. Denne spenningsgradienten gir en spenning mot jord i returkretsen, som er størst nær kilden og nær belastningen. Denne spenningsstigningen fører til at en del av strømmen også lekker ut til jord via jordforbindelser som konstruksjoner og mastefundamenter som er koplet til returkretsen. For lange linjer med konvensjonell utforming med betongfundamenter som er koplet til returkretsen, kan det beregnes at omtrent 25 % av den totale returstrømmen vil gå via jord.
Mer kompliserte elektriske utforminger med sugetransformatorer, autotransformatorer, returledere, og langsgående jordledere vil føre til andre spenningsstigninger mot jord. Disse utformingene med tilhørende karakteristiske spenningsstigning i returkretsen er beskrevet i Teknisk regelverk: Kontaktledning/Prosjektering og Bygging/Elektrisk utforming(åpnes i ny fane).
De ulike elektriske utformingene av kontaktledning har til felles at belastning og kortslutning i kontaktledningsnettet fører til et returpotensial, det vil si en spenningsstigning i returkretsen mot jord (referansejord, «fjern jord»). Denne spenningsstigningen betegnes skinnepotensial eller returpotensial (URE, «Rail potential»).
I tillegg til å være returkrets for belastnings- og kortslutningsstrømmer, er returkretsen også jordpotensialet som ledende deler, fundamenter og jordelektroder nær jernbanetraseen blir koplet til. Dette gjør det nødvendig å sikre at returpotensialet er innenfor gitte grenseverdier for å beskytte personer mot utillatelig høye berøringsspenninger.
Noen særskilte karakteristikker ved aktuelle elektriske utforminger er:
| Elektrisk utforming | Karakteristikker for returpotensial |
|---|---|
| Utforming A(åpnes i ny fane) |
|
| Utforming B(åpnes i ny fane) |
|
| Utforming C(åpnes i ny fane) |
|
| Utforming D |
|
|
3 Berøringsspenning
3.1 Forventet berøringsspenning UTP
Berøringsspenning oppstår når ved berøring av to ulike potensialer samtidig. De relevante farescenarioene er:
- Berøring av ledende deler tilkoplet returkretsen mens man står på jordoverflaten:
- i nærheten av et fundament som er koplet til returkretsen
- langt unna et fundament som er koplet til returkretsen
- Berøring av to ledende deler samtidig, der:
- den ene delen er koplet til returkretsen og den andre delen er jordet på stedet
- den ene delen er koplet til returkretsen, og den andre delen er jordet til et annet jordpotensial med elektroder som er langt fra sporet
Jordoverflatespenning brer seg ut fra fundamenter tilkoplet returkretsen som vist i figuren under. Spenningsforskjellen mellom det punktet på jordoverflaten man står på og returpotensialet, betegnes som forventet berøringsspenning (UTP «Prospective touch voltage»).

Tverrprofil for jordpotensialstigning. MERK: Vi har fått tilbakemelding om at det er avstanden fra nærmeste fundament som er viktig. Det innebærer at skinnene, som har god isolasjon fra jord, ikke hever jordpotensialet som vist i figuren. Figuren bør derfor rettes.
Sammenhengen mellom returpotensialet URE og forventet berøringsspenning UTP avhenger av jordresistiviteten på stedet, og kan måles. Veiledende verdier er angitt i EN 50122-1. Disse verdiene er utarbeidet for europeiske forhold, og de antas å være konservativ for norske forhold fordi jordresistiviteten i Norden normalt sett er mye høyere enn i Europa. De veiledende verdiene er angitt som følger.
Veiledende verdier for sammenheng mellom UTP og URE, som angitt i EN 50122-1. Det er tillatt å interpolere i tabellen.
| Avstand til fundament | 1 m | 2 m | 5 m | 10 m | 20 m | 50 m | 100 m |
|---|---|---|---|---|---|---|---|
| Forhold UTP/URE | 0,3 | 0,5 | 0,7 | 0,8 | 0,9 | 0,95 | 1,00 |
Der en ledende del berøres i en gitt avstand fra nærmeste elektrode eller fundament som er koplet til returkretsen, utsettes man for en forventet berøringsspenning tilsvarende den angitte eller målte andelen av returpotensialet URE på stedet.
Berøring av noe som er jordet til en elektrode som er mer enn 100 m fra nærmeste elektrode for returkretsen medfører eksponering for hele returpotensialet, det vil si at UTP = URE. Dette er det vanlige scenarioet der utstyr som er koplet til eksternt jordingsnettverk berøres samtidig med utstyr som er koplet til returkretsen. Siden denne spenningsforskjellen ofte blir stor, er den beste måten å håndtere denne risikoen på å installere slikt utstyr i tilstrekkelig stor avstand fra hverandre eller med avskjerming, slik at man ikke kommer til å ta på de to delene samtidig.
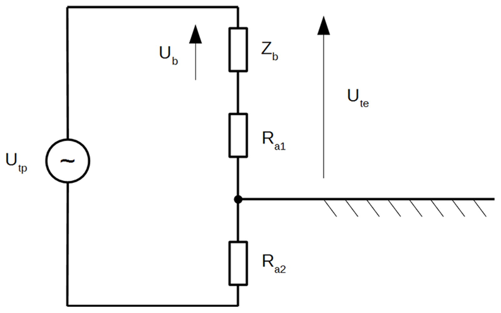
3.2 Effektiv berøringsspenning UTE og kroppsspenning Ub
Effektiv berøringsspenning er den spenningen som oppstår mellom to berøringspunkter når de blir berørt, det vil si når kretsen sluttes av en person. I denne sluttede kretsen er UTP den drivende spenningen. Denne drivende spenningen legger seg over jordmotstand Ra2, motstand i sko og hansker Ra1 i tillegg til kroppsimpedansen Zb. Effektiv berøringsspenning er den spenningen som legger seg over personen når personen har på seg sko, hansker og liknende, mens kroppspenningen er den spenningen som legger seg over personens kropp.

Kretsskjema for beregning av effektiv berøringsspenning og kroppsspenning.
Strømmen som går i kretsen er gitt av spenningen delt på kretsens totale impedans: Her antas Zb konvensjonelt å være en rent resistiv motstand.
Kroppsimpedansen for et menneske er ulineært avhengig av spenningen over kroppen og strømveien gjennom kroppen. Ved berøring hånd-hånd angir EN 50122-1 sammenheng mellom kroppsmotstand og kroppsspenning basert på målinger beskrevet i IEC 60471-1, og det er angitt at kroppsimpedansen for strømvei hånd-fot kan antas å være 75 % av dette. Figuren under viser sammenhengen for strømvei hånd-hånd og hånd-fot.

Sammenheng mellom kroppsmotstand og kroppsspenning ved berøring hånd-hånd og hånd-fot. Tallverdiene er hentet fra EN 50122-1.
Det grunnleggende forholdet en person må beskyttes mot, er strøm gjennom kroppen. EN 50122-1 tillegg D beskriver grunnleggende grenseverdier for denne strømmen som funksjon av varighet, med referanse til IEC 60479-1. Dette er grenseverdier for hva som regnes som farlig for et menneske, det kan forekomme ubehag og smerte også ved lavere strømmer. Grenseverdien for kroppstrømmen går fra 37 mA for varig eksponering lengre enn 300 s, til 475 mA ved kortvarig eksponering inntil 0,05 s. Grenseverdien for strøm er ikke avhengig av om strømveien er hånd-hånd eller hånd-fot, fordi strømmen i begge tilfeller går gjennom hjerteregionen. Figuren under gir en grafisk framstilling av grenseverdien, sammen med beregnet kroppsspenning ved strømvei hånd-fot. Fordi strømveien hånd-fot gir lavest grenseverdi for spenning anses denne også som dimensjonerende, det beregnes vanligvis ikke en egen høyere grenseverdi for berøringsspenning hånd-hånd.

Grenseverdier for kroppsstrøm og kroppsspenning som funksjon av varighet. Ub er beregnet fra kroppsstrømmen og kroppsimpedansen for strømvei hånd-fot. Tallverdiene er hentet fra EN 50122-1.
Denne kroppsspenningen Ub er utgangspunkt for de krav til berøringsspenninger som er stilt i EN 50122-1. For strømvei hånd-fot og kortvarige forløp, det vil si under kortslutning, er det tillatt at det i tillegg legges til grunn en motstand Ra1 på 1000 Ω for å hensynta fottøy som personer har på seg. Det gjør at grenseverdi for effektiv berøringsspenning blir en god del høyere enn kroppsspenningen for slike forhold. For langvarige forløp, ved normal drift, skal denne motstanden imidlertid settes til 0 Ω slik at kravet til kroppsspenning og effektiv berøringsspenning blir likt.
4 Prosjektering
4.1 Generelt
Når kravene til berøringsspenning er fastsatt, dreier prosjektering seg i stor grad om å sikre at personer ikke vil bli utsatt for spenningsforskjeller som er høyere enn kravene. Det innebærer i stor grad å bestemme:
- Plassering av autotransformatorer, sugetransformatorer, nedføringer, fundamenter og jordelektroder slik at spenningsstigning i returkretsen ved stasjonsområder og der det befinner seg mange personer, blir liten.
- Fysisk utforming slik objekter med potensialforskjell større enn grenseverdiene, ikke er tilgjengelige for samtidig berøring.
- Hvorvidt det er behov for ytterligere beskyttelsestiltak for personer som berører master og annet utstyr som er koplet til returkretsen.
- De vanligste ytterligere beskyttelsestiltakene er ringjord, isolert jordoverflate (asfalt på drenerende underlag), potensialutjevning, utisolering, plassering utenfor rekkevidde.
- EN 50122-1 beskriver også en del flere tiltak som er tilgjengelige, men der mange av dem er mer utfordrende å gjennomføre.
4.2 Grensesnitt med jordingsanlegg for eksterne strømnett
Historisk er jernbanen alltid bygget med elektrisk skille mellom returkretsen og jordingsanlegg for eksterne strømnett. Det er også ofte mest hensiktsmessig, der det er stor avstand mellom det eksterne strømnettet og jernbanen.
Imidlertid er det i en del tilfeller utfordrende å oppnå et effektivt elektrisk skille mellom anleggene. Et slikt skille krever størrelsesorden 10–20 meter mellom jordelektroder eller fundamenter for de ulike anleggene, for å unngå at det lekker mye strøm via jordsmonnet. I byområder der anlegg bygges tett på hverandre kan det være utfordrende å oppnå slike avstander.