Elektrisk systembeskrivelse av kontaktledningsanlegg
Publisert: 30. januar 2017
Oppdatert: 4. februar 2025
1 Generelt
Kontaktledningsanlegget overfører effekt mellom matestasjonen og traksjonsmateriell og andre belastninger tilknyttet kontaktledningen. I eldre anlegg skjer overføringen i kontaktledning ved 15 kV nominell spenning, med retur i kjøreskinner ved 0 kV. I nyere anlegg er det innført returledere eller AT-system med positivleder og negativleder. Følgende ledere er vanlige i et kontaktledningsanlegg. Det kan finnes ytterligere ledere parallelt med jernbanetraseen som påvirker eller påvirkes av kontaktledningsanlegget.
Ledere oversikt
| Leder | Forklaring | Nominell spenning |
|---|---|---|
| KL | Kontaktledning, omfatter kontakttråd og bæreline | 15 kV |
| RR | Kjøreskinner | 0 kV |
| RL | Returleder | 0 kV |
| LJ | Langsgående jordleder | 0 kV |
| FSL | Forsterkningsleder | 15 kV |
| PL | Positivleder (for AT-system) | + 15 kV |
| NL | Negativleder (for AT-system) | – 15 kV |
I dette kapittelet beskrives en matematisk modell som beregner hvordan strøm og spenning fordeler seg mellom ulike ledere i et slikt flerledersystem som et kontaktledningsanlegg utgjør. Denne modellen er det teoretiske grunnlaget for beregning av:
- impedansen mellom matestasjon og belastning i kontaktledningssystemet
- potensial i returkretsen
- indusert spenning i ledere som går parallelt med jernbanetraseen
- belastning på enkeltledere og komponenter i kontaktledningsnettet
I praktisk bruk er regnemodellen programmert inn i et regneprogram der numeriske parametre for beregningen angis og resultatet presenteres i form av grafer og tabeller.
2 Lineær modell
Et kontaktledningsanlegg har en tilnærmet lineær oppførsel og kan derfor for mange formål modelleres som et lineært system. Ved å anta lineær oppførsel neglisjeres ikke-lineære fenomener, i første rekke magnetisk metning og hysterese i magnetiske materialer som jern.
Figuren under viser skjematisk en linje med serielle og parallelle komponenter for et system med fire ledere. Serielle komponenter har koplingspunkter til en eller flere av lederne på hver side av komponenten, mens parallelle komponenter kun har en kopling til hver leder.

En lineær elektrisk modell av en komponent eller et system av komponenter kan uttrykkes ved hjelp av en admittansmatrise. Admittansmatrisen angir strømmen som påtrykkes alle systemets terminaler, som funksjon av spenningen ved hver enkelt terminal, der både strømmen og spenningen er viserverdier. Skrevet på matriseform for et system med n terminaler:
For systemet i figuren har vektoreneogn elementer hver, en for hver terminal, mens admittansmatrisenhar (n x n) elementer.
Hver komponent i systemet kan også uttrykkes ved sin admittansmatrise. Systemets admittansmatrise er summen av admittansmatrisene for alle komponentene. Elementer i admittansmatrisen som mellom terminaler som ikke er sammenkoplet, har admittansverdien 0.
Under forutsetning av at en komponent eller et system har minst en jordforbindelse er den tilhørende admittansmatrisenfor komponenten eller systemet inverterbar. Det er da mulig å uttrykke alle systemets spenninger som funksjon av påtrykket strøm i alle terminaler, via den inverse admittansmatrisen, som kalles impedansmatrisen. De aller fleste av terminalene blir ikke påtrykket strøm, og i de resterende terminalene er strømmen ofte kjent. Derfor er det ofte av interesse å beregne spenning på bakgrunn av kjente verdier for strøm.
Ved å sette inn belastninger fra tog eller kortslutninger ved aktuelle terminaler får man som resultat spenningen ved samtlige andre terminaler i systemet. Dette kan så benyttes til videre å beregne strøm- og spenningsprofil for hver enkelt komponent.
Forhold som ikke er lineære, og som derfor må tilnærmes i en lineær modell, er:
- magnetiske egenskaper for stålskinner, som gjør stålets indre reaktans ulineært avhengig av strøm og frekvens
- strømfortrengning i ledere, som gjør den elektriske motstanden i en leder ulineært avhengig av frekvens
- temperaturavhengighet for parametre som ohmske motstander
- metning og hysterese i transformatorer
- aktivt styrte belastninger, for eksempel tog
I de kommende avsnittene beskrives hvordan admittansmatrisen etableres for de ulike komponenttypene i et kontaktledningssystem:
- Seriell komponent: Transmisjonslinje
- Seriell komponent: Sugetransformator
- Seriell komponent: Seksjonering eller brudd
- Parallell komponent: Autotransformator
- Parallell komponent: Jordforbindelse
- Parallell komponent: Kilde og belastning
3 Transmisjonslinje
3.1 Generelt
Modellering av transmisjonslinje er gjort for:
- Enkel linjesløyfe: Modellering av en enkelt sløyfe med fram- og tilbakeleder.
- Transmisjonslinje med flere parallelle ledere: Modellering av system med flere parallelle ledere og jord.
3.2 Enkel linjesløyfe
I Script: Enkel linjesløyfe er det angitt en Scilab-funksjon som utfører beregningene i dette avsnittet.
Den enkleste formen for problemet er ei enkel linjesløyfe. Det finnes mye teori som beskriver problemet, og problemet har kjent analytisk løsning. Det tas i avsnittet en rask gjennomgang av den grunnleggende teorien, fordi den samme framgangsmåten benyttes for analyse av et flerledersystem.
En kontaktledning med retur i kjøreskinner kan forenklet betraktes som ei linjesløyfe, hvis man ser bort fra lekkasje til jordsmonn. Telegraflikningen tar utgangspunkt i et svært kort segmentav linjesløyfa. Linjesegmentet har en seriell resistansog reaktans, og en parallell konduktansog susceptans. Her er L, C oghenholdsvis linjas induktans, kapasitans og vinkelfrekvens.

Telegraflikningene – Kretsskjema for et linjesegment dx.
Parametrene kan skrives om slik at impedansen blirog admittansen blir. Parametrene kan finnes ved beregning eller ved måling.
Det serielle spenningsfallet dU over dette linjesegmentet er gitt av Ohms lov:
(i)
Strømmen som lekker gjennom admittansenutgjør forskjellen i strøm over linjesegmentet. Denne strømmen er proporsjonal med spenningen:
(ii)
Likningene (i) og (ii) danner et koplet likningssett som i litteraturen kalles for telegraflikningene. Likningssettet kan ordnes med matriserepresentasjon på følgende måte:
Her har systemmatrisen A dimensjonene (2 x 2). Løsningen på et slikt likningssett er beskrivet i flere lærebøker i lineæralgebra, for eksempel i Referanse [1]. En rask innføring er gitt i Wikipedia: Matrix differential equation(åpnes i ny fane).
Egenverdienetil systemmatrisen A er:
der:
er linjas forplantningskonstant.
De tilhørende egenvektorene kan finnes til å være:
der:
er linjas karakteristiske impedans.
Forplantningskonstantener en kompleks størrelse og et mål på hvordan en strøm/spenning dempes og forandrer fase langs ei transmisjonslinje. Den karakteristiske impedansener et mål på sammenhengen mellom strøm og spenning i ei transmisjonslinje.
Egenvektoreneogordnes så i en egenvektormatrise:
Egenvektormatrisenhar følgende inverse:
Løsningen er gitt av følgende uttrykk:
der:
- oger strøm og spenning ved posisjonen
- er en diagonal 2x2-matrise med diagonale elementerog
- er den resulternede løsningsmatrisen
Skrevet fullt ut er løsningsmatrisen:
Løsningen gir en komplett beskrivelse av strøm og spenning i alle punkter langs ei transmisjonslinje, dersom strømmen og spenningen ved posisjoner kjent.

Et linjesegment med lengde l har lineære karakteristikker og kan beskrives komplett ved en 2x2 løsningsmatrise Φₗ eller en admittansmatrise Yₗ.
For ei linje av lengdesom vist i figuren over mellom punkteneogkan man finne sammenhengen mellom strøm og spenning ved de to linjeendene ved:
der:
. Grunnen til det negative fortegnet forer at vi nå definerer strømmen som positiv inn i linja ved begge linjeender.
Man vil i mange tilfeller kjenne spenningen ved de to linjeendene, og ønske å beregne strømmen. Da kan likningssettet skrives om på admittansmatriseform slik at:
Man kan finne at matrisener:
3.3 Transmisjonslinje med flere parallelle ledere
3.3.1 Beskrivelse av transmisjonslikningene for flerledersytem
I Script: Transmisjonslinje er det angitt en Scilab-funksjon som utfører beregningene i dette avsnittet. For parametrisering av modellen henvises det til Parametre for flerledersystem.
Ved flere parallelle ledere blir framgangsmåten svært lik den som er skissert for ei linjesløyfe, men matematikken blir så komplisert at den ikke kan gjøres analytisk. Den må derfor i stedet gjennomføres numerisk, vanligvis ved hjelp av en datamaskin.
I tillegg til selvimpedans for hver enkelt leder vil det også være en gjensidig impedans mellom alle lederne. Den gjensidige impedansen gir et tillegg til spenningen over en leder som følge av strømmen i hver av de andre lederne. For et system med n (1, 2, … n) ledere kan dette beskrives med matriser på følgende måte:
På tilsvarende måte kan det være en konduktiv eller kapasitiv lekkasje mellom hver leder i et ledningssystem. Dette kan beskrives på matriseform på følgende måte for de samme lederne:
Parametermatrisene,,oger bestemt ut ifra benyttede ledermaterialer, isolasjonsmaterialer, jordsmonn, systemets geometri og driftsfrekvens. Bestemmelse av parametermatrisene er beskrevet i Parametre for flerledersystem.
På kompakt matriseform kan disse likningene skrives:
(i)
(ii)
Det er to vanlige tilnærminger for å løse dette likningssettet. De beskrives i avsnittene under.
- Metode 1 er enklest å forstå, men den er utsatt for numerisk ustabilitet ettersom den innebærer at man må invertere en stor matrise som nesten er singulær (determinanten har lav verdi).
- Metode 2 har bedre numerisk stabilitet, men har større abstraksjonsnivå og krever derfor dypere forståelse.
3.3.2 Metode 1: Sett med første ordens koplete differensiallikninger
Det to likningene (i) og (ii) kan kombineres til et felles sett med første ordens koplete differensiallikninger med en systemmatrise A:
Her er systemmatrisenen kompleks matrise med dimensjoner (2n x 2n).
Systemmatrisenhar 2n egenverdiermed 2n tilhørende egenvektorer. Disse må finnes numerisk for aktuelle parametermatriser. Systemets løsning blir på formen:
der:
- oger strøm og spenning ved posisjonen
- er en diagonal (2n x 2n)-matrise med diagonale elementer
- er (2n x 2n) egenvektormatrisen der kolonne nr. i er egenvektorentil egenverdien, oger den resulterende løsningsmatrisen med dimensjoner (2n x 2n).

Et linjesegment med lengde l har lineære karakteristikker og kan beskrives komplett ved en 2nx2n løsningsmatrise Φₗ eller admittansmatrise Yₗ.
På samme måte som for den enkle linjesløyfa kan man for ei linje med lengdesom vist i figuren over mellom nodeneogfinne sammenhengen mellom strøm og spenning ved de to linje-endende ved:
For å finne admittansmatrisebeskrivelsen deles løsningsmatriseninn i fire (n x n) submatriser på følgende måte:
En kan da finne at beskrivelsen på admittansmatriseformblir:
der:
3.3.3 Metode 2: Andre ordens differensiallikning, modalanalyse
De to likningene (i) og (ii) kan kombineres ved at (i) først deriveres:
Deretter settes uttrykket forfra likning (ii) inn i likning (i):
Tilsvarende operasjon kan gjøres for strøm, der resultatet blir:
Løsningen på disse ekvivalente settene av andre ordens differensiallikninger finnes ved såkalt modalanalyse der likningene transformeres til n uavhengige andre ordens differensiallikninger, som kan løses direkte.
De to matrisene Z·Y og Y·Z har de samme egenverdiene λi, men ulike egenvektormatriser Tv og Ti. Det kan vises at man kan finne en modal problemformulering ved hjelp av egenverdiene γi egenvektormatrisene Tv og Ti, der differensiallikningen kan løses direkte for hver mode. Løsningene kombineres deretter tilbake til fysiske admittanser i en admittansmatrise ved den inverse transformasjonen.
For hver mode finner man en karakteristisk impedans:
og en forplantningskonstant γmi:
For hver mode finner man admittansmatrisen for ei linje med lengde l:
Til slutt transformeres hvert element i impedansmatrisen for alle modene tilbake til fysiske admittanser. Her kan det utnyttes at de to diagonale elementene er like, og at de to ikke-diagonale elementene er like, slik at transformasjonen kun må gjøres for to elementer. De modale elementene ordnes i diagonale matriserder i og j er 1 eller 2.
Linjas endelige admittansmatrise kan til slutt settes sammen til:
4 Sugetransformator
I Script: Sugetransformator er det angitt en Scilab-funksjon som utfører beregningene i dette avsnittet.
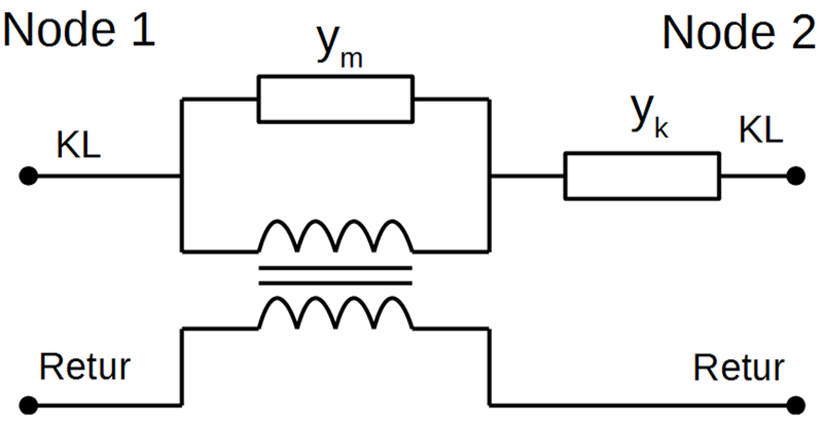
Ekvivalentskjema for en sugetransformator kan tegnes som vist i figuren under, der ym er magnetiseringsadmittansen og yk er kortslutningsadmittansen.

Ekvivalentskjema for sugetransformator. TODO: Endre fra «Node 1» og «Node 2» til «Node R» og «Node S»
Basert på dette skjemaet kan en admittansmatrise etableres som følger:
For å finne verdiene for parametrene ym og yk leser man datablad for en sugetransformator. I Norge benyttes to typer sugetransformator: 600 A og 800 A, og dataene for disse er gjengitt under. For de fleste praktiske formål kan ym settes til 0 S, men ved analyse av brudd i returkretsen og ved modellering av metning ved høy belastning og ved kortslutning får denne betydning.
Data for sugetransformatorer
| Parameter | Symbol | Enhet |
Sugetransformator 600 A |
Sugetransformator 600 A |
Sugetransformator 800 A |
|---|---|---|---|---|---|
| Merkeytelse (datablad) | Sr | kVA | 55 | 55 | 95 |
| Merkestrøm (datablad) | Ir | A | 600 | 600 | 800 |
| Merkespenning (datablad) | Ur | V | 91,7 | 91,7 | 118,75 |
| Merkeimpedans (beregnet) | Zr | Ω | 0,1528 | 0,1528 | 0,1484 |
| Kortslutningstap (målt) | Pk | W | 5 759 | 4 429 | 7 012 |
| Tomgangstap (målt) | Po | W | 9 | 39 | 40 |
| Tomgangsstrøm (målt) | Io | A | 0,2 | 0,6 (antatt) | 0,5 (antatt) |
| Kortslutningsimpedans (målt) | ez / ek | % | 22,89 | 20,24 | 18,2 |
| Kortslutningsresistans (beregnet) | er | % | 10,47 | 8,05 | 7,38 |
| Kortslutningsreaktans (beregnet) | ex | % | 20,36 | 18,57 | 16,64 |
| Magnetiseringsadmittans (beregnet) | ym | mS | 2,18 | 6,55 | 4,21 |
| Magnetiseringskonduktans (beregnet) | gm | mS | 1,07 | 4,64 | 2,84 |
| Magnetiseringsreaktans (beregnet) | bm | mS | 1,90 | 4,61 | 3,11 |
| Produsent | ABB | Møre Trafo | Møre trafo | ||
| Kilde | EH-800131 | EH-800207 | EH-800208 | ||
| Kortslutningsadmittans | yk | S | 13,08 -j 25,42 | 12,84 -j 29,65 | 14,62 -j 32,87 |
| Magnetiseringsadmittans | ym | mS | 1,07 +j 1,90 | 4,64 +j 4,61 | 2,84 +j 3,11 |
5 Autotransformator
I Script: Autotransformator er det angitt en Scilab-funksjon som utfører beregningene i dette avsnittet.
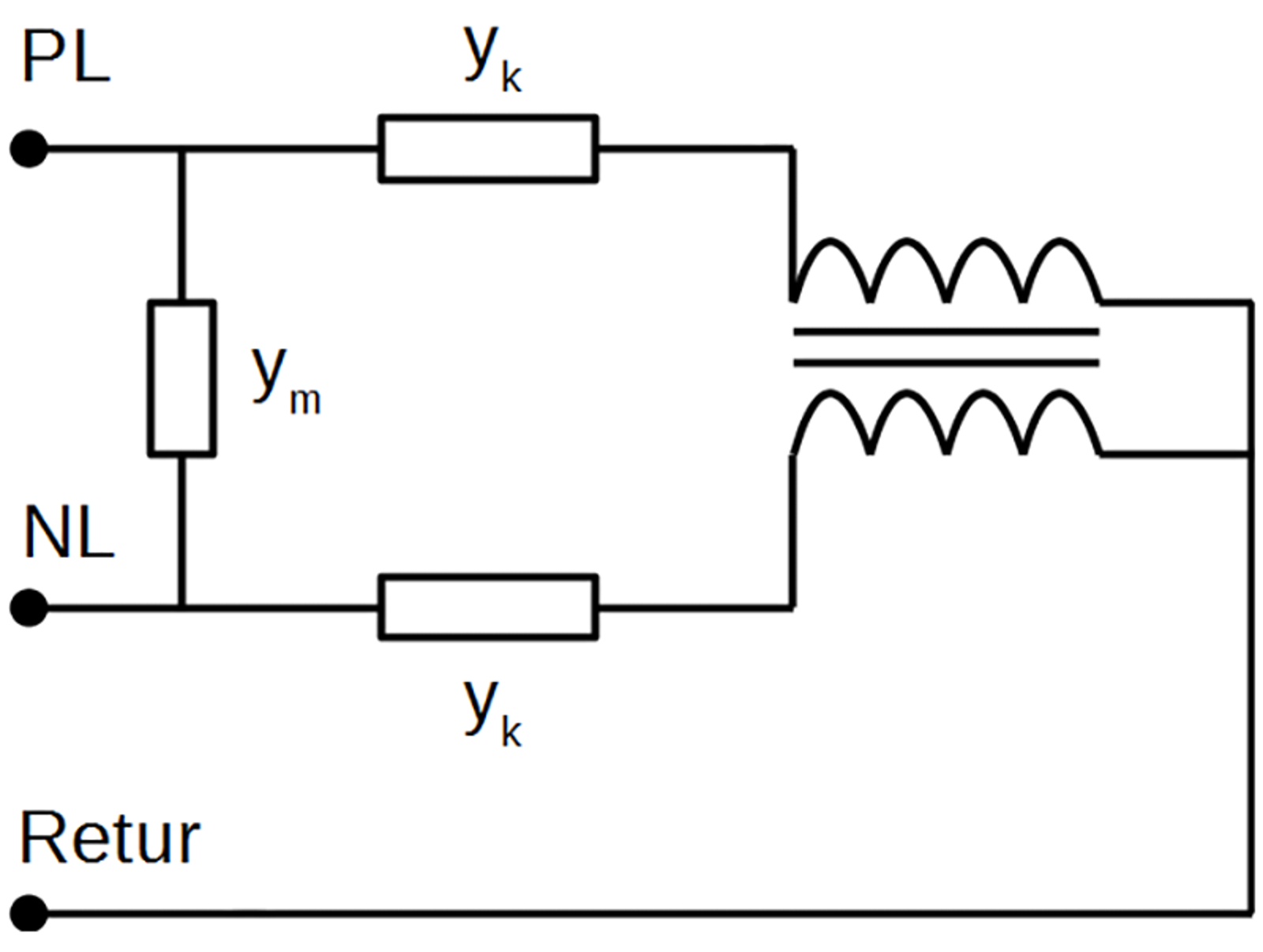
En autotransformator kan tegnes som vist i figuren.

Ekvivalentskjema for autotransformator.
Den tilhørende admittansmatrisen kan finnes ut fra skjemaet til å være:
Parametrene yk og ym kan beregnes ut ifra transformatorens datablad. Merk: For krestsskjemaet og admittansmatrisen som er angitt over, må verdiene autotransformatorens høyspentvikling brukes. Datablad for en 5 MVA autotransformator fra ABB angir (kilde: EB.800106).
Data for autotransformatorer
| Parameter | Symbol | Enhet |
Autotransformator 5 MVA høyspentvikling |
|---|---|---|---|
| Merkeytelse (datablad) | Sr | kVA | 5000 |
| Merkespenning (datablad) | Ur | V | 33 000 |
| Merkestrøm (beregnet) | Ir | A | 151,5 |
| Merkeimpedans (beregnet) | Zr | Ω | 217,8 |
| Kortslutningstap (datablad) | Pk | W | 10 600 |
| Tomgangstap (datablad) | Po | W | 2600 |
| Tomgangsstrøm | Io | A | Ikke angitt |
| Kortslutningsimpedans (datablad) | ez / ek | % | 0,4 |
| Kortslutningsimpedans (beregnet) | ez / ek | Ω | 0,8712 |
| Kortslutningsresistans (beregnet) | er | Ω | 0,4617 |
| Kortslutningsreaktans (beregnet) | ex | Ω | 0,7388 |
| Magnetiseringskonduktans (beregnet) | gm | µS | 2,3875 |
| Magnetiseringssusceptansantatt lik 2,5 · gm | bm | µS | 5,9688 |
| Produsent | ABB | ||
| Kilde | EH-800403 | ||
| Kortslutningsadmittans | yk | S | 0,6082 - j 0.9735 |
| Magnetiseringsadmittans | ym | µS | 2,3875 + j 5,9688 |
6 Seksjonering
I Script: Seksjonering er det angitt en Scilab-funksjon som utfører beregningene i dette avsnittet.
En seksjonering kan tegnes som en seriell admittans som vist i figuren under.

Ekvivalentskjema for seksjonering.
Admittansmatrisen for en slik seriell admittans er:
For en ren seksjonering er motstanden svært stor, og admittansen y kan settes til.
7 Jordforbindelse
En jordforbindelse er en forbindelse mellom et tilkoplingspunkt i systembeskrivelsen (normalt tilkoplet returkretsen), og fjernt jordsmonn. Jordforbindelsen omfatter overgangsmotstanden i en jordelektrode. Admittansbeskrivelsen av en jordforbindelse er:
der:
- iR er strømmen i jordforbindelsen tilknyttet tilkoplingspunkt R.
- yRE er admittansen mellom tilkoplingspunkt R og jordpotensialet e.
- uR er spenningen mot jord ved tilkoplingspunkt R.
Verdien for yRE i et tilkoplingspunkt er den inverse overgangsmotstanden:
Verdien for overgangsmotstand må måles eller anslås ved beregning. For modellering er det antatt at matestasjoner har en admittans på 0,1 S, og for AT-kiosker er det antatt en admittans på 0,02 S for hver AT-kiosk.
8 Kilde og belastning
Ved kilder og belastninger kan strøm styres mellom ulike ledere i systemet. Ved en kilde går strøm inn i kontaktledningen og ut av kjøreskinnene. Motsatt går strøm ut av kontaktledningen og inn i kjøreskinnene ved belastninger.

Kretsskjema for en kilde modellert som en Norton-ekvivalent.
8.1 Kilde
I Script: Kilde er det angitt en Scilab-funksjon som utfører beregningene i dette avsnittet.
Kilder modelleres som Norton-ekvivalenter som er koplet mellom kontaktledningen og kjøreskinnene.
iK er den Norton-ekvivalente strømmen til kilden. yK er den Norton-ekvivalente admittansen til kilden.
iK og yK bestemmes på følgende måte:
- yK er kildeadmittansen for den aktuelle kilden. Kildeadmittansen kan velges som en statisk verdi (regulatorkarakteristikk) eller en dynamisk verdi (admittans i maskiner og transformatorer) avhengig av hva som skal beregnes.
- Tomgangsspenningen u0 velges, vanligvis til 16 500 V i norsk banestrømforsyning.
- Den Norton-ekvivalente strømmen iK settes lik. Ved yK = -j 100 S og u0 = 16 500 V blir iK = -j 16 500 kA.
Admittansmatrisen for en kilde er:
Strømvektoren for kilden blir:
8.2 Belastning
I Script: Belastning er det angitt en Scilab-funksjon som utfører beregningene i dette avsnittet.
Belastninger kan modelleres på flere måter:
- Som en ren strømkilde. Denne metoden gir god kontroll på belastningsstrømmens amplitude, men dårlig kontroll på fasevinkelen. Fasevinkelen må eventuelt bestemmes iterativt for å styre hvor stor belastningsstrømmens fasevinkel blir.
- Som en admittans yB. Denne metoden gir god kontroll på belastsningsstrømmens fasevinkel, men den gir dårlig kontroll på amplituden. Admittansens størrelse må eventuelt bestemmes iterativt for å styre hvor stor belastningsstrømmens amplitude blir.
- Som en Norton-ekvivalent, dvs. en kombinert admittans og strømkilde. Denne metoden kan brukes for å styre spenningen ved belastningen, men gir ganske komplisert beregning.
- Som en fast aktiv effekt P og reaktiv effekt Q. Denne metoden krever at det gjennomføres en lastflytanalyse (for eksempel med Newton-Raphson-iterasjon). Det krever omfattende programmering å implementere dette, og regnetiden kan bli stor.
Dersom det er flere belastninger samtidig i samme beregning, må det enten gjennomføres en lastflytanalyse, eller så må man akseptere at belastningens fasevinkel ikke blir riktig. En funksjon for lastflytanalyse er ikke utarbeidet her, og det er valgt å bruke metode nummer 1 (konstant strømbelastning) for angivelse av belastningens størrelse.
Belastningsstrømmen iB settes lik den strømmen som belastningen skal trekke i den aktuelle noden. Ved beregning av spenningen ved belastningen, justeres fasevinkelen iterativt slik at strømmens fasevinkel blir lik fasevinkelen til spenningen ved belastningen. Vanligvis blir fasevinkelen svært nær 0°, slik at et tilnærmet resultat kan oppnås ved å sette fasevinkelen til 0°.
Strømvektoren for belastningen blir:
9 Referanser
- Edwards, Penney: Elementary Linear Algebra, Pearson, 1987. ISBN 9780132582605.