Elektrisk systembeskrivelse av kontaktledningsanlegg
Publisert: 24. januar 2012
Oppdatert: 4. februar 2025
1 Elektrisk systembeskrivelse
Kontaktledningensanleggets oppgave er å transportere energi fra leverandør (matestasjon) til forbruker (traksjonsmateriell) og tilbake til leverandøren. Den elektriske utrustning som er nødvendig for å lede strømmen frem til forbruker betegnes som fremleder. Fremlederen består av kontaktledningen og eventuelt forsterknings- og/eller forbigangsledning. Kontaktledningen omtales nærmere i punkt 1.1 Kontaktledning. Den elektriske utrustningen som trengs for å lede strømmen fra forbruker tilbake til leverandør betegnes som returkrets. Returkretsen består, forenklet sagt, av skinner, jord og returledning. Returkretsen omtales mer detaljert i punkt 1.2 Returkrets. Strømmen som går i kontaktledningsanlegget, kalles banestrøm.

Utstyr laget for bruk i trefasenett brukt i jernbanens enfasenett
De strømførende lederne i et trefasenett har en viss spenning i forhold til hverandre og til jord. Linjespenningen er spenningen mellom to faser. Denne spenningen kalles også for linjens driftsspenning. Fasespenningen er spenningen mellom fase og jord. Fasespenningen er linjespenningen delt på. Ved elektrisk jernbanedrift er den ene fasen i høyspenningsanlegget skinnene som toget kjører på. Det betyr at denne fasen er på tilnærmet jordpotensiale. Dette medfører at driftsspenningen for jernbanen tilsvarer fasespenningen i et trefasenett. Dette må tas hensyn til ved innkjøp av høyspenningsmateriell beregnet for trefasenett til bruk i jernbanens enfasenett. Ved kjøp av høyspenningsmateriell for trefasedrift er den spenningen som oppgis som bruksområde for materiellet normalt systemets driftsspenning/linjespenning.

Eksempel
En høyspenningsbryter er i produktkatalogen oppgitt til å være en 24 kV bryter. Dette betyr at bryteren er godkjent for 24 kV spenning mellom fasene. Et trefaseanlegg med denne driftsspenningen har følgende spenning mot jord 24 kV/= 13,85 kV. I Jernbaneverkets kontaktledningsanlegg er driftsspenning = fasespenning = 15 kV. Dette fører til at en bryter beregnet på trefasedrift med oppgitt linjespenning på 24 kV ikke kan benyttes for elektrisk banedrift med driftsspenning på 15 kV. Det betyr at dersom man skal velge en bryter fra en produktkatalog for trefase til bruk i Jernbaneverkets enfaseanlegg, må en 36 kV bryter velges. Imidlertid må man være oppmerksom på at det finnes elektrisk materiell på markedet laget spesielt for banedrift, og som da oppgis med driftsspenning lik 15 kV.
Galvanisk korrosjon
Aluminium og kobber må ikke kobles sammen på grunn av faren for galvanisk korrosjon. Elektrokjemisk eller galvanisk korrosjon oppstår som en følge av en elektrisk spenning mellom forskjellige metaller. Det edleste metallet, i dette tilfellet kobber, vil ha det høyeste elektriske potensialet og vil tære opp metallet med lavest elektrisk potensial, i dette tilfellet aluminium, som følge av den elektriske strømmen som oppstår mellom metallene. Dette er viktig å ta hensyn til i kontaktledningsanlegget der man har utstyr både av kobber og aluminium. For eksempel må ikke bryterledninger av kobber være i kontakt med utliggerrør av aluminium, og ved nærføring av kobber- og aluminiumsliner bør aluminiumslinen ligge øverst slik at eventuelt regnvann drypper fra aluminium til kobber og ikke omvendt.
1.1 Kontaktledning
Generelt
Ved JBV benyttes et enfaset elektrisk anlegg med kontaktledningen som fremleder og skinne/returledning som tilbakeleder. Skissen under viser en veldig forenklet oversikt over strømkretsen av et anlegg med returledning hele veien. På strekninger uten returledning eller med delvis returledning (bare inne på stasjoner) blir prinsippet det samme, men da går returstrømmen i skinnestrengen der det ikke er returledning. Lekkstrømmene til jord er ikke vist på skissen. Returkretsen er mer kompleks en det som fremgår her, og for mer utdypning av den problemstillingen og sugetransformatorens funksjon, se punkt 1.2.3 Sugetransformator. Som man ser av skissen er skinnestrengen en driftsleder og har dermed en spenning mot jord. Denne spenningen er vanligvis ikke farlig da det er relativt lav overgangsmotstand til jord over sviller og pukk.

På grunn av muligheten for store belastninger over tid kan det oppstå varmgang i dårlige forbindelser. Det er derfor viktig at alle forbindelser i hovedstrømveien er presset med godkjent pressverktøy. I tabell 1 er det vist en oversikt over tillatt strømbelastning.
Systemer
Tabell 1: Tillatt strømbelastning
| System | Belastning (A) |
|---|---|
| 35 | 600 |
| 20 | 600 |
| 25 | 800 |
1.1.1 Seksjonering
Ordet seksjonering kan bety to ting:
- Seksjonering av en strekning, hvordan strekningen er deles opp elektrisk med tanke på fremføring av tog, personellsikkerhet og vedlikeholdsarbeider.
- Forskjellige typer seksjoner slik som dødseksjon, beskyttelsesseksjon og seksjon.
Begge punktene blir behandlet i den videre teksten.
Type 1
Når man har en strekning som skal deles opp, må man ta hensyn til de punktene som er nevnt over.
Fremføring av tog, her må strekningen deles opp slik at tog kan kjøre frem til signaler uten å kortslutte et eventuelt seksjonsdele.
Personellsikkerhet, her må strekningen deles opp slik at når det er folk ute og arbeider på en strekning er det små muligheter for at de kommer i farlig nærhet av spenningførende ledninger.
Vedlikeholdsarbeider, strekningen bør deles opp slik at når det skal være vedlikehold på strekningen kobles strømmen ut på så korte strekninger som mulig slik at toggangen blir minst mulig berørt.
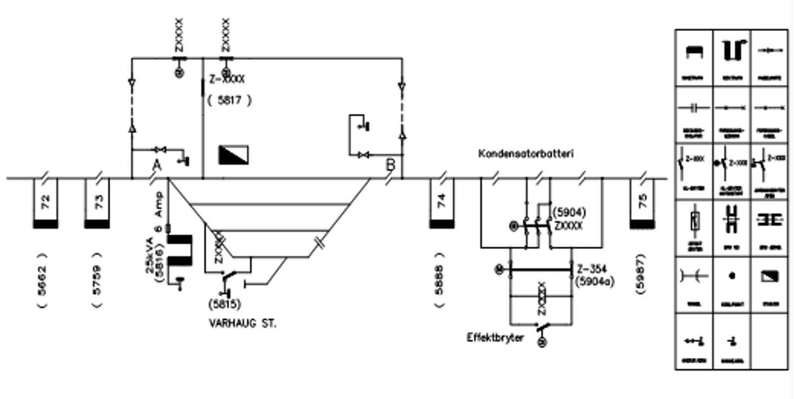
I figur 4 er det vist en enkelsporet strekning med en stasjon og et kondensatorbatteri med dødseksjon. Man ser strekningen er delt opp ved innkjørsignaler merket A og B, samt ved kondensatorbatteriet/dødseksjonen. Denne oppdelingen gjør at hvis det foregår arbeider ute på strekningen eller inne på stasjonen, er strømbruddet begrenset ved hovesignalene. Tog har ingen mulighet til å «kjøre» strøm inn på utkoblet og jordet strekning. For å dele opp strekninger kan man bruke seksjonsdele eller isolatorer.

Type 2
De mest vanlige typer seksjoner vi benytter er vist i figur 5. Dødseksjonene brukes midt mellom to matepunkter. Den skal hindre at tog har muligheter for sammenkobling av to matestasjoner når den ligger ute. Effektbryteren har overvåkningsreleer som gjør at bryteren kobler automatisk ut hvis spenningen blir borte fra den ene siden. Beskyttelsesseksjon anvendes gjerne utenfor vognbehandlingshaller og lignende. Dette for å forhindre at et lokomotiv kan «kjøre» spenning inn i hallen. Beskyttelsesseksjonen er normalt utkoblet. Seksjonsdele med sugetransformator anvendes ute på fri strekning der man ønsker å sette opp en sugetransformator. Man bør prøve å legge disse slik at de passer inn med full ledningslengde. Seksjonsdele anvendes der man ønsker å del opp strekningen, det kan være i forbindelse med en sløyfe, et hovedsignal eller annet sted.

1.2 Returkrets
Returkretsen (returlederen) skal danne en sammenhengende strømvei fra belastning tilbake til matepunkt. Strømføringsevnen i returkretsen må svare til strømføringsevnen i kontaktledningen. Den avhenger av hvilken systemløsning anlegget har (System 20, System 25, System 35 eller Tabell 54). Alle komponenter som inngår i returkretsen må være dimensjonert for minst samme strømbelastning, og de må ha samme isolasjonsnivå mot jord. I følge Teknisk regelverk skal isolasjonsnivået for returkretsen mot jord være minimum 1000 V. Teknisk regelverk sier også at det ikke skal være brytere eller sikringer i returkretsen, og at alle koblinger til skinnegangen skal skje med godkjent skrudd forbindelse. Det er svært viktig at det ikke oppstår brudd i returkretsen. Returstrømmen vil alltid velge minste motstands vei tilbake til matestasjonen. Den vil derfor ved et brudd i kretsen, søke andre ledende gjenstander som kan gi en returvei. Dermed kan returstrømmen for eksempel følge signal- og jordledninger, gjerder og ledninger for vann og kloakk. Dette kan forstyrre og ødelegge tele-, data- og signalutstyr, og i verste fall sette menneskers liv og helse i fare. Strømgjennomgang i kabler som ikke er dimensjonert for å føre returstrømmen kan føre til temperaturstigning og fare for brann. Returstrøm på avveie, såkalte vagabonderende strømmer, har forårsaket store ødeleggelser i omkringliggende eiendommer og på elektriske anlegg tilhørende både Jernbaneverket og andre.
Det benyttes forskjellige løsninger for hvordan returkretsen er koblet. Returkretsen består i sin enkleste form av skinner og jord. I tillegg kan sekundærsiden av sugetransformatoren, filterimpedanser, tilkoblingsledninger og egen returledning som går parallelt med skinnegangen, inngå. I Jernbaneverket er det fire aktuelle konfigurasjoner, eller systemer, for returstrømkretsen. Disse har fått betegnelsen system A, B, C og D. Den nedenfor stående oversikt over systemene er i det vesentlige hentet fra [4] og [7].
System A
Her består returkretsen av skinner og jord. På strekningen mellom matepunktet og belastningen vil returstrømmen avledes fra skinnene til jord. Økende avstand mellom matepunkt og belastning gir økende avledning. Jordstrømmen er størst midt mellom matepunkt og belastning. Matepunktet trekker til seg like mye strøm som det leverer ut på kontaktledningen slik at skinnestrøm og jordstrøm samler seg her. Hvor stor del av returstrømmen som vil avledes til jord avhenger av overgangsimpedansen mellom skinner og ideell jord. Overgangsimpedansen er satt sammen av impedansen mellom skinner og ballast, mellom ballast og jord, og resistiviteten til jordsmonnet. Overgangsimpedansen mellom skinner og jord er bestemmende for hvor stor avledningen blir. Ledningsevnen til jordsmonnet har i tillegg innvirkning på spredningen av jordstrømmen. Til lavere ledningsevnen i jordsmonnet er, til større blir spredningen. Store jordstrømmer med stor spredning kan være opphav til forstyrrelser på, og i verste fall ødeleggelse av, andre elektriske anlegg langs jernbanen. Jordingsforholdene i Norge er generelt karakterisert med høy resistivitet, og system A gir stor spredning i jordstrømmene. System A benyttes mest der jorden har god ledningsevne (ned mot 50 ohmmeter spesifikk motstand). Under slike forhold vil returstrømmen følge sporet. Slike forhold har en på store deler av kontinentet, men i Skandinavia bare i Skåne. Typiske verdier for spesifikk motstand i jord ved forskjellige typer jordsmonn er vist i tabell 2.
Tabell 2: Spesifikk motstand i jord ved forskjellig typer jordsmonn [19]
| Type jordsmonn | ρ [Ωm] |
|---|---|
| Våt jord (sump) | 5–40 |
| Leire, matjord | 20–200 |
| Sand | 200–2500 |
| Grus | 2000–3000 |
| Morene | opptil 30000 |
| Fjell | 1000–50000 |
I Norge brukes system A i dag kun på Ofotbanen og deler av Bergensbanen. For Bergensbanen gjelder dette strekningen mellom Haugastøl og Upsete, med unntak av Finsetunnellen der anleggsutførelsen tilsvarer system D.

System B
Returkretsen består av skinner, jord og sugetransformator. Ved hver sugetransformator legges det inn isolerte skjøter i skinnene. Sekundærviklingen på sugetransformatoren kobles i serie med skinnegangen. Tilkobling til skinnegangen skjer på utsiden av de isolerte skjøtene, se figur 7. Primærviklingen på sugetransformatoren kobles i serie med kontaktledningen. Sugetransformatorens oppgave er å styre returstrømmen til å følge skinnegangen. Kontaktledningsstrømmen går gjennom primærviklingen og returstrømmen gjennom sekundærviklingen. På den måten «suges» jordstrømmene opp i skinnene. Magnetiseringsstrømmen kan ikke gå i sekundærviklingen på sugetransformatoren, og den vil derfor gå i jorden. Sugetransformatoren omtales nærmere i punkt 1.2.3 Sugetransformator. System B er den mest brukte konfigurasjonen for returkretsen i Norge på fri strekning.

System C
Returkretsen består av skinner, jord, sugetransformator og returledning. Returledningen føres parallelt med skinnegangen og forbindes til den midt mellom hver sugetransformator. Denne forbindelsen mellom returledningen og skinnegangen kalles nedføring. Sugetransformatorens sekundærvikling kobles i serie med returledningen. For anlegg med returledning er det stor forskjell på strømmen i skinnegangen i områdene mellom to nedføringer, alt etter om der er tog der eller ikke. Dersom der er tog i området, vil returstrømmen gå i skinner og jord til nærmeste nedføring, for deretter å gå i returledningen tilbake til matepunktet. Dersom det ikke er tog i området mellom to nedføringer vil returstrømmen gå i returledningen. Det vil likevel flyte en strøm i skinnene i et slikt ubelastet område. Denne strømmen består av indusert strøm og magnetiseringsstrøm. Ved system C kan magnetiseringsstrømmen gå både i skinner og jord. System C benyttes i dag på Gardermobanen.

System D
En kombinasjon av system B og C. Det vil si et anlegg med sugetransformator og returledning. Til forskjell fra system C har system D, som system B, isolerte skinneskjøter ved sugetransformatoren. Returledningen kobles til skinnegangen midt mellom sugetransformatorene. For system D vil magnetiseringsstrømmen gå i jorden. Dette systemet benyttes på strekninger med dobbeltisolerte, konvensjonelle sporfelt. Det vil si 95/105 Hz sporfelter som har isolerte skjøter mellom hvert sporfelt.

Vurdering av systemene
Som nevnt ovenfor er det system B og D som til nå har vært mest benyttet i Norge. Forskjellen på de to systemene er at D har egen returledning og B ikke. Begge systemene har isolerte skinneskjøter ved sugetransformatorene. System B er på vei ut da Teknisk regelverk [2] krever at det bygges returledning ved alle nyanlegg. Dersom man sammenligner system C og D, som begge er systemer med egen returledning, er system C en enklere løsning, da dette systemet har færre komponenter i sporet. Med tanke på å minimalisere feilkildene skulle system C være å foretrekke. Årsaken til at man ikke er gått over til system C er frykten for å miste eller få en dårligere skinnebruddsindikering. Både kontaktledningsanlegget og signalanlegget benytter skinnegangen som transmisjonsmedium. Derfor må valg av system for returkretsen og valg av signalanlegg samkjøres slik at man får det beste anlegget totalt sett. I punkt 1.2.1 Signalanlegg følger en kort beskrivelse av signalanlegg. Beskrivelsen setter fokus på de deler av systemet som signalanlegget har felles med returstrømkretsen for kontaktledningsanlegget, det vil si skinnene og komponenter som er koblet til skinnene. Innholdet i beskrivelsen er hentet fra [4] og [3].
1.2.1 Signalanlegg
Signalanlegget skal opprettholde sikkerheten ved jernbanen. Anlegget koordinerer og styrer togtrafikken på jernbanenettet. Til signalanlegget hører sikringsanlegg for den enkelte stasjon og anlegg som CTC (Centralised Train Control) og ATC (Automatic Train Control). Sikringsanlegg består av bl.a. sporfelter, releer, signaler i sporet, drivmaskiner for sporveksler og sikring av planoverganger.
Sporfelter med isolerte skjøter
Sporfeltene har til oppgave å gi informasjon om et sporfelt er belagt eller ikke. Dersom et sporfelt er belagt kan det bety at det enten befinner seg tog på feltet, det foregår arbeider der eller at det har oppstått skinnebrudd. Et sporfelt er en skinneseksjon som utgjør en selvstendig elektrisk krets med egen spenningskilde og belastning. Sporfeltene mates med 95 eller 105 Hz spenning. Frekvensene er valgt ut fra ønske om minst mulig påvirkning fra banestrømmens 162/3 Hz. Mellom skinnestrengene påtrykkes det en spenning kalt sporfeltspenning, denne spenningen forårsaker en strøm som går via skinnene og et relé i enden av sporfeltet. Ved fritt spor skal releet være tiltrukket. Når det kommer et tog inn på feltet, vil hjulparene kortslutte sporfeltspenningen og releet faller. For å hindre at sporfeltspenningen på et felt påvirker releene på nabofeltene, må man ha isolerte skjøter mellom feltene. Det er to typer tradisjonelle sporfelter; enkelt- og dobbeltisolerte. Sporfelter med isolasjon bare i den ene skinnestrengen kalles enkeltisolerte. Enkeltisolerte sporfelter benyttes på stasjonsområder, og gir kun skinnebruddsindikasjon i en skinnestreng. Den uisolerte skinnestrengen benyttes som returforbindelse for banestrømmen og som beskyttelsesjord for master og annet materiell nær sporet. Prinsippet for enkeltisolert sporfelt er vist på figur 10. Når sporfeltet ikke er belagt vil det gå en strøm, I, fra spenningskilden, U, frem til releet gjennom den ene skinnestrengen. Strømmen vil trekke releet til og gå tilbake til kilden gjennom den andre skinnestrengen. Når sporfeltet er belagt vil vognakslingene på toget kortslutte skinnestrengene, og strømmen, I, vil gå gjennom akslingene tilbake til kilden. Strømmen, I, vil ikke nå frem til sporfeltreleet som derfor vil falle av og indikere sporfeltet som belagt.

Ved dobbeltisolerte sporfelt er begge skinnene isolert. Returstrømmen for kontaktledningsanlegget går i begge skinnestrengene og passerer de isolerte skinneskjøtene ved hjelp av filterimpedanser. For mer informasjon om filterimpedansenes virkemåte se punkt 1.2.5 Koblinger i returkretsen. Dobbeltisolerte sporfelt benyttes utenfor stasjonsområdene, på fri linje, og gir skinnebruddsdeteksjon i begge skinnestrenger. Prinsippet for dobbeltisolert sporfelt er vist i figur 11.

Ved fritt spor skal releet være tiltrukket, og spenningen i enden av sporfeltet skal være på et visst nivå. Kravet til hvor stor spenningen i enden av sporfeltet skal være gir begrensninger i sporfeltenes lengde. Avgjørende her er impedansen i skinnene og avledningen mellom skinnestrengene. Avledningen mellom skinnene via ballast og jord påvirkes av forhold som fuktighet, temperatur, forurensning i ballasten og anleggsdeler som er beskyttelsesjordet til skinnegangen. For å redusere avledningen er skinnene isolert fra svillene med egne isolasjonsplater (flesk). Anleggsdeler som er jordet til skinnegangen fungerer som jordelektroder og gir dermed økt avledning fra skinnegangen. En måte å forlenge et sporfelt på er å la en spenningskilde mate i begge retninger med relé i begge ender. Dette kalles midtmatet sporfelt, og det kan ansees som to endematede felt med felles tilførsel. Begge releer må være tiltrukket for at feltet skal indikeres som fritt.
Dersom man ønsker å fortsette et sporfelt forbi en isolert skinneskjøt kan man benytte en overdragstransformator. Overdragstransformatoren er en enkel 1:1 transformator koblet til hver side av den isolerte skjøten. Den benyttes også til å snu polariteten til sporfelter, slik at nabofelter er i motfase og ikke påvirker hverandre. Ved dobbeltisolerte felt skal banestrømmen fordele seg likt på begge skinnestrenger. Banestrømmen forårsaker derfor ingen spenningsforskjell mellom overdragstransformatorens tilkoblingepunkter og det vil ikke gå banestrøm i viklingen. Dersom banestrømmen er ulikt fordelt og det er spenningsforskjell mellom skinnestrengene, risikerer man å få banestrøm i overdragstransformatorens viklinger. Dette kan føre til skadelig oppvarming og til metning. Ved enkeltisolerte sporfelter skal det ikke være noen mulighet for banestrømmen til å komme videre fra den isolerte skinne. Banestrømmen vil derfor ikke søke over fra den uisolerte til den isolerte skinne. Feil kan imidlertid oppstå, og feilene har de samme konsekvenser som ved dobbeltisolerte sporfelt. Sporfeltstrømmen som flyter frem i den ene skinnestrengen og tilbake i den andre på grunn av sporfeltspenningen vil derimot ledes forbi skjøtene.
Ved valg av frekvens på sporfeltstrømmen er det viktig at frekvensen velges slik at sporfeltene ikke påvirkes negativt av kontaktledningsanleggets returstrøm. Det vil si at frekvensen ikke må være lik banestrømmens frekvens, dvs. 16 2/3 Hz, og heller ikke falle sammen med noen av banestrømmens harmoniske. Det er derfor valgt å benytte en sporfeltfrekvens på 95 eller 105 Hz. Problemer med forstyrrelse fra overharmoniske komponenter i frekvensområder som kan påvirke sporfeltene er behandlet av bla. Lyftingsmo [8], som ser nærmere på problemer med forstyrrelser fra lokomotivet EL 16, og Henriksen og Toftevåg [9] ser nærmere på problemstillingen med 100 Hz (6. harmoniske av banestrømmen) og dens påvirkning på sporfeltene.
Skjøteløse sporfelter
Alternativ systemløsning for sporfelter er bruk av audiofrekvente spenningskilder. Ved denne systemløsningen er sporfeltene er adskilt med en elektrisk skjøt. Sporfeltene på hver side av den elektriske skjøten har ulik frekvens. Sporfeltsystemene kan på denne måten operere side om side uten isolerte skinneskjøter. Et slikt system reduserer behovet for filterimpedanser. Hvor mange filterimpedanser det vil være behov for avhenger av hvilket jordingssystem som velges (langsgående jordleder eller beskyttelsesjording direkte til skinnegangen). Dessuten benytter systemet høye frekvenser og er derfor mindre følsomt for støy fra banestrømmen. Systemet benyttes i dag på Gardermobanen og på en enkeltsporet strekning, Gulskogen–Mjøndalen.
For ytterligere informasjon om sporfelter henvises til «Lærebok i Signal», L551, kapittel 14, «Sporfelter» [14] og til rapport «Skjøteløse sporfelt» [10].
Feil på sikringsanlegget
Det finnes prinsipielt to typer feil i sikringsanlegget: sikkerhetsfeil og driftsfeil. En feil som fører til at sikringsanlegget indikerer fritt sporfelt når feltet egentlig er belagt, kalles en sikkerhetsfeil. En sikkerhetsfeil kan få alvorlige konsekvenser ved at flere tog kan kjøre inn på samme sporfelt samtidig. Dersom det motsatte skjer at et sporfelt blir indikert som belagt når det egentlig er ubelagt, kalles det en driftsfeil. En driftsfeil er ikke kritisk for sikkerheten, men kan gi driftsforstyrrelser (forsinkelser i toggangen etc.). Ved utformingen av signalanlegget forsøker man å få til at alle feil blir driftsfeil. Typiske årsaker til driftsfeil i sporfeltene kan være [4]:
- Lekkstrømmer. Lekkstrømmer kan oppstå ved lav overgangsmotstand mellom skinner og jord. For store lekkstrømmer resulterer i for lav holdespenning og releet løser ut selv om sporfeltet ikke er belagt.
- Metning i sporfelt transformatorene. Metning kan oppstå på grunn av skjevspenning mellom skinnene. Fenomenet er omtalt nedenfor.
- Skinnebrudd. Et skinnebrudd resulterer i at hele eller deler av spenningskildens potensiale legger seg over bruddet. Resultatet blir ubalanse mellom releets to faser. «Holdekriteriet» er dermed ikke oppfylt, og releet slipper.
- Kortslutning over skinneskjøter. Nabofeltene mates med spenningskilder som er i motfase. Ved kortslutning over skinneskjøtene vil spenningskildene utligne hverandre, og releene på begge sporfelter vil miste spenningstilførselen.
- Induserte spenninger på signalkablene. Sporfeltkomponentene plasseres i egne rom ved stasjoner eller liknende. Informasjonsoverføring mellom sporfeltet og dets komponenter går via signalkabler. Induserte langsspenninger kan gi støy i overføringen.
Skjevspenninger
Dersom returstrømmen er ujevnt fordelt mellom skinnene oppstår skjevspenning. Differansestrømmen møter høyere impedans i filterimpedansen enn i sporfelt-transformatoren, og foretrekker å gå i den. Slik skjevspenning kan oppstå ved:
- enkeltisolerte sporfelt, der kun den ene skinnestrengen fører returstrøm
- ulik avledning fra skinne til jord
- ulik ledningsevne i skinnene
- ulik impedans i skinneforbindelser som kobler sammen skinnelengder
- belastningsøkning utover merkeverdi
Skjevspenningen fører deler av banestrømmen til sporfelt-transformatoren og adderes til sporfeltstrømmen. Dersom transformatoren går i metning, vil sporfeltspenningens pendlinger (95 Hz eller 105 Hz) ikke gi noe respons på utgangen av transformatoren. Konsekvensen er at sporfeltreet «slipper» og signalanlegget varsler belagt sporfelt. Mulige tiltak mot skjevspenninger er:
- bruk av returledning
- innkorting av sporfeltlengdene
Siden returstrømmen i enkeltisolerte sporfelt kun går i den uisolerte skinnen vil det, med store returstrømmer, oppstå spenningsforskjeller mellom skinnene. Foruten det ovenfor nevnte problem med metning i sporfeltkomponentene, er dette lite ønskelig med tanke på mulig berøringsfare. Bruk av enkeltisolerte sporfelt egner seg derfor best for anlegg med returledning. Skinnestrengen vil her kun føre returstrøm på strekningen mellom lokomotivet og nærmeste nedføring, og uakseptabelt høye skjevspenninger vil forekomme sjeldnere.
1.2.2 Returledning/kabel
Det skal bygges returledning ved alle nyanlegg i Jernbaneverket. Som tidligere nevnt under omtalen av system C og D, vil returledningen redusere strømmen i skinnegangen og dermed også strømmen i jord. Ved å henge returledningen opp på mastene slik at frem- og returstrøm føres fysisk nærmere hverandre, vil den elektromagnetiske koblingen mot andre langsgående ledere reduseres. Strømføringsevnen til returledningen skal minst være like god som strømføringsevnen i kontaktledningen. For å øke driftssikkerheten, skal returledningen bestå av to separate ledninger. Som returledning benyttes i dag 2x240 mm2 Al. I følge Teknisk regelverk [2] skal returledningen ha et isolasjonsnivå mot jord på minimum 1 kV, og den ansees som lavspentledning med hensyn på sikkerhetsavstand. Returledningene henges opp i bakkant mast, symmetrisk om øvre utliggerkonsoll og med en innbyrdes avstand på 0,5 meter. Avstanden mellom returledning og kontaktledning, og mellom returledning og eventuelle andre ledninger som forsterkningsledning og forbigangsledning, må være så stor at det oppnås sikkerhet mot overslag selv i ugunstigste stilling.
Returledningen bør ikke legges i kabelkanal. Dersom den på grunn av tvangspunkter må legges som kabel i kanal, skal returkablene legges ved siden av hverandre i samme rom i kabelkanalen. Et slikt tvangspunkt kan for eksempel oppstå når kontaktledningsmastene skifter side i forhold til sporet på et sted der det ikke er mulig å sette opp bardun.
Mellom kontaktledningsanlegget og matestasjon går returstrømmen som oftest i kabel. For å redusere induksjonen bør mate- og returkabler legges ved siden av hverandre i samme rom i kabelkanal. Av samme grunn bør mate- og returledninger i luft følge samme trasé.

1.2.3 Sugetransformator
Sugetransformatoren benyttes i kontaktledningsanlegget for å redusere den delen av returstrømmen som går i jord. I tillegg fører bruk av sugetransformator til et redusert spenningsfall i returkretsen. Sugetransformatoren er en strømtransformator med omsetningsforhold 1:1 (ideelt sett). Sugetransformatorens primærvikling kobles i serie med kontaktledningen, og sekundærviklingen kobles i serie med returkretsen. Dermed utnyttes det magnetiske felt i transformatoren til å styre skinnestrømmen til å bli omtrent lik kontaktledningsstrømmen på det sted hvor sugetransformatoren står. Ved hver sugetransformator med nullfelt legges det inn isolerte skjøter i skinnestrengen. Sekundærviklingen kobles til skinnegangen på utsiden av disse. Den delen av skinnegangen som ligger mellom de isolerte skjøtene kalles nullfelt, og den skinnen som midtuttaket på sugetransformatoren kobles til kalles nullskinnen. Ved å benytte to isolerte skjøter og midtnedføring får en delt spenningen over sekundærviklingen på sugetransformatoren på to skinneskjøter. Dermed blir berøringsspenningen halvert.
Sugetransformatoren må dimensjoneres i samsvar med forventet strømbelastning på strekningen der den plasseres, slik at normale laststrømmer ikke forårsaker metning eller for stort spenningsfall i viklingene.

Virkemåte
Det meste som står i dette avsnittet er hentet fra [11] og [4]. Sugetransformatorens primærstrøm (kontaktledningsstrømmen) setter opp fluks i primærviklingen. Sekundærviklingen omslutter mesteparten av fluksen og vil derfor generere en spenning som driver sekundærstrømmen I2. For en strømtransformator er belastningen på sekundærsiden bestemmende for størrelsen på den genererte spenningen. I2 setter opp en motfluks som kompenserer for påvirkningen fra primærfluksen. Med omsettingsforhold 1:1 vil sekundærviklingen behøve like stor strøm som I1 for å oppnå full kompensasjon. Slik vil sekundærviklingen «suge» til seg returstrøm.
I realiteten er sugetransformatoren ikke ideell. Den kan representeres ved hjelp av komponenter som illustrerer følgende forhold:
- Lekkfluks: sekundærviklingen omslutter ikke den totale fluksen som primærstrømmen setter opp.
- Tap: på grunn av resistiviteten i viklingene vil primær- og sekundærstrømmen medføre ohmsk spenningsfall over viklingene.
- Magnetisering: magnetiseringsstrømmen driver transformatorens resulterende fluks i jernet, det vil si et gjenværende felt som sekundærviklingen ikke kan kompensere.
I figur 14 er disse forhold representert ved komponenter som er kjent fra transformatorteorien: Zlekk representerer lekkfluks og ohmske tap for både primær- og sekundærsiden, referert primærsiden. Zmagn representerer magnetiseringen. Fysikalsk kan magnetiseringsfenomenet forståes slik: Den nevnte genererte spenningen på sekundærsiden som driver I2 gir også mulig strømtrasé i forbi viklingen. Aktuell trasé forbi viklingen er i jord for systemer med 0-felt, og i både skinner og jord for systemer uten 0-felt. Impedanseforholdene i sporet og overgangsmotstanden til jord er avgjørende for størrelsen på denne. Ispor kan representeres på primærsiden ved Imagn som vist i figuren (hvis man ser bort fra strømsløyfer i jord, generert av sekundærspenningen, som ikke returnerer til matepunktet). I figur 14 er dessuten impedansen i kontaktledningen og returkretsen mellom matepunkt og belastning representert ved henholdsvis Zkl og Z2. Zjord er samlet impedans for overgangsmotstanden mellom skinner og jord, og resistiviteten i jord. Representasjonen her er en liten tilsnikelse: I virkeligheten vil Zkl og Z2 fordele seg langs hele strekningen og på begge sider av sugetransformatoren.

På grunn av impedansen i returkretsen, oppstår spenningsfall mellom belastning og matepunkt. Et slikt spenningsfall er uheldig på grunn av at skinnene i tillegg til å være returforbindelse for banestrømmen også skal fungere som beskyttelsesjord for alle ledende anleggsdeler nær sporet. Spenningsforskjell mellom skinner og jord representerer berøringsfare, både ved direkte berøring av skinnene, og ved berøring av materiell som er jordet til skinnene. Sugetransformatoren er viklet slik at spenningsfallet på sekundærsiden virker med motsatt fortegn i forhold til spenningsfallet i returkretsen for øvrig. For å illustrere hvordan dette foregår, anta en belastningssituasjon som medfører en gitt kontaktledningsstrøm, Ikl, og et gitt spenningsfall, Ikl * Zlast. Figur 15 viser spenningsdiagram for et kontaktledningsanlegg med tre sugetransformatorer mellom belastning og matepunkt. For enkelthets skyld antas ensidig mating til belastningen.

De stiplede linjene viser spenningsfallet langs kontaktledning og returkrets uten sugetransformator. De heltrukne linjene viser tilsvarende med sugetransformator. På grunn av lekkreaktans Zlekk og magnetiseringsreaktans Zmagn bidrar sugetransformatorene med ytterligere spenningsfalllangs kontaktledningen:
(1)
består i hovedsak av Imagn Zmagn, siden Imagn Zmagn >> Ikl Zlekk Ser man dessuten bort fra sløyfestrømmer på sekundærsiden får vi at spenningsfallet på sekundærsiden er lik. Som en konsekvens avser vi at spenningsfallet over belastningen forskyves nedover i spenningsdiagrammet. Dvs. at potensialet i returkretsen ved belastningen havner omtrent på samme nivå som jordpotensialet ved matepunktet.virker i motsatt retning av spenningsfallet i returkretsen for øvrig.
Avstand mellom sugetransformatorene
Sugetransformatorene settes vanligvis opp med en innbyrdes avstand på 3–4 km. For sugetransformatorer med nullfelt skal avstanden ikke være større enn at varig og kortvarig spenning over den isolerende skjøten ikke overstiger verdiene til maksimal berøringsspenning, se tabell 3.
Tabell 3: Tillatt berøringsspenning i henhold til EN 50 122
| Utkoblingstid [s] | Berøringsspenning [V] |
|---|---|
| 0,02 | 940 |
| 0,05 | 935 |
| 0,1 | 842 |
| 0,2 | 670 |
| 0,3 | 497 |
| 0,4 | 305 |
| 0,5 | 225 |
Avstanden mellom sugetransformatorene uten nullfelt må ikke være så stor at avledningen til jord blir for stor. Økende avstand gir økende avledning. Jordstrømmene er størst midt mellom sugetransformatorene Det har vært praksis å dimensjonere avstanden slik at annenhver sugetransformator kan kobles ut uten at det oppstår farlige spenninger for mennesker og utstyr i og langs sporet. Disse spenningene avhenger av skinnepotensialet, som igjen blir bestemt av de impedansmessige forhold i systemet og strømbelastningen. Endelig fastleggelse av sugetransformatoravstandene kan ikke foretas før det er fortatt måling av den reelle avledning til jord på den berørte strekning. For nærmere studium av faktorer av betydning for avstanden mellom sugetransformatorene, se P. Sture «Lærebok for kontaktledningsingeniører, del II» [7].
Plassering av sugetransformatoren
Sugetransformatoren kobles til kontaktledningsanlegget ved et seksjonsfelt. Den må plasseres i seksjonsfelt da isolasjonsavstanden mellom kontaktledningspartene ikke er stor nok i et vekslingsfelt. Vanligvis plasseres den på en plattform mellom to kontaktledningsmaster, men sugetransformatoren kan også plasseres i kiosk på bakken dersom det er hensiktsmessig. Når et tog passerer en sugetransformator vil strømavtakeren kortslutte primærviklingen, og togakslingene kortslutte sekundærviklingen. På grunn av togets lengde varer den sekundære kortslutningen lenger enn den primære. For å begrense varigheten må ikke sugetransformatorer plasseres på steder der en kan forvente at toget stopper.

Lengden av nullskinnen
Lengden på nullskinnen har vært 15 m. I den senere tid har lengden på lokomotivene økt. Togene kjører med høyere hastigheter som følge av bedre materiell og infrastruktur. Dette har ført til at det er reist spørsmål om det er behov for å øke lengden av nullskinnen til 30 m. For å svare på dette spørsmålet, må alle forhold som en slik lengdeøkning kan ha betydning for, belyses, både når det gjelder kontaktledningsanlegg og signalanlegg. Når det gjelder kontaktledningsanlegget, er det viktig at de isolerte skjøtene og kontaktledningspartenes veksling er koordinert, slik at vekslingen skjer symmetrisk i nullfeltet. I verste fall kan vekslingen finne sted før lokomotivet kommer inn på nullskinnen, og da kan man risikere at det oppstår så stor spenning over skinneskjøten at den brenner av. Det dynamiske løftet av kontaktledningen avgjør hvor langt lokomotivet kjører på begge ledningspartene. For eksempel vil lokomotivet kjøre på begge ledningene i underkant av 11 m dersom strømavtakeren forårsaker et løft på 10 cm. Et løft på 10 cm er det maksimalt påregnelige ved de aktuelle toghastigheter (´t 200 km/t). Beregningen er gjort for et kontaktledningsanlegg av type System 20, og med sugetransformatoren plassert i et seksjonsfelt som går over tre spennlengder. Med nullskinne på 30 m er det ikke så stor fare for at vekslingen av kontaktledningspartene skal begynne på utsiden av nullfeltet.
1.2.4 Beregning av skjøtspenning og sporstrøm

Den strøm som mates inn i skinnene ved belastningspunktet består av belastningsstrømmen som lokomotivet trekker, samt magnetiseringsstrømmen fra sugetransformatorene. Fremlederstrømmen, eller kontaktledningsstrømmen dersom anlegget ikke har forsterkningsledning, er lik summen av belastningsstrøm og magnetiseringsstrøm. Magnetiseringsstrømmen flyter i jord mellom belastningspunkt og matepunkt.
Belastningsstrømmen flyter dels i skinne og dels i jord fra belastningspunkt til matepunktet. Den andel som flyter i skinnene betegnes som den innmatede sporstrøm, mens den andel som flyter i jord ofte betegnes som jordstrøm. Ved hver sugetransformator «suges» jordstrømmen opp i sugetransformatorens sekundærvikling.
I elektroteknisk sammenheng blir skinnene som fører returstrøm betegnet som «spor». Eksempelvis kan nevnes at ved enkeltspor med dobbeltisolerte sporfelt vil «sporet» være parallellkoblingen av to skinnestrenger.
På grunn av den elektromagnetiske kobling mellom jordsløyfene kontaktledning–jord og skinner–jord, blir det indusert en strøm i kretsen spor–jord. Den induserte induserte sporstrøm superponerer seg med den innmatede sporstrøm. Den induserte sporstrøm er konstant.
Den totale sporstrøm er summen av innmatet- og indusert sporstrøm. Der det er enkeltsporet bane med dobbeltisolerte sporfelt, vil den totale sporstrøm fordeles likt mellom de to skinnestrengene.
I eldre sugetransformatorer som brukes ved Jernbaneverket er magnetiseringsstrømmen ca. 2 % av kontaktledningsstrømmen. I nye sugetransformatorer er jernkjernen forbedret og magnetiseringsstrømmen er her under 1 %. Nedenfor følger et eksempel på beregning av sporstrøm og skjøtspenning for et kontaktledningsanlegg med returkrets av type system B. Tallmaterialet som benyttes i eksempelet er målte verdier og erfaringstall. Hvordan impedansen i kontaktledningsanlegget kan måles og beregnes er omtalt i Lærebok Banestrømforsyning [13].
Dersom et lokomotiv ved et gitt tidspunkt befinner seg i sugetransformatorfeltet til høyre for suger n+1, kan den totale sporstrømmen Is, som flyter fra sugetransformator n+1 til sugetransformator n, skrives som:
(2)
Det første leddet uttrykker den induserte sporstrøm, mens ledd nr. to uttrykker den innmatede sporstrøm. Potensialet, eller spenningen mellom spor og jord, kan skrives som:
(3)
Skjøtspenningen fås av, og skjøtspenningen kan skrives som:
(4)
Parameterne som inngår i overfor nevnte uttrykk er:
- IF = Kontaktledningsstrøm [A]
- k1 = Andelsfaktor
- Im = Magnetiseringsstrøm [A]
- γ = Gangkonstant pr. km
- x = Avstand mellom sugetransformator n og det betraktede punkt [km]
- s = Sugetransformatoravstand [km]
- ζ = Bølgeimpendans [ohm]
Noen av de nevnte parametre er igjen funksjoner, og for kort å belyse disse sammensatte forholdene nevnes at andelsfaktoren er gitt av:
(5)
- = Gjensidig impedans [Omega/km]
- Zs = Langsimpedans [Omega/km]
Gangkonstanten er gitt av:
(6)
Y = Avledning [S/km]
Bølgeimpedanse er gitt av:
(7)
Eksempel
Dersom man har skinnetype UIC 54, en jordmotstand lik 5000 ohmmeter, og avledningen lik 0,1 fås følgende verdier av langsimpedans, gjensidig impedans, andelsfaktor, gangkonstant og bølgeimpedans:
Anta at:
- IF = 100
- Im = 1%
- S = 3,0
- x = 1,5
Verdier for den totale sporstrøm og skjøtspenning blir da:
Uskjøt
Dersom avstanden mellom sugetransformatorene økes til 6 km, det vil si, S =6,0, forandrer verdiene seg til:
1.2.5 Koblinger i returkretsen
Koblinger i returkretsen må være veldefinerte slik at det ikke oppstår dårlige kontakter eller brudd. Alle komponenter som benyttes må ha samme strømføringsevne og isolasjonsnivå mot jord som de øvrige komponentene i kretsen. Teknisk regelverk [2] krever at alle tilkoblinger til skinnegangen skal skje med godkjent skrudd forbindelse.
Det foretas koblinger i og til returkretsen ved:
- returledningens nedføring til skinnegangen
- sugetransformatorer
- ulike koblinger i skinnegangen
- utjevningsforbindelser (jordinger)
- tilkoblinger som er nødvendige for signal og sikringsanlegg
Koblingene i punkt 1, 2 og 3 er forbindelser som det normalt går banestrøm gjennom, i utjevningsforbindelsene nevnt i punkt 4, går det bare strøm ved eventuelle feilsituasjoner, og i tilkoblingene nevnt i punkt 5, skal det bare gå strøm tilhørende de nevnte anlegg. Da det ikke bare er banestrømmen som benytter skinnegangen som transmisjonsmedium, må man være ekstra varsom ved alle koblinger i og til skinnegangen. Sikringsanleggets funksjon må alltid ivaretas Det må ikke foretas koblinger som gjør at skinnebruddsindikeringen blir borte eller at sporfelt indikeringen forstyrres. Det kan for eksempel skje ved koblinger som gir sporfeltstrømmen en alternativ vei å gå ved et eventuelt skinnebrudd, eller ved at avledningen til jord blir for stor som følge av at store ledende gjenstander kobles til en skinnestreng. Det er typen sporfelt som bestemmer om det kan kobles direkte til skinnegangen eller ikke. For sporfeltenes funksjon, se punkt 1.2.1 Signalanlegg. Hvis det ikke kan kobles direkte må koblingen skje via en filterimpedans eller impedansspole som den også kalles. Type sporfelt (95/105 Hz sporfelter eller skjøteløse sporfelter) bestemmer også hvilken type filterimpedans som må benyttes. Hvor filterimpedanser benyttes og hvordan den virker er forklart nedenfor. Forklaringen bygger i det vesentlige på [11].
Filterimpedans
Det benyttes filterimpedanser på strekninger som har dobbeltisolerte sporfelter. Når skinnegangen er dobbeltisolert, går returstrømmen i begge skinnestrenger. Det vil på slike strekninger være behov for filterimpedans i forbindelse med:
- forbikobling av returstrøm ved isolerte skinneskjøter
- overgang fra dobbeltisolerte til enkeltisolerte sporfelter
- tilkobling av anleggsdeler som for eksempel sugetransformatorer eller jordet materiell
- nedføringer fra returledning til sporet (system C og D)
Ved skinneskjøter i enden av sporfelter «filtrerer» filterimpedansene returstrømmen forbi de isolerte skinneskjøtene, og fordeler returstrømmen likt i begge skinnestrenger på den andre siden. Ved overgang fra enkeltisolerte til dobbeltisolerte sporfelter fordeler filterimpedansen returstrømmen fra den ene skinnestrengen likt på begge skinnestrengene, se figur 18.
Dobbeltisolert sporfelt →← Enkeltisolert sporfelt

Ved tilkobling av sugetransformatorer samler filterimpedansen returstrømmen til sekundærviklingen, se figur 19.

Ved nedføringer, det vil si der hvor returledningen er koblet til skinne, samler filterimpedansene returstrømmen fra begge skinnenestrengene og leder den opp i returledningen. Dersom anleggsdeler er beskyttelsesjordet til skinnene via filterimpedanser, blir eventuelle feilstrømmer fordelt på begge skinner.
Prinsippet for filterimpedansen er at all strøm som er likt fordelt på skinnene møter lav impedans. Strøm som er ulikt fordelt møter høy impedans.

Filterimpedansen består av en tobenet jernkjerne med en vikling. Den er vanligvis nedsenket i olje i en vanntett kasse, og den plasseres normalt på bakken, ca. 2,5 m fra spormidt med lokket i plan med svillens overkant. Filterimpedansene har tre tilkoblingspunkter: A, B og midtuttak. Punkt A og B kobles til hver sin skinne. Midtuttaket kobles til midtuttaket på filterimpedansen på motsatt side av skinneskjøten, eller til en av de ovenfor nevnte anleggsdeler. Ved dobbeltisolerte sporfelt fører hver skinne halve returstrømmen. Dette fører til at returstrømmen fra hver skinne vil lage et felt i filterimpedansen som motvirker hverandre. Det resulterende felt i spolen blir null og impedansen i spolen blir liten. Signalstrømmen går derimot i en retning gjennom filterimpedansen, fra den ene skinnen til den andre. Dette gir et ensrettet felt i filterimpedansen, og dermed blir impedansen i spolen høy. Dermed vil filterimpedansen sperre for signalstrøm, men lede banestrøm. Filterimpedansen som brukes ved 95/105 Hz sporfelterhar to bruksområder. Den ene er for full kontinuerlig banestrøm på 600 A ved 16 2/3 Hz, og den andre er for kortslutningsstrøm med merkeverdi 20 kA i 0,5 sek. til bruk der hvor det må foretas beskyttelsesjording til begge skinnestrenger. For skjøteløse eller andre typer sporfelter må det dokumenteres at filterimpedansen virker etter hensikten, eventuelt må nye typer utvikles.

Oversikt over ulike koblinger i skinnegangen (jfr. pkt 3 ovenfor)
Skinneforbindere og skinneforbindelse: En skinneforbinder er en leder som forbinder to skinnelengder for å bedre ledningsevnen i en skjøt. Skinneforbindere skal benyttes over alle skinneskjøter som ikke har isolasjon. Skinneforbindere utføres vanligvis av 70 mm2 kobberline med avslutning i hver ende som festes til skinnesteget. En skinneforbindelse er en langsgående leder som går over mer enn en skinneskjøt. Skinneforbindelser består av 50 mm2 kobberline. Det brukes 2 stk. når forbindelsen skal føre halve returstrømmen og 4 stk. når den skal føre hele returstrømmen.
Tverrforbindere: Tverrforbindere er ledere som danner elektrisk forbindelse på tvers mellom to eller flere skinnestrenger for å sikre potensialutjevning mellom skinnestrengene. Tverrforbindere er også med på å sikre at returstrømmen har en ubrutt elektrisk forbindelse tilbake til matestasjonen. Teknisk regelverk [2] gir retningslinjer for bruk av tverrforbindere. Størrelsen på driftsstrømmen avgjør hvor stort tverrsnitt tverrforbinderene må ha. Ved tilkobling av tverrforbindere mellom dobbeltspor, skal tilkoblingen til sporene skje via filterimpedansens midtuttak.
Overkast: Overkast benyttes der hvor banestrømmen går fra den ene skinnestrengen til den andre ved enkeltisolerte sporfelt.
1.3 Brytere

Lastskillebryter
En lastskillebryter er en bryter som kan bryte de normale laststrømmer i kontaktledningsanlegget, og som i åpen stilling oppfyller de krav til isolasjonsnivå som stilles til en skillebryter.
Skillebryter
En skillebryter kan bare benyttes til å dele opp et nett der det ikke går laststrøm.
Effektbryter
En tredje type bryter som benyttes i tilknytning til kontaktledningsanlegget, er effektbrytere. En effektbryter skal i tillegg til å bryte normale laststrømmer, også kunne bryte kortslutningsstrømmer. Effektbrytere benyttes i forbindelse med omformer- og matestasjoner, koblingshus og sonegrensebrytere.
Teknisk regelverk krever at brytere som benyttes til å seksjonere kontaktledningsanlegget skal være lastskillebrytere. Lastskillebrytere gjør det enklere å koble ut en ønsket del av kontaktledningsanlegget. Bruk av lastskillebrytere gjør at man slipper å legge ut effektbryterne i koblingshus/ matestasjon på begge sider, før den ønskede delen kobles ut ved hjelp av skillebrytere. Lastskillebrytere benyttes også der forbigangs-, forsterknings- og mateledninger kobles til kontaktledningen. Skillebrytere benyttes ved tilkoblinger til kontaktledningsanlegget ved matestasjoner, koblingshus, sonegrensebrytere, togvarme- og reservestrømstransformatorer. Skillebrytere kan ha påmontert en jordkniv som jorder den delen av kontaktledningsanlegget som er koblet ut. En slik bryter kalles en jordingsbryter. Jordingsbrytere benyttes vesentlig ved lastespor og lokomotivstaller, det vil si på steder der det daglig foregår virksomhet i nærheten av kontaktledningsanlegget.
Kontaktledningsbrytere kan være håndbetjente eller fjernstyrte. Kontaktledningsbrytere som benyttes ved seksjonering av kontaktledningsanlegget i hovedspor og på større stasjonsområder skal være fjernstyrte i følge Teknisk regelverk [2]. Håndbetjente brytere benyttes kun:
- på sidespor hvor kontaktledningsanlegget normalt er utkoblet.
- på laste- og lossespor
- på spor hvor rullende materiell hensettes
- ved reservestrømstransformatorer
- ved togvarmeanlegg
Kontaktledningsbrytere plasseres normalt i kontaktledningsmast eller i noen tilfeller i en egen brytermast. De må alltid monteres på det høyeste punktet av masten slik at lysbuen kan utvikle seg fritt. For fjernstyrte brytere monteres manøvermaskinen på samme side av masten som bryteren. Bryterstenger og betjeningsmekanismer må være lett tilgjengelige. Både manøvermaskinen for fjernstyrte bryterer og betjeningsanordningen for håndbetjente monteres slik at betjening kan skje i normal oppreist arbeidsstilling og uten at ryggen vender mot skinnegangen. På steder der det er hensiktsmessig kan bryterne plasseres i egen kiosk på bakken.
Ved seksjonsfelt kobles bryterne til kontaktledningen enten ved å føre bryterledningene fra bryteren ut langs strekkstaget på utliggeren, eller ved at bryterledningene «droppes» dvs. går direkte i luft fra bryter til tilkoblingspunkt på bærelinen. Brytere med tilkoblingsledeninger som «droppes» må plasseres i den åpne enden av seksjonsfeltet, dvs. ikke i den enden hvor kontaktledningspartene krysser hverandre. Bruk av «dropp» krever at lengden på masten økes (ca. 1,0 meter). Bryterledningen er vanligvis en 2x70 mm2 Cu uisolert line. Bryterledningene kobles til både bæreline og kontakttråd. For system 20 og 25, som har aluminiumsutliggere, må det tas hensyn til at kobber og aluminium ikke må føres eller kobles sammen på grunn av faren for galvanisk korrosjon. Figur 23 til 26 viser noen mulige bryterplasseringer og tilkoblingsmåter.




For sikkerheten til personer og utstyr er det viktig at alle kontaktledningsbrytere er merket med et unikt identifikasjonsnummer, og at bryterstillingen er merket på en slik måte at det aldri er tvil om en bryter er ute eller inne. Derfor skal fjernstyrte kontaktledningsbrytere skal ha innebygd stillingsindikator. Manøvermaskiner skal kunne låses i tre forskjellige stillinger: fjernstyring, håndbetjening inne og håndbetjening ute. Manøvermaskinen skal for nødbetjening være utstyrt med håndsveiv. Håndbetjente kontaktledningsbrytere skal alltid være låst i en av to stillinger: ute eller inne.
1.4 Beskyttelsesjording
Jording i et norsk jernbaneanlegg har flere formål. Den viktigste hensikten med jording er å oppnå beskyttelse mot farlige berøringsspenninger. I tillegg må jordingsanlegget være utformet slik at man oppnår elektromagnetisk sameksistens (EMC) mellom anlegg, systemer og utstyr. Jording skal også utføres for å medvirke til beskyttelse mot overspenninger i ulike anleggsdeler.
Ved elektrifisert jernbane er skinnene brukt som både returvei for kontaktlednigsstrømmen og beskyttelsesjord. For å unngå farlige skrittspenninger og EMC problemer er det et ønske at mest mulig av returstrømmen går i skinnene. For å holde returstrømmen i skinnene må det være en høy impedans mellom skinnene og jorden. Skinnene blir også benyttet til beskyttelsesjord og for å få en tilfredsstillende beskyttelse må det være en lav impedans mellom skinnene og jord. Dette er to motstridende krav. I prosjekteringsfasen blir det derfor nødvendig med et kompromiss mellom kravene, men det er viktig å vite at beskyttelsesjordingen alltid har høyeste prioritet.
Med beskyttelsesjording menes «en varig ledende forbindelse fra utsatte anleggsdeler til jord eller til andre ledende gjenstander som i seg selv har god jordforbindelse». Under normal drift skal ikke jordforbindelsen være strømførende.
Det er viktig at E-verksjord og jernbanens drifts- og beskyttelsesjord ikke har elektrisk forbindelse. Årsaken til dette er at returstrømmene kun skal gå i jernbaneskinnene og eventuelt returledningen, og ikke ut i andre jordingssystemer.
1.4.1 Slyngfelt
Ved elektrisk jernbane er det krav om at alle ledende konstruksjoner (f. eks kontaktledningsmaster, signalmaster, apparater, utstyr) innenfor kontaktledningens slyngfelt skal beskyttelsesjordes. Slyngfeltet er definert som det område hvor det er fare for at utsatte deler kan bli satt under spenning ved nedfall av kontakttråden, se figur 27.

Gjenstander som er plassert nærmere enn 2,5 meter til konstruksjoner som er jordet til skinne, og det er mulig å berører både gjenstand og konstruksjon samtidig, skal beskyttelsesjordes på samme måte som om gjenstandene var plassert innenfor slyngfeltet. Det finnes noen unntak til dette kravet. Unntakene er:
- mindre gjenstander og enkeltstående stendere
- beskyttelsesseksjoner, dødseksjoner, avspenningsliner i loddavspenninger og barduner under bardunisolatorer som betegnes som spenningsmessige udefinerte komponenter
I følge EN 50122-1 er mindre gjenstander definert som gjenstander som er mindre enn 2 meter i horisontal utstrekning og som ikke forsyner eller inneholder elektrisk utstyr. Spenningsmessige udefinerte komponenter er egentlig ikke tillatt innefor slyngfeltet, men beskyttelsesseksjoner, dødseksjoner, avspenningsliner i loddavspenninger og barduner under bardunisolatorer regnes som en del av kontaktledningsanlegget slik at det da ikke er nødvendig med egen jording.
1.4.2 Jordingsmåter
Jording av utsatte deler innenfor kontaktledningens slyngfeltet kan utføres på to måter:
- Direkte til skinne
- Via langsgående jordleder
Direkte jording
Jording direkte til skinnegangen skal utføres på en slik måte at det ikke dannes kortslutning mellom skinnene. Dersom det er 95/105 Hz sporfelter på strekningen, skal jordingsforbindelsene mellom utstyr og skinne fordeles mellom skinnene slik at sporfeltenes funksjon opprettholdes og for å unngå skjevspenninger mellom skinnestrengene. Når større gjenstander skal jordes bør gjenstanden jordes over en filterimpedans.
Langsgående jordleder
Når det gjelder jording til skinne via en langsgående jordleder så er det bare gjort på nye anlegg i Norge. Langsgående jordleder er blitt tatt i bruk fordi det medfører at man får færre tilkoplinger til skinnestrengen. Ved å bruke langsgående jordleder blir koplet til skinnestrengen over en filterimpedans, slipper man skjevspenninger mellom skinnestrengene og det unngås at konstruksjoner danner forbindelser gjennom jord slik at en kortslutter skinnestrengene.
Den langsgående jordlederen er normalt isolert Cu-jordleder som bør legges i kabelkanal.
Ved seksjonert langsgående jordleder er det midtpunktet på jordlederen som skal jordes til skinnegangen over en filterimpedans.

Lengden på hver seksjon er avhengig av berøringsspenningen ytterst på den seksjonerte jordlederen. Lengden på den seksjonerte jordlederen kan beregnes ved hjelp av Ohms lov:
[V]
(8)
Motstanden, R, for en leder er:
[Ω]
(9)
Ved å sette likning 9 inn i likning 8, får man følgende:
[V]
(10)
løser man likning 10 med hensyn på lengden får man:
m
(11)
Lengden på jordlederen er avhengig av kravet til berøringsspenning og kortslutningsstrøm. For kortslutningsstrømmen benyttes toppverdien, . Settes dette inn i likning 11 kommer man frem til likningen for hvordan man kan beregne lengden på en halv seksjonert langsgående jordleder, fra enden og til tilkoplingspunktet midt på jordlederen:
m
(12)
Definisjonen av symbolene i likning 12 er:
- I = jordlederens lengde i meter
- Uberøring = kravet til berøringsspenning ved de forskjellige utkoplingstidene i volt, for en utkoplingsverdi på 0,3 sek er kravet til maksimal berøringsspenning 497 V
- = spesifikk resistivitet, som for kobber er lik 0,01673 Ωmm/2m
- A = arealet for jordlederen i mm2
- Ik'
Den totale lengden på den langsgående jordlederen blir:
[m]
(13)
I tabell 4 er lengden for den langsgående jordlederen beregnet for utkoblingstiden 0,3 sekunder. Lengdene er beregnet ut fra et man har tilkoblingen til skinnegangen midt på den seksjonerte langsgående jordlederen.
Tabell 4: Total lengde på langsgående jordleder med utkoplingstid 0,3 s [1]
| Jordledertverrsnitt [mm2] | Kortslutningsstrøm [20kA] | Kortslutningsstrøm [10kA] |
|---|---|---|
| 50 | 210 m | |
| 70 | 290 m | |
| 95 | 200 m | 400 m |
Forbindelsen fra den langsgående jordlederen og til skinnegangen, utjevningsforbindelse, skal være av samme tverrsnitt som selve jordlederen, fordi den skal ha samme strømføringsevne som jordlederen. Ellers kan det bli lokal spenningsheving og lederen kan «smelte».
Tilkoblingen på skinnegangen skal utføres med godkjent skruforbindelse. Den langsgående jordlederen skal ha en egen jordelektrode på samme sted som jordlederen kobles til skinnegangen. Dette gjøres for å unngå å få en spenningsstigning mot skinnegangen. Jordelektroden kan være et jordspyd med en overgangsmotstand til jord, mindre enn 40 Ω, som gjør at en oppnår en forbindelse til neste jordleder ved brudd i tilkoplingen til skinnegangen.
1.4.3 Dimensjoneringsverdier
Ved dimensjonering av et jordingsanlegg skal følgende kortslutningsytelser benyttes:
- Oslo-området Ik’ = 20 kA
- Resten av landet Ik’ = 10 kA
Grunnen til at kortslutningsytelsen er høyere i Oslo-området er at her ligger omformerstajonene tettere. Kortslutningsytelsene er valgt slik at det er mulig å bygge om eller legge inn en ny omformerstasjon i mellom de eksisterende uten å måtte forandre jordingsanlegget. Dersom jordingsanlegget ligger i nærheten av en omformerstasjon skal kortslutningsytelsen vurderes.
Normalt skal utkoplingstiden være på 0,3 sekunder, men det kan brukes kortere utkoplingstid dersom JBV Hovedkontoret godkjenner det. For at Hovedkontoret skal godkjenne lavere utkoblingstid, må det dokumenteres at vernene i anlegget ikke kobler ut senere enn den utkoblingstiden det søkes om. Det må i tillegg være vurdert om det er planer om å bygge noen nye anlegg som kan ha innvirkning på jordingsanlegget og da hvilke innvirkninger det vil ha.
1.4.4 Jording av langsgående ledende konstruksjoner
Ledende konstruksjoner langs jernbanen kan være:
- gjerder
- autovern
- støyskjermer
- bruer
Når de langsgående ledende konstruksjonene ligger innenfor slyngfeltet skal de jordes direkte til skinne eller via en langsgående jordleder.
Dersom det er lang utstrekning på konstruksjonen skal den seksjoneres. Dette gjøres for å begrense de induserte spenningene og berøringsfaren. Normalt seksjoneres gjerder og støyskjermer hver 300 meter. Ved bruk av langsgående jordleder samordnes seksjoneringen av gjerdet med seksjoneringen av jordlederen. Seksjoneringen samordnes fordi det da ikke vil bli noen farlige berøringsspenninger på konstruksjonene som ligger ved siden av hverandre. Lengden på sjiktet mellom seksjonene må minimum være 2,5 meter, slik at det ikke er mulig å berøre begge seksjonene samtidig. Det er viktig at sjiktet mellom seksjonene ikke festes til jord, da sjiktet skal ha et flytende potensiale i forhold til seksjonene på hver side.

Dersom det finnes ledende konstruksjoner, for eksempel gjerder som går vinkelrett på sporet, som er koplet sammen med noe som går parallelt med sporet, skal konstruksjonene seksjoneres og isoleres fra hverandre. Årsaken til dette er at en skal hindre feilstrømmer å trekke langt ut fra sporet slik at det ikke dannes farlige berøringsspenninger. Seksjoneringen skal utføres slik at den delen som seksjoneres bort blir minimum 5 meter fra spormidt, altså utenfor slyngfeltet. Det isolerende sjiktet i konstruksjonen som går vekk fra sporet må minimum være 2,5 meter.
Når det gjelder jording av bruer langs sporet så bør det benyttes langsgående jordleder. Selve brukonstruksjonen jordes til den langsgående jordlederen for hver tiende meter. Dette gjelder både stålbruer og betongbruer. For betongbruer skal i tillegg armeringen kobles sammen via en kobberleder som igjen er koblet til den langsgående jordlederen. Dette gjøres for å føre induserte strømmer og eventuelle kortslutningsstrømmer tilbake til anlegget og dermed hindre at de kobles til jord. Ved å føre strømmene tilbake til anlegget hindrer man også korrosjonsskader på armeringen.

1.4.5 Jording av ledende konstruksjoner på tvers av spor
Ledende konstruksjoner på tvers av spor kan være:
- bruer
- kulverter
Disse ledende konstruksjonene finnes helt innenfor eller delvis innenfor slyngfeltet. Det benyttes da en sammenhengende kobberleder rundt den ledende konstruksjonen. Alle ledende konstruksjoner på bru/kulvert, som for eksempel lysmast, autovern og gjerde, blir så koblet til kobberlederen. Kobberlederen blir koblet til langsgående jordleder, direkte til jordet skinne eller til skinnegangen over en filterimpedans, se figur 31.

Dersom det finnes konstruksjoner som er innenfor slyngfeltet og som samtidig strekker seg langt utenfor slyngfeltet, må det legges inn isolerende sjikt i konstruksjonen. Dette gjøres for å hindre at feilstrømmene føres langt vekk fra sporet. Skille må utføres på en slik måte at det ikke er mulig å berøre seksjonene samtidig, se figur 32.

Disse konstruksjonene kan også krysse flere jernbanespor. Konstruksjonen skal da jordes direkte til skinnegangen eller via langsgående jordleder på den ene siden av jernbanetraseen. Det skal fremgå av jordingsplanen hvilken side som blir brukt.
1.4.6 Overspenningsbeskyttelse
Tabell 5: Merkedata for metalloksidavleder i kontaktledningsanlegget
| Alternativ | Maks. system-Spenning | Merke-spenning | 10 s verdi | Kontinuerlig drifts-penning COV |
0,5 10 kA |
Koplingspuls 500A | 8/20 bølgeform | ||
|---|---|---|---|---|---|---|---|---|---|
| [kV] | [kV] | [kV] | [kV] | [kV] | [kV] | [kV] | [kV] | [kV] | |
| 1 | 24 | 27 | 29,04 | 22 | 77,1 | 52,4 | 65,7 | 72 | 81 |
| 2 | 24 | 30 | 32,21 | 24,4 | 85,5 | 57,6 | 72 | 79,5 | 89,4 |
Det oppnås god beskyttelse mot overspenninger ved hensiktsmessig jording og tilstrekkelig isolasjon. Utsatte anleggsdeler som for eksempel transformatorer, kabler, teleinstallasjoner og signalinstallasjoner har i tillegg behov for overspenningsvern for å beskyttes mot høye spenninger. Høye spenninger kan oppstå i forbindelse med tilbakemating av effekt fra tog med regenerativ bremsing. Denne spenningsøkningen vil være begrenset i tid, og vernutrustning i toget skal begrense tilbakematingen ved spenning over 17,25 kV. En annen årsak til overspenning er lynnedslag i eller nær kontaktledningsanlegget. Dette kan føre til store overspenninger på kontaktledningsanlegget, og dermed forårsake skader på utstyret.
I henhold til generelle normer skal følgende definisjoner legges til grunn ved valg av overspenningsvern:
- UR eller Ur Avlederens merkespenning: Den høyest tillatte spenning (eff. verdi) mellom avlederens tilkoblingsklemmer der avlederen fungerer korrekt under spesifiserte temporære overspenninger.
- UC Avlederens kontinuerlige driftsspenning: Den angitte driftsfrekvente spenning (eff. verdi) som avlederen tåler kontinuerlig mellom sine tilkoblingsklemmer.
- Ures eller Up Avlederens avledningsnivå (betegnes også som vernenivå eller restspenning): Toppverdi av spenningen mellom avlederens tilkoblingsklemmer under et strømstøt. Verdien er avhengig av strømstøtet, men det er vanlig å referer til et 8/2010 kA-støt.
Dimensjoneringen av avlederen skal først og fremst gi best mulig beskyttelse av det elektriske materiellet. Det vil si at avlederen må ha en lav UC og derved gi lave restspenninger. Samtidig må UC ikke være så lav at avlederen unødig ofrer seg, og den må ha tilstrekkelig energikapasitet.
Det viktige ved dimensjonering av overspenningsvern er at vernet ved feil skal være anleggets svakeste punkt. Dette betyr at vernet skal uskadeliggjøre overspenninger før isolasjonen skades. Denne betingelsen er bestemmende for vernets høyeste vernenivå.
I normal drift skal vernet være høyohmig og ikke representere en feilkilde ved nominell spenning. Det vil for avlederen bety at UR må være så høy at avlederen ikke leder ved temporære overspenninger i anlegget.
Dersom overspenningsvernet havarerer er det viktig at det automatisk blir koblet fra slik at det ikke blir stående som en lavohmig forbindelse. Det skal også være godt synlig ved inspeksjon av et vern har havarert.
De anbefalte merkedataene for metalloksidavleder i kontaktledningsanlegget er gitt i tabell 5.
Alternativ 1 anbefales å bruke i kontaktledningsanlegg med blandet isolasjonsnivå (impulsholdespenning). For nye anlegg der isolatorer og komponenter har minimum en impulsholdespenning på 170 kV anbefales det å bruke alternativ 2.
Overspenningsvernet skal plasseres så nær utstyret den skal beskytte som mulig, og koples mellom fase og egen impulselektrode. Dette for å oppnå kortest mulig føring mellom fase/vern og vern/jord. Det er viktig at det opprettes en god impulselektrode (lavohmig) for at vernene skal fungere som beskyttelse.
Overspenningsvern på fri linje installeres mellom kontaktledning og sann jord med jevne mellomrom. Det gjøres for å få bedre beskyttelse av parallelle kabler og annet utstyr som er koblet til skinnene. I dagens anlegg benyttes metalloksidavleder som overspenningsvern.
Anlegg med overspenningsvern bør også ha beskyttelse mot serielyn. Det oppnås ved å duplere alle vern, det vil si at det installeres to like vern ved siden av hverandre som gjensidig reserve.

1.5 Isolatorer
Isolatorer brukes der hvor to anleggsdeler skal være elektrisk atskilt samtidig som de er mekanisk sammenhengende. I kontaktledningsanlegget finnes isolatorer i forbindelse med kontaktledningen, utliggere, brytere og barduner, samt mate-, forbigangs-, forsterknings- og returledning.
Isolatorene som benyttes må være laget av slike materialer og ha en slik utforming at de tåler de elektriske, mekaniske, termiske og klimatiske påvirkninger de blir utsatt for. Elektrisk svikt kan opptre av forskjellige grunner:
- Gjennomslag på grunn av skader eller feil i materialet som isolatoren er laget av.
- Overslag på grunn av overspenninger eller for liten isolasjonsavstand.
- For liten overflateisolasjon slik at det oppstår krypestrømmer på grunn av sot, salt, støv og lignende
- Hærverk
| Krav til holdfasthet for isolatorene | Tillatt spenning |
|---|---|
| Høyeste spenning for materialer og utstyr Um (effektiv verdi) | 36 kV |
| Merkelynimpuls holdespenning (maks. verdi) | 170 kV |
| Merkeholdespenning ved driftsfrekvens (effektiv verdi) | 70 kV |
IEC definerer 4 forurensningsklasser for isolatorer. Av standardiseringshensyn benytter Jernbaneverket kun to klasser:
Fri linje: Forurensningsklasse II
Tunnel: Forurensningsklasse III
Minste krypestrømsvei ved høyeste tillatte driftsspenning fase-jord, 17,25 kV:
Forurensningsklasse II: 604 mm.
Forurensningsklasse III: 740 mm.
Det er viktig at alle isolatorer i kontaktledningsanlegget har samme isolasjonsnivå for å unngå svake punkter i anlegget.
Minimum dynamisk isolasjonsavstand for kontaktledningsanlegget er 150 mm og minimum statisk isolasjonsavstand er 250 mm. Statisk isolasjonsavstand er vanlig minsteavstand mellom spenningsførende og ikke spenningsførende anleggsdel. Dynamisk isolasjonsavstand er kortvarig avstand mellom spenningsførende og ikke spenningsførende anleggsdel når en av delene er i bevegelse. Dynamisk og statisk isolasjonsavstand har betydning for utformingen av isolatorene spesielt på steder der det er begrensning med hensyn til plass, for eksempel ved skjæringer og i tunneler. Det finnes i prinsippet fire typer isolatorer: piggisolatorer, stavisolatorer, fiberstaver og kjedeisolatorer. Piggisolatorer og stavisolatorer kan være enten av glass, porselen eller silikonbasert kompositt. I dag nyttes stort sett glass og silkonbasert kompositt. Isolatorer av kompositt er lettere enn isolatorer av glass. De har også mindre diameter enn glassisolatorer og krever dermed mindre plass. Likevel foretrekkes stavisolatorer av glass da de har større driftssikkerhet enn stavisolatorer av porselen og kompositt. Stavisolatorer av glass deler seg ikke når de knuses slik at ledningen eller utliggeren faller ned.
Isolatorer i kontakttråd og bæreline
Isolatorer i kontakttråd og bæreline betegnes som avspenningsisolatorer. Glassisolatorer foretrekkes, men stavisolatorer av silikonbasert kompositt kan benyttes dersom plasshensyn krever dette. I tunneller foretrekkes glassisolatorer dersom der er plass.

Isolatorer i utliggere
I utliggere benyttes glassisolatorer. Dersom diameteren på glassisolatoren er for stor, kan det benyttes silikonbaserte komposittisolatorer. Piggisolatorer skal ikke benyttes lenger, men de finnes i eldre systemer i kontaktledningsanlegget.

Isolatorer i barduner (egg)
Barduner skal ha isolator mellom feste i maste og forankring. Årsaken til det er at man ikke ønsker en strømkrets gjennom bardunen. Isolatoren settes så høyt opp at det ikke er mulig å berøre bardunen på begge sider av egget samtidig.

Isolatorer i forbindelse med retur-, mate-, forbigangs- og forsterkningsledning
Piggisolatorer av porselen eller kompositt.
Isolatorer i forbindelse med brytere
Piggisolatorer av porselen eller kompositt.
Seksjonsisolatorer
En seksjonsisolator er en isolator i kontaktledningen som kan passeres med hevet strømavtaker. Fiberstav benyttes i bæreline ved seksjonsisolatorer.

1.6 Andre liner og kabler
Foruten kontaktledningen og returledning inngår også andre høyspente liner og kabler i kontaktledningsanlegget. Disse har forskjellig navn etter funksjonen de har:
Forsterkningsledning: en ledning som er parallellkoblet kontaktledningen for å øke ledningstverrsnittet.
Forbigangsledning: en ledning som fører banestrøm forbi en stasjon eller en seksjon.
Mateledning: en ledning som benyttes til å føre 15 kV fra samleskinne i strømforsyningsanlegg til et innmatingspunkt på kontaktledningsanlegget.
Fjernledning: en ledning som går fra omformerstasjon eller kraftstasjon til transformatorstasjon med et spenningsnivå på for eksempel 55, 66 eller 132 kV og med en frekvens på 16 2/3 Hz.
1.4.1 Forsterkningsledning
Hensikten med forsterkningsledning er å øke tverrsnittet til kontaktledningen og dermed redusere spenningsfallet. Forsterkningsledningen føres parallelt med kontaktledningen og tilkobles denne med visse mellomrom. Den skal tilkobles både kontakttråd og bæreline. Forsterkningsledningen må seksjoneres der hvor kontaktledningen seksjoneres, det vil si at forsterkningsledningen må tilkobles de samme bryterne som kontaktledningen i et seksjonsdele. Forsterkningsledningen utføres normalt som uisolert enlederline, og den skal ha et tverrsnitt som tilsvarer summen av tverrsnittet til kontakttråd og bæreline. Forsterkningsledningen festes til isolatorer på master og åk. Der det er hensiktsmessig kan forsterkningsledningen legges som høyspentkabel.
1.6.2 Forbigangsledning
Forbigangsledning er en ledning som gjør at kontaktledningsnettet kan samkjøres/beholdes sammenkoblet selv om kontaktledningen i en seksjon (som oftest en stasjon) blir koblet ut. Forbigangsledningen utføres normalt som uisolert enlederline og den festes til isolatorer på master og åk. Den skal ha et tverrsnitt som tilsvarer summen av tverrsnittet til kontakttråd og bæreline. Der det er hensiktsmessig kan forbigangsledningen legges som høyspentkabel. Figur 38 viser en stasjon uten forbigangsledning, og figur 39 viser en stasjon med.


1.7 EMC
Innholdet i dette kapitlet bygger på kompendium «EMC – kurs, Jernbaneverket 1999» [12] og «Elektromagnetiske felt og EMC» [15].
Bruken av elektriske og elektroniske apparater og utstyr er økende i samfunnet. Elektroniske kretser inngår som en stadig større del av de fleste installasjoner, for eksempel til styring kontroll og overvåkning. Dette fører til at det må settes krav til apparater og utstyrs evne til å fungere i et elektromagnetiske miljø uten å forstyrre annen elektrisk eller elektronisk utrustning i det samme miljøet. EMC, Electromagnetic compatibility, eller elektromagnetisk sameksistens/forenlighet på norsk, er et samlebegrep for å beskrive evnen til uforstyrret sameksistens der apparater og utstyr verken sender eller mottar mer støy enn gitte normer tilsier.
I tillegg til krav til elektromagnetisk sameksistens for elektrisk og elektronisk utstyr, har det i den senere tid vært økt interesse for hvilken effekt elektriske og magnetiske felt har på den menneskelige organisme. Det har vært spesielt fokusert på helserisiko ved eksponering av lav- og mellomfrekvente magnetiske felter, men til tross for dette finnes det fortiden begrenset kunnskap fra medisinsk, biologisk eller annen vitenskap, som bekrefter eller avkrefter en eventuell risiko. Imidlertid finnes påviselige indikasjoner på at enkelte mennesker kan ha fått langtidsskader som direkte eller indirekte kan tilbakeføres til elektromagnetisk eksponering [12, kap. 20].
1.7.1 Generell beskrivelse

Følgende definisjoner av sentrale begreper er hentet fra [12, kap. 1]. Definisjonene er i henhold til standard IEC 50 (161):
Elektromagnetisk støy (Electromagnetic disturbance): Ethvert elektromagnetisk fenomen som ugunstig kan påvirke den normale oppførselen til et apparat, en enhet eller et system. Elektromagnetisk forstyrrelse (Electromagnetic interference, EMI): Forringelse av den normale oppførselen til et apparat, en overføringskanal eller et system forårsaket av elektromagnetisk støy.
Elektromagnetisk støy og elektromagnetisk forstyrrelse er i henhold til disse definisjonene henholdsvis årsak og virkning. EMC og EMI beskriver to motsatte situasjoner. Det vil alltid være en viss støypåvirkning i ethvert elektrisk system. EMC beskriver tilstanden der påvirkningen er så lav at alle systemer fungerer som ønsket, mens EMI angir den situasjonen der påvirkningen er blitt så stor at den fører til funksjonssvikt.
I EMC-sammenheng inngår generering (kilde), overføring og mottak av elektromagnetisk energi. Alle disse tre elementene må være tilstede før et støyproblem kan eksistere.
Elektromagnetisk støy er alle uønskede strømmer og spenninger som kan opptre i et elektrisk system. Elektromagnetisk forstyrrelse (EMI) skjer først når den normale funksjonen til mottakeren blir forstyrret på grunn av støykobling mellom kilde og mottaker. Forstyrrelsene kan komme fra eget system eller apparat, fra andre systemer eller apparater eller fra naturfenomener som lyn og elektrostatiske utladninger (ESD). Støyproblemet kan elimineres ved å redusere den utsendte støyen, redusere graden av kobling eller øke immuniteten hos mottaker. Elektromagnetiske forstyrrelser kan være så vel ledningsbundne som strålte. EMI er et begrep som omfatter hele frekvensspekteret, inkludert likestrøm.
Ulike typer støy
De fleste støysignaler har et forløp som er karakteristisk for kilden der de oppstår. Derfor bør ethvert EMC- tiltak starte med å analysere det aktuelle støymiljøet. For å kunne iverksette effektive støydempingstiltak er det viktig å kjenne de ulike støytypenes karakter:
Lavfrekvente elektriske felt (0–1000 Hz) opptrer nær enhver leder med en spenning som er forskjellig fra null. Feltets amplitude er proporsjonal med lederens spenning.
Lavfrekvente magnetiske felt (0–1000 Hz) opptrer nær enhver leder som fører strøm. Magnetfeltets amplitude er proporsjonal med strømstyrken i lederen. Teoretisk avtar feltet lineært med avstanden fra en enkelt leder, med kvadratet av avstanden fra en flerleder og med tredje potens av avstanden fra en punktkilde.
Høyfrekvent elektromagnetisk felt (fra 10 kHz opptil GHz området) består av elektriske og magnetiske feltkomponenter (vektorer). Dersom kilden er en dipol vil den elektriske og magnetiske feltvektor avta med henholdsvis tredje og andre potens av avstanden til kilden. Dette gjelder for nærfeltet det vil si feltet i området der 2πr/λ<<1,
hvor:
- λ = bølgelengden
- r = avstanden til kilden
I fjernfelt området, det vil si i området der 2πr/λ>>1, avtar feltet proporsjonalt med avstanden til kilden.
1.7.2 Støykilde
Støykildene kan deles inn i to hovedgrupper som vist nedenfor. Av de kunstige (menneskeskapte) støykildene er det bare nevnt noen få.
Naturlige støykilder:
- Kosmiske – (solflekkaktivitet)
- Atmosfæriske – (lyn)
Kunstige støykilder:
- Kommunikasjon
- Kraftforsyning
- Elektriske maskiner
- Elektrostatisk utladning (ESD)
Det kan ikke gjøres noe som endrer støyemisjonen fra naturlige støykilder. Påvirkningen kan reduseres ved å konstruere utstyr som har tilstrekkelig immunitet. De kunstige støykildene kan man kontrollere. Målsetningen må være å konstruere og benytte utstyr som både har lav støyemisjon og høy immunitet. Nivåene reguleres gjennom standarder og normer fastsatt for de ulike brukermiljøene.
Koblingsveier
Koblingsveiene er alltid frekvensavhengige. De vanligste koblingsveiene er nevnt i punktene nedenfor:
- Galvanisk (eller konduktiv) kobling
- Kapasitiv kobling
- Induktiv kobling
- Elektromagnetisk stråling
De tre første koblingsmåtene er typiske for nærfelt og lokale fenomener, mens den siste er typisk for høyfrekvente felt og fjernfelt.
Galvanisk kobling: Den galvaniske koblingen oppstår når to strømkretser har en felles impedans. Dersom det for eksempel er en potensialforskjell mellom to jordingspunkter vil dette gi en jordstrøm som indikert i figur 41.

Kapasitiv kobling: Kapasitiv kobling oppstår når det elektriske felt bygget opp av spenningsendringer (vekselfelt) i en krets, forplanter seg til ledere i en annen og uavhengig krets. Den kapasitive koblingen mellom kretsene forårsaker at støystrøm kan flyte mellom dem. Den kapasitive virkningen reduseres raskt med økende avstand mellom kretsene. Se figur 42.

Induktiv kobling: Induktiv kobling oppstår når det magnetiske felt forårsaket av strømmen i en krets kobles til ledere i en annen og uavhengig krets. Maksimal gjensidig kobling oppstår når lederne løper parallelt.

Lavfekvente støysignaler kan være galvanisk, kapasitivt eller induktivt koblet. Støysignaler med frekvenser i kHz–MHz området er som regel kapasitivt eller induktivt koblet og de kan reduseres ved skjerming og hensiktsmessig jording. Generelle tiltak er skjerming, jording og avledning, samt innføring av avkoblingskomponenter og overspenningsvern
Kontaktledning forårsaker i hovedsak lavfrekvente felt. For nærmere behandling av høyfrekvent stråling og ESD fenomener vises det derfor til [12].
Støydempingstiltak
Tabell 6: Inntrengningsdybde for kobber, aluminium og stål
| Frekvens | Cu | Al | Stål |
|---|---|---|---|
| 16 Hz | 16,8 mm | 21,8 mm | 3,75 mm, μr=200 |
| 50 Hz | 9,5 mm | 12,3 mm | 2,1 mm, μr=200 |
| 1 kHz | 2,1 mm | 2,8 mm | 0,47 mm, μr=200 |
| 100 kHz | 0,21 mm | 0,28 mm | 0,22 mm, μr=9 |
| 1 MHz | 0,067 mm | 0,087 mm | 0,21 mm, μr=1 |
| 100 MHz | 0,0067 mm | 0,0087 mm | 0,021 mm, μr=1 |
Dersom men har et EMI problem kan støyproblemet elimineres ved å redusere den utsendte støyen, redusere graden av kobling eller øke immuniteten hos mottaker. Noen ganger vil det være tilstrekkelig å gjøre en av delene, for eksempel redusere den utsendte støyen. Andre ganger kan det være nødvendig å gjøre noe med både kilde, koblingsvei og mottaker, før EMI problemet er løst. De mest aktuelle tiltakene mot elektromagnetisk forstyrrelse kan være:
Skjerming: Skjerming er et tiltak som kan iverksettes både mot kilde, koblingsvei og mottaker. Skjermens funksjon kan enten være å hindre støyemisjon fra elektrisk apparat til omgivelsene og eller å beskytte apparater/anleggsdeler mot elektromagnetisk påvirkning fra omgivelsene. Ved høye frekvenser er skjermingseffekten god for elektriske og magnetiske felt. For lave frekvenser, for eksempel fra kontaktledningsanlegg, er det svært vanskelig å oppnå noen særlig dempning av magnetfelt. Skjermingstiltak må derfor stort sett settes inn på mottakersiden. Lavfrekvente elektriske felt er det relativt enkelt å dempe. De mest brukte skjermmaterialene er jern, aluminium og kobber. Skjerming mot lavfrekvente magnetfelter krever bruk av et relativt tykt og godt ledende materiale, eller et dyrt spesialstål, et såkalt μ-metall. En umagnetisk skjerm er praktisk talt transparent for magnetiske felter dersom platetykkelsen er mindre enn inntrengningsdybden. Inntrengningsdybden kan skrives som:
(14)
der:
- f = frekvensen
- μ = permeabiliteten
- μ = μo μr
- μo = permeabiliteten i vakuum =
- μr = relativ permeabilitet
- σ = ledningsevne
Økning av avstand mellom kilde og mottaker: Som nevnt i avsnittet «Ulike typer støy» avtar de elektriske og magnetiske feltene med avstand fra kilden. Et effektivt dempetiltak kan derfor være å plassere støykilde og mottaker («offer») så langt fra hverandre som mulig.
Bruk av overspenningsvern: Overspenningsvern benyttes til beskyttelse av anleggsdeler mot overspenninger. Overspenninger kan inneholde høyfrekvente komponenter. Det er derfor viktig at vernene monteres med korte ledninger til jordelektrode, for at impedansen mot jord ikke skal bli unødvendig stor på grunn av selvinduksjon i ledningene. Dessuten må det på steder der det monteres overspenningsbeskyttelse etableres jordelektroder med gode høyfrekvente egenskaper.
Jording: En god EMC–jord er en ekvipotensialflate som gir en entydig og stabil spenningsreferanse for et elektrisk system eller en krets. Ekvipotensialflaten kan også kalles en sone. Det er viktig at jordledninger passerer gjennom sonegrensen kun ett sted [12, kap.7]. Innen hver sone bygges jordnettet opp med trestruktur. Jordsløyfer må unngås da de er meget følsomme for varierende magnetiske felter.
Filter: Filtrering er en metode for å fjerne eller redusere ledningsbundet støy. Et filter er karakterisert ved at det slipper gjennom det ønskede signalet, men blokkerer eller demper de uønskede.
1.7.3 Maxwells ligninger [16]
Rundt en strømsløyfe vil det dannes et magnetisk felt. Dersom dette feltet er tidsvarierende vil det indusere en spenning. Dette kan føre til forstyrrelser på andre strømsløyfer i nærheten. Maxwell samlet de ligningene som omhandlet det elektromagnetiske fenomenet, [17]. Det er fire ligninger som beskriver alle kjente fenomener.
Noen enkle sammenhenger med materialegenskaper:
(15)
- D = elektrisk flukstetthet [C/m2]
- E = elektrisk feltstyrke [V/m]
- = permitivitet, = F/m
- = relativ permitivitet for et materiale
(16)
hvor:
- B = magnetisk flukstetthet [T]
- H = magnetisk feltstyrke [A/m]
- = permeabilitet, H/m
- = relativ permeabilitet for et materiale
(17)
hvor:
- J = elektrisk strømtetthet [A/m2]
Faradays lov
Denne loven forklarer at det tidsvarierende magnetfeltet, B-felt, induserer et elektrisk felt, E-felt.
(18)
I tillegg til Faradays lov sier Lenz lov at det vil induseres strøm og spenning som vil motvirke det feltet som påtrykkes.
Amperes lov
Denne loven forklarer at strømtettheten, J, og forskyvningsstrømtettheten, gir et magnetisk felt, H-felt.
(19)
hvor:
- H = magnetfelt
- J = strømtetthet
- I = ladningsstrøm
= forskyvningsstrøm
Forskyvningsstrøm, kan sees bort fra ved lave frekvenser den er da tilnærmet lik null.
Gauss lov for elektriske felt
Denne loven forklarer at E og D strømmer ut fra en ladningskilde.
(20)
Gauss lov for magnetiske felt
Denne loven forklarer at det kommer like mye magnetfelt inn som ut av alle lukkede flater, og at alle flukslinjer er lukkede.
(21)
Oppsummering av Maxwells ligninger
En oppsummering av Maxwells ligninger både på integralform og på differensialform.
| Lov | Integralform | Differensialform |
|---|---|---|
| Faradays lov | ||
| Amperes lov | ||
| Gauss lov, elektriske felt | ||
| Gauss lov, magnetiske felt |
hvor:
- Js = strømtetthet fra kilden
Ved beregninger ved hjelp av numeriske metoder blir ligningene benyttet på differensialform, mens integralformen gjerne brukes ved utledning av analytiske formler.
Eksempel på beregning av magnetfelt
Magnetfeltet i avstand ,a, fra en strømførende leder der strømmen har en frekvens på 16 2/3 Hz, kan beregnes ut fra Amperes lov:
(22)
Det andre leddet i ligningen kan ses bort fra ved en så lav frekvens som 16 2/3 Hz.
(23)
(24)
(25)
Setter inn tallverdier:
I = 300 A,
a = 5 m.
I en avstand på 50 m med samme strømstyrke, vil magnetfeltet være redusert til:
1.7.4 Typiske koblingsfenomener i forbindelse med Jernbanedrift [11]
Tabell 7: Flukstetthet i luft, 2 meter over skinnekant
| Målested for B-felt | Uten returledning | Med returledning | Dobbeltspor med returledning |
|---|---|---|---|
| 5 m fra spormidt | 26,0 | 8,2 | 12,0 |
| 205 m fra spormidt | 8,0 | 0,5 | 0,8 |
| 405 m fra spormidt | 5,0 | 0,3 | 0,3 |
Det elektromagnetiske miljøet i forbindelse med jernbanedrift er preget av ulike typer systemer som skal fungere tilfredsstillende i hverandres nærvær.
Lokomotivet mates fra omformerstasjon via kontaktledningsanlegget. Det benyttes 16 2/3 Hz 15 kV forsyningssystem for mating av lokomotiv. Kontaktledningsanlegget fører under normal drift store strømmer. Dette fører til at kontaktledning og returledning/skinnegang omgir seg med et kraftig lavfrekvent magnetfelt. Magnetfeltet omslutter elektroinstallasjoner, kabler og ledende gjenstander langs jernbanelinjen og induserer spenninger/strømmer på disse. Induksjonen avhenger av koblingsimpedansen mellom kontaktledningsanlegget og det påvirkede anlegget. Typisk forårsaker magnetfelt fra kontaktledningsanlegget uakseptable induserte spenninger i lange parallellførte metalliske kabler/gjenstander. Spenningene kan være berøringsfarlige for mennesker. Det magnetiske feltet fra kontaktledningsanlegget vil også påvirke datautstyr som befinner seg i nærheten av jernbanetraseen. I forbindelse med jernbanedrift vil det kunne oppstå store jordstrømmer, da kontaktledningen vil være langt mer utsatt for nedfall enn normale høyspenningslinjer. Jordstrømmene fører til kraftig induktiv virkning på nærliggende parallelle ledende kabler/gjenstander.
Kontaktledningsanlegget har høy driftsspenning og omgir seg dermed med et kraftig elektrisk felt. Dette feltet vil påvirke elektriske installasjoner i nærheten av jernbanelinjen. De fleste anlegg langs jernbanelinjer er imidlertid lokalisert nær bakken, og vil dermed ha begrenset kobling fra det elektriske feltet. Kontaktledningsanlegget benytter delvis skinnegangen som returforbindelse. Skinnegangen har avledning til jord, og vil dermed påvirke jordpotensialet i områder nær jernbanelinjen. Avledning av returstrøm fra skinnegangen betyr at deler av kjørestrømmen vil returnere til omformerstasjon via jordsmonnet. Dette kan føre til returstrømmer i parallellførte ledende gjenstander i bakken. Elektrisk utstyr plassert innenfor slyngfeltet beskyttelsesjordes til skinnegangen. Denne type utstyr vil påvirkes av endringer i potensialet i skinnegangen.
Internt i omformerstasjon og i lokomotiv genereres harmoniske til 16 2/3 Hz og høyfrekvente transienter som følge av koblinger og styringer i systemene.
For å redusere det magnetiske feltet fra kontaktledningsanlegget er det viktig at fremstrøm og returstrøm føres fysisk så tett sammen som mulig. Da den magnetiske koblingen til andre strømkretser øker med avstanden mellom frem- og tilbakeleder, er det spesielt viktig å redusere den strømkomponenten som går i jord. For å redusere returstrømmen i jordsmonnet begynte man tidlig med sugetransformatorer [7]. Bruk av sugetransformatorer fører til at den midlere avstanden til tyngdepunktet for jordstrømmen reduseres. For å redusere magnetfeltet ytterligere har man begynt å bruke separat returledning som henges opp på kontaktledningsmastene. Bruk av separat returledning gir en effektiv reduksjon av magnetfeltet nær sporet. Det har vært utført en del målinger og beregninger av magnetfeltet i nærheten av jernbanen. Tabell .7 viser beregnede verdier for hvordan den magnetiske flukstettheten varierer med avstand til spormidt med og uten returledning. Beregningen er utført i forbindelse med en diplomoppgave ved NTNU [16].
EMI-problemer knyttet til forstyrrelser på datautstyr, er spesielt aktuelt på/ved stasjonsområder med flere spor. Dette skyldes delvis at det ved flere elektrifiserte spor kan være vanskelig å oppnå gode løsninger for tett forlegning av frem- og tilbakeleder. Dessuten er strømbildet ofte svært komplekst fordi det er mange strømveier, det vil si at det er flere kontaktledninger og spor. Ikke minst er tettheten av kontorbygninger som oftest større ved stasjonsområder enn andre steder langs jernbanelinjen. Eksempler på steder der det har vært problemer er Asker stasjon, Drammen stasjon og Skøyen stasjon [18].
Det bør derfor ved bygging av nye, eller ved større endringer i elektrifiserte jernbaneanlegg, legges vekt på å minske muligheten for EMI-problemer allerede i planleggingsfasen. Dette fordi det for lavfrekvente elektromagnetiske felt fra kontaktledning/ banestrømforsyning kan være vanskelig å skjerme kilden. Plassering av høyspentkabler, for eksempel mate- og returkabler på stasjoner, bør derfor vurderes med hensyn til eventuell avstand til stasjonsbygninger og andre installasjoner som inneholder datautstyr.
