Vern i banestrømforsyningen
Publisert: 2. februar 2012
Oppdatert: 4. februar 2025
1 Vern og reléer
Hensikten med vern er å redusere til et minimum:
- Skader på liv og eiendom
- Skader på matestasjoner og kontaktledningsanlegg
- Avbrudd i kraftleveringen til togene
Vern er bygget opp av reléer som samarbeider for en bestemt oppgave. De fleste vern består av målende reléer, som trer i funksjon ved unormale verdier på den påvirkede størrelsen, og ikke målende reléer som utløses av de målende.
Et vern må kunne skjelne mellom vanlig driftstilstand og en feiltilstand. Ved feiltilstand skal vernet koble feilbefengt del bort fra nettet. Ved kortslutning ønskes det frakobling så fort som mulig, mens overbelastningsvernet skal utnytte anleggets termiske treghet. Ved forbigående feil ønskes gjerne automatisk gjeninnkobling, og ved varige feil innkobling av reservetilførsel der dette er mulig.
1.1 Relé
1.1.1 Definisjoner
Et elektrisk relé kan defineres som et apparat som ved påvirkning av en eller flere elektriske størrelser, slutter eller bryter utgangskontakter som er beregnet å inngå i melde- eller styrekretser. Reléer brukes i forbindelse med kontroll, styring, beskyttelse etc. Om påvirkningen ikke er elektrisk men mekanisk, og apparatet ellers fungerer som et relé, kalles den for vakt. For eksempel gassvakt i transformatorer.
1.1.2 Oppbygging av relé
Et relé er i sin enkleste form en elektromagnet hvor man ved å variere strømmen i en vikling får et opplagret anker til å bevege seg og som med sin bevegelse åpner eller lukker relékontaktene. Flere reléer kan arbeide sammen og utgjøre en relékombinasjon som for eksempel styrer en effektbryter. Med reléutstyr menes relé med tilkoblingsledninger som skal starte utkobling eller gi signal ved unormale driftstilstander.
1.1.3 Relégrupper
Avhengig av hvordan måling og/eller tidsforsinkelsen blir realisert i reléet, kan reléene grovt deles inn i tre grupper:
- Elektromagnetiske reléer basert på elektromagnetiske krefter
- Termiske reléer basert på oppvarming av bimetall og lignende
- Statiske reléer basert på transistorkretser.
Reléene kan grupperes på forskjellige måter, etter f.eks. virkemåte. Her vil reléene deles inn i følgende to grupper, hjelpereléer (ikke målende reléer) og overvåkningsreléer (målende reléer).
1.1.4 Krav til reléer
Vernene er plassert en rekke steder i nettet og store verdier kan gå tapt dersom vernene ikke samarbeider tilfredsstillende. Dette gir følgende krav til vernene:
- Pålitelighet: Enkle og robuste løsninger.
- Selektivitet: For å få minst mulig avbrudd må den delen av nettet som kobles ut ved feil minimaliseres.
- Raske: Redusere skadene.
- Billige: Både ved innkjøp og vedlikehold.
- Lette å innstille: Entydig og oversiktlig innstilling.
Ved innføring av nye vern er det viktig å ta hensyn til muligheten for koordinering med annet vern og utstyr som finnes i anlegget.
1.2 Hjelpereléer
Disse reléene har som regel flere kontakter, fra 2–3 opp til 30–40. Kontakttrykket er ofte fra 10–20 g og oppover. Reléene benyttes i automatikkutrustninger, fjernkontroll etc.
På figur 1 er det vist hvordan man bruker et hjelperelé i forbindelse med et overvåkingsrelé.

I dette tilfelle brukes hjelperelé da overstrømsreléets kontakter ikke er beregnet på så stor strøm som utspolen trekker.
Ved likestrømsspoler for reléer er det hensiktsmessig at spenningen er relativt lav. Ved høye spenninger må det benyttes meget tynn tråd, som gir en dyr spole og risiko for brudd. For relékontaktene er det hensiktsmessig med høye spenninger for å få sikker kontaktgiving, selv med mindre rene kontakter. Som et godt kompromiss for disse to kryssende interessene er man kommet frem til en spenning på 55–110 V. Ved komplettering for fjernkontroll av omformere benyttes det ofte 24 eller 48 V DC- reléer. At det velges så lav spenning skyldes begrensninger på spenningsnivå for manøverutgangene i fjernkontrollutrustningen.
I nyere matestasjonsanlegg er mye av de elektromekaniske reléene erstattet av PLS-systemer (Programmerbart Logikk System). Her finnes det en kombinasjon av tradisjonell reléteknikk og programmerbar elektronikk.
1.3 Overvåkningsreléer/Vern
Overvåkningsreléenes oppgave er å måle en størrelse, f.eks. spenning, strøm, motstand etc., og avgjøre når den tillatte grensen overskrides. Overvåkningsreléene blir også kalt beskyttelsesreléer eller bare vern. Disse reléene utføres vanligvis bare med 1 eller 2 kontakter som har et forholdsvis lite kontakttrykk, ca. 1 g. Dette blir gjort av hensyn til nøyaktigheten (liten vekt/masse gir kort reaksjonstid). Derfor benyttes som regel hjelpereléer i samband med overvåkningsreléer.
Overvåkningsreléene er ofte bygget opp etter «vektstangprinsippet». Det vil si at på den ene siden av vektstangens opplagringspunkt er det krefter som forsøker å få reléet til å funksjonere, mens det på den andre siden er krefter som forsøker å hindre dette.
Nyere overvåkningsreléer er ofte elektroniske. Her er «vektstangen» erstattet med elektroniske kretser. Generelt er disse reléene raskere enn de elektromekaniske.
Av figur 2 og 3 fremgår det i prinsippet hvordan dette «vektstangprinsippet» virker.


De kreftene som forsøker å hindre at reléene gir utløsningspuls kan være en elektrisk eller en mekanisk størrelse.
I figur 2 er det spenningen U som forsøker å hindre utløsning, mens det i figur 3 er en spiralfjær som har samme oppgave.
Av overvåkningsreléer finnes det både primær- og sekundærreléer. Primærreléene brukes i dag stort sett bare i utgående linjer, men også her vil de sannsynligvis bli borte ved nye utrustninger.
Primærreléet blir montert direkte på vedkommende bryter slik at primærstrømmen flyter gjennom reléets spole, figur 4.

På figur 4 slutter primærreléet, via en isolerstang, en strømkrets til utløsespolen på effektbryteren. Reléets utløseimpuls kan også overføres direkte, via isolerstangen, til bryterens utløsemekanisme, f.eks. til utventilen på en trykkluftbryter. Bortsett fra ovenstående eksempel nyttes i dag bare overvåkningsreléer av sekundærtypen, det vil si at reléet er isolert fra høyspenningsanlegget og er tilkoblet dette via måletransformatorer, strøm- eller spenningstransformatorer, figur 5.

Overvåkningsreléene arbeider som regel svært sjelden, og må derfor stå i lange tider uten å løse uriktig, men ved driftsforstyrrelser må de kunne foreta måleoperasjoner og fungere med stor nøyaktighet og presisjon. For å være sikker på at relévernet virker som forutsatt, må det være et riktig planlagt vedlikehold samt en rutinemessig kontroll.
1.4 Selektivitet og redundans
Selektivitet mellom vern er viktig, og sikrer at man finner og isolerer feilen, for at færrest mulig deler av anlegget skal kobles ut ved feil. Selektivitet vil si at vernet nærmest feilen løser ut. For å ha redundans kan det neste vernet stilles inn med en tidsforsinket utkobling slik at ved feil på vern 1 løser vern 2 ut.
For å oppnå selektivitet må en ofte ty til forsinkede utløsetider, og dette krever et minste tidstrinn mellom utløsetidene. Dette tidstrinnet bestemmes av brytertid, relétid, og tidsorganets nøyaktighet. For distansevernet er tidsskrittet 0,2 sekund. Ved at vernene kan ha forsinket utløsning kan det benyttes vern som ligger langt unna feilen for å koble ut. Dette blir vist i eksempelet under.
2 Vern av kontaktledningsanlegget
I koblingsanleggene er det flere typer vern som verner kontaktledningsanlegget.
- Kortslutningsvern
- Underspenningsvern
Ved hjelp av figur 6 skal det her forklares hvilke vern som virker ved ulike situasjoner/feil i kontaktledningsanlegget. Hvordan vernene blir innstilt og er oppbygget blir omtalt senere i dette hovedkapittelet.
Ved kortslutning mellom koblingsanlegg A og B vil det oppstå en kortslutningsstrøm. For å verne kontaktledningsanlegget mot kortslutningsstrøm er det montert flere typer kortslutningsvern.
1. Overstrømsvern, dette skal være et momentanvern. Vernet er vanligvis innstilt for maksimal strøm fra 1200 A i Oslo-området til 900 A i resten av landet. Det er viktig at utløsestrømmen ikke er lavere enn høyeste laststrøm i området. Momentanutløsning vil si i løpet av ca. 0,060 sekunder.
2. Distansevern, dette vernet har i kontaktledningsanlegget 2 soner. Sone 1 dekker 80 % av strekningen mellom koblingsanlegg A og B, mens sone 2 dekker 120 % av strekningen. For distansevernet i koblingsanlegg A betyr det at vernet dekker kontaktledningsanlegget forbi koblingsanlegg B. Ved feil i sone 1 skal vernet løse innen 0,1 sekund og for feil i sone 2 ved 0,3 sekunder.
I tillegg vil sonegrensebryteren som er plassert mellom koblingsanleggene A og B legge ut brytere ved forskjellige driftssituasjoner.
1. Dersom spenningen er under 10 kV og strømmen er over 300 A, utkobling i løpet av 0,4 sekunder.
2. Dersom spenningen er under 6 kV, utkobling etter 20 sekunder.
Sonegrensebryteren er et supplement til vernene i koblingsanlegget og brukes blant annet for å seksjonere opp nettet i en feilsituasjon. Det er ikke plassert sonegrensebrytere mellom alle koblingsanlegg, og ved feil vil da hele strekningen mellom koblingsanleggene bli gjort spenningsløs inntil feilen er rettet.

2.1 Eksempel på vern i kontaktledningsanlegget
Utfra det som er nevnt over vil dette underkapittelet forsøke å vise hvordan kombinasjon av vern vil løse ut ved kortslutning i anlegget. Det vil først bli vist hvilke vern som skal løse ut ved feilen og etterpå vil det bli gitt eksempel på redundansen i vernutrustningen.
Ser man på figuren over vil kortslutningen som er inntegnet, ligge i sone 2 for distansevernet i koblingsanlegg A og sone 1 for distansevernet i koblingsanlegg B.
I dette tilfelle er overstrømsvernet stilt inn på 900 A i begge koblingsanleggene.
Sone 1 i distansevernet: 0,8 . 80 km . (0,21+j0,21) Ω/km = (13,44+j13,44) Ω.
Sone 2 i distansevernet: 1,2 . 80 km (0,21+j0,21) Ω/km = (20,16+j20,16) Ω.
For å finne ut hvilket vern i hvert koblingsanlegg som løser ut ved feilen må kortslutningsstrømmen beregnes. Teorien bak hvordan det gjøres er vist i Kortslutningsstrømmer.
Ved koblingsanlegg A er det en omformerstasjon med ett 5,8 MVA aggregat, og i omformerstasjonen ved koblingsanlegg B er det 2 stk. 5,8 MVA aggregater i drift. Strekningen mellom koblingsanleggene er 80 km og kortslutningen skjer 70 km fra koblingsanlegg A og 10 km fra koblingsanlegg B. Sonegrense-bryteren er plassert midt mellom koblingsanleggene, altså 40 km fra disse.
Impedansen fra koblingsanlegg A til feilstedet:
70 km . (0,21+j0,21) Ω/km = (14,7+j14,7) Ω
Impedansen fra koblingsanlegg B til feilstedet:
10 km . (0,21+j0,21) Ω/km = (2,1+j2,1) Ω
Kortslutningsstrømmen fra koblingsanlegg A blir da i følge likning 1:
(1)
For koblingsanlegg B vil strømmen bli som vist i likning 2. Impedansen Zstrekning er gitt av: 10 km⋅(0,21+j0,21) og deretter referert til 4 kV siden av transformatoren. Faktoren 2 først i likningen under kommer av at det er 2 aggregater i omformerstasjonen.
(2)
2.2 Hovedvern i feilsituasjonen
For koblingsanlegg B er kortslutningsstrømmen høyere enn innstilt strøm på overstrømsvernet. Det vil si at overstrømsvernet løser ut i denne stasjonen, og det vil bli momentan utkobling av linjeavgangen fra koblingsanlegg B mot feilstedet.
Kortslutningsstrømmen fra koblingsanlegg A er under den innstilte strømmen i overstrømsvernet. Dette vernet løser altså ikke ut. Impedansen på strekningen er høyere enn for sone 1 på distansevernet. Dette fører til at det er innstillingen av impedansen for sone 2 som løser ut vernet i koblingsanlegg A. Utkoblingstiden for linjeavgangen i koblingsanlegg A blir dermed 0,3 sekunder.
2.3 Redundans i feilsituasjonen
I koblingsanlegg B vil impedansen på strekningen ligge innenfor sone 1, og dette vernet skal da løse ut innen 0,1 sekund.
I koblingsanlegg A er det ikke flere vern som dekker strekningen. Ved utkobling av linjeavgangen fra koblingsanlegg B, vil det kun være koblingsanlegg A som mater strekningen. Dette vil gi en spenning ved sonegrensebryteren på:
(3)
Siden spenningen ved sonegrensebryteren er under 10 kV, og strømmen er over 300 A, løser kombinasjonsvernet med underspenning og strøm. Dette vil gi utkobling av utgående linje i koblingsanlegg A etter 0,4 sekunder.
3 Kortslutningsvern
3.1 Kortslutningsvern
I kortslutningsvern kan følgende reléer benyttes:
- Overstrømsrelé
- Strømsprangrelé
- Distanserelé
For jernbanens linjer er det viktig at kortslutningsvernet ikke løser ut ved driftsstrømmer. Som beskrevet over, kan laststrømmene ofte være større enn kortslutningsstrømmene i kontaktledningsanlegget. Dette stiller andre krav til innstilling av kortslutningsvernet i jernbaneanlegg enn ved bruk av kortslutningsvern for vanlig fordelingsnett.
3.2 Overstrømsrelé som kortslutningsvern
Ved bruk av overstrømsrelé for utløsning av kortslutningsvernet løser dette ut når strømmen blir høyere enn en innstilt strøm. Ved kortslutningsvern i andre anlegg er denne gjerne Ikmin, (laveste kortslutningsstrøm i anlegget), men i kontaktledningsanlegget er ofte laststrømmen større Ikmin. Den innstilte strømmen bør være høyere enn den største laststrømmen som kan oppstå på linjen vernet dekker. Største laststrøm er definert som den største laststrømmen anlegget tåler. Ved en slik innstilling dekker innstillingen av overstrømsreléet også overbelastning av kontaktledningsanlegget.
I koblingsanlegget plasseres det et momentant overstrømsrelé med kort egentid. Reléet innstilles med Ikmin mellom 700–2500 A. Primæroppgaven til vernet er å koble ut ved kortslutninger som oppstår forholdsvis nær matestasjonen. Utkoblingstiden for momentanreléene er mellom 5–30 ms, både for primær- og sekundær-reléene i vernet.
Dersom det kun benyttes overstrømsrelé på en strekning er det viktig at Ikmin er beregnet for strekningen. Denne må være lavere enn største laststrøm som kan forventes. Dersom Ikmin er mindre enn største laststrøm, må det også monteres kortslutningsvern med distanserelé. Utregning av Ikmin for en strekning er vist i Kortslutningsstrømmer.
3.2.1 Overstrømsreléer
Overstrømsreléer av forskjellige utførelser er den type overvåkningsreléer som oftest benyttes som relébeskyttelse i matestasjonene.
Det finnes en rekke forskjellige typer overstrømsreléer. Et «rent» overstrømsrelé vil få samme utløsetid, uavhengig av strømmens størrelse, når den innstilte strømstyrken overskrides. Denne type blir ofte benyttet sammen med et separat tidsrelé som vist på figur 7.

En annen type relé er de såkalte overstrømtidsreléene. Disse har en innebygd tidsinnstilling, og utløsetiden er her avhengig både av tidsinnstillingen og strømmens størrelse. Det vil si at utløsetiden synker ved økende strøm. Dette kalles et overstrømsrelé med inverttid.
Ofte har overstrømtidsreléene innebygd en innstillbar momentant utløsning som trer i funksjon ved kortslutninger. Momentanutløsningen refererer seg til den innstilte overstrømmmen. Overstrømsreléet som figur 8 viser, har et innstillingsområde på 4–15 A for overstrømmen, og en momentanutløsning på 4, 6 og 8 ganger overstrømmen.

Et overstrømsrelé med strømavhengig utløsekarakteristikk har innstilling både av strøm og tid. Dersom et slikt relé er innstilt på 5 A og 6 s, vil det løse på 6 s når strømmen er presis 5 A. Skulle strømmen plutselig øke til 15 A, dvs. 3 ganger den innstilte verdi, blir utløsetiden på ca. 2,3 s, se figur 9.

3.3 Kortslutningsvern med strømsprangrelé
I omformerstasjonene har Jernbaneverket i dag tre typer av strømsprangreléer. Reléene er spesialreléer for jernbanedrift og benyttes der man vil ha utløsning ved for stor og hurtig strømøkning, uavhengig om sluttverdien er mindre enn tillatt strømverdi. Dette fordi kortslutningsstrømmen i jernbanedrift kan være mindre enn driftsstrømmen.
Reléene kan benyttes som selvstendige reléer eller som startrelé for sone 2 i distansereléene. Det går i retning av at det er sistnevnte anvendelsesområde som er det mest aktuelle for Jernbaneverket. Som nevnt reagerer reléet bare på en hurtig strømøkning, dvs. at strømspranget må skje i løpet av ca. 50 ms. Se figur 10.

3.4 Kortslutningsvern med distanserelé
Bruken av distanserelé tar hensyn til at impedansen i kretsen vil bli endret ved kortslutning. Dersom kortslutning skjer uten overgangsmotstand, vil strømmen bli omtrent 45 % induktiv. Normale belastningsstrømmer er mer resistive. Dette tas hensyn til ved bruk av distanserelé. Dette reléet benytter et impedansrelé for overvåking av sone 1 og et strømsprangrelé for sone 2.
For sone 1 stilles impedansreléet inn for å dekke 80 % av strekningen mellom koblingsanlegget det er installert i, og neste koblingsanlegg. Impedansreléet må ha en fasefølsomhet som er tilpasset endringen i strømmens vinkel på grunn av endret impedans.
Ved en kortslutning innen sone 1 vil impedansen på strekningen bli lavere, færre km, men det vil bli en økning i den resistive delen av impedansen på grunn av ohmsk overgangsmotstand i feilstedet. Utløsning av reléet vil føre til at vernet kobler ut effektbryteren.
Ved en kortslutning i sone 2 vil det oppstå et strømsprang som vil løse ut strømsprangreléet. Dette vil gi en puls slik at impedansreléet går over til å overvåke sone 2. Dersom det har skjedd en kortslutning i denne sonen, vil impedansen være mindre i forhold til innstilt verdi, og vernet løser ut effektbryteren.
Ved valg av vern er det i tillegg til driftssikkerhet viktig at impedansen lett kan endres på vernets innstilling. Dette fordi det ofte skjer endringer i koblingsbildet i kontaktledningsanlegget.
3.4.1 Distanserelé
Distansereléet som benyttes i Jernbaneverket er et underimpedansrelé. Dette virker når impedansen underskrider den verdi reléet er innstilt på. Reléet har to utløsesoner hvor f.eks. sone 1 kan løse for impedanser som er under 20 Ω, og sone 2 for impedanser mellom 20–30 Ω. Reléet er retningsfølsomt. Det vil si at reléet reagerer kun ved feil på kontaktledningsstrekningen som linjen mater og ikke på feil på (bakenforliggende) samleskinne.
Den vesentligste forskjellen mellom de gamle og de nyere distansereléene er at de første arbeider etter «vekstangprinsippet» mens de nyeste har elektronisk impedansrelé og strømsprangrelé. Funksjonskurven for det nyeste reléet er også slik at det er mer stabilt for uønskete utløsninger ved store belastninger. Dette begynner å bli et problem for de eldste reléene, de klarer ikke å se forskjellen på kortslutningsstrømmer ved feil langt ute på matestrekningen og store belastningsstrømmer.
3.4.2 Virkemåte for distansereléer
For å overvåke sone 1 brukes et impedansrelé. Dersom impedansen i sonen underskrider den innstilte verdien, aktiveres et utkoblingsrelé som løser ut effektbryteren for strekningen. For å overvåke impedansen måles strøm og spenning. Hvor vidt impedansreléet løser ut eller ikke, avhenger av kvotienten mellom disse.
(4)
For sone 2 brukes et strømsprangrelé som startrelé. Når dette reléet løses ut kobles impedansreléet til å måle impedansen i sone 2. Dersom impedansen er under innstilt verdi, kobles effektbryteren ut. Er impedansen derimot over innstilt verdi, går impedansreléet tilbake til å måle impedansen i sone 1.
Figur 11 viser funksjonstiden for et distanserelé, hvor avstanden mellom matestasjonene A og B er 80 km.

3.4.3 Forskjell mellom gamle og nye reléer
Forskjellen mellom de gamle og nye reléene er ikke stor. De nye reléene skiller seg fra de gamle ved at:
- både impedansreléet og strømsprangreléet er elektroniske.
- grunninnstillingen tar allerede hensyn til en ohmsk overgangsmotstand i feilstedet på ca. 11 %. Ønskes det ytterligere kompensering, er dette enkelt å stille inn.
- det skiller bedre mellom små kortslutningsstrømmer og store belastningsstrømmer.
Dette fører til færre uønskede utkoblinger. Dette gjelder særlig når reléet måler i sone 2.
3.4.4 Funksjonskurver for «gamle» impedansreléet
Impedansreléet fungerer som distansereléets måleorgan. Reléet er retningskjennende, det vil si at det bare løser for feil som ligger på linjesiden av strømtransformatoren. Man sier at et distanserelé ikke løser for «bakenforliggende» feil.
Figur 12 viser et impedansrelés funksjonskurver, eller nullmomentkurver som de oftest kalles.

Sirklene I og II representerer funksjonskurvene for sone 1 og sone 2. Alle impedanser Z som ligger på selve sirkelen gir null moment på trommelen. Impedansen Z består av både kontaktledningsanleggets ohmske komponent, R og induktiv komponent, X. For beregning av totalimpedansen gjelder den vanlige formelen:
(5)
Impedanser som kan avsettes innenfor sirkelen gir utløsning, og impedanser som faller utenfor sirkelen gir et sperrende moment, på nevnte trommel.
Ved transiente (hurtige, forbigående) forandringer, som ved kortslutninger, vil funksjonskurven for sone 1 bli som antydet med stiplet linje i figur 12. Også lastpåslag i lokomotivene kan føre til transiente strømmer. Dette kan føre til utkobling av vernet, selv om det ikke er noen kortslutning på linjen.
3.4.5 Funksjonskurver for «nye» impedansreléet
Reléet tilføres kontaktledningen strøm (I) og spenning (U) fra henholdsvis strøm- og spenningstransformator. Impedansreléet måler kontinuerlig impedansen i sone 1. Underskrides den innstilte verdien, reagerer reléet og det gis en utløsningspuls til effektbryteren.
En kortslutningsstrøm som er for liten for sone 1 som har et strømsprang større enn strømsprangreléets innstilling og som varer ut den tid tidsreléet er innstilt på, vil få tidsreléet til å gå inn. Dette fører til at impedansreléet vil begynne å måle impedansen for sone 2. Dersom denne impedansen underskrider den innstilte verdien for sone 2, slår impedansreléet til og gir utkobling av effektbryteren.
Er distansevernet satt i «prøve» måler ikke impedansreléet impedansen. Dersom det skjer en kortslutning med påfølgende strømsprang, vil strømsprangreléet gi utløsepuls til effektbryteren om strømspranget er større enn innstilt verdi. Denne driftsformen benyttes gjerne ved midlertidige omkoblinger i kontaktledningsanlegget.
I figur 13 er funksjonskurvene for de nye vernene vist. Disse er i motsetningen til kurvene for de gamle impedansreléene trapesformet.

Det fremgår av figur 13 at også dette reléet deler vernestrekningen i sone 1 og sone 2. Når reléets parametere stilles inn, er det henholdsvis kontaktledningsanleggets induktans for sone 1 (X1) og sone 2 (X2) som først innstilles. X1 og X2 er ca. 0,22 ohm/km x lengden på sone 1 respektiv sone 2. Sone 1 er vanligvis 80 % av avstanden mellom to omformerstasjoner og sone 2 120 % av samme avstand. Det betyr at sone 2 går forbi nabostasjonen.
Kontaktledningsanleggets ohmske komponenter gir seg selv, da R1sone1 = 1,11 x X1 og R2sone2 = 1,11 x X2. Faktoren 1,11 følger av at vernet, uten spesielle innstillinger, tar hensyn til en ohmsk overgangsmotstand i feilstedet som er 11 % av den totale ohmske komponenten for de respektive vernesoner. Ved Jernbaneverket er dette den vanligste innstillingen. Ønskes det en større overgangsmotstand, kan det enkelt justeres. I funksjonskurvene representeres disse henholdsvis av Rb1 for sone 1 og Rb2 for sone 2 i figur 13.i figuren er kortslutningsimpedansens vinkel.
3.4.6 Sammenligning av gamle og nye impedansrelé
Følgende forutsetninger er gjort når det gjelder vurderingene:
- Fasevinkelen ved kortslutning i kontaktledningsanlegget uten overgangsmotstand er tilnærmet 45 grader.
- En lastvinkel på ca. 30 grader betraktes som «stygg». I de verste tilfellene er vinkelen noe «styggere».
- Det nye trekkmateriellet har styrbar lastvinkel, og kjører med tilnærmet 0 grader.
Ved å se på funksjonskurvene i figur 14, ser man av kurvene for sone 1 at impedansen avtar ved synkende vinkel. Dette betyr at reléet tåler større strøm før det løset ut når lastvinkelen avtar. For sone 2 blir impedansen større ved synkende vinkel på den runde kurven. Her vil altså en stor laststrøm feilaktig kunne løse ut reléet. Den trapesformede kurven har lavere impedans med synkende lastvinkel også i denne sonen.

3.4.7 Innstilling av impedansreléet
Ved innstilling av impedansreléet hos distansereléet, skal både sone 1 og sone 2 stilles inn. For å stille inn reléet er det viktig å ha kjennskap til lengden på strekningen som skal dekkes. Denne er gitt av avstanden mellom den matestasjonen vernet er plassert i og neste matestasjon. I tillegg må man ha kjennskap til kontaktledningens impedans pr. kilometer på strekningen. Dersom man ikke har den eksakte impedansen, brukes ofte impedansen (0,21+j0,21) Ω/km = 0,3 ej45 Ω/km. Utregning for innstilling gjøres etter følgende formler:
Rekkeviddeinnstilling:
(6)
hvor:
- l1: avstanden som sone 1 skal dekke
- a: hvis målestrømspolene er parallellkoblede er a=1, er de seriekoblede er a=2
- p1: omsetningsforholdet hos vernets mellomspenningstransformator, denne verdien stilles inn på reléet.
- lk: en verdi som regnes ut ved hjelp av kontaktledningsanleggets impedans, se likning 7.
(7)
hvor:
- Zk: fast verdi som er påstemplet reléet
- 1,82: konstant
- Zkl: kontaktledningsanleggets impedans pr km.
Ved utregning løses likning 6 med hensyn på p. Denne formelen benyttes også for å regne p2, men da benyttes l2, lengden som sone 2 skal dekke. Verdien for p skal være et heltall for innstilling på reléet.
For at vernet skal være mest mulig nøyaktig, er det viktig at p1 er nærmest mulig 100. Dersom det først beregnes med parallellkoblede målestrømspoler, a=1, og verdien som fås for p1 er mindre eller lik 50, bør det brukes seriekoblet målestrømspoler og a=2. Innstilling av parallell eller seriekobling gjøres på reléet.
3.4.7.1 Regneeksempel
Det skal stilles inn et vern i et koblingshus. Avstanden til neste matestasjon er 60 km. Impedansen i kontaktledningsanlegget antas å være 0,3 Ω/km med vinkel 45°. Sone 1 i vernet skal dekke 80 % av strekningen og sone 2, 120 %.
Fra reléets skilt er det avlest Zk=3,85
Det skal beregnes strekning og innstilling av p for begge sonene.
Beregning av strekning som skal dekkes:
Sone 1:
(8)
Sone 2:
(9)
Beregning av lk, setter inn i likning 7:
(10)
Beregning av p1 og p2 ved hjelp av likning 6:
Sone 1:
(11)
Utfra dette velges det å seriekoble målestrømspolene, a=2. Dette gir: p1=97
Sone 2:
(12)
Utregningen for sone 1 bestemte at målestrømspolene skulle seriekobles, og dette gjelder da også for sone 2. Dette gir p2=65.
4 Underspenningsvern
For å hindre at koblinger skjer mot anleggsdeler uten spenning, eller med lav spenning på grunn av kortslutning, benyttes det underspenningsvern i koblingsanlegg. De fleste underspenningsvernene er en kombinasjon av minimalspenningsreléer og tidsreléer.
4.1 Underspenningsvern i prøvekrets i koblingsanlegg
Innstilling av underspenningsvernet i prøvekretsen krever en bestemmelse av kontaktledningsanleggets minimale impedans mot jord. Denne impedansen kan regnes ut etter følgende likning:
(13)
der:
- Zkl kontaktledningens impedans mot jord
- R prøvemotstanden, 640 Ω
- Usp underspenningsreléets innstilling i kV
- U matestasjonens samleskinnespenning i kV
For Usp=2 kV må Zkl minimum være 91 Ω for at effektbryteren skal koble inn og gi full spenning på kontaktledningsanlegg. Usp er den minste tillatte spenningen for å kunne koble inn effektbryteren.
4.2 Underspenningsvern på utgående linjeavganger i koblingsanlegg
Underspenningsvern i koblingsanlegget beskytter matestasjonen mot overbelastning. Vernet er innstilt for å løse ut ved spenning under 10 kV. Dersom spenningen er under denne verdien i mer enn 2 sekunder, kobles effektbryteren i linjefeltet ut.
Underspenninger inntreffer sjelden dersom det er samkjøring mellom omformerstasjoner. Ved utfall av aggregatene i en omformerstasjon kan spenningen ved denne omformerstasjonen bli lav. I så tilfelle er det viktig at effektbryterne i omformerstasjonen kobles ut.
4.3 Spenningsreléer
Jernbaneverket benytter spenningsreléer i forbindelse med automatikk for utgående linjer og i sonegrensebryterutrustningene.
Av spenningsreléer finnes det både minimal- og maksimalspenningsreléer. Et minimalspenningsrelé faller ved den innstilte verdi, når spenningen synker, mens et maksimalspenningsrelé trekker til ved den innstilte verdi når spenningen stiger. Spenningsreléer for 16 2/3 Hz har ofte en oppbygging som vist i figur 15. Maksimalspenningsreléene inngår i overspenningsvern.
Ved å likerette spenningen, som vist i figur 15, kan man benytte et relé for likespenning og man slipper å benytte et relé med relativt mye jern, som den lave frekvensen ellers skulle tilsi.

Spenningsreléene kan benyttes til å måle fase-spenning, da benyttes jord som referanse. For å måle faseforskjell i 1-fase nettet benyttes spenningsreléene også til å måle spenningsforskjell. Da måles spenningsforskjellen ved å bruke den ene spenningen i nettet som referanse. Denne måten brukes blant annet i sonegrensebrytere.
4.4 Tidsreléer
Tidsreléer har meget stor anvendelse i koblingsanlegg i forbindelse med automatikkutrustninger og vern. De fleste tidsreléene er innkoblingsforsinket, det vil si at det går en viss tid fra man setter spenning på reléspolen til kontaktene manøvreres. Det benyttes også utkoblingsforsinkede reléer, hvor relékontaktene aktiviseres en viss tid etter at spenningen blir frakoblet reléspolen. Det finnes en lang rekke typer tidsreléer med innstillinger i millisekundområdet og reléer hvor innstillingsområdet strekker seg fra noen sekunder til flere timer.
I tilknytning til tidsreléer må det nevnes at det er en rekke måter å forsinke inn- og utkoblingen av vanlige hjelpereléer. Her skal nevnes 3–4 eksempler.
I figur 16 og 17 er reléene forsinket ved utkobling. Denne forsinkelsen skyldes i figur 16 dioden og i figur 17 motstanden.


Figur 18 viser en kobling hvor reléet er både inn- og utkoblingsforsinket, et eksempel på en induktiv forsinkelse. Forsinkelsen oppstår på grunn av sekundærviklingen som er kortsluttet over motstanden.

Figur 19 viser et relé som er forsinket ved innkoblingen. Innkoblingstiden bestemmes av r1, R og C. Når reléet er gått inn, utlades kondensatoren C over motstand r2 og det skjer en normal utkobling av reléet når S bryter strømmen.

5 Fasevern
Fasevernet er bygget opp av et minimalspenningsrelé som måler spenningsforskjellen mellom spenningen på begge sider av seksjonsdele i kontaktledningen ved koblingsanleggets linjeavganger. I kontaktlednings-anlegget kan det være forskjellig fase på forsyningen fra ulike omformerstasjoner. For å hindre at brytere kobles inn ved stor faseforskjell utstyres de med en fasesperre.
Fasesperren sørger for at innkobling av bryteren bare kan foretas når spenningsforskjellen er mindre enn en 9 kV.
6 Termisk vern
Det finnes to bruksområder for termiske reléer i koblingsanlegg. I alle prøvekretsene er det et termisk vern for å hindre oppvarming av prøvemotstanden, og dermed for høy strøm. Dette termiske vernet løser ut ved oppvarming av en føler.
For å verne kontaktledningsanlegget kan det være termiske vern som overvåker temperaturen i kontaktledningsanlegget og mateledningen ut fra matestasjonen. Dette vernet tar hensyn til størrelse og varighet for strømmen og lufttemperaturen. En siste parameter som også påvirker ledningens temperatur er nedbør og vind.
Reléet overvåker utgående linjer. Reléet kjenner utmatet strøm og utetemperaturen. Ut fra disse parametrene får vernet et temmelig riktig bilde av kontaktledningens temperatur. Utløsetemperaturen for et slikt vern er innstillbar mellom 70–90 °C.
6.1 Termiske reléer
I termiske reléer benytter man seg av den varmeutviklingen man får når det går strøm gjennom en motstand. Som kjent benytter motorvernbryteren seg av dette prinsippet, Termiske reléer har den fordelen, hvis de har samme tidskonstant som den anleggsdelen de beskytter, at de tar hensyn til en varierende belastning i langt høyere grad enn overstrømsreléene.
7 Andre reléer som benyttes i verneutrustningen
7.1 Signalreléer
Disse reléene benyttes for å tilkalle driftsvaktens oppmerksomhet på en oppstått feil eller varsle om at en innstilt grunnverdi er overskredet. Fra fjernkontrollerte koblingsanlegg overføres en del av lokalsignalene til samlesignaler (f.eks.: «Alvorlig feil» og «Mindre alv. feil») som overføres til maskinisten i elkraftsentralen.
Det er flere forskjellige signalsystemer. Felles for disse systemene er at signalreléene kobler inn et akustisk signal, som kan være felles for hele anlegget, samt et optisk signal som forteller nærmere om hvilken feil eller mangel man har. Her skal det nevnes 4 forskjellige systemer.
- I det såkalte «flaggsystemet» kommer et flagg til syne i et vindu med én gang feilen oppstår, samtidig innkobles stasjonsalarmen. Feilen kvitteres og alarmen avstilles ved hjelp av en vridbar knapp, samtidig kommer det frem et svart-gult eller rødt-hvitt flagg. Når feilen blir borte, forsvinner begge flaggene.
- Så har man et system hvor hvert signalrelé har to lamper, en rød og en hvit, som tennes ved feil. Feilen kvitteres ved hjelp av en trykknapp og dermed slokker den hvite lampen. Når så feilen forsvinner, slokker den røde lampen. Det akustiske signalet avstilles ved hjelp av en vender som er plassert på et passende sted i kontrollutrustningen.
- I det nest nyeste system begynner en lampe å blinke i et feiltablå når feilen oppstår. Feilen kvitteres med en trykknapp på nevnte tablå. Om feilen er forsvunnet, slokker lampen. Er derimot feilen fortsatt til stede, vil lampen gå over til fast lys. Den akustiske alarm avstilles som nevnt under pkt. b.
- Det pr. dato nyeste feilalarmsystemet er bygget opp rundt en mikroprosessor. Alarmenheten har ett visst antall inn og utganger. Ved oppbyggingen av databasen tas det hensyn til om enkelte feilsignal skal ha forsinket eller momentan akustisk alarm samt fordeling av enkeltsignalene til samlesignaler.
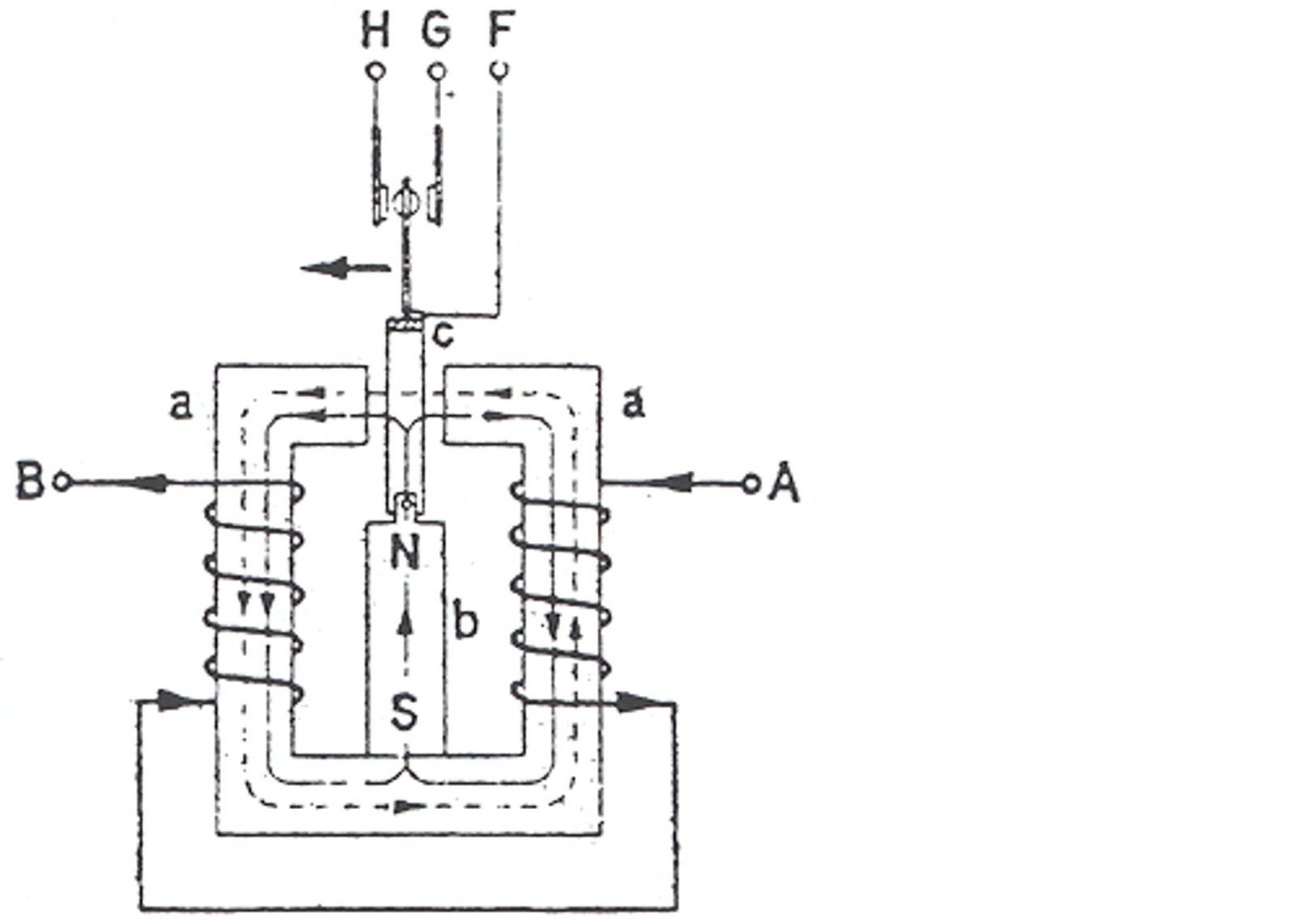
7.2 Polariserte reléer
Polariserte reléer benyttes i forbindelse med indikering av jordfeil på batteriet for 110 V DC. Ellers brukes det som hjelperelé, for styring og indikering av f.eks. en sonegrensebryters stilling, se figur 20.

Et polarisert relés funksjon er avhengig av strømmens retning gjennom spolen, og reléet er således et likestrømsrelé.
Reléets funksjon og arbeidsmåte fremgår av figur 21.

Den magnetiske kretsen består av to jernkjerner a, en permanentmagnet b, og et bevegelig anker c, hvorpå den bevegelige kontaktpart er festet. Den permanente magneten forårsaker et magnetisk felt gjennom anker og kjerner. Dette er vist med heltrukne linjer på figur 21. Når det går strøm gjennom spolene, oppstår det et annet felt som er vist med stiplede linjer. De to feltene virker sammen i det ene luftgapet og motvirker hverandre i det andre. Dette resulterer i at dragkraften blir større den ene veien enn den andre veien.
Er strømmens retning fra A til B, vil ankeret bevege seg i pilens retning og kontakten F–H lukker. Med strømretning fra B til A lukkes kontakten F–G.
I et polarisert to-stillingsrelé uten retningskraft blir ankeret liggende i en av ytterstillingene, selv om strømmen blir brutt. Et polarisert to-stillingsrelé med retningskraft har en fjær som holder ankeret i den ene stillingen ved strømløs spole, reléet fungerer altså bare for en strømretning. I et polarisert tre-stillingsrelé er det en fjær som holder ankeret i midtstilling. Om spolen får tilstrekkelig strøm en viss retning, legger ankeret seg i ene ytterstilling, forandres strømretningen, legger ankeret seg i den andre ytterstillingen.
7.3 Fremtidens reléer
Den senere tids utvikling har vært en overgangen fra elektromekaniske vern til elektroniske vern. Dette har ført til en minsking i vedlikeholdskostnadene og har derfor gitt en økonomisk gevinst.
Ser man fremover så vil utviklingen som allerede er startet med å lage mer «intelligente» vern fortsette. Et «intelligent» vern bygges opp omkring en mikroprosessor som kontinuerlig gjør beregninger og opptrer i henhold til forhåndsprogrammerte regler og funksjoner. Utviklingen av mikroprosessorer vil nok prege fremtiden hvor stadig nye finesser vil bli presentert for potensielle kjøpere. Direkte kommunikasjon mellom mikroprosessoren og elkraftsentraler vil nok også bli ofret stor oppmerksomhet. Muligheten til å forandre parametere i vernet via fjernkontrollsystemet fra en elkraftsentral er implementert i noen nye stasjoner. En utvikling hvor de «intelligente» vernene inngår i et intimt «samboerforhold» med en større datamaskin er også sannsynlig.
Dersom de elektroniske strøm-, spennings- og tidsreléer inkluderes i begrepet hjelpereléer, så vil nok ikke disse forandre seg mye i den nærmeste fremtid. At man kan forvente en reduksjon i antall hjelpereléer i fremtidige anlegg er det nok ikke farlig å spå. Relébaserte løsninger vil med stor grad av sikkerhet bli mer og mer erstattes av PLS-løsninger.

Figur 22 viser et statisk elektronisk relé. Optokopleren benyttes for galvanisk skille mellom inn- og utgang. Triggerkretsens funksjon er å se til at omkobling skjer når spenningen passerer gjennom null. På denne måten unngår man transienter.
8 Overspenningsbeskyttelse
8.1 Isolasjonskoordinering
Dimensjonering av isolasjonen baserer seg på det normerte isolasjonsnivået. Dette er nært knyttet til den høyeste systemspenningen og er definert ved holdespenning mot jord.
Viktige begreper ved dimensjonering er:
- Påkjenning
- Holdfasthet
- Isolasjonskoordinering
I kontaktledningsanlegget er høyeste spenning for materiell/utstyr Um, eff. satt til 36 kV.. Merkelynimpuls holdespenningens maksimalverdi er 170 kV og merkeholdespenningen ved driftsfrekvens er 70 kV eff.
8.1.1 Spenningspåkjenninger
I elektriske anlegg kan spenningspåkjenningene klassifiseres i følgende grupper
- Driftsspenninger
- Lynoverspenninger
- Koblingsoverspenninger
- Temporære, nær driftsfrekvente overspenninger.
Overspenningene, punkt 2 og 3, er transiente fenomener. Lynoverspenningene, som også kalles atmosfæriske overspenninger, genereres i det omkringliggende miljø. Koblingsoverspenninger og temporære overspenninger blir generert av systemet.
8.1.1.1 Driftsspenning (kVeff)
Den spenning som kontaktledningsanlegget er konstruert for kalles nominell spenning. Det er denne spenningen systemegenskapene er referert til. I kontaktledningsanlegget er dette 15 kV.
Den høyeste spenningen som kan opptre under normale driftsforhold kalles høyeste systemspenning. I kontaktledningsanlegget er dette 17,25 kV.
Høyeste komponentspenning er den høyeste spenningen som komponenten er isolasjonsmessig konstruert for, (Um).
8.1.2 Lynoverspenning
Lynoverspenninger har vanligvis en varighet i-området. De opptrer alltid mellom fase og jord. I kontaktledningsanlegget er det bare en fase. Lynoverspenninger opptrer enten som følge av direkte nedslag i kontaktledningsanlegget eller som induserte overspenninger pga. lynnedslag i nærheten av kontaktledningsanlegget. Det siste er den vanligste årsaken til lynoverspenninger i anlegget.
Lynoverspenningene er normalt ikke oscillerende og de har kort varighet.
8.1.3 Koblingsoverspenninger
Ved kobling av brytere bringes nettet fra en stasjonær tilstand over i en annen stasjonær tilstand. Denne overgangen vil normalt være forbundet med et transient spenningsforløp som gir økte påkjenninger i forhold til stasjonære spenninger.
Overspenninger i forbindelse med koblinger i anlegget har relativt kort varighet, i ms- området. Overspenningene opptrer mellom fase og jord. Årsaken til koblingsoverspenninger er koblinger i nettet eller feil i systemet. Koblingsoverspenningene kan være oscillerende, men de er vanligvis sterkt dempet.
Ved utkobling av bryteren fås de største koblingsoverspenningene ved utkobling av kapasativ last og liten induktiv last.
8.1.4 Temporære overspenninger
Denne typen overspenninger har normalt så liten amplitude at de ikke representerer noen fare for isolasjonsgjennomslag. De er derimot avgjørende for valg av avledere. Avledere må velges slik at det ikke går noen særlig strøm i gjennom dem ved temporære overspenningene. Dette fordi de temporære overspenningene kan ha lang varighet og de kan dermed tilføre avlederne mer energi enn de er dimensjonert for. Dette fører til at de temporære overspenningene er med på å bestemme avlederens merkespenning.
De viktigste årsakene til temporære overspenninger er:
- Kortslutning
- Plutselig lastavslag
- Spenningsstigning langs ubelastede linjer (Ferrantieffekt)
- Resonanser
En hver plutselig forandring i nettet vil gi en transient spenning (koblingsoverspenning) før den eventuelle temporære overspenningen observeres.
8.2 Overspenningsvern
I henhold til regelverket i Jernbaneverket skal følgende definisjoner legges til grunn ved valg av overspenningsvern.
I [4] «Regelverk felles elektro» er kravene til de karakteristiske spenningsdataene bestemt for kontaktledningsanlegget. Disse er gjengitt i tabell 2.
Det viktige ved dimensjonering av overspenningsvern er at vernet ved feil skal være anleggets svakeste punkt. Dette betyr at vernet skal uskadeliggjøre overspenninger før isolasjonen skades. Denne betingelsen er bestemmende for vernets høyeste vernenivå.
I normal drift skal vernet være høyohmig og ikke representere en feilkilde ved nominell spenning. Det vil for avlederen bety at UR må være så høy at avlederen ikke leder ved temporære overspenninger i anlegget.
Dersom overspenningsvernet havarerer er det viktig at det automatisk blir koblet fra slik at det ikke blir stående som en lavohmig forbindelse. Det skal også være godt synlig ved inspeksjon av et vern har havarert.
For best mulig beskyttelse av objektene er det vesentlig at overspenningsvernet plasseres nærmest mulig objektet det skal beskyttes. Dette for å oppnå kortest mulig føring mellom fase/vern og vern/jord.
Tabell 1: Definisjoner i henhold til IEC 99-4
| Symbol | Definisjon |
|---|---|
| UR eller Ur | Avlederens merkespenning: Den høyest tillatte spenning (eff. verdi) mellom avlederens tilkoblingsklemmer der avlederen fungerer korrekt under spesifiserte temporære overspenninger |
| UC | Avlederens kontinuerlige driftsspenning: Den angitte driftsfrekvente spenning (eff. verdi) som avlederen tåler kontinuerlig mellom sine tilkoblingsklemmer |
| Ures eller Up | Avlederens avledningsnivå (betegnes også som vernenivå eller restspenning): Toppverdi av spenningen mellom avlederens tilkoblingsklemmer under et strømstøt. Verdien er avhengig av strømstøtet, men det er vanlig å referer til et 8/20 μs 10 kA-støt. |
Tabell 2: Krav til karakteristiske spenningsdata
| maksimal driftsspenning, UR | Impulsholdespenning |
anbefalt kontinuerlig driftsspenning, UC |
laveste avlednings-nivå, Ures |
høyeste avlednings-nivå, Ures |
|
|---|---|---|---|---|---|
| KL-anlegg | 17,25 kV | 170 kV | 27 kV | 29,3 kV | 85 kV |
8.2.1 Avledertyper
Det finnes to hovedtyper overspenningsavledere. Det er avledere med gnistgap, såkalte «gapavledere», og avledere uten gnistgap, «gapløse avledere». I kontaktledningsanlegget benyttes i dag bare gapløse avledere, metalloksidavleder, (MOA) og disse blir behandlet videre her.
De gapløse avlederne er bygget opp av seriekoblede og eventuelt også parallellkoblede motstandsblokker uten seriegnistgap. Dette er mulig fordi disse motstandsblokkene har en ulineær strøm-spenning karakteristikk. Den er nesten sammenlignbar med karakteristikken til en zenerdiode. Ved lav spenning er resistansen i blokkene meget høy, og når spenningen når over en terskelverdi, avtar resistansen drastisk og spenningen forblir tilnærmet konstant med økende strøm.
Motstandsblokkene er laget av sintrede keramiske komponenter som består av men enn 90 % zinkoksid (ZnO) med mindre tilsatser av et flertall andre metalloksider. De elektriske egenskapene bestemmes både av den keramiske mikrostrukturen i blokken og av de detaljerte prosessene som finner sted i overgangene mellom ZnO-kornene hvor det er en blanding av de øvrige metalloksidene. Det er i disse korngrensene blokkenes ulineære egenskaper ligger. Selve motstandsblokkene kalles ZnO-blokker eller ZnO-motstander.
Som figur 23 viser er den resistive strømmen gjennom ZnO-motstanden så liten ved normal driftsspenningen (0,1–1 mA) at motstanden kan ligge innkoblet kontinuerlig, det vil si at gnistgap er unødvendig. Samtidig vil spenningen ved for eksempel 10 kA lynstrøm være lavere enn anleggets isolasjonsnivå, slik at anlegget beskyttes mot overslag/gjennomslag.
For dimensjonering av overspenningsavlederen vil avlederens lengde ha betydning for merkespenningen (UR), antall ZnO-motstander koblet i serie, mens avlederens diameter (tverrsnitt) har betydning for vernenivået, (Ures).
Et problem ved MOA er at i driftsspenningsområdet er ZnO-motstandens temperaturkoeffisient negativ. Det vil si at strømmens resistive komponent øker med økende temperatur, se figur 23. Er temperaturen for høy vil dette medføre termisk instabilitet, at avlederen produserer mer varme enn den klarer å lede bort gjennom porselen og flenser, og avlederen havarerer. Det er derfor viktig at avlederen dimensjoneres riktig med hensyn på kontinuerlig driftsspenning, overspenninger og temperatur. Også aldring vil innebære at den resistive komponenten vil øke med tiden. Dette vil forskyve karakteristikken mot høye på tilsvarende måte som vist for temperaturen i figur 23.

9 Litteraturhenvisninger
- Arnesen, Faanes, Klevjer og Olsen. Elektriske kraftsystemer, del 2, – NTH, (aug. 1994)
- Matestasjoner, Kompendium for støtte- og informasjonskurs, – Jernbaneverket Bane Energi (okt. 1995)
- Anker, Sletbak. Høyspenningsteknikk 1, NTH, (vår 1995)
- Jernbaneverket, høringsutkast. Regelverk felles elektro,Jernbaneverket Hovedkontoret (jan. 1999)