Sonegrensebrytere
Publisert: 6. februar 2012
Oppdatert: 4. februar 2025
1 Sonegrensebryter
Sonegrensebryteren er en trepolet effektbryter som benyttes for automatisk seksjonering ved feil, samt for effektivisering av strømbrudd i kontaktledningsnettet. Bryteren skal også bryte kortslutningsstrømmer som verneutrustningen i matestasjonene ikke registrerer som feil. Sonegrense-bryteren gir mulighet for å seksjonere kontaktledningsanlegget når omformerstasjonene ikke er samkjørt.
Ved utkobling på grunn av at omformerstasjonene ikke er samkjørt, er det behov for en dødseksjon mellom tilkoblingene til kontaktledningsanlegget. Den fysiske beskrivelsen av hvordan dødseksjonen er utført står i lærebok om kontaktledningsanlegg, L541. Den elektriske beskrivelsen og plasseringen av selve dødseksjonen er beskrevet under.
Sonegrensebryterutrustning omfatter effektbryter, måletransformatorer, verne- og styreutrustning samt 220 V fordeling i sonegrensebryterkiosk og en understasjon for fjernkontroll.
Sonegrensebryter plasseres i kontaktledningsnettet på strekninger hvor det er lang mellom utgående linjebrytere i matestasjoner og koblingshus. Det er ingen spesielle krav til avstander og geografisk plassering, men følgende forhold er med i vurderingen for å finne beste plassering:
- Avstander (mellom matepunktene)
- Stasjonsplassering og topologi (med hensyn på plassering av dødseksjon)
- Togtetthet
- Koblingshyppighet (planlagte koblinger i forbindelse med vedlikehold m.m.)
- Feilfrekvens i kontaktledningsnettet
2 Dødseksjon
Dødseksjoner er et spenningsløst skille mellom to elektrisk adskilte nett. Seksjonene monteres for å unngå at spenning dras over fra det ene nettet til det andre. Dette gjør at lengden på dødseksjonen er bestemt av avstanden mellom strømavtakerne på toget, se lærebok L541. Ved skille i nettet vil togene måtte senke strømavtakeren for å forhindre spenningsoverdraging med dertil hørende lysbuer. I denne situasjonen får ikke toget effekt. For å hindre at toget stopper mens det kjører igjennom dødseksjonen stilles det derfor noen krav til topologien hvor dødseksjonen kan plasseres. I tillegg må togene ha høy nok hastighet til å rulle gjennom seksjonen. Kravene som gjengis under er hentet fra regelverk for kontaktledning.(åpnes i ny fane)
Det må tas hensyn til:
- Stigning på stedet bør ikke være større enn halvparten av den stigning som er bestemmende for togvekten på vedkommende banestrekning.
- Kjørehastigheten på stedet må ikke ved faste signaler eller spesielle bestemmelser være fastsatt lavere enn 40 km/t.
- Strekningen bør være oversiktlig.
- Normalt utenfor forsignal.
De to første kravene går på at toget ikke skal stoppe inne i dødseksjonen. Dødseksjonen varsles med skilt. For at lokomotivpersonalet skal kunne se skiltene, og se at strekningen er klar, ingen uforutsette ting som man må bremse ned for, dekkes av det tredje kravet. Det siste kravet er for å unngå at toget må bremse ned på grunn av at forsignalet gir stopp på hovedsignalet.
Skilt for varsling om dødseksjon sette opp 500 m foran skiltet som sier at strømavtakeren må være utkoblet før lokomotivet kjører forbi signalet. Dette siste skiltet kan være supplert med en lampe med 2 loddrette streker. Når lampen lyser er seksjonen spenningsførende og det er da ikke nødvendig å koble ut lokomotivet. Signalet om utkobling av strømavtaker skal stå i tilstrekkelig avstand før seksjonen. I tilstrekkelig avstand etter dødseksjonen står signal om at strømavtakeren kan kobles inn når lokomotivet har kjørt forbi signalet. Ved fellesstyring av multippelkoblede lokomotiv, må ikke strømmen kobles inn før bakerste lokomotiv har kjørt forbi signalet.
3 Utforming av sonegrensebryteren
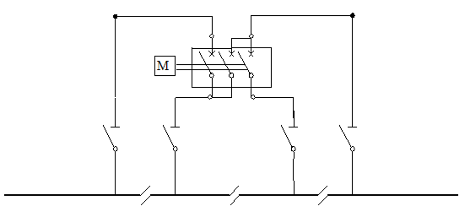
En sonegrensebryter består av en 3-fase effektbryter som er koblet til kontaktledningsanlegget som vist på figur 1.

Kontaktledningsbryterne(åpnes i ny fane) som er vist på figur 1 monteres på kontaktledningsmast.
Sonegrensebryteren er utformet slik at bryteren ikke skal kunne betjenes uten at operatøren er beskyttet av en lysbuesikker kapsling. Bryterstillingen må være tydelig indikert, enten ved synlig brudd eller med en pålitelig mekanisk stillingsindikering slik at personalet ute i sporet kan se om det er samkjøring eller ikke.
Sonegrensebryteren har utstyr for fjernstyring for på en enkel måte å kunne seksjonere kontaktledningsanlegget ved behov for å ikke samkjøre omformerstasjoner. Hvilke signaler som skal overføres i forbindelse med fjernstyringen er nevnt senere i kapittelet.
Effektbryteren dimensjoneres for maksimalt antatt driftsstrøm i kontaktledningsanlegget. Det må tas hensyn til at driftsfrekvensen er 16 2/3 Hz og driftsspenning (fase – jord) 17,25 kV. Valg av spenning er basert på maksimalt tillatt spenning i kontaktledningsanlegget.
4 Virkemåte
Sonegrensebryteren kan kobles ved hjelp av fjernstyring fra elkraftsentral. Ved feil i kontaktledningsanlegget skal sonegrensebryterens verneutrustning hjelpe til å gi selektiv utkobling i nettet.
4.1 Utkobling ved kortslutning i kontaktledningsanlegget
Sonegrensebryteren utkobles etter 20 s ved en innstilt minimalspenning. Minimalspenningen skal være innstillbar mellom 6–12 kV. Minimalspenningen vil inntreffe ved kortslutning mellom to samkjørende matestasjoner når vernet i begge stasjonene løser ut dersom første gjeninnkoblingsforsøk mislykkes i matestasjonene. Ved andre gjeninnkoblingsforsøk i matestasjonene, vil bryteren i den matestasjonen som har en feilfri strekning innkobles, mens bryteren i den andre matestasjonen vil gå i blokade etter tredje gjeninnkoblingsforsøk dersom feilen fremdeles er tilstede.
Sonegrensebryteren utkobles etter 0,4 sekunder ved en minimalspenning som skal være innstillbar mellom 6–12 kV, samt en maksimal strøm som er innstillbar mellom 250–850 A. Dette vil oppstå hvis en kortslutning er av en slik art at det bare er vernet i den ene matestasjonen som løser ut.
4.2 Innkobling av sonegrensebryter
Sonegrensebryteren kobles automatisk inn etter 10 sekunder når spenningen på begge sider av bryteren er over en innstilt verdi mellom 6–12 kV og spenningsforskjellen ikke er over en innstilt verdi på 6–12 kV. Dette under forutsetning av at bryteren er utkoblet av et vern beskrevet i kap. 4.1.
Nye sonegrensebrytere har en forrigling som gjør at bryteren ikke kan kobles inn manuelt eller fjernstyrt når spenningene ikke er i fase, det vil si hvis spenningsforskjellen er høyere enn den innstilte verdien mellom 6–12 kV.
5 Verneutrustning
For styring av ut- og innkobling av sonegrensebryteren er denne utstyrt med underspenningsvern, fasevern og overstrømsvern.
5.1 Underspenningsvern
For å sikre utkobling av sonegrensebryteren ved feil i anlegget, måler to spenningsreléer spenningen på de to sidene av bryteren. Dersom spenningen er under en innstilt verdi, kobles bryteren ut. Disse reléene er innstillbare mellom 6–12 kV.
For utkobling ved minimalspenning er det vanlig å stille spenningsreléet inn på 6 kV. Dersom spenningen går under dette, stilles tidsreléet i vernet til å løse ut etter 20 sekunder.
For utløsning ved lav spenning og overstrøm er det vanlig å stille reléets minimalspenning til 10 kV. Ved denne kombinasjonen stilles vernet til å løse etter 0,4 sekunder.
5.2 Overstrømsvern
Overstrømsvernet er innstillbart mellom 250–850 A. Dette vernet skal sammen med underspenningsvernet løse ut ved kortslutning som ikke vernet i koblingshus eller matestasjon dekker. Det er vanlig å stille overstrømsreléet inn på 300 A i denne vernkombinasjonen.
5.3 Fasevern
For å unngå store faseforskjeller mellom samkjørende matestasjoner benyttes fasevern. Dette vernet benytter et spenningsrelé for å måle spenningsforskjellen mellom spenningene på begge sider av sonegrensebryteren. Ved faseforskjell vil det bli ulik momentanverdi for spenningen. Faseforskjell mellom matestasjonene oppstår som følge av vinkelforskjell på 3-fase nettet, feil ved innfasing av omformerstasjon mot nettet og lastsituasjonen. Dette er beskrevet i Generell beskrivelse av banestrømforsyning og Effektflyt.
Vernene er innstillbare for spenningsforskjell på 6–12 kV. Lav spenningsforskjell gir minst faseforskjell. Vernet måler spenningsforskjellen, og om spenningene ligger i fase, kobles bryteren inn etter ca. 10 sekunder. En vanlig innstilling på minimalspenningsreléet som måler spenningsforskjellen er 9 kV.
6 Fjernstyring
Signalomfang for sonegrensebryteren er i hovedsak dobbelkommando «INN»/«UT» samt tilhørende dobbeltindikering «INNE»/«UTE». I tillegg overføres indikeringene:
- feil sonegrenseutrustning
- alvorlig feil
- nullspenning 220 V
Ved dagens anlegg er det ikke overført målinger av strøm og spenning fra sonegrensebryteren til fjernstyringsanlegget.
7 Litteraturhenvisninger
- Jernbaneverket Bane Energi. Matestasjoner, Kompendium for støtte- og informasjonskurs, (1995).
- Jernbaneverket Hovedkontoret. Regelverk for prosjektering av banestrømforsyning, (1999).
- Rune Lundberg. Lärebok i elektroteknik för Statens Järnvägers personal, del IV Omformarstationer, Svenska Tryckeriaktiebolaget, Stockholm, (1959).