Koblingshus
Publisert: 6. februar 2012
Oppdatert: 4. februar 2025
1 Innledning
Koblingshuset er en betegnelse på et 15 kV koblingsanlegg som har som hovedfunksjon å gi automatisk oppseksjonering av kontaktledningsanlegget. Koblingshusene brukes for å en bedre sammenkobling av kontaktledningsanlegget i normalsituasjon. Dette betyr økt effektoverføring, redusert spenningsfall og reduserte overføringstap.
Koblingshus plasseres der hvor jernbanetraséen har knutepunkt og det ikke ligger et matepunkt nær ved. For enkle banestrekninger kan sonegrensebryteren brukes istedenfor koblingshus ved ønske om automatisk oppseksjonering.
Beskrivelsen for koblingshusets 15 kV koblingsanlegg er i hovedsak lik beskrivelsen for 15 kV koblingsanlegget i omformerstasjonene.
2 Utrustning i koblingshuset
Koblingsanlegget er 1-fase 16 2/3 Hz med høyeste driftsspenning 17,25 kV fase – jord.
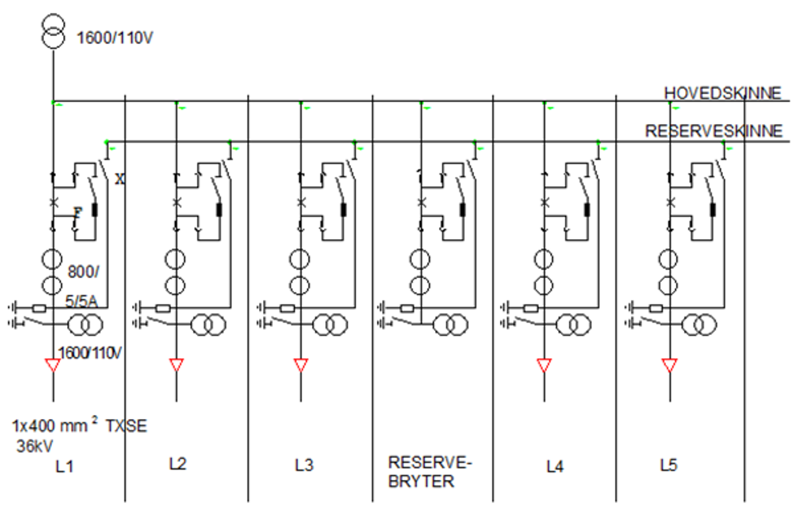
Et koblingshus bygges ut med planlagt antall komplette kabelavganger og reservebryter(e). I figur 1 er det vist et enlinjeskjema over et koblingshus.

Fra de forskjellige avgangene går det matekabler til kontaktledningsanlegget. Returkablene er koblet til retursamleskinnen i koblingsanlegget.
2.1 Strømskinner
15 kV anlegget har doble samleskinner, en hovedsamleskinne og en reserveskinne (x-skinne). Dersom det er mer enn 11 linjeavganger monteres det skillebryter for seksjonering av samleskinnene. Reserveskinnen benyttes ved bruk av reserveavgang (x-ing).
2.1.1 Dimensjonering
Samleskinnene dimensjoneres etter antall avganger og den belastningskonfigurasjon som kan oppstå, nyanlegg minimum 1200 A. For å beregne denne er det nødvendig å vite hvilke omformerstasjoner som mater strekningene koblingshuset betjener, og hvor store toglaster som er på strekningen. Utfra dette bestemmes den maksimalt forventede driftsstrømmen.
Det er jordsamleskinne i koblingshuset. Til denne jordskinnen er alt utstyr jordet via jordingspunkter. Returkablene i forbindelse med utgående linjer kobles til returskinnen. Returskinnen kobles til jordsamleskinnen. Ved å koble disse to samleskinnene sammen oppnås et felles null/jordingspunkt i anlegget.
2.2 Utgående linjefelt
Utgående linjefelt består i hovedsak av effektbrytere, prøvekretser, skillebrytere og vern for utrustningen.
Effektbryterne er i nye koblingshus montert som pluggbare effektbrytere på vogn i skapkapslet utførelse. For beskyttelse for personell ved eventuell kortslutning i anlegget er det også trykkavlastningskanal over feltene i alle cellene. I alle cellene er det også et avskjermet rom som fungerer som skille mellom høyspenningsdelen og lavspentseksjonen. Vernutrustningen kan enten være plassert i dette avskjermede rommet eller verneutrustningen kan være plassert i egne skap i kontrollrommet.
Effektbrytere kobler ut og inn linjeavgangene fra koblingshuset mot kontaktledningsanlegget. Det skal kunne foretas inntil 3 automatiske gjeninnkoblingsforsøk dersom effektbryteren har fått utløseimpuls fra overstrømsvern, distansevern, underspenningsvern og 100 Hz vern.
Utgående linjefelt skal ha vern av kontaktledningsanlegget for kortslutning, overbelastning, over- og underspenning og i tillegg utrustning for å sikre innkobling ved riktig fase.
2.2.1 Prøvekrets
Prøvekretsen består i hovedsak av en prøvebryter, en enpolet lastskillebryter, og en prøvemotstand. Formålet med prøvekretsen er å store påkjenninger på kontaktledningsanlegget og effektbryterene ved innkobling med kortslutning i kontaktledningsanlegget, og å begrense påkjenningen på koblingsanleggets utrustning mot gjentatte kortslutningsstrømstøt i forbindelse med feilsøking.
Før innkobling av effektbryter kobles prøvekretsen inn for å se om det er feil på anlegget. Prøvekretsen er vist i figur 1. Prøvemotstanden er på 64 Ω og dersom det er kortslutning like ved matestasjonen blir strømmen 25 A. I tillegg til prøvemotstanden er det et underspenningsvern. Dersom vernene godtar at prøvebryteren kobles inn, vil innkobling av effektbryteren skje. Bryteevnen på lastskillebryteren må være 50–60 MVA. Det er også et termisk vern for utkobling av lastskillebryteren etter 6 sekunder.
2.3 DC-anlegg
For å kunne forsyne koblingsanlegget med styrestrøm, må koblingshuset være utstyrt med batterianlegg. Batterianlegget består av et stasjonært akkumulatoranlegg. Batteriet skal ha merkespenning på 110 V. Kapasiteten ti batteriet bør være på ca 100 Ah, eller tilstrekkelig for 10 timers drift med 3 koblinger i timen. «Tilstrekkelig» defineres slik at spenningen på batteriet i løpet av denne tiden ikke skal bli lavere enn den minste tillatte spenning for at tilkoblet utstyr skal fungere.
2.4 Mate- og returkabel
Fra utgående linjefelt går det matekabel til kontaktledningsanlegget. Returkablene er koblet til returskinnen i koblingshuset. Mate- og returkablene til samme linjefelt må føres tett sammen fra koblingshuset til kontaktlednings-anlegget. For å sikre at returstrømmen har føringsvei tilbake til koblingshus og matestasjon skal returkabelen dubleres slik at redundans oppnås. Ved brudd i matekabelen, vil vern i koblingshuset løse ut effektbrytere, mens en feil i returkabelen ikke vil gi samme reaksjon. Vernutrustningen kan ikke «se» denne feilen, og vil fortsette å mate strekningen. Ved å ha redundans for returkabelen unngås problemer med strømmer i jorden.
Isolasjonsnivået for matekabelen er 36 kV og for returkabelen 1000 V. Returkabelen kobles til skinnen på strekninger uten returledning. Er det returledning på strekningen kobles returkabelen til denne ved hjelp av en kontaktledningsbryter. Matekabelen kobles til kontaktledningsanlegget ved hjelp av en kontaktledningsbryter ved et seksjonsdele.
3 Drift av koblingshus
3.1 Innkobling av utgående linjer
Ved spenning på samleskinne og på kabel skal fasesperren kontrollere om de to spenningene er i fase. Dersom dette aksepteres, spenningsforskjellen mellom spenningen på samleskinnen og kabelen er mindre enn 9 kV, tillates videre innkobling med prøvebryter. Ved faseulikhet skal innkobling avbrytes før prøvebryteren går inn.
I tilfeller der det er spenning på samleskinnen og ikke på kabelen, skal kabelen spenningssettes via prøvebryter og prøvemotstand. Hvis det måles en spenning høyere enn 2 kV på kabelsiden, kobles effektbryteren inn. Hvis spenningen er lavere enn 2 kV tillates ikke effektbryteren å koble inn. I det tilfelle vil det være sannsynlig at det er en kortslutning i kontaktledningsanlegget.
Når det ikke er spenning på samleskinnen, men i kabelen, spenningssettes samleskinnen via prøvebryteren og prøvemotstanden. Hvis spenningen som måles på samleskinnen er større enn 2 kV kan effektbryteren kobles inn. Er spenningen mindre enn 2 kV avbrytes innkoblingsforsøket.
Hvis effektbryteren har fått utløseimpuls fra overstrømsrelé, distanserelé eller underspenningsrelé, kan det foretas opptil 3 automatiske gjeninnkoblingsforsøk. Det første gjeninnkoblingsforsøket foretas 5 sekunder etter at effektbryteren ble koblet ut, deretter 30 og 180 sekunder etter at forrige gjeninnkoblingsforsøk er avsluttet. Hvis også det tredje forsøket er mislykket blokkeres bryteren for å hindre overbelastning på anlegget og fare for personer ute i anlegget. Deblokkering av bryteren gjøres ved ut-kommando fra kontrolltavlen eller fjernkontrollen. Innkoblingsforsøket regnes som mislykket hvis:
- Fasesperren hindrer innkobling
- Prøvebryteren kobler ut uten at effektbryteren legges inn
- Effektbryteren for ny utkoblingsimpuls fra et vern innen en gitt tidsforsinkelse (0–90 sekunder)
3.2 X-ing
X-ing er en forenkling av kryssing. Når det gjennomføres X-ing i koblingsanlegget sammenkobles strømkretser. Dette skjer i koblingsanlegget når en 15 kV linjeavgang skal erstattes av en annen 15 kV linjeavgang uten avbrudd i driften. Selve koblingsformen krever at det er en reserveskinne, X-skinne, i tillegg til hovedsamleskinnen i koblingsanlegget.
Ved X-ing er det viktig å benytte fasevernet for å hindre spenningsforskjeller ved sammenkobling.
Hovedregler for X-ing, fra normal drift til unormal drift:
- Før X-ing foretas må en forvisse seg om at distansevernet dekker den nye linjestrekningen.
- X-skillebrytere som er innkoblet mot X-skinnen og som ikke omfattes av koblingen skal kobles ut.
- Effektbryterne for de to linjeavgangene som inngår i X-ingen må ligge innkoblet. Hvis begge effektbryterne ikke kan kobles inn, må samkjøring av bakenforliggende matestasjon bryter.
- X-skillebryterne for begge linjene kobles inn.
- Ved bryterfall som skjer under X-ingen, må videre koblinger vurderes nøye med hensyn på årsaken til bryterfallet.
Ved overgang fra unormal til normal drift skjer X-ingen i omvendt rekkefølge, og begge effektbryterne skal ligge innkoblet når X-skillebryterne kobles ut.
3.3 Fjernstyring
Alle motorbetjente brytere må kunne fjernbetjenes fra elkraftsentralen for rasjonell utnyttelse av personalet og raskest mulig kobling ved feil. Alle indikeringene og måleverdier skal vises lokalt i koblingshusets kontrollrom, i tillegg til at de skal kunne fjernavleses.
For å kunne fjernstyre utrustningen i koblingshuset overføres følgende signaler og måleverdier:
- Fjernstyring på/av
- Alle strøm og spenninger for kabelavgangene
- Spenning på hovedsamleskinnen
- Strøm/Tone i nødfrakoblingssløyfe
- Nødfrakobling «i drift»/«ute av drift» (kommandoer og indikeringer)
- Melding «feil sløyfe» for nødfrakobling
- Melding «nødfrakobling utført»
- Indikering av alle effektbryter, lastskillebrytere og X-skillebrytere
- Brann og innbruddsalarm
- Batterispenning og strøm
- Lav batterispenning
- Gjeninnkobling pågår, gjeninnkobling blokkert
- Utløse signaler fra alle vern
- Totalstopp, (kommando og indikering)
- Signal for utløste sikringer for 110 V DC, alarmutstyr, kommandoer, indikeringer, nødfrakoblinger og driftsmotorer for kommandobrytere.
4 Beskrivelse av komponenter
4.1 Mate- og returkabler
4.1.1 Forlegging av mate- og returkabel
I beregningene er det forutsatt at matekablene hovedsakelig forlegges i sandfylte kabelkanaler. Det kan være fra 3 til 6 kabler eller grupper av kabler i samme kabelkanal. vanligvis ligger kabelkanalene med lokket i høyde med bakkenivå, eller det er luft på den ene eller begge sidene av kabelkanalen.
I kabelkanalen skal matekabelen og returkablene til samme spor ligge slik at magnetfeltet blir minst mulig. Dette for å redusere forstyrrelser på andre kabler som ligger i nærområdet, og for å redusere påvirkning på andre anlegg.
4.1.2 Dimensjonering av mate- og returkabel
Matekabelen skal føre energi fra koblingsanlegget til kontaktledningsanlegget. Den må derfor dimensjoneres utfra den belastningen som togtrafikken på matende strekning trekker. For å definere dette effektbehovet velges det å se på en matesituasjon der linjeavgangen endemater strekningen mot neste omformerstasjon. Det kan gjøres målinger for å se hvordan dagens effektuttak er på strekningen, eller det kan foretas beregninger. Ved dimensjonering av strømbelastningen er det viktig å ta hensyn til fremtidig vekst i effektuttaket på strekningen.
En typisk strømbelastning for mate- og returkabel er en kontinuerlig grunnlast overlagret med kortvarige impulsstrømmer. Disse impulsstrømmene har en varighet mellom 30–60 sekunder. Trekkmateriell og togtetthet avgjør hvordan belastningen blir.
Ved dimensjonering er det viktig å ta hensyn til oppvarming av kabelen. Ved sterkt vekslende belastning kan det tillates høyere belastningsverdier enn ved kontinuerlig belastning siden kabelens og omgivelsenes varmekapasitet og lengden av kjøleperiodene, kommer inn i beregningene.
Toppbelastninger av kort varighet gjør at oppvarmingseffekten blir begrenset. Siden toppbelastningene er stokastisk fordelt, blir det vanskelig å beregne oppvarmingen. Av den grunn vurderes oppvarmingen på bakgrunn av kortslutningsberegninger. Det er i kortslutningssammenheng valgt å regne konservativt ved å anta at all utviklet varme lagres i kabelleder i kortslutningstiden (adiabatisk beregning). Følgende likning benyttes i beregningen:
(1)
hvor:
- I: kortslutningsstrømmen (A)
- t: varighet av kortslutningsstrømmen (s)
- K: varmekapasitet for det aktuelle ledermateriale: Al: 148 (As1/2 /mm2 )
- S: ledertverrsnitt (mm2)
- : sluttemperatur (°C)
- : starttemperatur (°C )
- b: konstant, 228 for Al
Likning 1 gjelder for kortvarige strømmer, tidsramme i størrelsesorden 5 sekunder. Siden det i kontaktledningsanlegget er korttidsstrømmer som varer opp til 1 minutt, er det i likning 2 brukt differansen mellom korttidsstrømmen og den kontinuerlige belastningsstrømmen. Argumentet for dette er at det er stigningen av strømmen over den kontinuerlige belastningsstrømmen som gir temperaturstigningen på kabelen ut over den likevekt som har innstilt seg. Ved gjentatte kortvarige impulsstrømmer, vil kabelen avkjøles litt mellom hver strømpuls, i det avkjølingskurven for den aktuelle kabelen vil følge en eksponentialkurve. Dette tas hensyn til ved å bruke følgende likning:
(2)
hvor:
- Tkont: Ledertemperatur ved kontinuerlig strøm ( f.eks. 285 A)
- Timpuls: Ledertemperatur ved korttidsstrøm ( f.eks. 600 A)
- 𝜏: Tidskonstant (3 timer)
Det er viktig å undersøke om kabelen rekker å avkjøles til starttemperaturen ved kontinuerlig strøm før den neste strømimpulsen kommer. Hvis ikke kan det oppstå en stigende temperatur i kabelen og den kan bli overopphetet.
4.2 Effektbrytere
4.2.1 Funksjon
Effektbryterne benyttes for å kunne koble ut og inn anleggsdeler. Inngående effektbrytere til omformerstasjoner kobles inn og ut når stasjonen skal starte/stoppe, ved revisjon etc. Utgående effektbrytere på 16 2/3 Hz siden kobler inn og ut linjeavgangene fra koblingshuset mot kontaktlednings-anlegget.
Faktorer som påvirker valg av effektbryter:
Bryteevne [MVA]
- Koblingsfrekvens
- Anleggsdel
- Vedlikeholdsmuligheter
- Pris
I tillegg til det ovennevnte oppgir leverandøren:
- Nominell spenning, Un, [kV]
- Nominell belastningsstrøm, In, [A]
- Maksimal brytestrøm, Imaks, [kA]
Ved valg av effektbryter hvor nettspenningen, Unett og bryterens Un er ulik, må Un være høyere enn Unett.
In angir den maksimale belastningsstømmen som kan gå kontinuerlig gjennom bryteren uten skadelig oppvarming. Dersom nettdelen har varierende last, kan korttidsbelastningen økes vesentlig i forhold til In.
For at kortslutningsstrømmene ved feil i nettdeler ikke skal bli for store deles de opp etter forutgående beregninger.
Bryteeffekten, [MVA], er et produkt av bryterens nominelle spenning, Un og største bryterstrøm, Imaks.
3-fase: bryteeffekt = Un x Imaks x
1-fase: bryteeffekt = Un x Imaks
3-fase effektbryterne kobles et par ganger i året, mens 1-fase effektbryterne i linjeavgangene kobles flere ganger hver dag. Dette betyr at det stilles større mekaniske krav til 1-fase bryterne enn til 3-fase bryterne. Det finnes flere typer brytere, oljefattige, med magnetisk blåsing, trykkluft, SF6 og vakuum brytere.
Beskrivelse av de forskjellige brytertypene.
4.2.2 Koblingsforløp
Fra elektroteorien er det kjent at om en likespenning tilkobles en spole med jernkjerne, så vil det ta en viss tid før strømmen når sin sluttverdi, se likning 3.
(3)
I figur 2 er en slik strømkrets vist skjematisk, og figur 3 viser en kurve som angir et slikt innkoblingsforløp. I punktet 0 sluttes kretsen med bryteren B, og først etter en tid t når strømmen opp i sin sluttverdi.


Hvis likespenningskilden erstattes med en vekselspenning, se figur 4, så kan innkoblingsforløpet vise variasjoner. Årsaken til dette ligger i at bryteren B kan kobles inn på et hvilket som helst punkt på vekselspenningskurven.

Da belastningen i strømkretsen nå er en reaktans, XL, vil spenningskurven U og strømkurven i være faseforskjøvet vinkelen φ i forhold til hverandre som vist i figur 5.

Her blir bryteren B sluttet når strømkurven i har maksimal verdi, t2, og som tidligere vist kan ikke strømmen nå sluttverdi momentant. Strømkurven skyves av den grunn ut fra nullinjen, 0, de første periodene etter innkoblingen. Dette kalles et transient forløp eller overgangsforløp. Det transiente forløpet består av en vekselstrømskomponent iv og en likestrømskomponent il . Senere skal det ses på hvordan slike koblingsforløp kan skape problemer ved utkobling av effektbrytere. Strømkurven iv i figur 5 viser et koblingsforløp hvor bryteren B kobles inn når strømkurven går gjennom nullinjen. Koblingsforløpet blir nå stasjonært, det vil si strømkurven svinger symmetrisk om nullinjen.
4.2.3 Tilbakevendende spenning (brytespenning)
Problemer med tilbakevendende spenning opptrer først og fremst i brytere tilkoblet 15 kV linjene.
Disse strømkretsene inneholder både induktiv og kapasitiv reaktans, samt ohmsk motstand. Hvis den induktive og den kapasitive reaktans er like store, har man en svingekrets, se likning 4.
(4)
Den ohmske motstand, R, må da utgjøre mindre enn:
Ved å bryte kretsen når spenningskurven U, figur 5, har maksimal verdi, kan en få en langt høyere spenning over bryterkontaktene enn det som er normal driftsspenning. De raske vekslingene på spenningskurven etter brytningsøyeblikket indikerer at brytespenningens frekvens er høyere enn nettfrekvensen, noe som er vanlig.

4.3 Skillebrytere
Skillebryteren er ikke dimensjonert for å betjene ved belastning. Bryterne brukes til å dele opp høyspenningsanlegget slik at andre anleggsdeler kan gjøres spenningsløse for vedlikehold etc. De skillebryterne som er beregnet for brytere av begrensete strømmer kalles lastskillebrytere. Andre skillebrytere har sikringer innkoblet i fasene og kalles derfor sikringsskillebrytere.
4.3.1 Lastskillebryter
Lastskillebrytere har maksimal bryteeffekt på 50–60 MVA. Den kan ikke anvendes i anleggsdeler hvor bryteeffekten overstiger dette.
Bryteren er 1-polet og koblet i serie med prøvemotstanden. Denne motstanden begrenser strømmen slik at Imaks = 25 A. Lastskillebryteren produserer luft til slokking av lysbuen ved utkobling.
For å manøvrere bryteren fra ute- til innestilling brukes en elektromagnet. Magneten står under kortvarig spenning, og bryteren kobles ut når spenningen forsvinner.
4.4 Vern i koblingshus
Det viktigste kravet til vern er at de skal virke hurtig og selektivt. Hurtigheten er begrunnet av hensyn til stabilitet, sikkerhet for mennesker og dyr og forstyrrelser i telenett, samt den skade selve lysbuen og feilstrømmen forårsaker.
4.4.1 Kortslutningsvern
I koblingshuset skal det være kortslutningsvern for hver linjeavgang. For å være tilstrekkelig sikret skal vernet har momentanutløsning for å hindre overbelastning og høye kortslutningspåkjenninger. For å verne anlegget mot kortslutninger med lavere kortslutningsstrømmer skal kortslutningsvernet også bestå av distansevern med impedansmåling.
4.4.2 Underspenningsvern
Koblingsanlegget benytter underspenningsvern for å sikre seg mot kortslutninger og overbelastning. Bruken av underspenningsvern i prøvekretsen brukes for å være sikker på at det ikke er feil i kretsen. Underspenningsvernet i prøvekretsen godtar innkobling når spenningen er 2 kV og høyere.
På utgående linjeavganger løser underspenningsvernet ut når spenningen er under 10 kV i mer enn 2 sekunder. Ved en så lav spenning vil anlegget bli overbelastet om lokomotivene trekker mye effekt.
4.4.3 Fasevern
For å hindre at effektbryteren kobles inn ved stor faseforskjell utstyres de med en fasesperre. Den måler spenningsforskjellen mellom samleskinnen og kontaktledningsanlegget når spenningen på samleskinnen er over minsteverdien, 2 kV, og kontaktledningsanleggets spenning er over minsteverdien, 10 kV. Fasesperren sørger for at innkobling av effektbryteren bare kan foretas når spenningsforskjellen er mindre enn en innstillbar verdi, 9 kV.
4.4.4 Termisk vern
I alle prøvekretsene er det et termisk vern for å hindre oppvarming av prøvemotstanden, og dermed for høy strøm.
4.4.5 Overspenningsvern
Alle kabelavgangene skal ha overspenningsavledere for å verne koblingsanlegget mot innkommende spenningstransienter.
5 Beskrivelse av forskjellige typer effektbrytere
I dette kapittelet er det ment å gi en beskrivelse av effektbrytere som er i drift i 15 kV koblingsanleggene. Slukkeforløp og noen fordeler/ulemper med de forskjellige bryterne blir nevnt.
5.1 Oljetankbrytere
Oljetankbryterne er den eldste effektbrytertypen i banestrømforsyningen, og fortsatt er en del av dem i drift.
Denne brytertypen har forholdsvis liten bryteeffekt. Av den grunn er den blitt erstattet av nyere bryterkonstruksjoner ved bygging av større omformeraggregat i parallelldrift. Større ytelse i omformerstasjonene gir høyere kortslutningsstrømmer.
Effektbryteren består av en oljebeholder fylt med transformatorolje, og et lokk hvor isolatorgjennomføringene er festet. Bryteren kan være utført 1- eller 3-faset og har da to, henholdsvis seks gjennomføringer. På gjennomføringenes underside er de faste kontaktene festet, og de er som regel av lamelltypen. En mekanisme bringer knivkontakten i inngrep med to av de faste kontaktene. Knivkontakten er montert på en isolator, og er det flere faser, er hver av dem festet på isolatorer. Alle kontaktdelene er av kobber.
Ved innkobling løftes knivkontakten og strømkretsen sluttes når den går i kontakt med de faste kontaktene. Når bryteren kobles ut med belasting, tennes to lysbuer i hver fase. Lysbuen har en temperatur på 3000–4000 °C, og oljen nærmest lysbuene går over i gassform og stiger opp til oljens overflate. Ny kald olje strømmer inn mot lysbuene og avkjøler dem, samtidig som lysbuene trekkes utover med knivkontakten.
Når strømkurven passerer nullinjen, vil oljen kjøle ned lysbuen slik at den slokker. Kjølingen foregår ved naturlig sirkulasjon i oljen.
5.2 Oljefattige brytere
For å oppnå større evne til å bryte strømmen, er det i denne brytertypen konstruert spesielle kammer hvor lysbuen slokkes. I motsetning til oljetankbryterne hvor flere faser kan stå ved siden av hverandre i samme oljebeholder, har oljefattige brytere et såkalt slukkekammer for hver fase. Slukkemiddelet er transformatorolje også i denne brytertypen, men oljemengden er forholdsvis liten.
Slukkekammerhuset som ligger nedsenket i olje, består av en messingsylinder hvor segmentkontaktene er montert. Differensialstempelet som er av et isolerende materiale slutter tett til sylinderen. Når bryteren er innkoblet, går pluggkontakten inn mellom segmentkontaktene.
Ved utkobling trekkes pluggkontakten ut av segmentkontaktene, og det oppstår en lysbue. Oljen som befinner seg nærmest lysbuen går over i gassform, og trykket i sylinderen over differensialstempelet stiger.
Er gassutviklingen sterk, vil trykket overvinne fjærkraften og skyve stempelet nedover. Oljen som befinner seg i sylinderen under differensialstempelet, presses gjennom kanaler inn mot lysbuen.
Den kalde oljen forserer nedkjølingen av lysbuen, og den slokker når strømkurven går gjennom nullinjen.
Bevegelsen på differensialstempelet avhenger av strømmen i lysbuen. Høy strøm betyr stor gassutvikling og høyt trykk og derved stor bevegelse på stempelet.
Under visse forhold kan trykket i slukkekammeret bli for høyt. For at delene i slukkekammeret ikke skal deformeres, slippes en del av overtrykket ut gjennom sikkerhetsventiler.
Etter en utkobling returnerer differensialstempelet tilbake til utgangsstillingen.
Ved innkobling manøvreres pluggkontakten inn i segmentkontakten, og de øvrige delene er i ro.
En nyere type oljefattig bryter er reaksjonsbryteren. Det som spesielt skiller kontraksjons- og reaksjonskamrene fra hverandre er at sistnevnte type har dyser og en luftlomme i stedet for differensialstempel og fjær.
5.3 Trykkluftbryteren
For de to foregående bryterne avgjør lysbuens varmeutvikling hvor kraftig slukkevirkningen skal være. Dette kalles en strømavhengig slukkeintensitet. Den brytertypen som nå skal presenteres har samme slukkeintensitet enten bryteren kobles ved tomgang- eller kortslutningsstrøm.
Trykkluftbryteren har hittil vært den dominerende brytertypen i anlegg med store kortslutningsstrømmer. Bryteren er kostbar i anskaffelse og i tillegg fordres et høytrykks trykkluftanlegg. Da bryterne er forholdsvis detaljrike, stilles det store krav til vedlikeholdspersonalet.
Trykkluftbryterne utføres både 1- og 3-faset, og de fleste bryterne i våre matestasjoner har to brytesteder i serie for hver fase. Som slukkemiddel brukes trykkluft, og trykket i bryterbeholderen er 15 eller 20 kg/cm2. Trykkluften som anvendes må være tørr og fri for olje og andre forurensninger.
Som nevnt tidligere har bryteren to brudd for hver fase. Det ene brytestedet er slukkekammeret som bare er i funksjon ved utkobling av bryteren, det andre er en skillebryter. Skillebryteren manøvreres enten av en trykkluftdrivanordning ved ut- og innkobling eller med en fjær ved utkobling og av en trykkluftdrivanordning ved innkobling.
I de andre brytertypene som er gjennomgått, skjer slukkingen av lysbuen når strømkurven går gjennom nullinjen. I trykkluftbrytere kan lysbuen slokkes i løpet av en tid som er mindre enn en halvperiode, dvs. brytning kan utføres uten nullgjennomgang av strømkurven.
Korte lysbuetider er svært viktig i anlegg med store strømmer, fordi en ellers vil få store skader på feilstedene. Samtidig reduseres også materialfordampningen i slukkekontaktene i bryteren. Ulempen ved korte lysbuetider er at den tilbakevendende spenningen ofte blir høy, og risikoen for tilbaketenning over kontaktene øker.
Bryterfabrikantene har utarbeidet funksjonstider for de forskjellige brytertypene, og det er av avgjørende betydning at disse forskriftene blir fulgt. Feil ved funksjonstider kan forårsake havari av bryteren.
5.4 Magnetisk blåsebryter
Slukkekammeret har i motsetning til de tidligere nevnte brytertypene ikke noe slukkemiddel i form av væske eller gass (luft).
Den faste kontakten er forbundet med en spole (solenoid). I spolens sentrum ligger en jernkjærne som er festet til to stålplater. Platene er plassert slik at det befinner seg en på hver side av bryterkontaktene.
Ved en utkobling vil den bevegelige kontakten gå i fra den faste, og det oppstår en lysbue i bruddstedet. Strømmen i lysbuen går også gjennom spolen og danner et magnetisk felt. Dette feltet blir stående over stålplatene og tvinger lysbuen ut fra kontaktene. Lysbuen som forlenges på grunn av det magnetiske feltet, slokker når den går opp i slukkeblikkene. Flere slike bryterkammer kan om nødvendig legges etter hverandre i serie.
Ved meget små strømmer vil det magnetiske feltet være ubetydelig, og det er nødvendig med en annen form for slukkemekanisme. På knivkontakten er det montert en gummibelg, og når effektbryteren kobles ut presses gummibelgen sammen. Ved sammenpressingen genereres det undertrykk og lufta presses opp mot lysbuestrengen og kjøler den ned.
Lysbuen har lav varmeomsetning under slike driftsforhold, og luftstrømmen er tilstrekkelig for å kjøle ned den ioniserte gassen. Prinsippet kalles autopneumatisk slokking, og ved store strømmer har blåsevirkningen liten innflytelse på bryterens slukkeevne.
Da den magnetiske feltstyrken varierer med strømmen i lysbuen vil slukkeevnen også variere med strømmens størrelse. Som en forstår har denne brytertypen strømavhengig slukkeintensitet.
5.5 Vakuumbryteren
I de brytertypene som har vært berørt hittil, var det nødvendig med et høyt gasstrykk og konveksjonskjøling for å slokke lysbuen.
I denne effektbryteren anvendes et ekstremt lavt lufttrykk, 10–6 torr (mm Hg).
I utkoblet tilstand er avstanden mellom kontaktene svært liten sammenliknet med andre brytertyper for samme driftsspenning. Dette er mulig da bryterkammeret ved så lavt gasstrykk har meget høy dielektrisk holdfasthet.
Kontaktene som anvendes i vakuumkamrene (vakuumrør) er utført av materialer som ikke avgir gasser når kontaktmaterialet fordamper i lysbuesonen. Kontaktmaterialet er en legering som hindrer sammensveising ved innkobling av effektbryteren. På de første vakuumbryterne var dette et problem fordi vanlige kontaktmaterialer ikke oksiderer ved så lavt gasstrykk og følgelig gir sveisbare kontakter.
Kontaktmaterialet skal avgi liten metalldampmengde, samtidig som kontaktavbrenningen er jevn. Ved å utforme kontaktene på en bestemt måte bringes lysbuens fotpunkter i rotasjon.
Lysbuen som består av metalldamp avgitt av kontaktene gir god ledeevne og lysbuespenningen er svært lav, ca. 20 V.
Når spenningen over kontaktene stiger etter nullgjennomgang er det etablert en meget høy dielektrisk holdfasthet, og vakuumbryteren mestrer høye tilbakevendende spenninger fra nettdeler den er montert i.
Vakuumrørene kan ikke åpnes for inspeksjon eller revisjon. Kontaktnedbrenningen kan kontrolleres ved hjelp av markeringer utvendig på vakuumrør og bevegelig kontakt. Fabrikanten garanterer en viss livslengde avhengig av koblingstall og brytestrøm.
Koblingstall utover det fabrikanten har oppgitt i tillegg til nedbrente kontakter medfører utskifting av vakuumrøret.
6 Litteraturhenvisninger
- Jernbaneverket Bane Energi. Matestasjoner, Kompendium for støtte- og informasjonskurs, (1995).
- Jernbaneverket Hovedkontoret. Regelverk for prosjektering av banestrømforsyning, (1999).
- Arnesen, Faanes, Klevjer og Olsen. Elektriske Kraftsystemer, del 2, NTH, (1994).