Forsterkningstiltak av banestrømforsyningen
Publisert: 7. februar 2012
Oppdatert: 14. mai 2025
1 Alternativer for forsterkning
Langs deler av jernbanen er det behov for spenningshevende tiltak, økt strømføringsevne eller mer tilgjengelig effekt. Som vist i Impedans i jernbanenettet, vil impedansen i kontaktledningsanlegget ha innvirkning på spenningsfallet.
Flere av forsterkningsalternativene går ut på å øke overføringsevnen til kontaktledningsanlegget ved å minske impedansen i anlegget. Disse tiltakene er bruk av fjernledning, spenningsbooster, autotransformator og forsterkningsledning, samt nye omformerstasjoner.
2 Forsterkningsledning
For å begrense spenningsfallet i kontaktledningsanlegget og minske tapene i anlegget, kan man redusere overføringsimpedansen. Ved å øke det ekvivalente ledningstverrsnittet ved å henge opp en ekstra leder i parallell med kontakttråden fås en parallellkobling som reduserer impedansen:
Forutsetter vanlige verdier for resistans og reaktans på 0,21 Ω/km og total impedans 0,297 Ω. Motstanden i et 150 mm2 kontaktledningssystem (bare kontakttråd og bæreline) er ca. 0,12 Ω/km. Dette vil si at resistansen i hele strømkretsen er sammensatt av 0,12 Ω/km i kontakttråd og bæreline + 0,09 Ω/km i returkretsen. En økning av tverrsnittet til kontakttråd og bæreline til det dobbelte, altså 300 mm2, vil redusere denne andelen til 0,06 Ω/km. Resistanskomponenten vil bli 0,06 + 0,09 = 0,15 Ω/km. Dersom man ikke samtidig henger opp returledning vil reaktansen bli tilnærmet uforandret. Total impedans vil bli 0,258 Ω/km. Uten forsterkningsledning vil impedansen bli 0,297. Altså får man med kun forsterkningsledning en reduksjon på 13,1 % som må sies å være beskjedent. Hvis man derimot henger opp returledning samtidig får man også en reduksjon i reaktansen på grunn av at tur- og returleder henger tettere. Som et eksempel kan man anta en reduksjon i reaktansen på 0,07 Ω/km ref [2]. I tillegg vil man få en ytterligere reduksjon av resistanskomponenten. Totalimpedansen blir under 0,2 Ω/km, en reduksjon på over 32 %.
Utførelsen av forsterkningsledningen bør være slik at den kobles til kontaktledningen med noen hundre meters mellomrom, slik at den får en tett elektrisk kobling til kontaktledningen. Forsterkningsledningen blir da seksjonert med de samme bryterne som kontaktledningen. Ved vurdering av forsterkningsledning må man sikre seg at kontaktledningsmastene og fundamentene tåler de økte vindbelastningene man kan få. Størrelsen på vindbelastningen vil avhenge av valgt opphengsmåte for forsterkningsledningen samt forsterkningsledningens overflateareal.
Forsterkningsledningen vil også øke den termiske belastbarheten. På Ofotbanen har kontaktledningsanlegget forsterkningsledning kun for å få tilstrekkelig strømføringsevne.
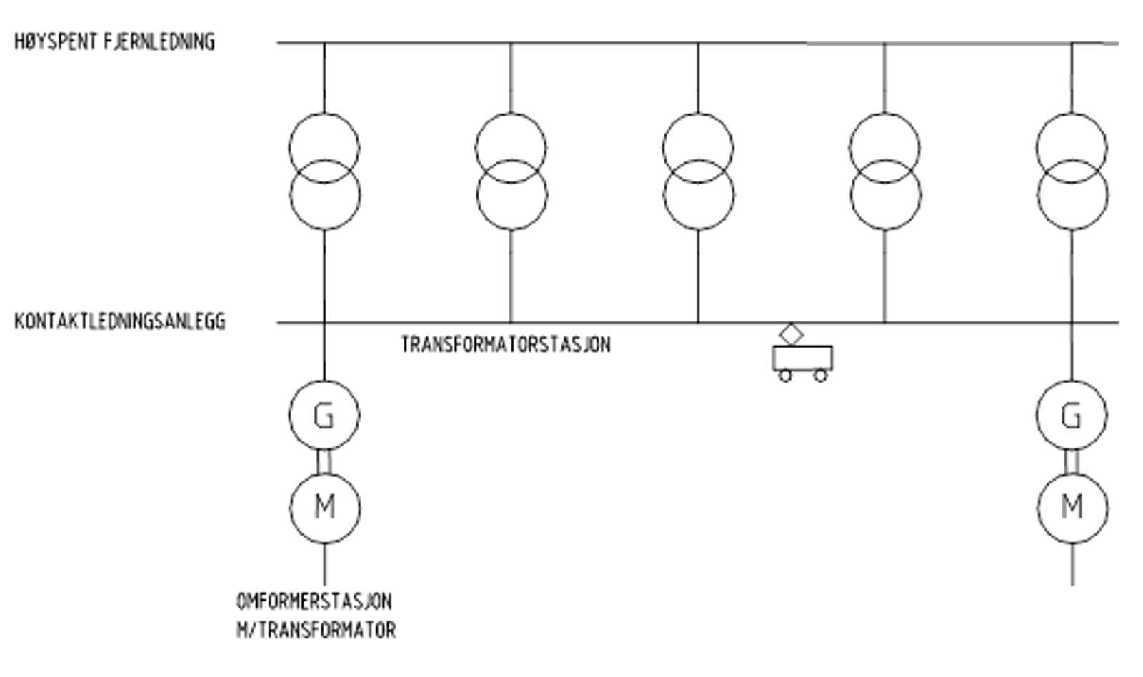
3 Fjernledning
Forsterkning av banestrømforsyningen med høyspent fjernledning og innmating via transformatorstasjoner finnes på deler av Sørlands- og Drammenbanen, samt på Ofotbanen. Fjernledningene var deler av et kraftsystem med såkalt sentralisert kraftproduksjon. På Ofotbanen ble det benyttet en nominell spenning på 80 kV for fjernledningen og på Sørlands- og Drammenbanen ble spenningen valgt til 55 kV. Ofotbanen hadde transformatorstasjoner på Katterat og i Narvik. På Sørlands- og Drammenbanen kom kraftforsyningen fra Hakavik kraftstasjon, mens på Ofotbanen var det kraftstasjoner på Nygård og Porjus som ga forsyning. Senere ble det i tillegg til kraftstasjonene, tilknyttet omformerstasjoner, og enda senere ble forsyningen fra kraftstasjonene avviklet, på Ofotbanen i 1970 og Hakavik sluttet å produsere jernbanestrøm i 2019.
Med introduksjon av autotransformatorsystem ble fjernledning lite aktuelt å benytte ved fornying av kontaklednignsanleggene. Årsaken er at kostnadene blir lavere med autotransformatorsystem der mastene kan benyttes både for en høyspent kraftoverføring og for kontaktledningen. På Ofotbanen ble det i slutten av 2000-årene byget et hybrid system med fjernledning og autotransformatorer. En av fordelene med systemet var at autotransformatorene koster lite slik at en kunne ha enheter med 10 km avstand, totalt på fem lokasjoner mot tidligere to. Dermed trengs heller ikke sugetransformatorer. Dessuten gir fjernledningen muligheter for forbimating ved arbeid på kontaktledningen.

Fjernledning med transformatorstasjoner mellom omformerstasjoner.
4 Autotransformator
Autotransformator
Forsterkning av banestrømforsyningen med autotransformatorer i kontaktledningsanlegget, er en teknikk som er mye brukt i land med 25 kV, 50 Hz-forsyningssystem. Dette systemet kan også benyttes på banestrekninger med 15 kV, 16 2/3 Hz-system. Systemet er utprøvd på en banestrekning i Nord-Sverige, men finnes ikke i drift andre steder i Sverige eller Norge.
Nominell spenning mellom kontaktledning og kjøreskinnene er den samme som i dag, altså 15 kV, men i tillegg skjer effektoverføring på 30 kV-nivå. Autotransformatorer sørger for omsetning mellom de to spenningsnivåene. Midtuttaket på autotransformatorene knyttes til skinne. Autotransformatoren erstatter sugetransformatorene. Typisk avstand mellom autotransformatorene vil være 10 km. Et slikt forsyningssystem med dobbel overføringsspenning vil halvere laststrømmen over store deler av strekningen fra omformerstasjon til tog, og dette reduserer tapene betraktelig, gir høyere spenning til togene, og bidrar til å kunne øke avstanden mellom omformerstasjonene.
Se artikkelen Bruk av autotransformatorer i banestrømforsyningen for mer omfattende informasjon.
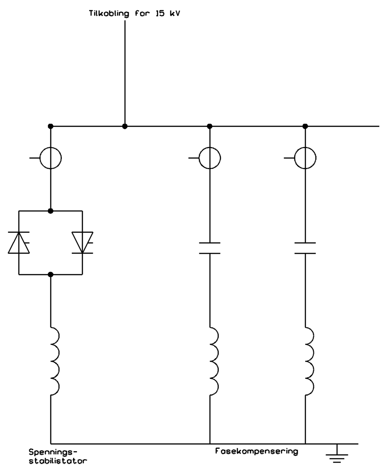
5 Spenningsbooster
Forsterkning av banestrømforsyning med SVC-anlegg (Static Var Control) er ikke utprøvd i dag, men den norske elforsyningen har erfaringer med slike typer anlegg. Et SVC-anlegg er i prinsippet en regulerbar kondensatorbank, som kan mate en varierende reaktiv effekt ut på overføringsnettet. I tillegg til kondensatorer, består et slikt anlegg av reaktorer og kraftelektronikk for å kunne regulere kompenseringsgraden. Hensikten er å kompensere for reaktivt forbruk i nettet, slik at det i hovedsak bare er den ohmske laststrømmen som bidrar til spenningsfall i overføringsnettet. En prinsippskisse over et mulig SVC-anlegg for jernbane er vist i figuren.

SVC-anlegg for tilkobling til kontaktledningsanlegg
6 Mobile omformere
Mobile omformere hjelper til å holde spenningen på et akseptabelt nivå på strekninger med spenningsproblemer eller de bidrar med effekt i områder med effektunderskudd. Kompaktomformere blir komplett levert i containere. Container vil i tillegg til selve omformeren inneholde transformatorer, innkommende og utgående bryteranlegg, vern, fjernkontroll og tilhørende hjelpeanlegg.
7 Litteraturhenvisning
- Jernbaneverket Bane Energi. Utredning av forsterkningsalternativer, Jernbaneverket, (april 1999)
- EFI. Beregning av impedans, notat, EFI (nov. 1994)
- H.E.Mordt, J.O.Gjerde. Compact inverters for supply to railways, (ukjent)