Bruk av autotransformatorer i banestrømforsyningen
Publisert: 8. februar 2012
Oppdatert: 4. februar 2025
1 Forkortelser og begreper
Her listes en del begreper og forkortelser som benyttes i dokumentet, se tabell 1 og 2.
Tabell 1: Forkortelser
| Forkortelse | Forklaring | Kommentar |
|---|---|---|
| BT | Sugetransformator | Engelsk: Booster Transformer |
| AT | Autotransformator | |
| ATBT | Kombinasjon av AT-system og BT-system | |
| PL | Positivleder (i AT-system) (engelsk PF, positive feeder) | Her med + 15 kV relativt til skinnegang/jord, 30 kV mot NL. |
| NL | Negativleder (i AT-system) (engelsk NF negative feeder) | Her med minus 15 kV relativt til skinnegang/jord, 30 kV mot PL |
| ATPLNL | AT-system med positiv- og negativleder | |
| AT-ledere | Fellesbetegnelse på PL og NL | |
| CUS | Current unbalance suppression | Benyttes i utredninger fra Varju EMC som betegnelse på sugetransformator i PL og NL. |
| EMC | Elektromagnetisk kompatibilitet/sameksistens | |
| BTRR | Kl-system med sugetransformator og retur i skinnegang (Rail Return) | |
| BTRC | Kl-system med sugetransformator og returledning (Return Conductor) | |
| RR | Rail return (engelsk for retur i skinne) |
Tabell 2: Forkortelser
| Begrep | Forklaring |
|---|---|
| AT-vindu | Strekningen mellom to autotransformatorer, normalt ca 10 km |
| BT-vindu | Strekningen mellom to sugetransformatorer, normalt i Norge ca 3 km |
| AT-system | Autotransformatorsystem – omfatter komplett system med kontaktledningsanlegget og AT-nett |
| AT-ledere | PL, NL både som luftledning og kabel ev. hengekabel. |
| AT-nett | Omfatter komplett system for fremføring og seksjonering av AT-ledere; AT-ledere, autotransformatorer, 2-polete brytere i PL/NL og overspenningsvern. |
| AT-enhet | Autotransformator og kiosk. |
2 Autotransformatorsystem i Jernbaneverket
Prinsippet med autotransformatorsystem (AT-system) er at den elektriske energien på lange strekninger overføres på et høyere spenningsnivå enn spenningen som toget forsynes med (15 kV). Når effektbehovet er konstant er strømmen omvendt proporsjonal med spenningen og de elektriske tapene er proporsjonal med endringen i strømmen i andre potens. Når man dobler overføringsspenningen vil derfor belastningsstrømmen halveres og overføringstapene bli en fjerdedel gitt at effekten som overføres er den samme.
Det eksisterer mange ulike måter å bygge AT-systemer på. I Jernbaneverket er det i dag to godkjente systemer som benytter autotransformatorer. Disse to systemene er:
- AT-system med negativ- og positivleder (NL og PL) og seksjonert kl-anlegg
- Fjernledningssystem med AT-innmating
Dette dokumentet bygger i hovedsak på tidligere utarbeidede dokumenter som for eksempel Teknisk godkjenning og krav til utførelse for AT-system med seksjonert kontaktledningsanlegg(åpnes i ny fane), diverse utredninger fra firmaet Varju EMC i Budapest og andre, samt allmenne lærebøker i elektroteknikk.
2.1 AT-systemet i et historisk perspektiv
AT-systemet ble så vidt man vet [2] første gang anvendt for banestrømforsy-ning i USA. Først var strekningen New York, New Haven & Hartford–banen som ble elektrifisert med AT-system mellom 1907 og 1914. Dette AT-systemet benyttet +11/–11 kV, dvs. forsyningen til toget var 11 kV og overføringen var 22 kV (+ 11–(–11) kV = 22 kV). Denne spenningen benyttet også New York, Westchester & Boston-banen. Man kjenner også til Detroit, Toledo & Ironton–banen med + 22/–22 kV og Virginia banen med + 11/– 33 kV, alle bygget på begynnelsen av 1900 tallet med frekvensen 25 Hz. På nittitallet ble frekvensen på New York – New Haven banen endret til 60 Hz, da var de opprinnelige AT-ene fremdeles i drift.
Övferholm lanserte i artikkelen; Die elektrischen Energie-Übertragungsanlagen der Schwedischen Staatseisenbahnen. Elektrische Bahnen 12/1929, s. 361–369 et AT-system med BT mellom kl og NL som et mulig alternativ for Södra Stambanan i Sverige. Systemet ble ikke bygget siden man valgte å bygge matestasjonene tettere for å dekke overføringsbehovet på strekningen.
AT-systemet ble så «gjenoppdaget» i 1972 da man i Japan bygget Sanyo Shin-kansen med +25/–25 kV. Neste land som benyttet AT-systemet ble Frankrike med TGV strekningen Paris–Lyon i 1982. Autotransformatorene på denne strekningen ble bygget med full bryter-, vern- og kontrollutrustning og ble like komplekse og dyre som tradisjonelle transformatorstasjoner.
Fra 1987 ble det bygget et + 25/– 25 kV AT-system i Ungarn med meget forenklede enheter for autotransformatorene der AT-ene er koblet direkte eller via lastbrytere til kl-anlegget. Systemet ble utviklet bl.a. av professor György Varju ved det tekniske universitetet i Budapest og var forløperen til lignende AT-systemer i Sverige og Tyskland. Det norske systemet bygger på dette når det gjelder den forenklede utrustningen men skiller seg på utformingen av ledere i systemet.
Begrunnelsen for å benytte AT-system har alltid vært høyt effektuttak, lange avstander mellom innmatingspunktene og å redusere indusert støy i nærliggende installasjoner. Andre land som det er kjent har bygget AT-system er Russland, Tyskland, Taiwan, Syd-Korea og Australia.
2.2 Veien frem til et norsk AT-system
Ideen om et AT-system for norske forhold ble først omtalt i landsdekkende kraftsystemplan som Jernbaneverket Bane Energi fikk utarbeidet i 1999 [3]. AT-systemet ble her presentert som et meget godt alternativ der man trengte økt overføringskapasitet i banestrømforsyningen. Senere ble AT-systemet anbefalt som forsterkningsalternativ i hovedplan for banestrømforsyningen på Dovrebanen [4]. Det AT-systemet som ble studert i [3] og [4] var et enkelt system med kun negativleder som vist i figur 1. ATBT-system ble også nevnt som et mulig alternativ, se forklaring i påfølgende kapitler.

En senere EMC-studie for det enkle AT-systemet [5] var ikke like positiv og hovedkonklusjonen fra denne var at AT-system med enkel NL ga for store strømmer i jord og fare for stor påvirkning på langsgående kabler. Systemet ble derfor vurdert som for dårlig til å kunne bygges i Norge da det gir betydelig verre forhold med hensyn på EMC enn dagens kl-anlegg med sugetransformatorer. Jernbaneverket gikk derfor videre med flere studier for å finne et egnet AT-system for norske forhold. Ved en overordnet vurdering av de ulike systemene la man vekt på følgende:
- Systemets egenskaper med tanke på støy på nærliggende kabler (herunder strømmer i jord og skinnegang).
- Teknisk gjennomførbarhet ved bygging av systemet i Norge (norsk geografi).
- Systemets tekniske kompleksitet, altså antall komponenter som er nødvendige i systemet.
- Kostnader med bygging av systemet.
- Erfaringer fra andre land med systemet.
Nedenfor følger en kort presentasjon og vurdering av de alternativene som ble vurdert for norske forhold. De mest aktuelle systemene er mer detaljert presentert i kapittel 2.2.2 og 2.2.3:
- AT-system med PL og NL: AT-system med bruk av egne positivledere i tillegg til negativleder. Det finnes flere ulike konfigurasjoner av dette. I flere av disse variantene benyttes en såkalt CUS (Current unbalance suppression unit – CUS), se over. Hensikten med denne er da å sikre at den «gjennomgående» strømmen som overfører energi fra matestasjon til toget går i PL og NL lederne i stedet for i kontaktledningen og dermed gir minst mulig strøm i spor og jord.
- AT med CUS: Dette alternativet benytter en form for sugetransformator i PL-NL kretsen for å styre den gjennomgående laststrømmen til å flyte her og ikke i kl. Det er ikke kjent at det er bygd slike anlegg noe sted, men det ligner på systemet Övferholm lanserte i 1929, se kapittel 2.1. Det vil være nødvendig med en slik CUS-enhet mellom hver autotransformator. Alternativet med CUS ble vurdert som et alternativ man burde undersøke nærmere dersom andre systemer viste seg å ikke være tilstrekkelige.
- ATBT-system: I et ATBT-system kombineres AT-systemet med BT-systemet på en slik måte at man kan ha lengre avstand mellom både selve AT-enhetene og mellom BT-enhetene. ATBT-system er vurdert som et mer komplisert system enn rent AT-system. Det har flere komponenter og større vedlikeholdsbehov, og er i første omgang ikke utredet nærmere som et alternativ.


2.2.1 AT- system med dobbel negativleder (2xNL)
I Sverige benytter man et system med dobbel NL. Dette gir det svenske egenskaper med tanke på støy som er sammenlignbare med BT-systemet. Dette sikres gjennom at kretsene NL med retur i spor og kontaktledning med retur i spor har tilnærmet samme impedans (i pu). Det gir igjen minst mulig strøm i sporet utenfor de seksjoner der toget befinner seg, og dermed mindre strømmer i jord og mindre påvirkning på langsgående kabler. I etterkant av studien i [5] ble det diskutert bruk av dette systemet i Norge. Et spesielt forhold med dette systemet er at alle lederne (2xNL og KL) må monteres opp i en spesiell konfigurasjon for at systemet skal virke optimalt. På strekninger der man ikke kan plasere de to negativlederene i den optimale konfigurasjonen kan man forvente en kraftig forverring av systemets EMC-egenskaper. I Norge, med svært mange tunneler og trange skjæringer, vil man ikke kunne henge opp AT-lederne på ønsket måte og man vil derfor kunne få svært ugunstige virkninger av systemet på store deler av det norske nettet. Spesielt på Bergensbanen og Sørlandsbanen (vest for Kristiansand) er det stor andel av tunneler på strekningene, med opptil 50 % av delstrekningen mellom to matestasjoner i tunnel. Da man i utgangspunktet ønsker ett system/prinsipp for hele jernbanenettet anså man derfor ikke dette prinsippet for AT-system som aktuelt som et hovedalternativ i Norge, selv om det på enkelte strekninger kunne ha vært benyttet.

2.2.2 AT-system med negativ- og positivleder og seksjonert kl-anlegg
Som alternativ til AT-system med CUS er det, etter forslag fra Frank Martinsen i Jernbaneverket, funnet opp en variant der kl-anlegget seksjoneres slik at dette ikke bidrar i den gjennomgående kretsen for energioverføring. Man oppnår dermed samme funksjon som med CUS. AT-system med PL og NL og seksjonert kl-anlegg er det AT-systemet som normalt vil bli benyttet ved fremtidige forsterkninger av banestrømforsyningen i Norge. Figur 5 viser en prinsipiell fremstilling av dette systemet. Systemet benytter egne ledninger for PL og NL på toppen av kl-mastene for å overføre energi på 30 kV-nivå, se figur 27. Med jevne mellomrom på ca. 10–12 km blir det plassert en autotransformator slik at man kan ta ut 15 kV spenning til kl-anlegget. Alternativet med PL og NL der kl-anlegget er seksjonert er vurdert som det mest gunstige å bygge i Norge. Forhold som taler for dette er:
- Det gir EMC-forhold som er generelt bedre enn alternativet med dobbel negativleder.
- Det gir tilfredsstillende EMC-forhold selv om PL og NL forlegges annerledes enn den foretrukne plasseringen på toppen av kl-mastene (kabel eller annen trase med luftlinje parallelt med jernbanen). Systemet er derfor det eneste alternativet som er vurdert å gi tilfredsstillende forhold for hele det norske jernbanenettet uten bruk av ekstra komponenter som CUS eller BT.
- Systemet gir tilfredsstillende overføringskapasitet til å forsyne den forventede fremtidige togtrafikken ved bruk av håndterbare ledertverrsnitt.
- Driftssikkerheten i anlegget/tilgjengeligheten i banestrømforsyningen blir bedre i et system med PL og NL da det er mulig å gjøre en del vedlikeholdsholdsarbeid på kl-anlegget selv med spenning på AT-lederne. Jernbaneverket har derfor valgt en avstand på 2 m mellom PL/NL og kl for å sikre at flest mulig vedlikeholdsarbeider kan utføres uten å komme innenfor risikoavstanden [6].
- Kostnadene vurderes å være relativt lave da det ikke innføres ekstra fordyrende komponenter som CUS eller treviklings BT.
- Systemet vurderes som enklere og mindre komplekst enn system med BT eller CUS.

2.2.3 Fjernledningssystem med AT-innmating
Fjernledningssystem med AT-innmating kan sies å være en type AT-system med PL og NL som nevnt i kapittel 2.2. Men dette systemet er en videreutvikling av tidligere ATPLNL-systemer og er ikke tidligere beskrevet. Man benytter, i motsetning til ATPLNL og AT-system med PL og NL og seksjonert kontaktledningsanlegg, egne frittstående master til å fremføre PL og NL. Fjernledning med AT-innmating kan dermed utnytte eksisterende mateledninger eller fjernledninger til å få en ekstra redundant forsyning til kl-anlegget i forhold til vanlig AT-system. Problemet med strømdeling mellom PL og kl er simulert av Varju EMC og påvist å ikke utgjøre et problem i denne sammenhengen. CUS eller seksjonering av kl er derfor ikke funnet å være nødvendig. Årsaken er at PL og NL føres tett sammen og et stykke unna kl-anlegget (separasjonsavstanden er ofte noen 100 m). Man får dermed en «naturlig» styring av strømfordelingen ved hjelp av reaktansen i lederne. Dette systemet er bygget på Ofotbanen (ferdig i 2011). I hovedplan for banestrømforsyning på Ofotbanen [7] er dette systemet funnet å være det teknisk og økonomisk beste alternativet. Fjernledningssystem med AT-innmating ble sammenlignet med:
- Kl-anlegg med forsterkningsleder som kostnadsmessig er noe billigere, men gir mindre kapasitetsøkning og mer arbeid i sporet i byggetiden.
- Fjernledningssystem med ordinære toviklingstransformatorer 66/16 kV som er betydelig dyrere på grunn av dyrere transformatorstasjoner og utstyr samtidig som det gir mindre kapasitetsøkning.
Eksisterende mateledninger oppgraderes på Ofotbanen til fjernledning med + 15/–15 kV.

3 Systemkunnskap
3.1 Autotransformatoren
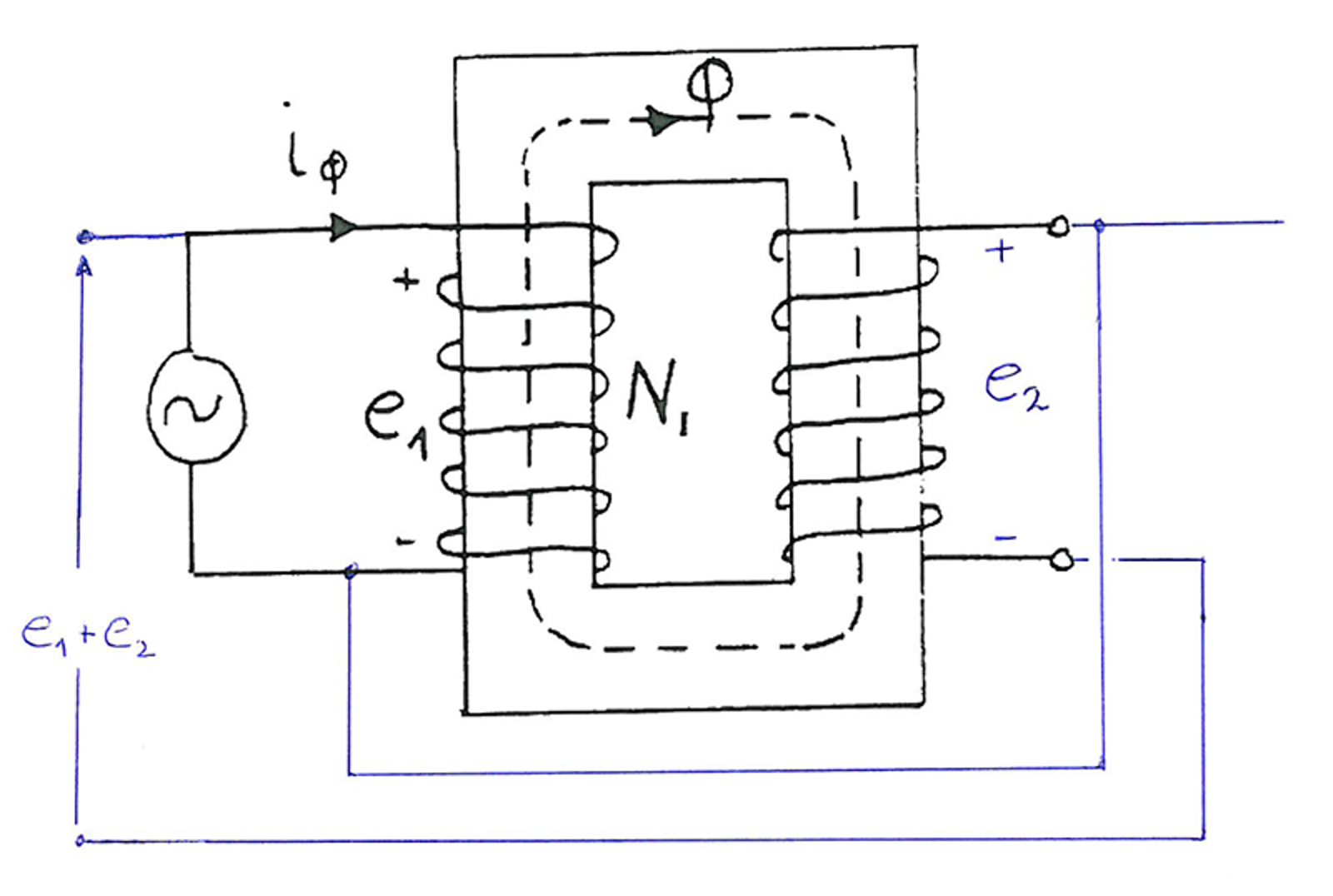
I en autotransformator er viklingene, som på en ordinær toviklingstransformator kalles primær- og sekundærviklingen, sammenkoblet. Spenningene i viklingene som ligger på samme kjernebein ligger i fase med hverandre. Når viklingene kobles sammen vil spenningene i viklingene summeres, se Figur 7.

Denne koblingen kalles medkobling. Det finnes også en kobling av autotransformatorer der spenningene i viklingene subtraheres, denne koblingen kalles motkobling og vil ikke bli nærmere behandlet her. En del av teksten under er hentet fra [9].
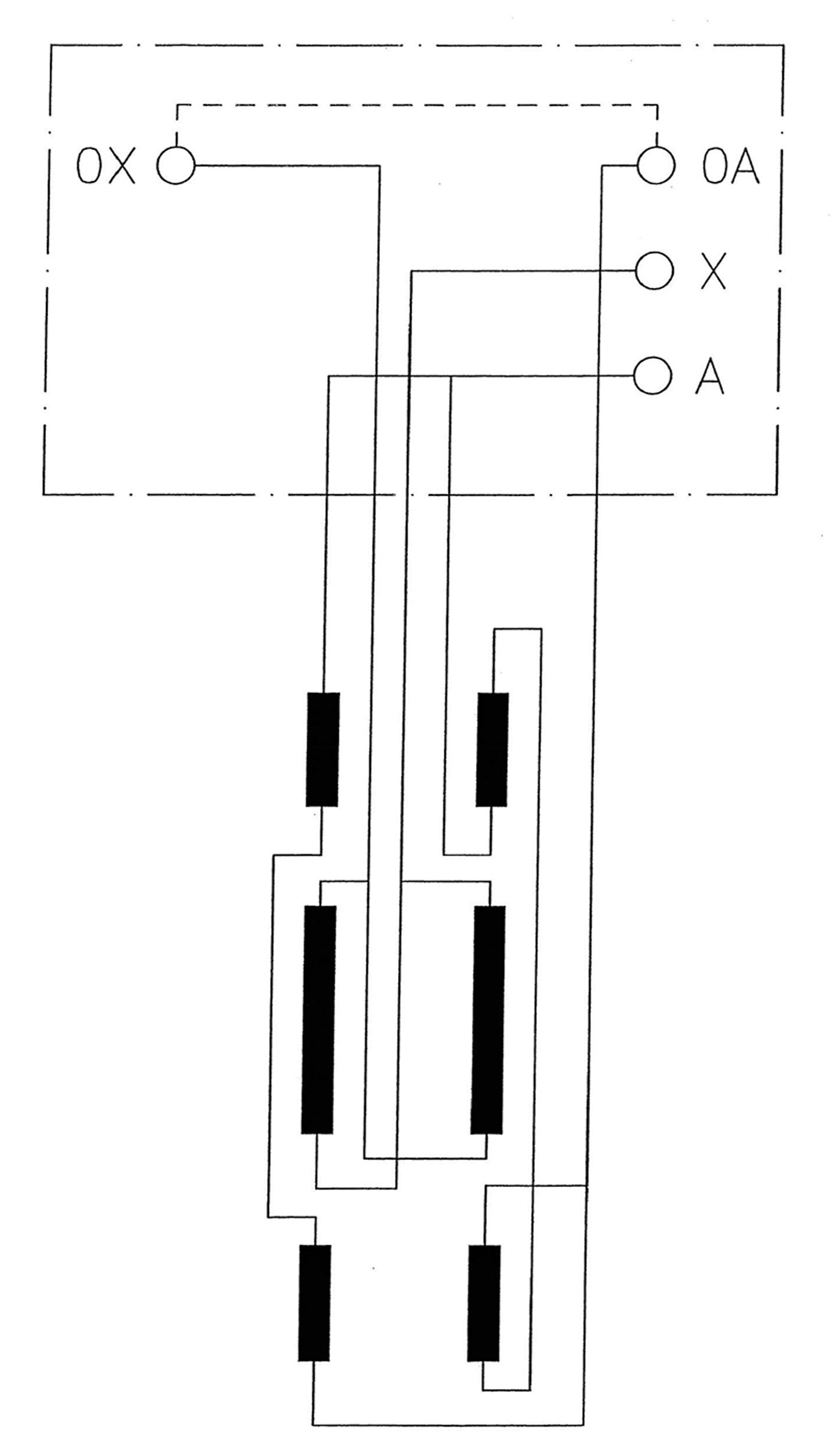
I en enfase autotransformator, som Jernbaneverket benytter, er viklingene fordelt rundt to bein i en jernkjerne. Koblingsskjema for en enfase autotransformator fra ABB er vist i figur 8. Viklingene ligger i tre lag på hvert bein og er sinnrikt koblet for å redusere kortslutningskreftene og impedansen i transformatoren, som er de største utfordringene i en autotransformator.

Figur 9 viser en autotransformator under montering på ABBs fabrikk i Vasa, Finland. Man kan se viklingene på de to kjernebeina.

Figur 10 viser en autotransformator som blir plassert på det støpte fundamentet en plass på Malmbanan i Sverige.

Viklingene i en autotransformator er som forklart sammenkoblet og dermed ikke galvanisk skilt. Siden spenningene i de to viklingene er i fase med hverandre vil det høyeste spenningsnivået på autotransformatoren utgjøres av summen av spenningene i de seriekoblete viklingene.
I stedet for uttrykkene primær og sekundærvikling snakker man om fellesvikling og serievikling i en autotransformator. Den viklingen som er felles for både det høyeste spenningsnivået og det laveste spenningsnivået kalles fellesviklingen og den viklingen som kun inngår i det høyeste spenningsnivået kalles serieviklingen. Fellesviklingen kalles også parallellviklingen. I figur 11 er fellesviklingen betegnet med Np og serieviklingen betegnet Ns. Benevnelsen p står for parallell og s for serie.

I Jernbaneverkets AT-system vil U2 være 30 kV og Up 15 kV nominelt.
Noen formler som gjelder for en autotransformator: I en ideell autotransformator uten tomgangstap er det ampervindingsbalanse på samme måte som i en toviklingstransformator.
(1)
Omsatt effekt i hver vikling (egeneffekten) er vist i formel 2. Egeneffekten ville i en toviklingstransformator vært lik overført effekt.
(2)
Overført eller gjennomgangseffekten for en autotransformator er:
(3)
Hvis man sammenligner Formel 2 og Formel 3 ser man at typeeffekten en transformator får i autokobling i forhold til som toviklingstransformator vokser med forholdet:
(4)
Autotransformatorens omsetningsforhold, n, er gitt av:
(5)
3.1.1 Autotransformatorens ekvivalentskjema
For å kunne regne på systemer med autotransformatorer må man bestemme autotransformatorens ekvivalentskjema og kortslutningsimpedans. På samme måte som for en toviklingstransformator kan kortslutningsimpedansen finnes ved å kortslutte en av viklingene og påtrykke merkestrøm på den andre viklingen. Hvis man tenker seg fellesviklingen kortsluttet får man en situasjon som vist i figur 12.

Hele U2 ligger nå over serieviklingen slik at tilfellet blir det samme som kortslutning av en toviklingtransformator. Kortslutningsimpedansen sett fra sekundærsiden kan man kalle Zk”. Hvis man tenker seg at serieviklingen er sekundærviklingen i en toviklingstransformator blir Zk” lik kortslutningsimpedansen Zsp (Kortslutningsimpedansen i en toviklingstransformator sett fra sekundærsiden). Zk” kan regnes om til den andre siden og betegnes da Zk’
(6)
Man får da et ekvivalentskjema for autotransformatoren som vist i figur 13.

3.1.2 Innkoblingsstrømmer i autotransformatorer
Innkoblingsstrømmer, eller inrushstrømmer som det benevnes både på engelsk og til dels på norsk, i transformatorer skyldes metningsfenomener i transformatorkjernen. Når transformatoren er spenningssatt følger magnetiseringen i jernkjernen en hysteresekurve som henger sammen med spenningens sinuskurve, se figur 14. H er magnetisk feltstyrke som settes opp av strømmen gjennom en leder. B er magnetisk flukstetthet. Vendepunktene på hysteresekurven, merket med Bmaks+ og Bmaks-, er gitt ved nullgjennomgangen av spenningssinusen. Når transformatoren kobles ut vil strømmen og dermed magnetisk feltstyrke, H, gå til null mens magnetisk fluks, B, vil gå til Br enten på positiv eller negativ side, avhengig av hvor på sinusen spenningen er når transformatoren kobles ut. Br kaller man remanensen i jernkjernen. Når transformatoren igjen spenningssettes vil innkoblingspunktet på spenningssinusen vanligvis være vilkårlig. Dersom man får innkobling ved spenningens nullgjennomgang vil sammenhengen mellom spenning og flux normalt gi at man skulle befunnet seg enten på Bmaks + eller Bmaks –. Dersom remanensen (Br) da befinner seg på positiv akse og man kobler inn spenningen sammenfallende med en plassering tilsvarende Bmaks – vil fluksen drives fra punkt Br og langt inn i metning.

Når transformatoren drives i metning vil reaktansen gå mot null. Man får da en innkoblingsstrøm i transformatoren som kun er begrenset av resistansen i denne og kortslutningsytelsen i forankoblet nett. Størrelsen på innkoblingsstrømmen vil være en stokastisk variabel avhengig av hvor på spenningssinusen man treffer. Innkobling ved spenningens nullgjennomgang gir som nevnt de potensielt høyeste innkoblingsstrømmene. Figur 15 viser hysteresekurven og strømmens- og fluksens tidsvarierende forløp i metning.

Målinger utført av BBR i Nord-Sverige viser at AT-ene kan være opphav til betydelige innkoblingsstrømmer dersom de spenningssettes direkte, se figur 16 og figur 17.

Figur 17 gir et inntrykk av tidskonstanten til innkoblingsstrømmen for en strekning med AT-system, varigheten er i underkant av ett sekund. Trykk på bildene for større versjon.
For å redusere innkoblingsstrømmene kan man benytte prøvebryter som reduserer spenningen over AT-ene i de første periodene slik at den er «faset inn» når full spenning påtrykkes. En annen metode som er utviklet for AGP linjetestutrustning av BBR er å bruke en kontrollutrustning som styrer effektbryteren inn riktig i forhold til spenningens sinus og beregnet remanens i kjernene til autotransformatorene. Begge metodene er effektive og gir en lav innkoblingsstrøm.
3.2 Systemimpedans
Tabell 3: Beregnet impedans for ulike tverrsnitt og faseavstander
| Betegnelse (AHF no.) | Virkelig ledertverrsnitt [mm2 Al] | Faseavstand [mm] | DC-resistans [Ω/km] | Beregnet impedans, Zloop, 15 kV[Ω/km] |
|---|---|---|---|---|
| 150 | 238 | 1000 | 0,1199 | 0,080ej41 |
| 240 | 381 | 500 | 0,0778 | 0,058ej47 |
| 240 | 381 | 1000 | 0,0778 | 0,063ej41 |
| 240 | 381 | 1500 | 0,0778 | 0,067ej54 |
På lange avstander vil impedansen i sløyfen PL-NL være dominerende for impedansen fra matepunktet til toget, men impedansen på selve kl-seksjonen der toget befinner seg vil også bidra, spesielt når toget er på enden av en seksjon. Se figur 19. Tverrsnitt og plassering av lederne vil bestemme impedansen. Transformatorimpedansen i autotransformatorene ved innmatingen ved matestasjonen og nedtransformeringen ved innmatingspunktet til kl-seksjonen er så liten at den kan neglisjeres.
Impedansen i PL-NL-kretsen er avhengig av to forhold: Avstanden mellom PL og NL bestemmer i hovedsak impedansens induktive del. Tverrsnittet på lederne bestemmer impedansens resistive del, men har også en viss betydning for induktansen.
Forenklet kan impedansen i kretsen PL-NL, Zloop beregnes slik :
(7)
RPL=RNL=RDC for det aktuelle ledertverrsnittet
(8)
Induktansen L kan beregnes ut fra
(9)
der:
- d er avstanden mellom PL
- NL og r* er ekvivalent lederradius (r*=0,779⋅r)
- r er virkelig lederradius
(10)
Der:
- ω=2πf (f er frekvensen)
Eksempel: PL og NL med AHF line no. 240 og 1000 mm faseavstand.
Fra datablad finner man:
- Virkelig ledertverrsnitt: 380,81 mm2
- Ytre diameter: 25,34 ⇒ r=12,67 mm
- RDC=0,0778 [Ω/km]
Det gir:
Som gir Xloop=0,193 [Ω/km]
Zloop=0,1556+j0,193=0,248ej51,1 [Ω/km]
Den beregnete impedansen er på 30 kV nivå. En omregning til 15 kV nivå gir en fjerdedel av impedansen på 30 kV nivå (Z15kV = Z30kV·1/n2 der n = 2).
Tabellen under viser beregnet impedans for 3 ulike faseavstander og 2 ulike ledertverrsnitt. Som man kan se er beregnet impedans på 15 kV nivå svært lav i forhold til impedansen i konvensjonelt kl-anlegg (BT-system, som regel rundt 0,3 [Ω/km]).
3.3 Seksjonering av kl-anlegget
Av hensyn til et best mulig system med tanke på støy på parallelle kabler skal AT-system med PL og NL, se figur 5, ha seksjonert kl-anlegg slik at kontaktledninge ikke bidrar med en gjennomgående laststrøm i systemet.
Av hensyn til spenningsforskjellene som vil oppstå mellom de ulike seksjonene må lengden på den enkelte kl-seksjon begrenses. Det skal ikke være mer enn 1200 V mellom to kl-seksjoner ved de belastningsstrømmer som normalt opptrer i anlegget. Ved høyere spenningsforskjeller er det fare for at lysbuer som oppstår når et tog passerer seksjonsdelet blir stående.
Spenningsforskjellen over kl-seksjonene er beregnet i studier med en kontinuerlig laststrøm på 500 A fra ett tog på hele strekningen. Ved flere tog på strekningen vil også den gjennomgående laststrømmen i PL bidra til økt spenningsfall over seksjonen mellom to kl-seksjoner.
Den største spenningsforskjellen oppstår ved seksjonen nærmest en matestasjon. Med 6 km kl-seksjoner og 500 A laststrøm er maksimal spenning beregnet til ca 600 V, med 12 km kl-seksjoner er maksimalverdien ca 1000 V ved bare ett tog på strekningen. For å ta høyde for øvrig trafikk på strekningen bør lengden på kl-seksjonene normalt ikke være lenger enn 6 km. Bidraget fra andre tog på strekningen kan grovt settes til ca 180 V/500 A for tog i nærmeste AT-vinduer, og ca 120 V/500 A for tog i øvrige AT-vinduer lenger unna.
For å unngå for høye spenninger over kl-seksjonene bør lengden på kl-seksjoner være maksimalt 6 km dersom hver kl-seksjon mates via en skillebryter fra PL midt på seksjonen (T-mating). Ved endematede kl-seksjoner bør lengden være maksimalt 3 km.
3.4 Kortslutningsforhold
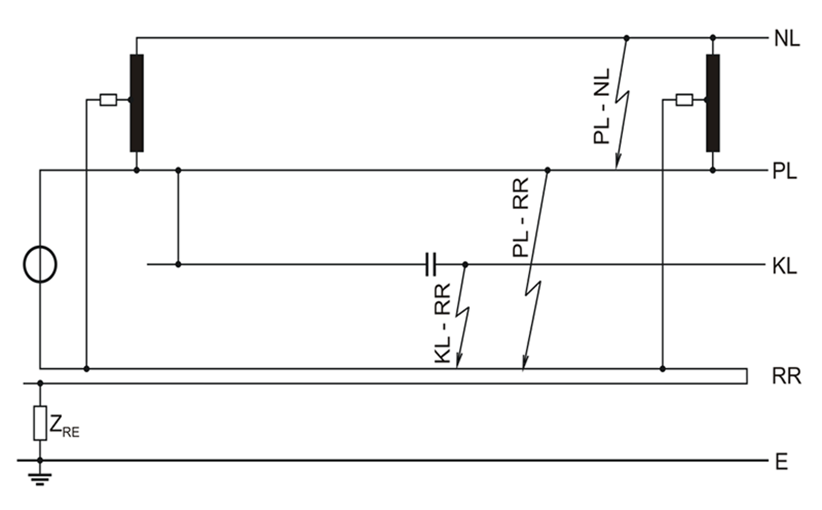
I en rapport utført av Varju EMC [10] er det utført beregninger og fremstillinger av feilimpedansen ved kortslutning i AT-system. Det er sett på ulike konfigurasjoner av AT-system med seksjonert kontaktledningsanlegg. Basert på den samme rapporten er det satt opp diagrammer for kortslutningsstrømmen som funksjon av avstanden til omformerstasjonen. De ulike kortslutningsmulighetene mellom lederne i AT-systemet er vist i figur 18.

Når man studerer impedans og strømkurvene i figur 19 fremgår det at impedansen varierer relativt mye avhengig av om kortslutningen skjer mellom PL og NL, mellom PL og RR (NL – RR er lik PL – RR, RR står for Rail Return altså skinnen) og mellom kl og RR. Dette skyldes at kortslutning mellom PL og NL alltid er på 30 kV-nivå. Kortslutning mellom PL og skinne eller NL og skinne er på 15 kV nivå, tosidig matet. Mens kortslutning mellom kl og skinne er på 15 kV nivå og ensidig matet. For alle kortslutninger på 15 kV nivå gjelder at det er 15 kV på den gjeldende AT-seksjonen og overføring av kortslutningsstrømmen på 30 kV nivå utenfor AT-seksjonen.


3.5 Relevern i AT-systemet
Som vist i kapittel 3.3 vil kortslutningsstrømmen variere en del avhengig av om kortslutningen skjer mellom PL-NL, NL-kl eller PL-RR/kl-RR. Forskjellen mellom feilimpedansen i de ulike kortslutningsmulighetene er imidlertid ikke større enn at det samme distansevernet og overstrømsvernet kan beskytte hele anlegget. Det er med andre ord ikke nødvendig med egne vern for PL og NL og for kl, alt kan knyttes sammen og vernes av den samme enheten.
Det er ikke utviklet noe system eller konsept for fasebrudsdeteksjon. I andre land er dette vurdert som unødvendig, men siden det her er planlagt å sette inn flere skillebrytere og lignende er det muligens en større risiko for brudd i termineringer til disse. Denne risikoen vil bli vurdert. Det vil også bli vurdert systemer for deteksjon for å finne en hensiktsmessig måte for å melde om feil.
3.5.1 Sonegrensebryter
Det planlegges sonegrensebrytere i kl-anlegg med AT-system på samme måte som i BT-system. En vesentlig forskjell er at både NL, PL og kontaktledningen må brytes samtidig. Sonegrensebryteren vil bidra til en automatisk seksjonering av nettet ved kortslutninger og redusere nedetiden for den feilfrie halvdelen av strekningen. Med AT-system vil det kunne bli lengre avstander mellom matestasjonen, samt at det er flere ledninger og komponenter i systemet. Uten sonegrensebryter i AT-system vil det dermed kunne forventes en nedetid for den feilfrie delen av nettet som ville bli betydelig høyre enn med BT-system. Dette om en forutsetter at BT-systemet har 80 km mellom matestasjoner og én sonegrensebryter mellom disse.
3.6 Overspenningsbeskyttelse
I tilfeller der det er behov for kabler for AT-ledre under overgangsbruer og gjennom tunneler kan antallet overspenningsvern bli stort og avstanden mellom dem kan bli liten. Eksempelvis fra planlagt pilotstrekning med AT-system på Sørlandsbanen er det på strekningen Egersund–Ogna (ca 16 km) behov for 19 kabler med totallengde 3300 m. I overganger mellom kabel og luftstrekk vil det normalt være nødvendig med overspenningsbeskyttelse på grunn av spenningsrefleksjoner i overgangspunktet.
Uansett hvor mye en investerer i overspenningsbeskyttelse er det ikke mulig å beskytte seg 100 % mot lynoverspenninger. Derfor er det snakk om hvilken statistisk risiko som er akseptabel. I AT-system vil man ved å ha AT-ledningene på toppene av mastene redusere sannsynligheten for lynnedslag direkte i kl-anlegget. AT-ledningene vil «fange» lynet lettere. Av alle lynnedslag innenfor 150 m fra jernbanelinjen vil om lag 35 % treffe luftlinjene, av disse vil igjen omlag 95 % treffe AT-ledningene. Ved direkte nedslag vil man med de aktuelle isolasjonsavstandene få direkte overslag til jord fra PL eller NL med tilbakeslag slik at det gir overslag også mellom PL og NL. Lynstrømmen vil derfor fordele seg mellom disse lederne og vil se en mindre bølgeimpedans som igjen gir en mindre overspenningspåkjenning i anlegget. Dersom det i tillegg er langsgående jordleder i anlegget vil påkjenningen bli ytterligere redusert.
Overgangsmotstanden til jord for hver enkelt kl-mast har størst betydning for overspenningspåkjenningen i anlegget. Både mastefundamentene, langsgående jordleder og skinne representerer jordelektroder. Dette vil bidra til at lynstrømmen ser en lavere bølgeimpedans og en stor andel av strømmen vil bli avledet til jord ved masten(e) der overslag har funnet sted. I anlegg med langsgående jordleder kan mastene ha veldig lav overgangsmotstand, og en løsning med langsgående jordleder vil derfor bidra til lavere overspenningspåkjenning i anleggene på flere måter.
Retningsliner for bruk av overspenningsavledere:
- Med konfigurasjonen luftlinje–kabel–luftlinje anbefales overspenningsavledere i begge ender av kabelen når kabelen er lengre enn 70 m.
- Når innskutt kabel er 70 m eller kortere er det akseptabelt med overspenningsavleder bare i den ene enden. Plasseres der det er mest sannsynlig at en overspenning vil komme fra.
- Ved kabelavgreining fra luftlinje til autotransformatorer anbefales avledere bare i kabelenden mot luftlinja for kabler kortere enn 60 m, og ved mer enn 60 m kabel anbefales avledere i begge ender av kabelen.
Studier av stabilitet i AT-system viser til at overspenningsavledere i anlegg med veldig lave resonansfrekvenser kan bli overbelastet og bør dimensjoneres for større energipåkjenning enn i dagens anlegg.
3.7 EMC forhold
3.7.1 Skinnepotensialer
Skinnepotensialer, det vil si spenningsforskjeller mellom jernbaneskinnene og sann jord oppstår på grunn av to fenomener:
- Når strøm injiseres eller tas ut fra skinnene oppstår det et spenningsfall langs skinnen som gir potensialforskjell. Dette skjer når et tog tar ut effekt eller leverer effekt, da injiseres det strøm inn eller ut av skinnen.
- Når det er lekkasje av strøm mellom skinne og jord på grunn av konduktansen mellom skinne og jord. Dette skjer hovedsakelig i området rundt en injisering eller tapping av strøm fra skinnene, disse områdene kalles også «end effect zones» i Varjus rapporter.
I et AT-system skal strømmen fra toget returnere til midtpunktet på de to autotransformatorene på hver side av toget. Strømmen blir «sugd» opp fra jordsmonnet til skinnene i nærheten av AT-ene. Disse strømutvekslingene fører til at man får et skinnepotensial i nærheten av AT-ene. Når toget er i nærheten av AT-ene vil imidlertid mesteparten av strømmen gå direkte fra skinnene og til AT-ens midtpunkt. Da vil man ikke få skinnepotensialer. Avledningen fra skinne til jord påvirker skinnepotensialet på den måten at lav avledning gir høyere skinnepotensialer enn stor avledning. Skinnepotensialene er derimot ikke påvirket av om det er endidig eller tosidig mating av AT-lederne eller av avstanden mellom matestasjonene. Ut fra forklaringene over kan man konkludere med at når injisert strøm fra et tog som kjører en strekning er like stor på hele strekningen vil det høyeste skinnepotensialet oppstå når toget befinner seg midt mellom to AT-er og at det vil være minst når toget er rett ved en AT. Figur 23 viser skinnepotensialet ved toget på en strekning med 84 km mellom matestasjonene. Det høyeste skinnepotensialet opptrer midt på den andre AT-seksjonen. Man kan også se at skinnepotensialet øker ved synkende avledning fra skinne til jord.

I tilfelle en kortslutning vil man ha de samme mekanismene som gir skinnepotensialer, men strømnivåene og dermed skinnepotensialene vil som regel være høyere.
3.7.2 Strøm i jord
Avstanden mellom AT-ene har betydning for andelen av strøm i jord og dermed påvirkningen på langsgående kabler. Normalt vil en avstand på 12 km gi akseptable EMC-forhold sammenlignet med BT-system. Det finnes ingen kjente grenseverdier for hvor mye returstrøm som kan aksepteres å gå i jord. Med økende avstand mellom sted der strømmen injiseres og der strømmen hentes ut av skinnegangen vil andelen strøm i jord øke. Ved svært lange avstander vil lekkasjen fra sporet avta og andelen strøm i jord vil være tilnærmet konstant. For de lengder det praktisk er snakk om mellom AT-er i et AT-system vil man aldri nå denne stabile tilstanden. Strømmer i jord er størst i det AT-vinduet der toget befinner seg og bestemmes i hovedsak av avstanden mellom tog og nærmeste AT. I nærmeste AT-vindu uten tog vil det også være noe strøm i jord, men for de øvrige seksjonene vil strømmer i jord være tilnærmet lik null. Returstrøm i jord medfører i hovedsak to ugunstige fenomener:
- Returstrøm i langsgående ledende konstruksjoner som gjerder, vannrør og lignende (konduktiv kobling).
- Induserte strømmer i langsgående kabler (induktiv kobling).
I tillegg til avstanden mellom transformatorene vil jordsmonnets ledningsevne og avledningen fra sporet ha betydning for andelen strøm i jord, og virkningen av strømmen i jord. Ved dårlig ledningsevne i jorden vil strømmen benytte en større andel av jordsmonnet. Dette vil igjen bety større ubalanse mellom frem- og tilbakeledere i kretsen og dermed større indusert støy på andre systemer (telekabler, signalkabler etc.). Samtidig kan dette bety at strømmen kan flyte i langsgående ledende gjenstander lenger vekk fra sporet enn ved godt ledende jordsmonn. Dersom avledningen fra spor til jord er stor vil også en større del av returstrømmen lekke ut i jordsmonnet.
3.7.3 Indusert støy i kabler
Den induserte støyen på parallelle kabler kan i hovedsak deles i to:
- Støy på kabler nær sporet som i hovedsak skyldes ubalansen i strømforde-lingen mellom frem- og tilbakeledere.
- Støy på kabler langt fra sporet som i hovedsak skyldes strømmer i jord.
Støystrømmer fra systemet er størst i det AT-vinduet der toget er. Innenfor AT-vinduet er støyenstrømmen lavest når toget er rett ved en AT. Spenningsfallet er også minst når toget mates rett fra en autotransformator. Det kan derfor være gunstig å plassere AT-ene der belastningen kan forventes å være størst, men i praksis må dette tilpasses flere hensyn, Se for øvrig kapittel 4.9 om plassering av AT-er.
3.7.4 Kabler nært jernbanen
For å vurdere påvirkningen på kabler nært jernbanen brukes beregninger av indusert gjennomsnittlig emf og lengdeintegraler av indusert emf. Indusert emf beregnes ut fra formel 11.
(11)
der utrykkene står for:
- i = indeksen til den enkelte lederen inkludert returskinnene
- k = indeks fra p til q som starter og avslutter seksjonen der emf skal beregnes
- ∆lk = den induserende lengden til lengdesegment nr. k
- Zti = den gjensidige impedansen mellom den induserte lederen t og den induserende lederen i med retur i jord (Ω/km)
- Ii = strømmen i k segmentet til i-lederen på grunn av strømmen et tog i j-seksjonen trekker.
Hovedkonklusjonene for indusert emf-lengde integral i [11] kan oppsummeres i figur 24 og punktene under.

- Maksimalt indusert emf-lengde integral er høyere for korte lengder i KL06c systemet og for lange vinduslengder i KL12a systemet.
- Emf-lengde integralene vil ikke øke ytterligere for vinduslengder over 24 km. Det er en klar indikasjon på at det ikke er nevneverdig induksjon når toget er langt unna takket være at systemet er godt balansert
3.7.5 Kabler langt unna jernbanen
For å vurdere påvirkningen på kabler langt unna jernbanen brukes beregninger av induserende strømmer og strøm-lengde integraler av den induserende strømmen. Strøm-lengde integralet angir den resulterende induksjonsintensiteten fra jernbanesystemet på en leder langt unna (>100m). Når avstanden mellom kabelen som induseres og den induserende jernbanelinjen er stor sammenlignet med avstanden mellom jernbanelederne, inkludert skinnene, vil den gjensidige impedansen Zti(xti)k mellom den induserte kabelen og de forskjellige jernbanelederne være lik for hver enkelt jernbaneleder.
Formel 12 viser dette.
(12)
Med forutsetningen i formel 12 kan formel 11 for indusert emf omskrives slik:
(13)
Den siste summen i formlene over er strømmen i jord IE(k) i segment k, se formel 14.
(14)
Varju EMC har i [11] beregnet og sammenlignet strøm-lengde integraler for BT, tradisjonelt AT og AT med PL og NL ledere og seksjonert kl, se figur 25 der disse forholdene er undersøkt.

- BTRR6 – BT system med retur i skinne, 6 km mellom BT-en
- BTRC6 – BT system med opphengt retur, 6 km mellom BT-ene
- AT12 – Tradisjonelt AT-system med kun NL og 12 km mellom AT-ene
- KL06c – AT-system med PL og NL og 12 km mellom AT-ene, Kl er seksjonert med 6 km seksjonslengder, se figur 26 (c)
- L12a – AT-system med PL og NL og 12 km mellom AT-ene, Kl er seksjonert med 12 km seksjonslengder, se figur 26 (a)

Konklusjonen på sammenligningen av de ulike systemenes strøm-lengde integraler er i henhold til [11]:
- Strøm-lengde integralene er lavest for BTRC systemet
- BTRR systemet og KL06c systemet har praktisk talt identiske strøm-lengde integralverdier.
- Verdiene av induserende strøm-lengde integraler er høyere for KL12a systemet enn for de andre AT-systemene
Et viktig poeng i utredningene til Varju EMC er at induserende strøm-lengde integraler i AT-system med PL og NL leder og seksjonert kl-anlegg ikke er avhengig av plasseringen av PL og NL lederne, spesielt så lenge avstanden mellom PL og NL er liten. Men som man kan se av resultatene over er lengden på kl-seksjonene viktig for de maksimale induserende strømverdier.
4 Utførelse
4.1 Avstand mellom matestasjoner
Det er tatt utgangspunkt i 120 km avstand mellom matestasjonenene i [15]. I tidligere utredninger er avstander mellom 80 km og 160 km vurdert. En avstand mellom matestasjonene på 120 km er funnet å være passende for å få en akseptabel spenning i avvikssituasjoner samt at ikke for store deler av banestrekningene rammes ved en feil. Fordeling av AT-er langs banen må baseres på hvilke matestasjoner som skal beholdes og hvilke som skal legges ned. Dette sees i sammenheng i kraftsystemutredning.
4.2 Utførelse av kl-master
PL og NL vil i Jernbaneverkets AT-system som tidligere forklart plasseres på en travers på toppen av mastene. Dersom avstanden mellom AT-lederne og kontaktledningssystemet er minimum 2 m på ethvert punkt vil man kunne utføre mange typer vedlikehold og reparasjoner på kl-anlegget samtidig som AT-lederne er spenningssatt. Avstanden på 2 m er den samme som er krevd i Teknisk Regelverk ved bygging av konvensjonelt kl-anlegg med mateledning på kl-mastene. Med spenningssatte AT-ledere påvirkes ikke driftsforholdene for tog utenfor den aktuelle kl-seksjonen som det arbeides på. Dette kan gi hyppigere og lengre disponeringstider for arbeid på kl-anlegget.
Avstand mellom AT-lederne er vurdert i en egen rapport fra Statnett [16]. Minste akseptable faseavstand er funnet til å være 0,6–0,9 m for blank line og 0,3–0,6 m for isolert line (BLX) med horisontalt oppheng av faselederne på stående isolatorer. Disse beregningene er utført for 32, 38 og 50 m/s vind og baserer seg på en absolutt minste tillatt faseavstand på 250 mm. Statnett regner at maksimalt utsving av lederne oppstår ved linetemperatur 0 °C og maksimal vindpåkjenning, uten stabiliserende tyngde av snø og is. Det er lagt inn vurderinger opp mot driftssikkerhet utover alminnelige forskriftskrav.
Jernbaneverket har vurdert faseavstander på under 1 m som lite hensiktsmessig med tanke på driftssikkerhet i anlegget. I beregningene fra Statnett var 250 mm minste isolasjonsavstand, mens Jernbaneverket har vurdert 400 mm som absolutt minste isolasjonsavstand mellom PL og NL. Ved å øke avstanden fra 0,6–0,9 m som foreslått av Statnett til 1,0 m tar man høyde for dette. Samtidig gir 1,0 m avstand med horisontalt oppheng et håndterbart arrangement av ledningene i mastene og det beste estetiske arrangement av lederne.
4.2.1 Dimensjonering av kl-master og oppheng
Det skal dimensjoneres for at den direkte avstanden mellom kl-anlegget og AT-lederne skal være minst 2,0 m i ugunstigste tilfelle. Ved beregning skal det tas hensyn til maksimal pilhøyde og maksimal (dimensjonerende) vindutblåsning for de fast innspente ledningene. Spesielle vurderinger gjelder for dobbeltspor som forklart i kapittel 4.2.2.
Dimensjonering av master og fundamenter skal gjøres i henhold Teknisk regelverk bok 540, kap. 7. Det bør unngås å benytte kurvebardun.
Det skal tas hensyn til den tilleggsbelastning som AT-ledningene påfører mastene. I tillegg skal det gjøres en vurdering av om mastene bør dimensjoneres for ytterligere belastning med flere ledere som eksempelvis langsgående jordleder i mast. Det er utviklet en mast for bruk i AT-systemer som vist i figur 27.

9,5 m mastehøyde (over SOK) og vanlige isolatorer (om lag 500 mm lengde) gir en direkte målt avstand mellom opphengspunktet for PL/NL og øverste punkt i kontaktledningsanlegget på om lag 2,8 m ved masten (forutsetninger er system 20 med kontakttrådhøyde 5,6 m og systemhøyde 1,6 m og PL/NL montert horisontalt symmetrisk om toppen av kl-mast). Maksimal pilhøyde midt i spenn finnes for AT-ledningene når aluminiumsliner er innspent i henhold til teknisk regelverk Teknisk regelverk bok 540, vedlegg 5b (tabell 73) når det tas hensyn til sig av ledningen. Den maksimale pilhøyden oppstår enten ved høy temperatur eller ved 0 °C med snø og islast på ledningen. Tabellene går til maksimalt 50 °C. Dersom lederne har en temperatur nær sitt maksimalt tillatte (70 °C) vil pilhøyden i verste fall kunne være større enn tabellene viser. Så høy driftstemperatur vil imidlertid svært sjelden oppstå på AT-ledningene. Maksimal pilhøyde ved 50 °C ansees derfor å være tilstrekkelig [1].
Maksimal spennlengde er normalt 60 m og den maksimale pilhøyden etter tabell 73 bl.6 og 8 er om lag 2,0 m. Direkte avstand mellom PL/NL og bæreline midt i spenn blir da om lag 3,8 m. Ved kryssing av sporet vil den direkte avstanden bli mindre og det skal kontrolleres om avstanden mellom nærmeste AT-leder og kl-anlegget er minst 2,0 m direkte målt. Eventuelle tiltak for å oppnå dette skal vurderes og iverksettes i hvert enkelt tilfelle. Eksempel på beregning av avstand mellom AT-ledere og bæreline ved kryssing er gitt under:
- Eksempel 1, kryssing: 45 m spennlengde gir for AT-ledere maksimalt 1,4 m pilhøyde. Pilhøyde for bæreline (BL) er om lag 0,35 m. Det gir høyde PL/NL ca 8,6 m, høyde BL ca 6,9 m. Direkte målt avstand i kryssingspunktet på ca. 1,7 m.
- Eksempel 2, kryssing: 35 m spennlengde gir for AT-ledere maksimalt om lag 1,0 m pilhøyde. Pilhøyde for bæreline (BL) er om lag 0,21 m. Det gir høyde PL/NL ca 9,0 m, høyde BL om lag 7,0 m og en direkte målt avstand i kryssingspunktet på ca. 2 m.
For å sikre tilstrekkelig avstand mellom systemene ved kryssing kan følgende tiltak iverksettes:
- Høyere master slik at PL og NL kommer høyere.
- Lavere kontakttrådhøyde slik at bærelina kommer lavere.
- Mindre systemhøyde i kl-anlegget som også gir lavere bæreline.
- Kortere spennlengder i spennet der man krysser.
Når ledningene er innspent med strekk i henhold til Teknisk Regelverk vil det for de aktuelle ledertverrsnitt (240 og 400 mm2) ikke være fare for at ledningene overbelastes mekanisk.
Maksimalt strekk som kan tillates for fast innspente ledninger på kl-master begrenses av kurvekreftene (vinkelrett på sporet). Kl-master og fundamenter dimensjoneres normalt med tanke på dette. Økning av strekket i ledningene utover tabellene i Teknisk regelverk for å få mindre pilhøyde kan ikke gjøres uten at det medfører bruk av kurvebarduner eller kraftigere dimensjonerte master og fundamenter.
Det bør unngås å krysse i spenn med vekslingsfelt eller seksjonsfelt. I tilfelle dette må gjøres vil man måtte benytte høyere kl-master for å oppnå tilstrekkelig avstand til den «løftede» ledningen i vekslingsfeltet.
For å unngå mange kryssinger av AT-ledningene bør det vurderes om man kan ha noen flere kl-master i innerkurve enn det som er vanlig ved konvensjonelt kl-anlegg. På denne måten kan flere kryssinger med PL og NL unngås.
For å redusere kurvekreftene på mastene kan man variere lengden og plasseringen av traversene. Et eksempel på en slik traversjustering er vist i figur 28.

4.2.2 Master til AT-system på dobbeltspor
Dersom AT-system bygges på en dobbeltsporet strekning skal det bygges separate AT-system i hvert av kl-anleggene [17]. Systemet bør bygges som for enkeltspor med PL og NL og minst 2 m mellom AT-lederne og KL slik at det muliggjør arbeid og inspeksjoner på KL med PL og NL innkoblet.
4.3 Ledertyper og tverrsnitt
PL skal alltid plasseres lengst til høyre når man ser mot stigende kilometer (med ryggen mot Oslo).
AT-ledere kan prinsipielt være utført som blank line, som belagt line (BLX) eller som kabel/luftkabel. BLX er vurdert benyttet og har den fordelen at man kan ha enda tettere faseavstand enn med blank line uten særlig økt risiko for driftsproblemer i form av for eksempel fasesammenslag. Det kan gi et lavere magnetfelt rundt systemet. En annen mulig fordel er enklere fremføring av AT-ledere langsetter jernbanetraseen da man kan tillate noe mindre avstander til terreng.
Men BLX-ledere har også ulemper og utfordringer:
- De er tyngre enn blank line med tilsvarende tverrsnitt og de koster mer. Innhentede tall viser at BLX 240 mm2 koster om lag det samme som blank line 400 mm2 og blir derfor om lag 50 % dyrere enn blank line med samme tverrsnitt.
- BLX gir også utfordringer med tanke på jording ved arbeid på anlegget da det må etableres egne jordingspunkter det kan kobles jordingsutstyr til.
- Ved arbeid på og i anlegget skal BLX betraktes som uisolerte ledere.
- Ved svekkelse av isolasjonen på BLX kan man over tid få problemer med lekkstrømmer og vanninntrengning som igjen gir en svekkelse av isolasjonen.
Oppsummert har man i arbeidet med AT-prosjektet innad i Jernbaneverket vært skeptisk til bruk av BLX og man har derfor ikke gått videre med å utrede bruk av dette. Selvbærende kabel er et aktuelt alternativ ved føring gjennom tunneler og snøoverbygg. På fri linje er det ikke aktuelt på grunn av merkostnader. Blank line ansees som det best egnete alternativet til bruk på fri linje. Aktuelt tverrsnitt er utredet i flere rapporter der valget har stått hovedsakelig mellom 240 mm2 og 400 mm2 Al. Parametre for valg av tverrsnitt på AT-lederne er:
- avstand mellom omformerstasjonene
- nødvendig strømføringsevne/belastning med dimensjonerende trafikk og avstand mellom stasjonene inkludert marginer i henhold til Teknisk Regelverk
- spenningsfall i normal drift og avvikssituasjoner
- monterings- og vedlikeholdshensyn
- kostnad
Nødvendig tverrsnitt for kabel forlagt i kabelkanaler og rør i tunneler er utredet i [19]. Det er anbefalt å benytte et tverrsnitt på 400 mm2 Al for å ha tilstrekkelig margin til lastøkninger og usymmetrisk belastning ved høy overføringseffekt samtidig med at et tog tar ut effekt på tilhørende AT-vindu. Man har da også større margin mot overbelastning på kabel ved et seriebrudd, men i et slikt tilfelle vil AT-en ha en lavere belastbarhet enn den friske lederen (kabelen). Seriebrudd uten samtidig kortslutning som gir vernutkobling ansees forøvrig som en svært sjelden hendelse. Temperaturovervåking av AT-ene med høyest belastning vil kunne være et tiltak for å avdekke slike tilfeller med seriebrudd før varig skade oppstår, se også kapittel 3.5.1.
Belastbarheten for to enlederkabler i luft og kanal/rør i tunneler er beregnet i [20]. Av tabell 3 ser man at også kabler i luft (på bru i dette tilfellet) må være minimum 400 mm2 for å ha minst like god strømføringsevne som 400 mm2 kabel i kanal.
Tabell 3 Beregnet belastbarhet for kabler i [20]
| Forlegning: | Kabel på kabelstige, omgivelsestemp. 25 °C | Kabel i kabelkanal/rør, omgivelsestemperatur 15°C (tunnel) | Kabel i kabelkanal/rør, omgivelsestemperatur 25°C (friluft) | ||||||
|---|---|---|---|---|---|---|---|---|---|
| Varighet: | Stasjonær [A] | Overlast 1 time [A] | Overlast 10 min [A] | Stasjonær [A] | Overlast 1 time [A] | Overlast 10 min [A] | Stasjonær [A] | Overlast 1 time [A] | Overlast 10 min [A] |
| 240 mm2 Al | 622 | 691 | 1035 | 545 | 606 | 910 | 507 | 564 | 845 |
| 400 mm2 Al | 843 | 967 | 1526 | 727 | 839 | 1331 | 676 | 780 | 1235 |
4.4 Ledningsforlegning i tunneler, snøoverbygg og under bruer
Kabler for fremføring av AT-ledere må i henhold til Teknisk regelverk begrenses så langt mulig. Spesielt om andelen kabel på en matestrekning kommer opp mot 10 % kan stabilitetsproblemer relatert til resonansfrekvenser oppstå. Derfor må egne studier gjøres om andelen kabler blir så omfattende. Fremføring av AT-ledere som blanke liner kan også være en løsning i tunneler og andre steder som omtales i dette avsnittet.
Vurderingene nedenfor gjelder spesielt for Bergensbanens trange tunneler. På andre baner kan forlegningsmåtene vurderes helt anderledes, spesielt i moderne tunneler med mye større tverrsnitt og god frostsikring. I lange tunneler, spesielt om de har forbindelse med koblingshus eller omformerstasjon i begge ender, som for eksempel Follobanen og Romeriksporten, vil bruk av blanke liner for AT-ledere sannsynligvis falle enklere. Der vil en uansett kunne avvikle trafikken på tilstøtende strekninger. En annen ting er at slike moderne baner og tunneler tillater meget høye hastigheter, dermed er det ikke sikkert at utkobling av spenningen for arbeid kan gjøres annet enn i perioder uten tog. I slike tilfeller kan sannsynligivs valg av blanke ledere falle enklere. Da spiller det liten rolle om avstanden mellom AT-ledere og kl-anlegg er kort, om utkobling uansett alltid må gjøres. Dette er forhold som må behandles i en RAM-analyse for det aktuelle området.
4.4.1 Forlegningsmåter i spesielt trage og vanskelige tunneler
I [18] er det utredet ulike måter å fremføre høyspentkabler for AT-ledere i tunneler på Bergensbanen. Tunnelene på Bergensbanen er sannsynligvis de trangeste og vanskeligste jernbanetunnelene i Norge. Spesielt er det stedvis dårlig fjell og stor vanninntregning, noe som gir mye isdannelse om vinteren. Erfaringene herfra kan overføres til andre steder.
Tabell 4: Alternative måter å føre AT-ledere gjennom tunneler og snøoverbygg [18]
| Type | Forlegning |
|---|---|
| Høyspentkabel i betongkanal | Nede i ballasten, helt ut til siden. |
| Høyspentkabel festet på vegg | Kabelsadel og kabeljern. Forlegges høyt oppe i tunneltaket. |
| Hengekabel | Selvbærende kabel henges opp i tunneltaket eller veggen. (Kabel med innstøpt bæreline vil være vanskelig å lage sterk nok med halogenfri plast og selve bæretråden er et problem for sporfeltene. Denne typen anbefales derfor ikke. |
| Høyspentkabel i nedgravd rør | Rør med kabel graves ned i ballasten. |
| Blank line | Festes på isolatorer i tunneltaket i høyde noe over kontaktledningsanlegget. |
Av alternativene i tabell 4 er det følgende alternativer som ansees som mest egnet:
- Hengekabel
- Høyspentkabel i plastrør (eventuelt kanal), se egen teknisk spesifikasjon
- Høyspentkabel i betongkanal kan være et alternativ der det er god plass i bunnen av tunnelen
- Høyspentkabel i rør, her vurdert nedstøpt i betong for å beskytte rørene ved pakking av sporet
De andre mulige løsningene er forkastet med følgende begrunnelse:
- Blank line på isolatorer: Som en generel løsning vil det kunne utgjøre en for stor ulempe ved arbeid på kl-anlegget, fordi anleggene da må være spenningsløse ved alt arbeid i tunnelen. Derimot kan løsningen vurderes for store tunnelprofiler der det blir like lang avstand mellom kl-anlegg og AT-ledere som på linje i dagen. Se også avsnitt nedenfor.
- Høyspentkabel klamret direkte på vegg: Ujevne tunnelvegger umuliggjør å feste de stive høyspentkablene uten store ekstrakostnader.
Kombinasjoner av alternativene over kan benyttes for å løse spesielle utfordringer som for eksempel isdannelser.
I kapitlene under er de ulike alternativene for kabelfremføring nærmere studert.
4.4.2 Selvbærende hengekabel
Selvbærende kabel er konstruert slik at strekkreftene som oppstår i et oppheng fordeles inn til lederne i kabelen uten at kappen eller det halvledende sjiktet skades. Eksempel på oppbygging av en slik kabel er vist i figur 29.

Som vist i kapittel 4.3 må kabel ha et tverrsnitt på 400 mm2 Al. Ericsson Cables har konstruert en hengekabel med dette tverrsnittet spesielt for Jernbaneverket. Ytre diameter på denne kabelen vil bli ca. 50 mm.
Ved bruk av selvbærende kabel i tunneler vil man ønske et så lite nedheng som mulig for å redusere området kabelen ligger i. Ved å benytte fester med en avstand på 10–15 m fås et nedheng på typisk noen titalls centimeter.
Plassering av kablene må hensynta vedlikehold og fremtidige arbeider i tunnelen, se forslag til plasseringer i figur 30.

Ved overgang fra mast eller kabelkanal til luftspenn avspennes hengekabelen med en såkalt spiral som vist i figur 31.

Mellomfester for hengekabelen har en nedfellbar trinse for utdragning av kabelen og gummierte muffer som kabelen klemmes fast i, se figur 32. Oppheng til PL og NL leder kan for eksempel utføres med to mellomoppheng festet til en felles bolt i fjellet.

Selvbærende kabel kan kombineres med kabelkanal i overgangssoner, se figur 37. Med overgangssoner menes spesielt området ved tunnelmunninger som kan være utsatt for isdannelse om vinteren. Kabelen vil da være bedre beskyttet i forhold nedising av selve kabelen og ved manuell isfjerning i fjellsiden.
På Ofotbanen er denne typen selvbærende hengekable benyttet i tunnel og snøoverbygg. Det er snakk om en tunnel uten særlig mye vanninntregning og kablene er helt ubeskyttet. Det er herfra gode erfarginer både når det gjelder montering og drift.
4.4.3 Føring under bruer
I forbindelse med bruer som krysser over jernbanen kan det også være behov for å senke AT-lederne. Dette kan utføres med hengekabel eller med kabel i kanal. Figur 33 antyder hvordan dette kan utføres. Bildet er fra Sverige og man har benyttet kabel festet til en bæreline i stedet for selvbærende kabel. Bruk av bæreline er først og fremst aktuelt på korte avstander slik at man ikke kortslutter sporfelter.

4.4.4 Høyspentkabel i betong- eller plastkanal
Eksisterende kabelkanaler i betong er som regel fulle og har ikke eget rom for høyspentkabler. Dersom kabel i tunneler skal legges i kabelkanal av betong er man derfor som regel avhengig av plass til å legge en ekstra kanal i tunnelsiden. På grunn av trange tunneler vil dette ofte være vanskelig å få til i gamle tunneler. Et alternativ kan da være kanaler i selvslukkende og halogenfrie plastmaterialer. Disse kan monteres på jordspyd eller på braketter i tunnelveggen og tar dermed ikke så stor plass i tunnelbunnen. Figur 34 til figur 36 viser eksempler på kanaler i plastmaterialer.



Kabelkanal på jordspyd kan også benyttes som føringsvei under bruer etc. I forbindelse med overgangssoner i tunnelmunninger kan detsom nevnt i kapittel 4.4.1 være gunstig å kombinere kabelkanal i isutsatte områder med hengekabel i resten av tunnelen, se figur 37.

4.4.5 Nedstøpte rør (OPI kanal)
Kanalen kan utformes på mange forskjellige måter avhengig av plassen. OPI kanalen kan utstyres med ønsket antall rør og slik erstatte behovet for kabelkanal også for tele- og signalkabler. I figur 39 er det vist eksempler fra bruk av OPI kanal i veitunneler. I trange tunneler kan det være vanskelig å finne plass til OPI kanal. Slike føringsveier egner seg derfor best til tunneler med god plass.



4.5 Bryterarrangementer
4.5.1 Brytere i AT-lederne
Generelt gjelder at AT-lederne skal kunne seksjoneres slik at:
- driftsforstyrrelser på KL og/eller NL og PL gir minst mulig driftsforstyrrelser for togtrafikken på strekningen
- nødvendig drift- og vedlikehold av anlegget kan gjennomføres uten omfattende forstyrrelse på togtrafikken
Ved oppdeling av nettet må seksjoner som mates ensidig fra kun en autotransformator ikke være lengre enn at den induserte støyen på langsgående kabler holdes under aksepterte grenseverdier. Dersom slike ensidig forsynte seksjoner blir for lange eller dersom varigheten av denne type unormale driftssituasjoner blir lang, kan det være nødvendig med operative tiltak for å begrense togtrafikken eller belastningen på banestrømforsyningen. Normalt vil ensidig matede seksjoner opp til 6 km kunne være akseptabelt i et begrenset tidsrom. Som hovedregel bør det alltid være en AT på enden av et spenningssatt AT-vindu. Andre krav til bryting i AT-system i Teknisk Regelverk:
- AT-lederne skal kunne seksjoneres ved hver autotransformator.
- Det skal benyttes 2-polede lastskillebrytere som gir samtidig brudd i PL og NL.
- Alle brytere i PL og NL bør være fjernstyrt.
På grunn av de høye innkoblingsstrømmene i AT-ene, se kapittel 3.1.3, må lastskillebrytere ikke benyttes til å spenningssette AT-er. Det er også erfart at man kan få gnisting i lastskillebrytere når spenningen til AT-ene brytes. Man bør derfor heller ikke benytte lastskillebrytere til å koble ut AT-er.
4.5.2 Kl-brytere
Det skal ikke være seriekoplede brytere i kl-nettet som gjør det mulig å sammenkoble to kontaktledningsseksjoner som hver for seg mates fra PL (T-mating fra PL). I praksis betyr det at seriekoblede brytere bare vil benyttes fra en kontaktledningsseksjon og mot sidespor, buttspor, industrispor eller lignede. Alle stasjoner (fra innkjør A til innkjør B) skal kunne seksjoneres uavhengig av det øvrige nettet. Dette betyr en egen T-matet seksjon for hver stasjon.
4.5.3 Eksempler på koblingsskjema
Figurene under viser eksempler på mulige koblingsskjema for AT-system med seksjonert kl-anlegg. Figur 41 viser eksempel på seksjonering av nett med om lag 10–12 km mellom stasjoner, med blokkpost mellom stasjonene. Ved blokksignal kan benyttes rød-hvit seksjoneringssstolpe. Figur 42 er vist eksempel på seksjonering av kl med 10–12 km mellom stasjoner. Det er ikke blokkpost mellom stasjonene (normalt mulig med bare ett tog på strekning mellom to stasjoner), og dermed lang avstand mellom påfølgende tog. Eksempel på seksjonering av nett med om lag 5–6 km mellom stasjoner er vist i figur 43. Trykk på bildene for større versjon.

Figur 41: Seksjonering av kl med 10–12 km mellom stasjoner.

Figur 42: Seksjonering av nett med 10–12 km mellom stasjoner.

Figur 43: Seksjonering med 5–6 km mellom stasjoner.
4.6 Returkrets
I et AT-system med PL og NL er det normalt ikke nødvendig med returledning. Men i spesielle situasjoner kan imidlertid bruk av returledning hjelpe til med å redusere magnetfeltet rundt kl-anlegget. Dette i helt spesielle tilfeller der omgivelsene setter svært høye krav til lave magnetfleter. Dersom man finner det nødvendig å bruke returledning på grunn av magnetfelt eller hensynet til sporfelter skal returledningen forlegges nærmest mulig AT-lederne i omtrent samme høyde som RL vanligvis monteres. Spesielle løsninger med sugetransformatorer i kombinasjon med AT-er må vurderes spesielt i slike tilfeler.
4.7 Jording
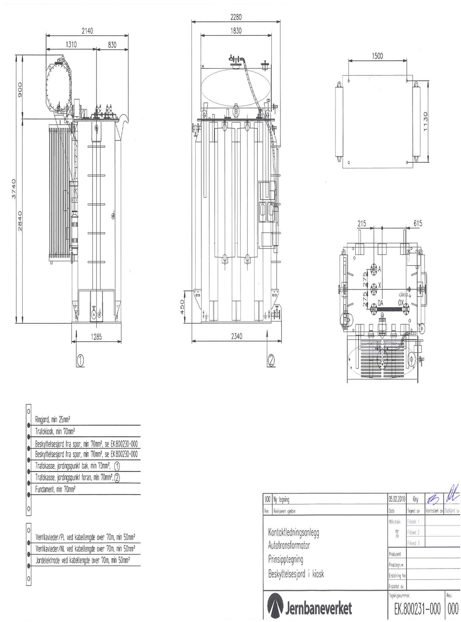
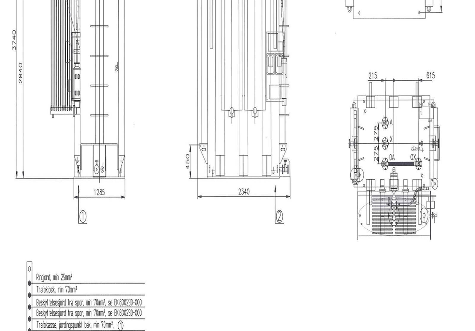
Ved alle kiosker for autotransformatorer skal det etableres en jordskinne. Til denne skinnen knyttes det forbindelser til sporet, transformatorkassen, kiosken, fundamentjord og andre utsatte anleggsdeler.


4.8 Overspenningsvern
Se kapittel 3.6.
4.9 Krav til autotransformatorer og arrangement
4.9.1 Autotransformatorer i banestrømforsyningen
Jernbaneverket og Banverket har i henhold til siste utgave av teknisk spesifikasjon for AT-er (EB.800040-000) godkjent to forskjellige ytelser; 3 MVA og 5 MVA. Typegodkjente AT-er for Banverket er hittil levert av ABB Transmit Oy, Vasa i Finland og ABB Transformers, Ludvika i Sverige (kun 5 MVA). En spesiell viktig parameter for AT-ene er kortslutnignsimpedansen som må være svært lav. Dette for at de skal virke som sugetransformatorer som henter opp returstrømmen fra skinnene og jordsmon.

Ved bygging av AT-system med innmating fra eksisterende matestasjoner vil utmatingen være på 15 kV-nivå og opptransformering til 30 kV-nivå via AT-er i hver retning på kontaktledninge, se for eksempel figur 5. Normalt vil det være behov for to AT-er i parallell i hver retning ved utmatingen fra matestasjonene.
Dersom AT-systemet bygges kun på deler av en strekning kan det også være behov for to (eller flere) AT-er i enden ved overgang til konvensjonelt system.
Tabell 5: Belastbarhet for 5 MVA AT fra ABB
| AT størrelse | Nominell strøm [A] | 60 min strøm [A] | 90 s strøm [A] | 30 s strøm [A] |
|---|---|---|---|---|
| 5 MVA | 167 | 217 | 417 | 1250 |
4.9.2 Vern for autotransformatorene
Det er erfaringsmessig svært få feil på autotransformatorene og det anses derfor ikke å være behov for egne vern og automatiske fraskillingsbrytere for dem. Kortslutningsaktige feil vil være dekket av vern i matestasjonene. For å ha muligheten til en eventuell fremtidig overvåking av autotransformatorene er det anbefalt at de utstyres med signaltermometer for måling av toppoljetemperatur og viklingstemperatur samt målelomme for pt100-element og gassvakt, men at varsling ikke overføres fjernt. For å kunne detektere overbelastning som følge av et seriebrudd på PL eller NL kan man vurdere å fjernoverføre varsel om overtemperatur fjernt. Dette er spesielt aktuelt for de nærmeste AT-ene til matestasjonene på strekninger med forventet høy belastning (ikke innmatingstransformatorene siden de er dimensjonert for overføring av hele effekten på strekningen). Dersom AT-er plasseres i bygninger som også benyttes til andre funksjoner anbefales det imidlertid at temperaturvarsling og gassvakt tilkobles med varsling via fjernkontrollanlegget for å redusere følgeskader ved transformatorfeil. Gassvaktens utkoblingssignal bør fortrinnsvis gi hurtig utkobling av forankoblet effektbryter.
4.9.3 Plassering av autotransformatorer
Avstanden mellom autotransformatorene har som vist i kapittel 3.7 betydning for andelen av strøm i jord og dermed påvirkningen på langsgående kabler. Autotransformatorer bør derfor i henhold til Teknisk regelverk 540 plasseres med en gjennomsnittlig avstand på 10 km. Maksimal avstand skal ikke overskride 12 km. Tettere avstand gir bedre EMC-egenskaper og bør vurderes der det kan være nødvendig av hensyn til nærliggende bebyggelse og viktige langsgående installasjoner som kan være spesielt utsatt for påvirkning.
Ved nedsetting av fundament og kiosk for autotransformator i terrenget, må det tas hensyn til plassering i forhold til spor. På grunn av detaljer som for eksempel kabelinnføring, dørplassering, plassering av jordskinne i fundament og inspeksjons- og pumperør, er ikke plasseringen og posisjon likegyldig. Det er gunstig om døren vender bort fra sporet slik at ikke snø og is ved brøyting sperrer døren. Det må tilstrebes at autotransformatoren kan inspiseres uten at det blir nødvendig med sportilgang.
Autotransformatorene bør plasseres nær vei slik at det ved bygging er mulig å transportere enhetene med bil. Dette forenkler utplasseringen og vil også forenkle inspeksjoner og vedlikehold av enhetene. I praksis vil det ofte være mest hensiktsmessig å plassere autotransformatorer i kiosk i utkanten av stasjonsområdene. Her vil det normalt være atkomst med bil og tilstrekkelig tomt eid av Jernbaneverket til at kiosken kan plasseres på egen grunn. En annen årsak til å plassere AT-ene i utkanten av stasjonene er fare for kortslutning og brann. Selv om sannsynligheten er liten, vil det være tilrådelig å unngå denne risikoen ved å plassere enhetene unna oppholdssteder for folk og helst lengst mulig vekk fra bebyggelse. En løsning kan være å bygge en vegg av betong inntil autotransformatoren om den må stå rett ut mot steder der folk oppholder seg. Om nødvenidig kan dette være en ringmur om hele enheten.
Det vil også ofte være størst belastning ved stasjonene siden togene krysser her. Elektrisk sett er det derfor ofte gunstig å plassere AT-ene her, men dette avhenger også av topografien på strekningen.
En annen ulempe med AT-ene er sjenerende støy som sendes ut fra dem, – såkalt transformatorbrumming. Tiltak for å dempe støy kan bli nødvendig. Her finnes det i dag (2015) ikke noen standardiserte løsninger.
Det vil som regel være mest hensiktsmessig å montere AT-ene i egne prefabrikerte kiosker for eksempel som den i figur 46. Kiosken på bildet er levert av Balfour Beatty Rail og benyttet på blant annet på Ofotbanen. Trafikverket har også benyttet disse i flere år, og bildet er fra Sverige.
Om flere transformatorer skal plasseres sammen, kan engen kiosk for flere enheter vurderes.
4.9.4 Oljegruver
Autotransformatorene inneholder over 3000 liter med transformatorolje. Det er derfor krav til oljeoppsamlingsgruve med steinfilter for å slukke en eventuell lekasje med brann i oljen. Istedenfor stein i oljegruven kan det også legges over et stålgulv med hull. Oljen renner dermed ned i oppsamlingsrommet, men hullene vil sørge for dårlig oksygentilførsel, dermed slukker brannen. Denne dørken må være solid nok til at en kan gå på den, og helst enkel å fjerne. Oljegruvene skal ha et volum som til sammen kan oppta hele oljemengden pluss eventuelt regnvann og slukkevæske.
Det har vært diskutert bruk av såkalte naturlige estere istednfor tradisjonell transformatorolje. Dette vil si at oljer som brukes som matvare, for eksempel oliven-, solsikke- og sojaolje, samt flere andre oljetyper blandes sammen. Slike oljer vil være mer miljøvennlige ved at de er naturlig nedbrytbare i nature. Det kan da være fristende å spørre seg om oljeoppsamlingsbrønnen blir unødvendig. Imidlertid har en vurdering vært at det store kvantumet ikke er problemfritt om det skulle komme ut i naturen. Et annet teknisk problem er at naturlige oljer har et lavere frysepunkt enn vanlig transformatorolje. Dermed frykter en at oljen fullstendig stivner om autotransformatorene gjøres spenningsløs i den kalde årstiden. Oppvarmig etter at belastningen settes på, vil etter fabrikantens vurdering, neppe være tilstrekelig til å tine opp oljen som står i radiatoren. Dermed kan lokal overoppheting ved viklingene bli resultatet. Muligens vil det kunne tilbys blandinger av oljer som ikke har dette problemet.

4.10 Ombygging fra tradisjonelt kl-anlegg til AT-system
Et tradisjonelt BT-system vil kunne bygges ut fortløpende og tas i bruk etter hvert som kortere eller lengre parseller ferdigstilles. AT-systemet krever generelt at det ferdigstilles og tas i bruk parseller på om lag 10 km av gangen (avstand mellom to autotransformatorer).
Hvordan nyere dobbeltsporede strekninger planlegges utbygd og idriftsatt kan variere mye fra strekning til strekning. Generelt, med den utbyggingstakten man har hatt i Norge de senere år, tar man i bruk relativt korte parseller. Eksempelvis har Lysaker–Asker blitt bygd over mange år og den lengste parsellen som settes i drift på en gang er Asker–Sandvika (om lag 10 km). På Vestfoldbanen er Holm–Nykirke under planlegging (14,1 km) og Barkåker–Tønsberg (kun 7,8 km), og Dovrebanen med Minnesund–Kleverud ca 17 km. Sistnevnte vil ha en byggetid på 4 år og her vil nok kortere deler av strekningen bli ferdigstilt underveis. Dobbeltspor bygges ut og tas i bruk på oftest på en slik måte at det vil være enkeltsporede delstrekninger mellom dobbeltsporene. Eksempelvis på Vestfoldbanen vil strekningen mellom Nykirke og Barkåker stå igjen med enkeltspor når parsellene nevnt ovenfor står ferdig.
Med slike relativt korte strekninger for idriftsettelse av nye baner er det en utfordring å løse dette med AT-system. AT-systemet krever som nevnt minst at en strekning lik ett AT-vindu, settes i drift. Ved «innskutte» strekninger med AT-system, det vil si AT-system som ikke begynner ved en omformerstasjon, kan det også være nødvendig å vurdere behov for dobbel autotransformator i endene av strekningen. Dette må vurderes for den enkelte strekning, avhengig av lengden på strekningen, avstand fra omformerstasjon og trafikken på strekningen.
Som alternativ til å idriftsette AT-system på strekningen med en gang, kan man se for seg at anlegget bygges ferdig med PL- og NL og seksjonert kl-anlegg slik som det vil bli i et ferdig AT-system, men i en overgangsperiode kan man benytte midlertidige sugetransformatorer og benytte PL og NL som returledning inntil en lengre strekning kan idriftsettes med AT-system. Alle forberedelser til AT-system bør gjøres, slik som:
- Bygge PL og NL på mastetopp med brytere som midlertidig overstroppes.
- Seksjonering av KL-anlegget med seksjonsfelter som planlagt i fremtidig AT-system. KL-seksjoner, midlertidige brytere for sammenkobling av KL-seksjoner.
De seksjoner som ikke trenger bryter overstroppes.
- Klargjort tomt med føringsveier, kabler og bryter for autotransformatorer.
Når en strekning tilsvarende en eller flere AT-vinduer er ferdigstilt kan anlegget relativt enkelt kobles om til AT-system. KL-brytere åpnes (og fjernes), overstroppede brytere og seksjonsfelter åpnes, sugetransformatorer kobles ut (og senere fjernes), PL og NL kobles om, autotransformatorer tilkobles. Dette bør kunne gjennomføres på en strekning tilsvarende minst ett AT-vindu i innenfor en mulig togfri (langhelg). Som eksempel ble en slik omkobling gjennomført for om lag 90 km enkeltsporet bane i løpet av 72 timer i Sverige (nordøst for Kil).
5 Referanser
- Jernbaneverket. Teknisk godkjenning og krav til utførelse AT system med seksjonert kontaktledning, Dokument nr. EK800118-000 rev. 000.
- Thorsten Schütte. Anteckningar från källor AT-historia, 8.9.2009 Rejlers ingenjörer AB.
- Jernbaneverket Bane Energi. Landsdekkende kraftsystemplaner del-rapport 1 Utredning av forsterkningsalternativer, Ingeniørtjenesten 1999.
- Jernbaneverket. Banestrømforsyning på Dovrebanen – Hovedplan med simuleringsrapport, BanePartner 2001.
- STRI AB. Comparision of the BTRR, BTRC and AT Traction Feeding Systems in Norway, 2003, R02-100, Proarc – EB.800005-000.
- DSB. Forskrift om sikkerhet ved arbeid i og drift av elektriske anlegg, fse, 2006.
- Jernbaneverket. Hovedplan banestrømforsyning Ofotbanen, revisjon, 2007.
- Jernbaneverket. Teknisk regelverk JD 540, vedlegg 5d Autotransfor-matorsystem med seksjonert kontaktledning, Utgitt 010109.
- Olav Vaag Thorsen. Transformatorer, Universitetsforlaget ISBN 82-00-27846-8.
- Varju EMC Bt, György Varju. Further investigations of AT-system for the Norwegian railway Part 1, Short circuit impedance seen by the protection relay, Budapest August 2005.
- Varju EMC Bt, György Varju. Further investigations of AT-system for the Norwegian railway Part 2, EMC study for ATPLNL system in Norway, Budapest August 2005
- DSB. Forskrift for Elektriske Forsyningsanlegg, 2006.
- Transinor. Overspenningsbeskyttelse, AT-anlegg, Teknisk rapport 40.400.03.585, 2007, Proarc.
- Jernbaneverket. Vern i AT-system for norsk banestrømforsyning, 2006, Cowi.
- Jernbaneverket ITPE. Strekningsvise utbyggingsplaner for bane-strømforsyning, Sørlandsbanen, Simuleringsrapport, 2006.
- Statnett, Faseavstander og belastningsstrømmer i nytt kontaktled-ningsnett, mai 2005. Proarc – EB.800032-000_000_002.
- Jernbaneverket ITPE. Vurdering av alternative systemer for bane-strømforsyning på dobbeltspor, 2010, Proarc – EB.800101-000.
- Tom Kaasen. Forlegningsmetoder for høyspentkabler i tunneler på Bergensbanen, COWI, oktober 2011. Proarc – EK.800271-000.
- Jernbaneverket. Notat Sørlandsbanen, Vurdering av kabeltverrsnitt i tunneler for NL og PL med AT-system, 2009. Proarc – EB-800057-000.
- Norconsult. Beregning av termisk belastbarhet for høyspentkabler, AT system i jernbanetunneler, 2005.